◆◇◆◇◆参考答案及解析◆◇◆◇◆
全国一级注册消防工程师职业资格考试
2022年《消防安全技术综合能力》真题
一、单选题(共80题,每题1分。每题的备选项中,只有1个最符合题意)
1.【答案】D
【解析】《消防法》
第六十六条 电器产品、燃气用具的安装、使用及其线路、管路的设计、敷设、维护保养、检测不符合消防技术标准和管理规定的,责令限期改正;逾期不改正的,责令停止使用,可以并处一千元以上五千元以下罚款。
记忆方法:表格对比记忆
未经审查、抽查、核查、验收(不合格) |
3万~30万 |
出具虚假报告(不具备从业资格) 不按照国家标准、行业标准开展: |
单位:5万~10万;个人:1万~5万 五万元以下;一万元以下 |
建设、设计、施工、监理降低质量 |
1万~10万 |
对消防设施不利 |
单位:5千~5万 个人:警告或≤500元罚款 |
易燃易爆和居住建筑在一起 |
5千~5万 |
人密场所使用不合格或淘汰产品 |
5千~5万;人:500~2千 |
电器产品、燃气用具 |
1千~5千 |
强令违章、过失火灾、不报警、火灾时不听指挥、破坏现场、拆封被查封场所 |
10~15日拘留,可以≤500元罚款;较轻:警告或≤500元罚款 |
人密场所员工不疏散 |
情节严重,5~10日拘留 |
进入易燃易爆或吸烟、使用明火 |
警告或≤500罚款;严重:≤5日拘留 |
2.【答案】C
【解析】《消防法》
第六十九条 消防设施维护保养检测、消防安全评估等消防技术服务机构,不具备从业条件从事消防技术服务活动或者出具虚假文件的,由消防救援机构责令改正,处五万元以上十万元以下罚款,并对直接负责的主管人员和其他直接责任人员处一万元以上五万元以下罚款;不按照国家标准、行业标准开展消防技术服务活动的,责令改正,处五万元以下罚款,并对直接负责的主管人员和其他直接责任人员处一万元以下罚款;有违法所得的,并处没收违法所得;给他人造成损失的,依法承担赔偿责任;情节严重的,依法责令停止执业或者吊销相应资格;造成重大损失的,由相关部门吊销营业执照,并对有关责任人员采取终身市场禁入措施。
3.【答案】A
【解析】《刑法》
第一百三十四条【强令、组织他人违章冒险作业罪】强令他人违章冒险作业,或者明知存在重大事故隐患而不排除,仍冒险组织作业,因而发生重大伤亡事故或者造成其他严重后果的,处五年以下有期徒刑或者拘役;情节特别恶劣的,处五年以上有期徒刑。
记忆方法:刑法八宗罪
罪名 |
行为特征 |
立案标准(其一) |
刑罚 |
危险作业罪 |
在生产、作业中违反有关安全管理的规定,冒险作业,具有发生重大伤亡事故或其他严重后果的现实危险的行为 |
3种情况 |
处1年以下有期徒刑、拘役或者管制 |
失火罪 |
行为人过失引起火灾 |
1死、3伤、50万 造成10户以上房屋烧毁; 森林火灾,过火有林地2公顷以上,或者过火疏林地、灌木林地、未成林地、苗圃地4公顷以上; |
3~7年有期徒刑; 情节较轻,3年以下有期徒刑或拘役 |
危险作业罪
1.客观要件
(1)关闭、破坏直接关系生产安全的监控、报警、防护、救生设备、设施,或者篡改、隐瞒、销毁其相关数据、信息的;
(2)因存在重大事故隐患被依法责令停产停业、停止施工、停止使用有关设备、设施,场所或者立即采取排除危险的整改措施,而拒不执行的;
(3)涉及安全生产的事项未经依法批准或者许可,擅自从事矿山开采、金属冶炼、建筑施工,以及危险物品生产、经营、储存等高度危险的生产作业活动的。
罪名 |
行为特征 |
立案标准(其一) |
刑罚 |
工程重大安全事故罪 |
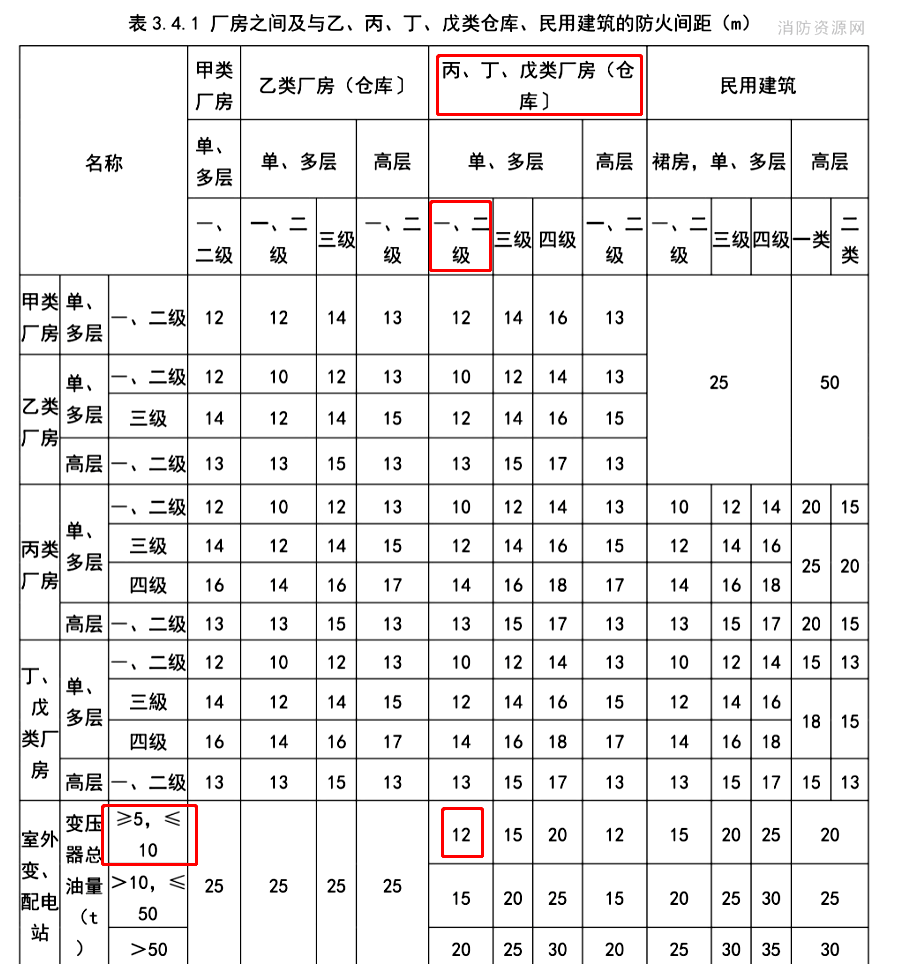
降低工程质量标准 |
1死 3伤 100万 |
5年以下有期徒刑或拘役,并处罚金;特别严重,5年以上10年以下有期徒刑,并处罚金 |
强令违章冒险作业罪 |
强令他人违章 冒险作业 |
5年以下有期徒刑或拘役; 情节特别恶劣,5年以上有期徒刑 |
|
消防责任事故罪 |
违反消防管理法规,拒绝改正 |
3年以下有期徒刑或拘役; 情节特别恶劣(消防责任事故罪:后果特别严重),3年以上7年以下有期徒刑 |
|
重大责任事故罪 |
违反安全管理规定 |
||
重大劳动安全事故罪 |
安全生产设施或条件不符合国家规定 |
||
大型群众性活动重大安全事故罪 |
举办大型群众性活动违反安全管理规定 |
4.【答案】C
【解析】第二十四条在建工程的施工单位应当开展下列消防安全教育工作:
(一)建设工程施工前应当对施工人员进行消防安全教育;
(二)在建设工地醒目位置、施工人员集中住宿场所设置消防安全宣传栏,悬挂消防安全挂图和消防安全警示标识;
(三)对明火作业人员进行经常性的消防安全教育;
(四)组织灭火和应急疏散演练。
在建工程的建设单位应当配合施工单位做好上述消防安全教育工作。
5.【答案】C
【解析】《气体灭火系统设计规范GB50370-2005》
4.1.1储存装置应符合下列规定:
4管网灭火系统的储存装置宜设在专用储瓶间内。储瓶间宜靠近防护区,并应符合建筑物耐火等级不低于二级的有关规定及有关压力容器存放的规定,且应有直接通向室外或疏散走道的出口。储瓶间和设置预制灭火系统的防护区的环境温度应为-10~50℃;所以A正确。
3.2.5防护区围护结构及门窗的耐火极限均不宜低于0.5h;吊顶的耐火极限不宜低于0.25h。所以B正确。
3.2.7防护区应设置泄压口,七氟丙烷灭火系统的泄压口应位于防护区净高的2/3以上。所以C错误。
4.3.1灭火剂储存容器及容器阀、单向阀、连接管、集流管、安全泄放装置、选择阀、阀驱动装置、喷嘴、信号反馈装置、检漏装置、减压装置等系统组件的外观质量应符合下列规定:
5同一规格的灭火剂储存容器,其高度差不宜超过20 mm。所以D正确。
6同一规格的驱动气体储存容器,其高度差不宜超过10mm。
6.【答案】C
【解析】《社会消防安全教育培训规定》
第十九条社区居民委员会、村民委员会应当开展下列消防安全教育工作:
(一)组织制定防火安全公约;所以B正确。
(二)在社区、村庄的公共活动场所设置消防宣传栏,利用文化活动站、学习室等场所,对居民、村民开展经常性的消防安全宣传教育;所以D正确。
(三)组织志愿消防队、治安联防队和灾害信息员、保安人员等开展消防安全宣传教育;所以A正确。
(四)利用社区、乡村广播、视频设备定时播放消防安全常识,在火灾多发季节、农业收获季节、重大节日和乡村民俗活动期间,有针对性地开展消防安全宣传教育。
社区居民委员会、村民委员会应当确定至少一名专(兼)职消防安全员,具体负责消防安全宣传教育工作。
7.【答案】A
【解析】《机关、团体、企业、事业单位消防安全管理规定》
第四十二条消防安全基本情况应当包括以下内容:
(一)单位基本概况和消防安全重点部位情况;
(二)建筑物或者场所施工、使用或者开业前的消防设计审核、消防验收以及消防安全检查的文件、资料;
(三)消防管理组织机构和各级消防安全责任人;
(四)消防安全制度;
(五)消防设施、灭火器材情况;
(六)专职消防队、义务消防队人员及其消防装备配备情况;
(七)与消防安全有关的重点工种人员情况;
(八)新增消防产品、防火材料的合格证明材料;
(九)灭火和应急疏散预案。
第四十三条消防安全管理情况应当包括以下内容:
(一)公安消防机构填发的各种法律文书;
(二)消防设施定期检查记录、自动消防设施全面检查测试的报告以及维修保养的记录;
(三)火灾隐患及其整改情况记录;
(四)防火检查、巡查记录;
(五)有关燃气、电气设备检测(包括防雷、防静电)等记录资料;
(六)消防安全培训记录;
(七)灭火和应急疏散预案的演练记录;
(八)火灾情况记录;
(九)消防奖惩情况记录。
8.【答案】D
【解析】《人员密集场所消防安全管理GB/T40248-2021》
8.3.3商场内的柜台和货架应合理布置,营业厅内的疏散通道设置应符合JGJ48的规定,并应符合下列要求:
d)营业厅内任一点至最近安全出口或疏散门的直线距离不宜大于30m,且行走距离不应大于45m。所以A正确。
8.3.4营业厅内的疏散指示标志设置应符合下列要求:
a)应在疏散通道转弯和交叉部位两侧的墙面、柱面距地面高度1.0m以下设置灯光疏散指示标志;有困难时,可设置在疏散通道上方2.2m~3.0m处;疏散指示标志的间距不应大于20m;所以B正确。
8.3.7防火卷帘门两侧各0.3m范围内不得放置物品,并应用黄色标识线划定范围。所以C正确。
8.3.2设置于商场内的库房应采用耐火极限不低于3.00h的隔墙与营业、办公部分完全分隔,通向营业厅的开口应设置甲级防火门。所以D错误。
9.【答案】B
【解析】建筑设计防火规范
7.2.1高层建筑应至少沿一个长边或周边长度的1/4且不小于一个长边长度的底边连续布置消防车登高操作场地,该范围内的裙房进深不应大于4m。
建筑高度不大于50m的建筑,连续布置消防车登高操作场地确有困难时,可间隔布置,但间隔距离不宜大于30m,且消防车登高操作场地的总长度仍应符合上述规定。所以B错误。
7.2.2消防车登高操作场地应符合下列规定:
4场地应与消防车道连通,场地靠建筑外墙一侧的边缘距离建筑外墙不宜小于5m,且不应大于10m,场地的坡度不宜大于3%。所以AC正确。
7.1.9环形消防车道至少应有两处与其他车道连通。尽头式消防车道应设置回车道或回车场,回车场的面积不应小于12m×12m;对于高层建筑,不宜小于15m×15m;供重型消防车使用时,不宜小于18m×18m。所以D正确。
10.【答案】D
【解析】消防联动控制系统GB16806-2006
4.7.1.15消防电话总机应有通话录音功能。系统进行通话时,录音自动开始,并有光信号指示;通话结束,录音自动停止。所以B正确。
4.7.2消防电话分机性能
4.7.2.2消防电话分机与消防电话总机应能进行全双工通话。通话应清晰,无振鸣现象。所以C正确。
4.7.2.3消防电话分机摘机即自动呼叫消防电话总机,呼叫时受话器应有回铃音,回铃音应符合GB 3380的要求。消防电话分机在消防电话总机退出通话状态时,应有忙音提示,忙音应符合GB 3380的要求。所以A正确。
4.7.1.8处于通话状态的消防电话总机,应能呼叫其他消防电话分机,被呼叫的消防电话分机摘机后,应能自动加入通话。所以D错误。
11.【答案】A
【解析】建筑灭火器配置验收及检查规范GB50444-2008
5.4.3灭火器出厂时间达到或超过表5.4.3规定的报废期限时应报废。
5.4.2有下列情况之一的灭火器应报废:
1筒体严重锈蚀,锈蚀面积大于、等于筒体总面积的1/3,表面有凹坑;
2筒体明显变形,机械损伤严重;
3器头存在裂纹、无泄压机构;
4筒体为平底等结构不合理;
5没有间歇喷射机构的手提式;
6没有生产厂名称和出厂年月,包括铭牌脱落,或虽有铭牌,但已看不清生产厂名称,或出厂年月钢印无法识别;
7筒体有锡焊、铜焊或补缀等修补痕迹;
8被火烧过。
列入国家颁布的淘汰目录的灭火器
(1)酸碱型灭火器。
(2)化学泡沫型灭火器。
(3)倒置使用型灭火器。
(4)氯溴甲烷、四氯化碳灭火器。
(5)1211灭火器、1301灭火器。
(6)国家政策明令淘汰的其他类型灭火器。
日常检查中,发现存在机械损伤、明显锈蚀、灭火剂泄露、被开启使用过,压力指示器指向红区,达到灭火器维修年限,或者符合其他报修条件的灭火器,建筑使用管理单位及时按照规定程序报修。
(1)手提式、推车式水基型灭火器出厂期满3年,首次维修以后每满1年。
(2)手提式、推车式干粉灭火器、洁净气体灭火器、二氧化碳灭火器出厂期满5年,首次维修以后每满2年。
12.【答案】C
【解析】气体灭火系统施工及验收规范GB50263-2007
8.0.5每日应对低压二氧化碳储存装置的运行情况、储存装置间的设备状态进行检查并记录。
8.0.6每月检查应符合下列要求:
1低压二氧化碳灭火系统储存装置的液位计检查,灭火剂损失10%时应及时补充。
2高压二氧化碳灭火系统、七氟丙烷管网灭火系统及IG 541灭火系统等系统的检查内容及要求应符合下列规定:
1)灭火剂储存容器及容器阀、单向阀、连接管、集流管、安全泄放装置、选择阀、阀驱动装置、喷嘴、信号反馈装置、检漏装置、减压装置等全部系统组件应无碰撞变形及其他机械性损伤,表面应无锈蚀,保护涂层应完好,铭牌和标志牌应清晰,手动操作装置的防护罩、铅封和安全标志应完整。
2)灭火剂和驱动气体储存容器内的压力,不得小于设计储存压力的90%。
3预制灭火系统的设备状态和运行状况应正常。
8.0.7每季度应对气体灭火系统进行1次全面检查,并应符合下列规定:
1可燃物的种类、分布情况,防护区的开口情况,应符合设计规定。
2储存装置间的设备、灭火剂输送管道和支、吊架的固定,应无松动。
3连接管应无变形、裂纹及老化。必要时,送法定质量检验机构进行检测或更换。
4各喷嘴孔口应无堵塞。
5对高压二氧化碳储存容器逐个进行称重检查,灭火剂净重不得小于设计储存量的90%。
6灭火剂输送管道有损伤与堵塞现象时,应按本规范第E.1节的规定进行严密性试验和吹扫。
8.0.8每年应按本规范第E.2节的规定,对每个防护区进行1次模拟启动试验,并按本规范第7.4.2条规定进行1次模拟喷气试验。
13.【答案】D
【解析】汽车加油加气站消防安全管理XF/T3004-2020
5.3设备管理员职责
设备管理员负责加油加气站内各种设备、设施的安全维护与保养,应做到如下事项:
a)严格遵守检修作业安全操作规程;
b)负责经常性的设备巡回检查,发现问题及时汇报并处理;
c)负责设备维护保养,定期更换设备润滑油,清扫、擦拭设备;
d)做好设备维护保养记录,建立设备、设施档案;
e)负责站内消防设施、器材的维护保养。所以选D。
5.4加油加气员职责
加油加气员负责加油加气站内的加油加气工作,应做到如下事项:
a)严格遵守加油加气安全操作规程;
b)定期做好加油加气设备的维护保养工作;
c)参加灭火和应急疏散预案的学习、演练;
d)对加油加气作业现场的消防安全负责,督促外来人员遵守站内消防安全管理制度,禁止外来人员滞留现场。
14.【答案】B
【解析】社会单位灭火和应急疏散预案编制及实施导则GB/T38315-2019
7.3.1演练的组织
7.3.1.1消防安全重点单位应至少每半年组织一次演练,火灾高危单位应至少每季度组织一次演练,其他单位应至少每年组织一次演练。在火灾多发季节或有重大活动保卫任务的单位,应组织全要素综合演练。单位内的有关部门应结合实际适时组织专项演练,宜每月组织开展一次疏散演练。演练应按照AQ/T9007的规定组织实施。
15.【答案】A
【解析】《火灾自动报警系统施工及验收标准》(GB50166)
6.0.1系统投入使用前,消防控制室应具有下列文件资料:
1检测、验收合格资料;
2建(构)筑物竣工后的总平面图、建筑消防系统平面布置图、建筑消防设施系统图及安全出口布量图、重点部位位置图、危化品位置图;
3消防安全管理规章制度、灭火预案、应急疏散预案;
4消防安全组织机构图,包括消防安全责任人、管理人,专职、义务消防人员;
5消防安全培训记录、灭火和应急疏散预案的演练记录;
6值班情况、消防安全检查情况及巡查情况的记录;
7火灾自动系统设备现场设置情况记录;
8消防系统联动控制逻辑关系说明、联动编程记录、消防联动控制器手动控制单元编码设置记录;
9系统设备使用说明书、系统操作规程、系统和设备维护保养制度。
16.【答案】C
【解析】《大型商业综合体消防安全管理规则(试行)》
第三十四条大型商业综合体内餐饮场所的管理应当符合下列要求:
2.餐饮场所严禁使用液化石油气及甲、乙类液体燃料;
3.餐饮场所使用天然气作燃料时,应当采用管道供气。设置在地下且建筑面积大于150平方米或座位数大于75座的餐饮场所不得使用燃气;燃气包括天然气、液化石油气和人工煤气。所以C错误。
4.不得在餐饮场所的用餐区域使用明火加工食品,开放式食品加工区应当采用电加热设施;所以D正确。
8.厨房燃气用具的安装使用及其管路敷设、维护保养和检测应当符合消防技术标准及管理规定;厨房的油烟管道应当至少每季度清洗一次;所以B正确。
17.【答案】D
【解析】消防给水及消火栓系统技术规范GB50974-2014
5.4.3消防水泵接合器的给水流量宜按每个10L/s~15L/s计算。每种水灭火系统的消防水泵接合器设置的数量应按系统设计流量经计算确定,但当计算数量超过3个时,可根据供水可靠性适当减少;该建筑室内消火栓系统设计流量40L/s,至少需要3个水泵接合器,自喷系统也需要设置水泵接合器,所以D错误。
5.4.7水泵接合器应设在室外便于消防车使用的地点,且距室外消火栓或消防水池的距离不宜小于15m,并不宜大于40m。所以B正确。
5.4.8墙壁消防水泵接合器的安装高度距地面宜为0.70m;与墙面上的门、窗、孔、洞的净距离不应小于2.0m,且不应安装在玻璃幕墙下方;地下消防水泵接合器的安装,应使进水口与井盖底面的距离不大于0.4m,且不应小于井盖的半径。所以C正确。
5.4.9水泵接合器处应设置永久性标志铭牌,并应标明供水系统、供水范围和额定压力。所以A正确。
18.【答案】B
【解析】《建筑设计防火规范》
6.7.4设置人员密集场所的建筑,其外墙外保温材料的燃烧性能应为A级。所以AC错误。
6.7.5与基层墙体、装饰层之间无空腔的建筑外墙外保温系统,其保温材料应符合下列规定:
1住宅建筑:
1)建筑高度大于100m时,保温材料的燃烧性能应为A级;
2)建筑高度大于27m,但不大于100m时,保温材料的燃烧性能不应低于B1级;
3)建筑高度不大于27m时,保温材料的燃烧性能不应低于B2级。
2除住宅建筑和设置人员密集场所的建筑外,其他建筑:
1)建筑高度大于50m时,保温材料的燃烧性能应为A级;
2)建筑高度大于24m,但不大于50m时,保温材料的燃烧性能不应低于B1级;
3)建筑高度不大于24m时,保温材料的燃烧性能不应低于B2级。
6.7.6除设置人员密集场所的建筑外,与基层墙体、装饰层之间有空腔的建筑外墙外保温系统,其保温材料应符合下列规定:
1建筑高度大于24m时,保温材料的燃烧性能应为A级;
2建筑高度不大于24m时,保温材料的燃烧性能不应低于B1级。
19.【答案】C
【解析】《消防给水及消火栓系统技术规范》(GB50974)
14.0.6阀门的维护管理应符合下列规定:
1雨淋阀的附属电磁阀应每月检查并应作启动试验,动作失常时应及时更换;
2每月应对电动阀和电磁阀的供电和启闭性能进行检测;所以B正确。
3系统上所有的控制阀门均应采用铅封或锁链固定在开启或规定的状态,每月应对铅封、锁链进行一次检查,当有破坏或损坏时应及时修理更换;所以A正确。
5每天应对水源控制阀、报警阀组进行外观检查,并应保证系统处于无故障状态;所以C错误。
14.0.5减压阀的维护管理应符合下列规定:
1每月应对减压阀组进行一次放水试验,并应检测和记录减压阀前后的压力,当不符合设计值时应采取满足系统要求的调试和维修等措施;所以D正确。
记忆方法:
供水能力(自喷每年) |
市政管网 |
每季 |
地表水、地下水 |
每年 |
|
水池水箱 |
水位 |
每月 |
结构材料 |
每年 |
|
消防泵启动 |
消火栓 |
周模拟月手动 |
自喷 |
每月 |
|
水喷雾、细水雾 |
每周 |
|
泡沫 |
电机拖动:每周;柴油机拖动:每月 |
|
流量压力 |
水泵 |
每季(自喷每年) |
减压阀 |
每年 |
|
外观 |
阀 |
每日 |
消火栓 |
每季 |
|
放水试验 |
减压阀 |
每月 |
末端试水、报警阀 |
每季 |
|
水泵接合器 |
接口附件完好 |
给水:每季 自喷:每月 |
通水试验 |
每年 |
|
稳压装置 |
启停泵压力和启泵次数 |
每日 |
气压罐压力和有效容积 |
每月 |
|
铅封锁链,电动电磁阀、倒流防止器的压差 |
|
每月 |
室外阀门井控制阀 |
|
每季 |
过滤器的排渣 |
|
给水:每年 自喷:每月 |
20.【答案】C
【解析】《建筑内部装修设计防火规范》
4.0.10消防控制室等重要房间,其顶棚和墙面应采用A级装修材料,地面及其他装修应采用不低于B1级的装修材料。所以A正确。
4.0.11建筑物内的厨房,其顶棚、墙面、地面均应采用A级装修材料。所以C错误。
21.【答案】A
【解析】《泡沫灭火系统技术标准》
4.3外浮顶储罐
4.3.5储罐上泡沫混合液管道的设置应符合下列规定:
1可每两个泡沫产生器合用一根泡沫混合液立管;所以B正确。
4连接泡沫产生器的泡沫混合液立管应用管卡固定在罐壁上,管卡间距不宜大于3m,泡沫混合液的立管下端应设锈渣清扫口。所以CD正确。
4.3.7防火堤外泡沫混合液管道的设置应符合下列规定:
1固定式系统的每组泡沫产生器应在防火堤外设置独立的控制阀;所以A错误。
9.3.20泡沫混合液管道的安装除应满足本标准第9.3.19条的规定外,尚应符合下列规定:
2储罐上泡沫混合液立管下端设置的锈渣清扫口与储罐基础或地面的距离宜为0.3m~0.5m;锈渣清扫口可采用闸阀或盲板封堵,当采用闸阀时,应竖直安装。所以D正确。
22.【答案】D
【解析】《建筑设计防火规范》
5.4.8建筑内的会议厅、多功能厅等人员密集的场所,宜布置在首层、二层或三层。设置在三级耐火等级的建筑内时,不应布置在三层及以上楼层。确需布置在一、二级耐火等级建筑的其他楼层时,应符合下列规定:
1一个厅、室的疏散门不应少于2个,且建筑面积不宜大于400m²;所以A正确。
2设置在地下或半地下时,宜设置在地下一层,不应设置在地下三层及以下楼层;
5.4.9歌舞厅、录像厅、夜总会、卡拉OK厅(含具有卡拉OK功能的餐厅)、游艺厅(含电子游艺厅)、桑拿浴室(不包括洗浴部分)、网吧等歌舞娱乐放映游艺场所(不含剧场、电影院)的布置应符合下列规定:
4确需布置在地下一层时,地下一层的地面与室外出入口地坪的高差不应大于10m;
5确需布置在地下或四层及以上楼层时,一个厅、室的建筑面积不应大于200m²;所以D错误。
6厅、室之间及与建筑的其他部位之间,应采用耐火极限不低于2.00h的防火隔墙和1.00h的不燃性楼板分隔,设置在厅、室墙上的门和该场所与建筑内其他部位相通的门均应采用乙级防火门。所以B正确。
场所类别 |
所在层数 |
分隔 |
出口 |
特殊规定 |
观众厅、会议厅、多功能厅 |
三2;宜在-1层,不应在-3层及以下;宜布置在1、2、3层,其他楼层时出口≥2个,面积≤400㎡ |
—— |
—— |
设置在高层时,应设双自 |
剧场、电影院、礼堂 |
2+甲 |
至少有一个独立的安全出口和疏散楼梯 |
||
歌舞娱乐放映游艺场所 |
不应在-2层及以下;-1层时高差≤10m;地下或4层时面积≤200㎡ |
2+1+乙 |
—— |
不宜在袋形走道两侧或尽端 |
商店、展览建筑 |
三2、四1;不应在-3层及以下 |
—— |
—— |
地下不经营甲乙类物品 |
儿童活动场所 |
一二级时在1、2、3层;三2,四1 |
2+1+乙 |
设置在高层建筑内时,应设置独立的安全出口和疏散楼梯(单多层,宜设置) |
—— |
老年人 照料设施 |
公共活动用房、康复与医疗用房设置在地下或四层及以上时:≤200㎡+30人 |
2+1+乙 |
—— |
独立建造的一二级时,32,54; 三级不超过2层 |
医院和疗养院的住院部分 |
三2,四1;不应在地下或半地下 |
2+乙(常开) |
—— |
—— |
教学、食堂、 菜市场 |
三2,四1 |
—— |
—— |
—— |
3.【答案】B
【解析】建筑内部装修设计防火规范
4.0.4地上建筑的水平疏散走道和安全出口的门厅,其顶棚应采用A级装修材料,其他部位应采用不低于B1级的装修材料;地下民用建筑的疏散走道和安全出口的门厅,其顶棚、墙面和地面均应采用A级装修材料。矿棉板为B1级,所以C正确。
地上歌舞娱乐场所,顶棚装修A级,其他6个部位装修不低于B1级,聚氨酯装饰板为B2级,所以B错误,选B。
高层办公室顶棚A级,墙面、地面、隔断均不低于B1,所以D正确。
24.【答案】C
【解析】石油化工企业设计防火标准GB50160-2008(2018年版)
8.9.1生产区内应设置灭火器。生产区内配置的灭火器宜选用干粉或泡沫灭火器,控制室、机柜间、计算机室、电信站、化验室等宜设置气体型灭火器。C选项碳酸氢钠干粉灭火器不能扑救A类火灾。
8.9.2生产区内设置的单个灭火器的规格宜按表8.9.2选用。所以B正确。
8.9.3工艺装置内手提式干粉型灭火器的选型及配置应符合下列规定:
1.扑救可燃气体、可燃液体火灾宜选用钠盐干粉灭火剂,扑救可燃固体表面火灾应采用磷酸铵盐干粉灭火剂,扑救烷基铝类火灾宜采用D类干粉灭火剂。所以C错误,D正确。
25.【答案】B
【解析】《社会消防技术服务管理规定》
第二十八条消防技术服务机构违反本规定,有下列情形之一的,责令改正,处1万元以下罚款:
(一)未设立技术负责人、未明确项目负责人的;
(二)出具的书面结论文件未经技术负责人、项目负责人签名、盖章,或者未加盖消防技术服务机构印章的;
(三)承接业务未依法与委托人签订消防技术服务合同的;
(四)消防设施维护保养检测机构的项目负责人或者消防设施操作员未到现场实地开展工作的;
(五)未建立或者保管消防技术服务档案的;
(六)未公示营业执照、工作程序、收费标准、从业守则、注册消防工程师注册证书、投诉电话等事项的。
26.【答案】D
【解析】《人员密集场所消防安全管理》
5.3消防安全责任人的职责
5.3.1贯彻执行消防法律法规,保证人员密集场所符合国家消防技术标准,掌握本场所的消防安全情况,全面负责本场所的消防安全工作。
5.3.2统筹安排本场所的消防安全管理工作,批准实施年度消防工作计划。
5.3.3为本场所消防安全管理工作提供必要的经费和组织保障。
5.3.4确定逐级消防安全责任,批准实施消防安全管理制度和保障消防安全的操作规程。
5.3.5组织召开消防安全例会,组织开展防火检查,督促整改火灾隐患,及时处理涉及消防安全的重大问题。
5.3.6根据有关消防法律法规的规定建立的专职消防队、志愿消防队(微型消防站),并配备相应的消防器材和装备。
5.3.7针对本场所的实际情况,组织制定灭火和应急疏散预案,并实施演练。D属于消防安全责任人的职责。所以选D。
27.【答案】B
【解析】社会消防安全教育培训规定
第二十八条成立消防安全专业培训机构应当符合下列条件:
(一)具有法人条件,有规范的名称和必要的组织机构;
(二)注册资金或者开办费一百万元以上;
(三)有健全的组织章程和培训、考试制度;
(四)具有与培训规模和培训专业相适应的专(兼)职教员队伍;
(五)有同时培训二百人以上规模的固定教学场所、训练场地,具有满足技能培训需要的消防设施、设备和器材;
28.【答案】C
【解析】《社会单位灭火和应急硫散预案编制及实施导则》(GB/T38315)
6.5单位基本情况
6.5.1说明单位名称、地址、使用功能、建筑面积、建筑结构及主要人员等情况,还应包括单位总平面图、分区平面图、立面图、剖面图、疏散示意图等。所以A正确。
6.5.2说明单位的火灾危险源情况,包括火灾危险源的位置、性质和可能发生的事故,明确危险源区域的操作人员和防护手段,危险品的仓储位置、形式和数量等。所以B正确。
6.5.4生产加工企业还应说明生产的主要产品、主要原材料、生产能力、主要生产工艺及处置流程、主要生产设施及装备等内容。所以D正确。
29.【答案】A
【解析】《建筑设计防火规范》
6.2.2医疗建筑内的手术室或手术部、产房、重症监护室、贵重精密医疗装备用房、储藏间、实验室、胶片室等,附设在建筑内的托儿所、幼儿园的儿童用房和儿童游乐厅等儿童活动场所、老年人照料设施,应采用耐火极限不低于2.00h的防火隔墙和1.00h的楼板与其他场所或部位分隔,墙上必须设置的门、窗应采用乙级防火门、窗。所以A正确,C错误。
5.4.4B当老年人照料设施中的老年人公共活动用房、康复与医疗用房设置在地下、半地下时,应设置在地下一层,每间用房的建筑面积不应大于200m²且使用人数不应大于30人。所以D错误。
老年人照料设施中的老年人公共活动用房、康复与医疗用房设置在地上四层及以上时,每间用房的建筑面积不应大于200m²且使用人数不应大于30人。所以B错误。
30.【答案】B
【解析】大型商业综合体消防安全管理规则(试行)应急消〔2019〕314号
第三十六条大型商业综合体内严禁生产、经营、储存和展示甲、乙类易燃易爆危险物品。严禁携带甲、乙类易燃易爆危险物品进入建筑内。所以选B。
31.【答案】D
【解析】
3水力警铃的设置位置应正确。测试时,水力警铃喷嘴处压力不应小于0.05MPa,且距水力警铃3m远处警铃声声强不应小于70dB。
检查数量:全数检查。
检查方法:打开阀门放水,使用压力表、声级计和尺量检查。
32.【答案】D
【解析】第二十条 举办大型群众性活动,承办人应当依法向公安机关申请安全许可,制定灭火和应急疏散预案并组织演练,明确消防安全责任分工,确定消防安全管理人员,保持消防设施和消防器材配置齐全、完好有效,保证疏散通道、安全出口、疏散指示标志、应急照明和消防车通道符合消防技术标准和管理规定。
33.【答案】A
【解析】5.2.4系统启动时,选择阀应在输出容器阀动作之前打开。
5.1.4储存装置宜设在专用的储存装置间内。专用储存装置间的设置应符合下列规定:
1应靠近防护区,出口应直接通向室外或疏散通道。所以B正确。
5.1.1储存装置宜由干粉储存容器、容器阀、安全泄压装置、驱动气体储瓶、瓶头阀、集流管、减压阀、压力报警及控制装置等组成。并应符合下列规定:
1干粉储存容器应符合国家现行标准《压力容器安全技术监察规程》的规定;驱动气体储瓶及其充装系数应符合国家现行标准《气瓶安全监察规程》的规定。
2干粉储存容器设计压力可取1.6 MPa或2.5MPa压力级;其干粉灭火剂的装量系数不应大于0.85;其增压时间不应大于30s。所以C正确。
5.2.5喷头应有防止灰尘或异物堵塞喷孔的防护装置,防护装置在灭火剂喷放时应能被自动吹掉或打开。所以D正确。
34.【答案】D
【解析】社会单位灭火和应急疏散预案编制及实施导则GB/T38315-2019
7.3.3演练的实施
7.3.3.1演练应设定现场发现火情和系统发现火情分别实施,并按照下列要求及时处置:
a)由人员现场发现的火情,发现火情的人应立即通过火灾报警按钮或通信器材向消防控制室或值班室报告火警,使用现场灭火器材进行扑救;
b)消防控制室值班人员通过火灾自动报警系统或视频监控系统发现火情的,应立即通过通信器材通知一线岗位人员到现场,值班人员应立即拨打“119”报警,并向单位应急指挥部报告,同时启动应急程序。所以ABC正确。
D是保安人员的职责。
35.【答案】B
【解析】7.1.1应进行每日防火巡查,可根据需要进行夜间防火巡查。文物建筑对公众开放期间,至少每2 h进行一次防火巡查;开放结束后,应进行巡查。A正确。
8.2.5应按严重危险级配备灭火器,设置应符合GB 50140的规定。所以B错误
8.2.4全国重点文物保护单位的砖木或木结构文物建筑的非消防用电负荷宜设置电气火灾监控系统。C正确。
8.2.10文物建筑的柱、梁、枋、檩、椽、楼板和闷顶内的梁架等木质构件表面可涂刷或喷涂木材专用防火阻燃液,建筑内悬挂的帐幔、幡幢、伞盖等可燃物,可采用织物专用阻燃液处理。所以D正确。
36.【答案】B
【解析】5.3.12除特殊情况外,防火门门扇的开启力不应大于80N。所以A正确。
5.3.7设置在变形缝附近的防火门,应安装在楼层数较多的一侧,且门扇开启后不应跨越变形缝。所以B错误。
5.4.2钢质防火窗窗框内应充填水泥砂浆。窗框与墙体应用预埋钢件或膨胀螺栓等连接牢固,其固定点间距不宜大于600mm。所以D正确。
37.【答案】C
【解析】7.6.7设置建筑消防设施的人员密集场所,每年应至少进行一次建筑消防设施联动检查,每月应至少进行一次建筑消防设施单项检查。
8.2.2高层宾馆的客房内应配备应急手电筒、消防过滤式自救呼吸器等逃生器材及使用说明,其他宾馆的客房内宜配备应急手电筒、消防过滤式自救呼吸器等逃生器材及使用说明,并应放置在醒目位置或设置明显的标志。应急手电筒和消防过滤式自救呼吸器的有效使用时间不应小于30min。
38.【答案】D
【解析】5.5.24高层病房楼应在二层及以上的病房楼层和洁净手术部设置避难间。避难间应符合下列规定:
1避难间服务的护理单元不应超过2个,其净面积应按每个护理单元不小于25.0m²确定。
2避难间兼作其他用途时,应保证人员的避难安全,且不得减少可供避难的净面积。
3应靠近楼梯间,并应采用耐火极限不低于2.00h的防火隔墙和甲级防火门与其他部位分隔。
避难三兄弟 |
大于100m |
老年人照料设施 |
病房楼 |
设置条件 |
>100m |
≥3层,>3000㎡ |
高层 |
位置 |
距离登高操作场地≤50m |
2层及以上 |
|
数量 |
2个避难层高差≤50m |
1个安全出口设1个 |
1个避难间保护2个护理单元 |
净面积 |
5人/㎡ |
12㎡ |
25㎡ |
分隔 |
区3h,井/间2h |
2.0+甲 |
|
应急照明 |
1.5h,3.0lx |
1.0h,10lx |
|
39.【答案】B
【解析】第十条注册消防工程师每年接受继续教育的时间累计不少于20学时。其中,消防法律法规和职业道德不少于4学时,消防技术标准不少于12学时,消防安全管理不少于4个学时。
40.【答案】B
【解析】挡烟垂壁XF533-2012
5.2.2运行性能
按6.6.2的规定进行试验,活动式挡烟垂壁的运行性能应符合以下要求:
a)从初始安装位置自动运行至挡烟工作位置时,其运行速度不应小于0.07m/s,而且总运行时间不应大于60s;所以B错误。
建筑防烟排烟系统技术标准GB51251-2017
4.2.4公共建筑、工业建筑防烟分区的最大允许面积及其长边最大允许长度应符合表4.2.4的规定,当工业建筑采用自然排烟系统时,其防烟分区的长边长度尚不应大于建筑内空间净高的8倍。所以AC正确。
41.【答案】A
【解析】6.2.1防火卷帘控制器应进行通电功能、备用电源、火灾报警功能、故障报警功能、自动控制功能、手动控制功能和自重下降功能调试,并应符合下列要求:
7自重下降功能调试时,应将卷门机电源设置于故障状态,防火卷帘应在防火卷帘控制器的控制下,依靠自重下降至全闭。
检查数量:全数检查。
检查方法:切断卷门机电源,按下防火卷帘控制器下降按钮,观察防火卷帘动作、运行情况。
42.【答案】B
【解析】8.1.9人员密集场所平时需要控制人员随意出入的安全出口、疏散门或设置门禁系统的疏散门,应保证火灾时能从内部直接向外推开,并应在门上设置“紧急出口”标识和使用提示。可以根据实际需要选用以下方法或其他等效的方法:
a)设置安全控制与报警逃生门锁系统,其报警延迟时间不应超过15s;
43.【答案】C
【解析】7.3.5除设置在仓库连廊、冷库穿堂或谷物筒仓工作塔内的消防电梯外,消防电梯应设置前室,并应符合下列规定:
1前室宜靠外墙设置,并应在首层直通室外或经过长度不大于30m的通道通向室外;
2前室的使用面积不应小于6.0m²,前室的短边不应小于2.4m;
7.3.7消防电梯的井底应设置排水设施,排水井的容量不应小于2m³,排水泵的排水量不应小于10L/s。消防电梯间前室的门口宜设置挡水设施。
7.3.8消防电梯应符合下列规定:
6电梯轿厢的内部装修应采用不燃材料;
44.【答案】D
【解析】一、二级耐火等级建筑内疏散门或安全出口不少于2个的观众厅、展览厅、多功能厅、餐厅、营业厅等,其室内任一点至最近疏散门或安全出口的直线距离不应大于30m;当疏散门不能直通室外地面或疏散楼梯间时,应采用长度不大于10m的疏散走道通至最近的安全出口。当该场所设置自动喷水灭火系统时,室内任一点至最近安全出口的安全疏散距离可分别增加25%。所以疏散走道长度不应超过12.5m。
5.5.20剧场、电影院、礼堂、体育馆等场所的疏散走道、疏散楼梯、疏散门、安全出口的各自总净宽度,应符合下列规定:
1观众厅内疏散走道的净宽度应按每100人不小于0.60m计算,且不应小于1.00m;边走道的净宽度不宜小于0.80m。所以B正确。
5.5.19人员密集的公共场所、观众厅的疏散门不应设置门槛,其净宽度不应小于1.40m,且紧靠门口内外各1.40m范围内不应设置踏步。
人员密集的公共场所的室外疏散通道的净宽度不应小于3.00m,并应直接通向宽敞地带。所以C正确。
45.【答案】B
【解析】消防控制室内应保存下列纸质和电子档案资料:
a)建(构)筑物竣工后的总平面布局图、建筑消防设施平面布置图、建筑消防设施系统图及安全出口布置图、重点部位位置图等;A包括
b)消防安全管理规章制度、应急灭火预案、应急疏散预案等;
c)消防安全组织结构图,包括消防安全责任人、管理人、专职、义务消防人员等内容;
d)消防安全培训记录、灭火和应急疏散预案的演练记录;
e)值班情况、消防安全检查情况及巡查情况的记录;
f)消防设施一览表,包括消防设施的类型、数量、状态等内容;C包括
g)消防系统控制逻辑关系说明、设备使用说明书、系统操作规程、系统和设备维护保养制度等;D包括
h)设备运行状况、接报警记录、火灾处理情况、设备检修检测报告等资料,这些资料应能定期保存和归档。
46.【答案】A
【解析】5.4.3爆炸性环境电气线路的安装应符合下列规定:
1电气线路宜在爆炸危险性较小的环境或远离释放源的地方敷设,并应符合下列规定:
1)当可燃物质比空气重时,电气线路宜在较高处敷设或直接埋地;架空敷设时宜采用电缆桥架;电缆沟敷设时沟内应充砂,并宜设置排水措施。所以B正确。
6在1区内电缆线路严禁有中间接头,在2区、20区、21区内不应有中间接头。所以A错误。
7当电缆或导线的终端连接时,电缆内部的导线如果为绞线,其终端应采用定型端子或接线鼻子进行连接。
5.4.1爆炸性环境电缆和导线的选择应符合下列规定:
47.【答案】C
【解析】6.7.3.1预案应结合每个组织机构在应急行动中需要动用的资源、涉及的工作环节,按照下列要求明确每个组织机构及其成员在应急行动中的角色和职责:
a)指挥机构由总指挥、副总指挥、消防归口职能部门负责人组成,负责人员、资源配置,应急队伍指挥调动,协调事故现场等有关工作,批准预案的启动与终止,组织应急预案的演练,组织保护事故现场,收集整理相关数据、资料,对预案实施情况进行总结讲评;
b)通信联络组由现场工作人员及消防控制室值班人员组成,负责与指挥机构和当地消防部门、区域联防单位及其他应急行动涉及人员的通信、联络;
c)灭火行动组由自动灭火系统操作员、指定的一线岗位人员和专职或志愿消防员组成,负责在发生火灾后立即利用消防设施、器材就地扑救初起火灾;
d)疏散引导组由指定的一线岗位人员和专职或志愿消防员组成,负责引导人员正确疏散、逃生;
e)防护救护组由指定的具有医护知识的人员组成,负责协助抢救、护送受伤人员;
f)安全保卫组由保安人员组成,负责阻止与场所无关人员进入现场,保护火灾现场,协助消防部门开展火灾调查;
g)后勤保障组由相关物资保管人员组成,负责抢险物资、器材器具的供应及后勤保障。
48.【答案】D
【解析】5.2.1熔点不低于1000℃且无绝热层的金属管道贯穿具有耐火性能要求的建筑结构或构件时,贯穿孔口的防火封堵应符合下列规定:
1环形间隙应采用无机或有机防火封堵材料封堵;或采用矿物棉等背衬材料填塞并覆盖有机防火封堵材料;或采用防火封堵板材封堵,并在管道与防火封堵板材之间的缝隙填塞有机防火封堵材料。
49.【答案】D
【解析】9.3.20泡沫混合液管道的安装除应满足本标准第9.3.19条的规定外,尚应符合下列规定:
2储罐上泡沫混合液立管下端设置的锈渣清扫口与储罐基础或地面的距离宜为0.3m~0.5m;锈渣清扫口可采用闸阀或盲板封堵,当采用闸阀时,应竖直安装。C不符合题意。
4连接泡沫产生装置的泡沫混合液管道上设置的压力表接口宜靠近防火堤外侧,并应竖直安装。A不符合题意。
9.3.10泡沫液储罐的安装位置和高度应符合设计要求。储罐周围应留有满足检修需要的通道,其宽度不宜小于0.7m,且操作面不宜小于1.5m;B不符合题意。
3.5.2常压泡沫液储罐应符合下列规定:
3储罐泡沫液管道吸液口应朝下,并应设置在沉降层之上,且当采用蛋白类泡沫液时,吸液口距泡沫液储罐底面不应小于0.15m;D符合题意。
50.【答案】C
【解析】7.4.2室内消火栓的配置应符合下列要求:
1应采用DN65室内消火栓,并可与消防软管卷盘或轻便水龙设置在同一箱体内;
2应配置公称直径65有内衬里的消防水带,长度不宜超过25.0m;消防软管卷盘应配置内径不小于ф19的消防软管,其长度宜为30.0m;轻便水龙应配置公称直径25有内衬里的消防水带,长度宜为30.0m;
3宜配置当量喷嘴直径16mm或19mm的消防水枪,但当消火栓设计流量为2.5L/s时宜配置当量喷嘴直径11mm或13mm的消防水枪;消防软管卷盘和轻便水龙应配置当量喷嘴直径6mm的消防水枪。
51.【答案】C
【解析】9.0.3每季度应对防烟、排烟风机、活动挡烟垂壁、自动排烟窗进行一次功能检测启动试验。
9.0.4每半年应对全部排烟防火阀、送风阀或送风口、排烟阀或排烟口进行自动和手动启动试验一次。
9.0.5每年应对全部防烟、排烟系统进行一次联动试验和性能检测,其联动功能和性能参数应符合原设计要求。
52.【答案】B
【解析】
示例1:公称通径为100mm、公称压力为1.6MPa、吸水管连接口为100mm、水带连接口为65mm的地下消火栓,其型号表示为:SA 100/65-1.6。
示例2:公称通径为150mm、公称压力为1.6MPa、吸水管连接口为150mm、水带连接口为80mm的防撞型地上消火栓,其型号表示为:SSF 150/80-1.6。
示例3:公称通径为100mm、公称压力为1.6MPa、吸水管连接口为100mm、水带连接口为65mm的防撞减压稳压型地上消火栓,其型号表示为:SSFW 100/65-1.6。
示例4:公称通径为100mm、公称压力为1.6MPa、吸水管连接口为100mm、水带连接口为65mm的地上泡沫消火栓,其型号表示为:SSP 100/65-1.6。
53.【答案】D
【解析】4.2重大火灾隐患判定适用下列程序:
c)专家技术论证:对于涉及复杂疑难的技术问题,按照本标准判定重大火灾隐患有困难的,应组织专家成立专家组进行技术论证,形成结论性判定意见。结论性判定意见应有三分之二以上的专家同意。
4.3技术论证专家组应由当地政府有关行业主管部门、监督管理部门和相关消防技术专家组成,人数不应少于7人。
54.【答案】C
【解析】8.0.7报警阀组的验收应符合下列要求:
3水力警铃的设置位置应正确。测试时,水力警铃喷嘴处压力不应小于0.05MPa,且距水力警铃3m远处警铃声声强不应小于70dB。
55.【答案】A
【解析】4.3.6阀组的安装除应符合现行国家标准《工业金属管道工程施工规范》GB 50235的有关规定外,尚应符合下列规定:
2分区控制阀的安装高度宜为1.2m~1.6m,操作面与墙或其他设备的距离不应小于0.8m,并应满足安全操作要求。
56.【答案】A
【解析】3.7.4厂房内任一点至最近安全出口的直线距离不应大于表3.7.4的规定。

57.【答案】B
【解析】附录B防火间距的计算方法
B.0.1建筑物之间的防火间距应按相邻建筑外墙的最近水平距离计算,当外墙有凸出的可燃或难燃构件时,应从其凸出部分外缘算起。所以A错误。
建筑物与储罐、堆场的防火间距,应为建筑外墙至储罐外壁或堆场中相邻堆垛外缘的最近水平距离。所以B正确。所以C错误。
B.0.4变压器之间的防火间距应为相邻变压器外壁的最近水平距离。
变压器与建筑物、储罐或堆场的防火间距,应为变压器外壁至建筑外墙、储罐外壁或相邻堆垛外缘的最近水平距离。所以D错误。
58.【答案】B
【解析】5.5.27住宅建筑的疏散楼梯设置应符合下列规定:
1建筑高度不大于21m的住宅建筑可采用敞开楼梯间;与电梯井相邻布置的疏散楼梯应采用封闭楼梯间,当户门采用乙级防火门时,仍可采用敞开楼梯间。
2建筑高度大于21m、不大于33m的住宅建筑应采用封闭楼梯间;当户门采用乙级防火门时,可采用敞开楼梯间。
建筑类别 |
建筑高度 |
敞开 |
封闭 |
防烟 |
厂房 |
高层、甲乙丙多层 |
|
√ |
|
h>32m且任一层>10人 |
|
|
√ |
|
高层仓库 |
h>24m |
|
√ |
|
公共建筑 |
裙房和≤32m的二类高 |
|
√ |
|
一类和>32m的二类高,>24m老年人 |
|
|
√ |
|
多层公建 (除敞开外廊) |
医疗、旅馆及类似功能,老年人(>24防烟) |
|
√ |
|
设置歌艺场所的建筑 |
||||
商店、图书馆、展览、会议中心及类似功能 |
||||
6层及以上 |
||||
住宅 |
h>33m |
|
|
√ |
21m<h≤33m(户门乙级可敞开) |
|
√ |
|
|
h≤21m(与电梯井相邻应封闭,但户门乙级可敞开) |
√ |
|
|
|
地下半地下 |
3层及以上或高差10m |
|
|
√ |
其他 |
|
√ |
|
59.【答案】A
【解析】报警总线开路不会显示电源故障,会报回路故障。
60.【答案】B
【解析】9.3仓储场所内不应使用明火,并应设置醒目的禁止标志。因施工确需明火作业时,应按用火管理制度办理动火证。D不符合题意。
9.5仓储场所内的焊接、切割作业应在指定区域进行,并应满足以下条件:
a)在工作区域内配备2具灭火级别不小于3A的灭火器;A不符合题意。
b)设有自动消防设施的,应确保自动消防设施处于正常状态;
c)工作区周边8 m以内不应存放物品,且应采用防火幕布、金属板、石棉板等与相邻可燃物隔开;B符合题意。
d)若焊接、烘烤的部位紧邻或穿越墙体、吊顶等建筑分隔结构,应在分隔结构的另一侧采取相应的防火措施;
e)作业期间应有专人值守,作业完成30 min后值守人员方可离开。C不符合题意。
61.【答案】A
【解析】4.0.2水雾喷头的选型应符合下列要求:
1扑救电气火灾,应选用离心雾化型水雾喷头;所以A错误
3.2.11当保护对象为室内燃油锅炉、电液装置、氢密封油装置、发电机、油断路器、汽轮机油箱、磨煤机润滑油箱时,水雾喷头宜布置在保护对象的顶部周围,并应使水雾直接喷向并完全覆盖保护对象。所以B正确。
3.2.5当保护对象为油浸式电力变压器时,水雾喷头的布置应符合下列要求:
1变压器绝缘子升高座孔口、油枕、散热器、集油坑应设水雾喷头保护;
2水雾喷头之间的水平距离与垂直距离应满足水雾锥相交的要求。所以C正确。
3.1.3水雾喷头的工作压力,当用于灭火时不应小于0.35MPa;当用于防护冷却时不应小于0.2MPa,但对于甲B、乙、丙类液体储罐不应小于0.15MPa。所以D正确。
62.【答案】A
【解析】6当安装在疏散走道、通道的地面上时,应符合下列规定:
3)标志灯表面应与地面平行,高于地面距离不应大于3mm,标志灯边缘与地面垂直距离高度不应大于1mm。A错误,本题选A。
4.5.11方向标志灯的安装应符合下列规定:
2安装在疏散走道、通道两侧的墙面或柱面上时,标志灯底边距地面的高度应小于1m。C正确。
4.5.7当条件限制时,照明灯可安装在走道侧面墙上,并应符合下列规定:
1安装高度不应在距地面1m~2m之间;D正确。
10.3.5公共建筑、建筑高度大于54m的住宅建筑、高层厂房(库房)和甲、乙、丙类单、多层厂房,应设置灯光疏散指示标志,并应符合下列规定:
1应设置在安全出口和人员密集的场所的疏散门的正上方;
2应设置在疏散走道及其转角处距地面高度1.0m以下的墙面或地面上。灯光疏散指示标志的间距不应大于20m;对于袋形走道,不应大于10m;在走道转角区,不应大于1.0m。所以B正确。
63.【答案】D
【解析】3.6.8有爆炸危险的甲、乙类厂房的总控制室应独立设置。A错误。
3.3.5员工宿舍严禁设置在厂房内。
办公室、休息室等不应设置在甲、乙类厂房内,确需贴邻本厂房时,其耐火等级不应低于二级,并应采用耐火极限不低于3.00h的防爆墙与厂房分隔,且应设置独立的安全出口。B错误。
9.3.9排除有燃烧或爆炸危险气体、蒸气和粉尘的排风系统,应符合下列规定:
2排风设备不应布置在地下或半地下建筑(室)内;C错误。
9.3.7净化有爆炸危险粉尘的干式除尘器和过滤器宜布置在厂房外的独立建筑内,建筑外墙与所属厂房的防火间距不应小于10m。
具备连续清灰功能,或具有定期清灰功能且风量不大于15000m³/h、集尘斗的储尘量小于60kg的干式除尘器和过滤器,可布置在厂房内的单独房间内,但应采用耐火极限不低于3.00h的防火隔墙和1.50h的楼板与其他部位分隔。所以D正确。
64.【答案】A
【解析】应急工作状态不会报故障。
65.【答案】C
【解析】2除本规范另有规定外,宿舍、公寓等非住宅类居住建筑的防火要求,应符合本规范有关公共建筑的规定;
建筑高度大于50m的公共建筑为一类高层公共建筑。
名称 |
高层民用建筑 |
单、多层民用建筑 |
|
一类 |
二类 |
||
住宅建筑 |
建筑高度H>54m的住宅建筑(包括设置商业服务网点的住宅建筑) |
建筑高度27m<H≤54m的住宅建筑(包括设置商业服务网点的住宅建筑) |
建筑高度H≤27m的住宅建筑(包括设置商业服务网点的住宅建筑) |
公共建筑 |
1.建筑高度大于50m的公共建筑; 2.建筑高度24m以上部分任一楼层建筑面积大于1000m²的商店、展览、电信、邮政、财贸金融建筑和其他多种功能组合的建筑; 3.医疗建筑、重要公共建筑、独立建造的老年人照料设施; 4.省级及以上的广播电视和防灾指挥调度建筑、网局级和省级电力调度建筑; 5.藏书超过100万册的图书馆、书库 |
除一类高层公共建筑外的其他高层公共建筑 |
1.建筑高度大于24m的单层公共建筑; 2.建筑高度不大于24m的其他公共建筑 |
66.【答案】A
【解析】第二十一条高层民用建筑的户外广告牌、外装饰不得采用易燃、可燃材料,不得妨碍防烟排烟、逃生和灭火救援,不得改变或者破坏建筑立面防火结构。
建筑高度超过50米的高层民用建筑外墙上设置的装饰、广告牌应当采用不燃材料并易于破拆。
第十五条高层民用建筑的业主、使用人或者物业服务企业、统一管理人应当对动用明火作业实行严格的消防安全管理,不得在具有火灾、爆炸危险的场所使用明火;因施工等特殊情况需要进行电焊、气焊等明火作业的,应当按照规定办理动火审批手续,落实现场监护人,配备消防器材,并在建筑主入口和作业现场显著位置公告。所以B正确。
第十九条设有建筑外墙外保温系统的高层民用建筑,其管理单位应当在主入口及周边相关显著位置,设置提示性和警示性标识,标示外墙外保温材料的燃烧性能、防火要求。所以C正确。
第三十四条高层民用建筑应当进行每日防火巡查,并填写巡查记录。其中,高层公共建筑内公众聚集场所在营业期间应当至少每2小时进行一次防火巡查,医院、养老院、寄宿制学校、幼儿园应当进行白天和夜间防火巡查,高层住宅建筑和高层公共建筑内的其他场所可以结合实际确定防火巡查的频次。所以D正确。
67.【答案】A
【解析】5.4.17建筑采用瓶装液化石油气瓶组供气时,应符合下列规定:
1应设置独立的瓶组间;
2瓶组间不应与住宅建筑、重要公共建筑和其他高层公共建筑贴邻,液化石油气气瓶的总容积不大于1m³的瓶组间与所服务的其他建筑贴邻时,应采用自然气化方式供气;
3液化石油气气瓶的总容积大于1m³、不大于4m³的独立瓶组间,与所服务建筑的防火间距应符合本规范表5.4.17的规定;
注:气瓶总容积应按配置气瓶个数与单瓶几何容积的乘积计算。
4在瓶组间的总出气管道上应设置紧急事故自动切断阀;
5瓶组间应设置可燃气体浓度报警装置;
68.【答案】B
【解析】第三十五条高层住宅建筑应当每月至少开展一次防火检查,高层公共建筑应当每半个月至少开展一次防火检查,并填写检查记录。AC不符合题意。
第三十七条禁止在高层民用建筑公共门厅、疏散走道、楼梯间、安全出口停放电动自行车或者为电动自行车充电。B符合题意。
第三十九条高层民用建筑的业主、使用人或者消防服务单位、统一管理人应当每年至少组织开展一次整栋建筑的消防安全评估。消防安全评估报告应当包括存在的消防安全问题、火灾隐患以及改进措施等内容。所以D正确。
69.【答案】B
【解析】
原强制性产品认证目录中的13类消防产品改为自愿认证,仅保留公共场所、住宅使用的火灾报警产品、灭火器、避难逃生产品的强制性产品认证。
目前需要CCC强制性产品认证的消防产品包括三大类,有火灾报警产品、灭火器和避难逃生产品,这些品类目录下的消防产品是需要3C强制性认证的。每个大类下有包含子类。
火灾报警产品:
点型感烟火灾探测器、点型感温火灾探测器、独立式感烟火灾探测报警器、手动火灾报警按钮、点型紫外火焰探测器、特种火灾探测器、线型光束感烟火灾探测器、火灾显示盘、火灾声和/或光警报器、火灾报警控制器、家用火灾报警产品。
灭火器:
手提式灭火器、推车式灭火器、简易式灭火器。
避难逃生产品:
消防应急照明疏散指示产品、逃生产品、自救呼吸器、消防安全标志。
70.【答案】D
【解析】7.3.1机械加压送风系统的联动调试方法及要求应符合下列规定:
2与火灾自动报警系统联动调试时,当火灾自动报警探测器发出火警信号后,应在15s内启动与设计要求一致的送风口、送风机。
系统名称 |
联动触发信号 |
联动控制 |
联动反馈信号 |
防烟系统 |
加压送风口所在防火分区的两个独立探测器、探测器+手报 |
开启送风口、启动加压送风机 |
送风口、排烟口、排烟窗或排烟阀的开启或关闭信号,防烟、排烟风机启停信号,电动防火阀关闭动作信号 |
排烟系统 |
同一防烟分区两只独立的探测器、探测器+手报 |
开启排烟口、排烟窗或排烟阀, 停止该防烟分区空气调节系统 |
|
排烟口、排烟窗或排烟阀开启的动作信号+该防护区内探测器+手报 |
启动排烟风机 |
||
位于电动挡烟垂壁附近的2路感烟探测器 |
降落电动挡烟垂壁 |
||
防火卷帘系统 |
疏散通道上(两步降) |
第一步:两只独立的感烟探测器或任一只专用感烟探测器,下降到距楼板面1.8m 第二步:任一只专用感温探测器,降到底 |
降到1.8m和降到底的信号,探测器的信号 |
非疏散通道上(一步降到底) |
两只独立的探测器联动控制降到底 |
降到楼板面,探测器的信号 |
|
防火门系统 |
所在防火分区内的两只独立的火灾探测器或一只火灾探测器与一只手报的报警信号 |
关闭常开防火门 |
疏散通道上各防火门的开启、关闭及故障状态信号 |
电梯 |
— |
所有电梯停于首层或电梯转换层 |
电梯运行状态信息和停于首层或转换层的反馈信号 |
气体灭火系统 |
有人值守 |
一个感烟探测器/其他类型探测器/手报 |
启动该防护区内火灾声光报警器 |
与上一信号相邻的感温探测器/火焰探测器/手报 |
①关闭送(排)风机及送(排)风阀门 ②停止通风和空气调节系统及关闭电动防火阀; ③关闭防护区域的门、窗; ④启动气体灭火装置 ⑤启动入口处气体喷洒的火灾声光报警器 |
||
无人值守 |
首个信号 |
①关闭送(排)风机及送(排)风阀门 ②停止通风和空气调节系统及关闭电动防火阀; ③关闭防护区域的门、窗; |
|
第二个联动触发信号 |
启动气体/泡沫灭火装置 |
系统名称 |
联动触发信号 |
联动控制 |
火灾警报和消防应急广播系统 |
同一报警区域内两只独立的探测器或一只探测器与一只手报的报警信号 |
确认火灾后启动建筑内所有火灾声光警报器、启动消防应急广播 |
消防应急照明和疏散指示系统 |
确认火灾后,由发生火灾的报警区域开始,顺序启动全楼消防应急照明和疏散指示系统 |
系统名称 |
联动触发信号 |
联动控制 |
联动反馈信号 |
|
自动喷水灭火系统 |
湿式/干式 |
报警阀压力开关+该报警阀防护区域探测器/手报 |
启动喷淋泵 |
水流指示器、信号阀、压力开关、喷淋泵启停 |
预作用 |
同一报警区域两个独立感烟探测器、一个感烟探测器+手报(+充气管路上的压力开关) |
开启预作用阀组、开启快速排气阀前电动阀、开启喷淋泵 |
水流指示器、信号阀、压力开关、喷淋泵启停、有压气体管道气体状态、快速排气阀前电动阀 |
|
报警阀压力开关+该报警阀防护区域探测器/手报 |
启动喷淋泵 |
|||
雨淋 |
同一报警区域两个独立感温探测器、一个感温探测器+手报 |
开启雨淋阀组 |
水流指示器、压力开关、雨淋阀组和雨淋消防泵启停 |
|
报警阀压力开关+该报警阀防护区域探测器/手报 |
启动喷淋泵 |
|||
水幕系统 |
用于防火卷帘的保护 |
防火卷帘下落到楼板面+本报警区域探测器/手报 |
开启水幕系统 控制阀组 |
压力开关、水幕系统相关控制阀组合消防泵的启停信号 |
报警阀压力开关+该报警阀防护区域探测器/手报 |
启动喷淋泵 |
|||
用于防火分隔 |
同一报警区域两个 独立感温探测器 |
开启水幕系统 控制阀组 |
||
报警阀压力开关+该报警阀防护区域探测器/手报 |
启动喷淋泵 |
|||
消火栓系统 |
消火栓按钮+该报警区域探测器/手报 |
启动消火栓泵 |
消火栓泵 启动信号 |
|
71.【答案】C
【解析】
11.1每座冷库冷藏间的占地面积和防火分区面积应符合GB 50072的规定。当冷库设在地下室时,只允许设置在地下一层。所以A错误。
5.1.1仓储场所每月应至少组织一次防火检查,各部门(班组)每周应至少开展一次防火检查。所以B错误。
11.6氨压缩机房、设备间、楼梯间、穿堂等部位应设置消火栓系统。大型冷库、高层冷库应设自动喷水灭火系统,并根据环境温度进行设计选型。制冷机房内的氨压缩机、贮氨罐等部位宜设置开式喷淋系统,且可手动控制,用于吸收、稀释泄漏的氨气。所以C正确。
11.5库房的安全出口应设在穿堂附近,开向穿堂的门应为乙级防火门。多层、高层冷库的办公、更衣、休息应设置在首层,且应至少有1个独立的安全出口。所以D错误。
72.【答案】C
【解析】第十四条大型商业综合体的保安人员应当履行下列消防职责:
1.按照本单位的消防安全管理制度进行防火巡查,并做好记录,发现问题应当及时报告;B不符合题意。
2.发现火灾及时报火警并报告消防安全责任人和消防安全管理人,扑救初起火灾,组织人员疏散,协助开展灭火救援;A不符合题意。
3.劝阻和制止违反消防法规和消防安全管理制度的行为。D不符合题意。
73.【答案】A
【解析】3.2.9甲、乙类厂房和甲、乙、丙类仓库内的防火墙,其耐火极限不应低于4.00h。
3.2.12除甲、乙类仓库和高层仓库外,一、二级耐火等级建筑的非承重外墙,当采用不燃性墙体时,其耐火极限不应低于0.25h;当采用难燃性墙体时,不应低于0.50h。B不符合题意。
注:二级耐火等级建筑内采用不燃材料的吊顶,其耐火极限不限。C不符合题意。
3.2.13二级耐火等级厂房(仓库)内的房间隔墙,当采用难燃性墙体时,其耐火极限应提高0.25h。D不符合题意。

74.【答案】A
【解析】题干已说明消防控制室发出防火卷帘关闭信号了,所以和感烟探测器无关。
75.【答案】D
【解析】4.8.4应对剩余电流式电气火灾监控探测器的监控报警功能进行检查并记录,探测器的监控报警功能应符合下列规定:
2应采用剩余电流发生器对探测器施加报警设定值的剩余电流,探测器的报警确认灯应在30s内点亮并保持;A错误。
4.8.6应对故障电弧探测器的监控报警功能进行检查并记录,探测器的监控报警功能应符合下列规定:
2应操作故障电弧发生装置,在1s内产生9个及以下半周期故障电弧,探测器不应发出报警信号;B错误。
3应操作故障电弧发生装置,在1s内产生14个及以上半周期故障电弧,探测器的报警确认灯应在30s内点亮并保持;C错误。
4.8.5应对测温式电气火灾监控探测器的监控报警功能进行检查并记录,探测器的监控报警功能应符合下列规定:
2应采用发热试验装置给监控探测器加热至设定的报警温度,探测器的报警确认灯应在40s内点亮并保持;D正确。
3S:联动控制器发出启动、输入、输出模块动作信号、分机呼叫总机;
5S:应急电源主电源断电后,自动切换到电池组供电;
10S:探测器手报报警后,控制器发出火警、图形显示器显示报警和信息;
30S:点型火焰探测器和图像型火灾探测器的火警确认灯(最不利点)、可燃气体探测器、剩余电流式电气火灾监控探测器报警确认灯
40S:测温式电气火灾监控探测器的报警确认灯
100S:故障指示灯、(监管、屏蔽、故障)图形显示器显示信息
120S:管路采样式吸气感烟火灾探测器的火警确认灯
线型光束感烟火灾探测器:0.9dB不报警;1.0dB~10.0dB报警;11.5dB报警或报故障。
故障电弧探测器:1s内产生9个及以下半周期故障电弧,不报警;1s内产生14个及以上半周期故障电弧,30s内报警
76.【答案】A
【解析】9.3.11通风、空气调节系统的风管在下列部位应设置公称动作温度为70℃的防火阀:
1穿越防火分区处;
2穿越通风、空气调节机房的房间隔墙和楼板处;
3穿越重要或火灾危险性大的场所的房间隔墙和楼板处;所以D正确。
4穿越防火分隔处的变形缝两侧;
5竖向风管与每层水平风管交接处的水平管段上。
注:当建筑内每个防火分区的通风、空气调节系统均独立设置时,水平风管与竖向总管的交接处可不设置防火阀。
9.3.12公共建筑的浴室、卫生间和厨房的竖向排风管,应采取防止回流措施并宜在支管上设置公称动作温度为70℃的防火阀。所以C正确。
公共建筑内厨房的排油烟管道宜按防火分区设置,且在与竖向排风管连接的支管处应设置公称动作温度为150℃的防火阀。所以A错误。
9.3.13防火阀的设置应符合下列规定:
3在防火阀两侧各2.0m范围内的风管及其绝热材料应采用不燃材料。所以B正确。
4.4.10排烟管道下列部位应设置排烟防火阀:
1垂直风管与每层水平风管交接处的水平管段上;
2一个排烟系统负担多个防烟分区的排烟支管上;
3排烟风机入口处;
4穿越防火分区处。
77.【答案】D
【解析】第六条举办大型群众性活动,承办者应当制订大型群众性活动安全工作方案。大型群众性活动安全工作方案包括下列内容:
活动的时间、地点、内容及组织方式;
安全工作人员的数量、任务分配和识别标志;A包括。
活动场所消防安全措施;B包括。
活动场所可容纳的人员数量以及活动预计参加人数;
治安缓冲区域的设定及其标识;
入场人员的票证查验和安全检查措施;
车辆停放、疏导措施;
现场秩序维护、人员疏导措施;
应急救援预案。C包括。
78.【答案】D
【解析】压力波动会导致水进入报警管路,泄水孔封堵导致水无法即使排除,所以ABC有可能发生。
泄水孔堵塞跟报警阀组放水口没有关联,放水阀未完全关闭会导致放水口流水。
79.【答案】C
【解析】8.1.2人员密集场所设置在具有多种用途的建筑内时,应至少采用耐火极限不低于1.00h的楼板和2.00h的隔墙与其他部位隔开,并应满足各自不同营业时间对安全疏散的要求。人员密集场所采用金属夹芯板材搭建临时构筑物时,其芯材应为A级不燃材料。所以C错误。
7.6.17消防控制室的值班人员应每两小时记录一次值班情况,值班记录应完整、字迹清晰、保存完好。所以A正确。
7.6.9消防设施的维护、管理还应符合下列要求。
c)室外消火栓不应埋压、圈占;距室外消火栓、水泵接合器2.0m范围内不得设置影响其正常使用的障碍物。所以D正确。
80.【答案】C
【解析】
10.1.4消防用电按一、二级负荷供电的建筑,当采用自备发电设备作备用电源时,自备发电设备应设置自动和手动启动装置。当采用自动启动方式时,应能保证在30s内供电。B不符合题意。
10.1.10消防配电线路应满足火灾时连续供电的需要,其敷设应符合下列规定:
3消防配电线路宜与其他配电线路分开敷设在不同的电缆井、沟内;确有困难需敷设在同一电缆井、沟内时,应分别布置在电缆井、沟的两侧,且消防配电线路应采用矿物绝缘类不燃性电缆。C符合题意。
二、多选题(共20小题,每题2分,每题的备选项中有2个或2个以上符合题意。错选、漏选不得分;少选,所选的每个选项得0.5分)
81.【答案】BDE
【解析】《自动喷水灭火系统施工及验收规范》(GB50261)
8.0.6消防水泵验收应符合下列要求:
3分别开启系统中的每一个末端试水装置和试水阀,水流指示器、压力开关等信号装置的功能应均符合设计要求。湿式自动喷水灭火系统的最不利点做末端放水试验时,自放水开始至水泵启动时间不应超过5min。所以B正确。
4自动或手动启动消防泵时应在55s内投入正常运行。所以D正确。
5消防水泵停泵时,水锤消除设施后的压力不应超过水泵出口额定压力的1.3倍~1.5倍。所以A错误。
7.2.5报警阀调试应符合下列要求:
1湿式报警阀调试时,在末端装置处放水,当湿式报警阀进口水压大于0.14MPa、放水流量大于1L/s时,报警阀应及时启动;带延迟器的水力警铃应在5s~90s内发出报警铃声,不带延迟器的水力警铃应在15s内发出报警铃声;压力开关应及时动作,启动消防泵并反馈信号。所以C错误。
8.0.8管网验收应符合下列要求:5干式系统、由火灾自动报警系统和充气管道上设置的压力开关开启预作用装置的预作用系统,其配水管道充水时间不宜大于1min;雨淋系统和仅由水灾自动报警系统联动开启预作用装置的预作用系统,其配水管道充水时间不宜大于2min。所以E正确。
82.【答案】BCDE
【解析】《建筑设计防火规范》
5.4.12燃油或燃气锅炉、油浸变压器、充有可燃油的高压电容器和多油开关等,宜设置在建筑外的专用房间内;确需贴邻民用建筑布置时,应采用防火墙与所贴邻的建筑分隔,且不应贴邻人员密集场所,该专用房间的耐火等级不应低于二级;确需布置在民用建筑内时,不应布置在人员密集场所的上一层、下一层或贴邻,并应符合下列规定:
1燃油或燃气锅炉房、变压器室应设置在首层或地下一层的靠外墙部位,但常(负)压燃油或燃气锅炉可设置在地下二层或屋顶上。设置在屋顶上的常(负)压燃气锅炉,距离通向屋面的安全出口不应小于6m。所以B错误。
3锅炉房、变压器室等与其他部位之间应采用耐火极限不低于2.00h的防火隔墙和1.50h的不燃性楼板分隔。在隔墙和楼板上不应开设洞口,确需在隔墙上设置门、窗时,应采用甲级防火门、窗。所以C错误。
4锅炉房内设置储油间时,其总储存量不应大于1m³,且储油间应采用耐火极限不低于3.00h的防火隔墙与锅炉间分隔;确需在防火隔墙上设置门时,应采用甲级防火门。所以D错误。
7应设置火灾报警装置。所以A正确。
10燃气锅炉房应设置爆炸泄压设施。燃油或燃气锅炉房应设置独立的通风系统,并应符合本规范第9章的规定。所以E错误。
83.【答案】ABCE
【解析】《大型商业综合体消防安全管理规则(试行)》(应急消2019)314号)
第七条大型商业综合体的产权单位、使用单位是大型商业综合体消防安全责任主体,对大型商业综合体的消防安全工作负责。所以BC正确。
大型商业综合体的产权单位、使用单位可以委托物业服务企业等单位(以下简称“委托管理单位”)提供消防安全管理服务,并应当在委托合同中约定具体服务内容。
第九条大型商业综合体的产权单位、使用单位应当明确消防安全责任人、消防安全管理人,设立消防安全工作归口管理部门,建立健全消防安全管理制度,逐级细化明确消防安全管理职责和岗位职责。所以A正确。
第七十七条大型商业综合体的建筑面积大于或等于20万平方米时,应当至少设置2个微型消防站。所以D错误
大型商业综合体的产权单位、使用单位可以委托物业服务企业等单位(以下简称“委托管理单位”)提供消防安全管理服务,并应当在委托合同中约定具体服务内容。。所以E正确。
84.【答案】ABC
【解析】《建筑设计防火规范》
地上1-3层每层百人宽度指标为0.75m/百人,地下为人员密集场所所以,每层百人宽度指标1m/百人。
A选项,地下一层至一层的疏散楼梯总净宽度3000*1/100=30m,所以A错误。
B选项,一层至室外安全区的安全出口总净宽度,即首层外门总净宽度满足地上和地下最宽的宽度,地上6000*0.75/100=45m,地下3000*1/100=30m,所以B39m小于45m,B错误。
C选项,5000*0.75/100=37.5,所以C错误。
D选项,地下二层至地下一层的疏敞楼梯总净宽度为2000*1/100=20m,所以D正确。
E选项,三层至二层的疏散楼梯总净宽度5000*0.75/100=37.5,所以E正确。
5.5.21除剧场、电影院、礼堂、体育馆外的其他公共建筑,其房间疏散门、安全出口、疏散走道和疏散楼梯的各自总净宽度,应符合下列规定:
1每层的房间疏散门、安全出口、疏散走道和疏散楼梯的各自总净宽度,应根据疏散人数按每100人的最小疏散净宽度不小于表5.5.21-1的规定计算确定。当每层疏散人数不等时,疏散楼梯的总净宽度可分层计算,地上建筑内下层楼梯的总净宽度应按该层及以上疏散人数最多一层的人数计算;地下建筑内上层楼梯的总净宽度应按该层及以下疏散人数最多一层的人数计算。

2地下或半地下人员密集的厅、室和歌舞娱乐放映游艺场所,其房间疏散门、安全出口、疏散走道和疏散楼梯的各自总净宽度,应根据疏散人数按每100人不小于1.00m计算确定。
3首层外门的总净宽度应按该建筑疏散人数最多一层的人数计算确定,不供其他楼层人员疏散的外门,可按本层的疏散人数计算确定。
85.【答案】BCD
【解析】22年综合能力教材407页
(8)机械排烟系统测试时,末端排烟口风量偏小。
故障原因:风机故障、排烟防火阀或常闭式排烟口未完全开启、软接破损、风管阻力较大、常闭式排烟口开启数量过多与设计不符、风管漏风量大。
处理办法:检查风机是否正常工作、排烟防火阀及常闭式排烟口有无完全开启、软接有无破损、风管转弯处是否加设导流片、排烟口是否按照设计数量开启、风管漏风量是否过大。
86.【答案】BCD
【解析】故障信号是100s内,所以AE错误,B正确。
87.【答案】AC
【解析】《建筑设计防火规范》
6.2.1剧场等建筑的舞台与观众厅之间的隔墙应采用耐火极限不低于3.00h的防火隔墙。所以A错误。
6.2.3建筑内的下列部位应采用耐火极限不低于2.00h的防火隔墙与其他部位分隔,墙上的门、窗应采用乙级防火门、窗,确有困难时,可采用防火卷帘,但应符合本规范第6.5.3条的规定:
4民用建筑内的附属库房,剧场后台的辅助用房。所以B正确。
5除居住建筑中套内的厨房外,宿舍、公寓建筑中的公共厨房和其他建筑内的厨房;所以D正确。
5.4.12-4锅炉房内设置储油间时,其总储存量不应大于1m³,且储油间应采用耐火极限不低于3.00h的防火隔墙与锅炉间分隔;确需在防火隔墙上设置门时,应采用甲级防火门。所以C错误。
6.2.7附设在建筑内的消防控制室、灭火设备室、消防水泵房和通风空气调节机房、变配电室等,应采用耐火极限不低于2.00h的防火隔墙和1.50h的楼板与其他部位分隔。所以E正确。
88.【答案】ABE
【解析】《消防给水及消火栓系统技术规范》
A选项,1.0*65%=0.65,所以A错误
B选项,高层建筑,动压大于0.35,充实水柱13m,所以B错误。
C选项,35小于等于55,所以C正确。
D选项,零流量压力1.0*1.2---1.0*1.4,位于1.2至1.4MPa,所以D正确。
E选项,消防水泵不能自动停机,所以E错误。
89.【答案】ABD
【解析】《重大火灾隐患判定方法》(GB35181)
7综合判定要素
7.3.11高层建筑的消防车道、救援场地设置不符合要求或被占用,影响火灾扑救。所以A属于。
7.5防烟排烟设施
人员密集场所、高层建筑和地下建筑未按国家工程建设消防技术标准的规定设置防烟、排烟设施,或已设置但不能正常使用或运行。所以B属于。
6.10人员密集场所的居住场所采用彩钢夹芯板搭建,且彩钢夹芯板芯材的燃烧性能等级低于GB 8624规定的A级。所以C不属于。
7.3.10人员密集场所的外窗被封堵或被广告牌等遮挡。所以D属于。
7.2.2防火门、防火卷帘等防火分隔设施损坏的数量大于该防火分区相应防火分隔设施总数的50%。所以E不属于。
危险品 |
人员密集与危险品 |
人员密集 |
(1)未设在边缘或安全地带 |
(1)人员密集使用危险品 |
(1)老幼楼层不符 |
(2)建成区设一级加油站 |
(2)人员密集与危险品建筑混住、或防火间距<75% |
(2)安全出口数量不足或总宽度<80% |
(3)可燃液体、气体未设报警、灭火装置 |
(3)夹芯材料低于A级 |
|
(4)甲乙设地下 |
|
(4)未设自喷、火报 |
甲乙也去边缘加油 |
为人艰巨 |
老幼出口夹芯火报 |
90.【答案】ACDE
【解析】
A选项,高层民用建筑,一个防火分区1500,设置自喷3000,所以A正确。
B选项,地下机械式汽车库,2000*(1-35%)=1300,设自喷2600,所以B错误。
C选项,裙房和主楼设了防火墙,裙房防火分区2500*2=5000,所以C正确。
D选项,地下设备用房,1000*2=2000,所以D正确。
E选项,地下非设备用房,500*2=1000,所以E正确。

注:1表中规定的防火分区最大允许建筑面积,当建筑内设置自动灭火系统时,可按本表的规定增加1.0倍;局部设置时,防火分区的增加面积可按该局部面积的1.0倍计算。
2裙房与高层建筑主体之间设置防火墙时,裙房的防火分区可按单、多层建筑的要求确定。
5.3.4一、二级耐火等级建筑内的商店营业厅、展览厅,当设置自动灭火系统和火灾自动报警系统并采用不燃或难燃装修材料时,其每个防火分区的最大允许建筑面积应符合下列规定:
1设置在高层建筑内时,不应大于4000m²;
2设置在单层建筑或仅设置在多层建筑的首层内时,不应大于10000m²;
3设置在地下或半地下时,不应大于2000m²。
5.1.1汽车库防火分区的最大允许建筑面积应符合表5.1.1的规定。其中,敞开式、错层式、斜楼板式汽车库的上下连通层面积应叠加计算,每个防火分区的最大允许建筑面积不应大于表5.1.1规定的2.0倍;室内有车道且有人员停留的机械式汽车库,其防火分区最大允许建筑面积应按表5.1.1的规定减少35%。
5.1.2设置自动灭火系统的汽车库,其每个防火分区的最大允许建筑面积不应大于本规范第5.1.1条规定的2.0倍。
91.【答案】ACD
【解析】综合能力教材
消防安全管理原则
1.谁主管谁负责
2.依靠群众
3.依法管理
4.科学管理
5.综合治理
92.【答案】ACE
【解析】社会单位灭火和应急疏散预案编制及实施导则GB/T38315-2019
5.1成立预案编制工作组
针对可能发生的火灾事故,结合本单位部门职能分工,成立以单位主要负责人或分管负责人为组长,单位相关部门人员参加的预案编制工作组,也可以委托专业机构提供技术服务,明确工作职责和任务分工,制定预案编制工作计划,组织开展预案编制工作。所以A正确,B错误。
5.2资料收集与评估
5.2.1全面分析本单位火灾危险性、危险因素、可能发生的火灾类型及危害程度。所以C正确。
5.4评审与发布
5.4.1预案编制完成后,单位主要负责人应组织有关部门和人员,依据国家有关方针政策、法律法规、规章制度以及其他有关文件对预案进行评审。所以D错误。
5.3编写预案
5.3.1预案应针对可能发生的各种火灾事故和影响范围分级分类编制,科学编写预案文本,明确应急机构人员组成及工作职责、火灾事故的处置程序以及预案的培训和演练要求等。所以,E正确。
93.【答案】BCE
【解析】《人员密集场所消防安全管理》GB/T40248
8.3.1商场、市场建筑之间不应设置连接顶棚;当必须设置时,应符合下列要求:
a)消防车通道上部严禁设置连接顶棚;所以B错误。
b)顶棚所连接的建筑总占地面积不应超过2500㎡;所以E错误。
c)顶棚下面不应设置摊位,放置可燃物;所以C错误。
d)顶棚材料的燃烧性能不应低于GB50222规定的B1级;所以D正确。
e)顶棚四周应敞开,其高度应高出建筑檐口或女儿墙顶1.0m以上,其自然排烟口面积不应低于顶棚地面正投影面积的25%。所以A正确。
94.【答案】ABCE
【解析】第三十五条大型商业综合体内其他重点部位的管理应当符合下列要求:
1.儿童活动场所,包括儿童培训机构和设有儿童活动功能的餐饮场所,不应设置在地下、半地下建筑内或建筑的四层及四层以上楼层;A正确。
9.燃油锅炉房、柴油发电机房内设置的储油间总储存量不应大于1立方米;D错误。
10.柴油发电机房内的柴油发电机应当定期维护保养,每月至少启动试验一次,确保应急情况下正常使用。B正确。
微型消防站队员每月技能训练不少于半天,每年轮训不少于4天,岗位练兵累计不少于7天。C正确。
第三十四条大型商业综合体内餐饮场所的管理应当符合下列要求:
4.不得在餐饮场所的用餐区域使用明火加工食品,开放式食品加工区应当采用电加热设施;E正确。
95.【答案】DE
【解析】8.0.6消防水泵验收应符合下列要求:
1工作泵、备用泵、吸水管、出水管及出水管上的阀门、仪表的规格、型号、数量,应符合设计要求;吸水管、出水管上的控制阀应锁定在常开位置,并有明显标记。D正确。
2消防水泵应采用自灌式引水或其他可靠的引水措施。E正确。
4打开消防水泵出水管上试水阀,当采用主电源启动消防水泵时,消防水泵应启动正常;关掉主电源,主、备电源应能正常切换。备用电源切换时,消防水泵应在1min或2min内投入正常运行。自动或手动启动消防泵时应在55s内投入正常运行。AC属于严重陷项,错误。
7消防水泵启动控制应置于自动启动档,消防水泵应互为备用。B属于轻缺陷项,错误。
96.【答案】ADE
【解析】第十二条消防技术服务机构应当设立技术负责人,对本机构的消防技术服务实施质量监督管理,对出具的书面结论文件进行技术审核。技术负责人应当具备一级注册消防工程师资格。B错误。
第十三条消防技术服务机构承接业务,应当与委托人签订消防技术服务合同,并明确项目负责人。项目负责人应当具备相应的注册消防工程师资格。A正确,C错误。
第十四条消防技术服务机构出具的书面结论文件应当由技术负责人、项目负责人签名并加盖执业印章,同时加盖消防技术服务机构印章。D正确。
第十八条消防技术服务机构在从事社会消防技术服务活动中,不得有下列行为:
(三)消防设施维护保养检测机构的项目负责人或者消防设施操作员未到现场实地开展工作;E正确。
97.【答案】ABD
【解析】
8.8.5不应在生产加工车间、员工集体宿舍内擅自拉接电气线路、设置炉灶。员工集体宿舍应符合下列要求:
a)人均使用面积不应小于4.0㎡;
b)宿舍内的床铺不应超过2层;A正确。
c)每间宿舍的使用人数不应超过12人;B正确,C错误。
d)房间隔墙的耐火极限不应低于1.00h,且应砌至梁、板底;E错误。
e)内部装修应采用燃烧性能不低于B1级的材料。D正确。
98.【答案】ABDE
【解析】与消防安全相关的主要罪名包括:失火罪、工程重大安全事故罪、危险作业罪、消防贵任事故罪、强令违章冒险作业罪、重大责任事故罪、重大劳动安全事故罪、大型群众性活动重大安全事故罪。
99.【答案】CDE
【解析】4.8.1火灾自动报警系统应设置火灾声光警报器,并应在确认火灾后启动建筑内的所有火灾声光警报器。A不符合题意。
4.9.2当确认火灾后,由发生火灾的报警区域开始,顺序启动全楼疏散通道的消防应急照明和疏散指示系统,系统全部投入应急状态的启动时间不应大于5s。B不符合题意。
非疏散通过的防火卷帘,应直接下降到楼板面。C符合题意。
4.7.1消防联动控制器应具有发出联动控制信号强制所有电梯停于首层或电梯转换层的功能。D符合题意。
确认火警后,应启动同一个防烟分区的排烟口、排烟阀及排烟风机,E符合题意。
100.【答案】ABD
【解析】4.3.4当消防水池采用两路消防供水且在火灾情况下连续补水能满足消防要求时,消防水池的有效容积应根据计算确定,但不应小于100m³,当仅设有消火栓系统时不应小于50m³。A符合题意。
消防水池(箱)最低有效水位是消防水泵吸水喇叭口或出水管喇叭口以上0.6m水位,当消防水泵吸水管或消防水箱出水管上设置防止旋流器时,最低有效水位为防止旋流器顶部以上0.20m。B符合题意。
4.3.9消防水池的出水、排水和水位应符合下列规定:
1消防水池的出水管应保证消防水池的有效容积能被全部利用;
2消防水池应设置就地水位显示装置,并应在消防控制中心或值班室等地点设置显示消防水池水位的装置,同时应有最高和最低报警水位;C不符合题意。
3消防水池应设置溢流水管和排水设施,并应采用间接排水。D符合题意。
4.3.10消防水池的通气管和呼吸管等应符合下列规定:
1消防水池应设置通气管;
2消防水池通气管、呼吸管和溢流水管等应采取防止虫鼠等进入消防水池的技术措施。E不符合题意。
2021年《消防安全技术综合能力》真题
一、单选题(共80题,每题1分。每题的备选项中,只有1个最符合题意)
1.【答案】A
【解析】根据《建筑灭火器配置验收及检查规范》(GB50444)
3.2.3灭火器箱的箱门开启应方便灵活,其箱门开启后不得阻挡人员安全疏散。除不影响灭火器取用和人员疏散的场合外,开门型灭火器箱的箱门开启角度不应小于175°,翻盖型灭火器箱的翻盖开启角度不应小于100°。所以A错误。
3.2.7嵌墙式灭火器箱及挂钩、托架的安装高度应满足手提式灭火器顶部离地面距离不大于1.50m,底部离地面距离不小于0.08m的规定。
2.【答案】D
【解析】根据《机关、团体、企业、事业单位消防安全管理规定(公安部令第61号)》
第四十二条消防安全基本情况应当包括以下内容:
(一)单位基本概况和消防安全重点部位情况;
(二)建筑物或者场所施工、使用或者开业前的消防设计审核、消防验收以及消防安全检查的文件、资料;
(三)消防管理组织机构和各级消防安全责任人;
(四)消防安全制度;
(五)消防设施、灭火器材情况;
(六)专职消防队、义务消防队人员及其消防装备配备情况;所以D正确。
(七)与消防安全有关的重点工种人员情况;
(八)新增消防产品、防火材料的合格证明材料;
(九)灭火和应急疏散预案。
3.【答案】A
【解析】
喷头名称 |
直立型 |
下垂型 |
直立边墙型 |
水平边墙型 |
干式喷头 |
隐蔽式 |
性能代号 |
ZSTZ |
ZSTX |
ZSTBZ |
ZSTBS |
ZSTG |
ZSTDY |
4.【答案】A
【解析】BCD的故障都会造成无法发泡,因为随后有白色泡沫喷出,所以BCD不是可能故障原因。
5.【答案】D
【解析】根据《人员密集场所消防安全管理》GB/T40248-2021
7.3.2防火巡查、检查中,应及时纠正违法、违章行为,消除火灾隐患;无法消除的,应立即报告,并记录存档。防火巡查、检查时,应填写巡查、检查记录,巡查和检查人员及其主管人员应在记录上签名。ABC都是可以现场纠正的。
6.【答案】B
【解析】根据《防火卷帘、防火门、防火窗施工及验收观范》(GB50877)
5.3.9防火门门扇与门框的搭接尺寸不应小于12mm。
5.3.10防火门门扇与门框的配合活动间隙应符合下列规定:
3门扇与上框的配合活动间隙不应大于3mm。
4双扇、多扇门的门扇之间缝隙不应大于3mm。
5门扇与下框或地面的活动间隙不应大于9mm。
5.3.12除特殊情况外,防火门门扇的开启力不应大于80N。
7.【答案】C
【解析】该建筑为高层建筑,一个防火分区最大允许面积为1500㎡,设自喷为3000㎡,所以地上每层应至少划分2个防火分区,每个防火分区设置一台消防电梯,至少设置2台消防电梯。
对应考点:消防电梯
检查内容 |
要求 |
数量 |
应分别设置在不同防火分区内,且每个防火分区不少于1台 |
前室 |
设置在仓库连廊、冷库穿堂或谷物筒仓工作塔内的消防电梯可不设置前室 独立前室的使用面积不应小于6.0m²,前室的短边不应小于2.4m 宜靠外墙设置,并应在首层直通室外或经过长度不大于30m的通道通向室外 前室或合用前室的门应采用乙级防火门,不应设置卷帘 |
电梯井 机房 |
消防电梯井、机房与相邻电梯井、机房之间应采用耐火极限不低于2.00h的防火隔墙隔开;在隔墙上开设的门应为甲级防火门(同设备用房) |
排水 |
排水井的容量不小于2m³,排水泵的排水量不小于10L/s。消防电梯间前室的门口应设置挡水设施。 |
消防电梯间前室的使用面积:
前室类别 |
建筑类别 |
使用面积要求 |
独立前室 |
-- |
≥6㎡ |
合用前室 |
公共建筑、 高层厂房(仓库) |
≥10㎡ |
住宅建筑 |
≥6㎡(与防烟楼梯间合用) ≥12㎡(与剪刀防烟楼梯间共用前室合用) |
消防电梯应符合下列规定:
(1)应能每层停靠;
(2)电梯的载重量不应小于800kg;
(3)电梯从首层至顶层的运行时间不宜大于60s;
(4)电梯的动力与控制电缆、电线、控制面板应采取防水措施;
(5)在首层的消防电梯入口处应设置供消防队员专用的操作按钮;
(6)电梯轿厢的内部装修应采用不燃材料;
(7)电梯轿厢内部应设置专用消防对讲电话。
8.【答案】C
【解析】4.3预案的分类
按照单位规模大小、功能及业态划分、管理层次等要素,可分为总预案、分预案和专项预案三类。
9.【答案】C
【解析】根据自动喷水灭火系统施工及验收规范》(GB50261)
9.0.3每年应对水源的供水能力进行一次测定,每日应对电源进行检查。所以C错误。
9.0.4消防水泵或内燃机驱动的消防水泵应每月启动运转一次。所以A正确。
9.0.5电磁阀应每月检查并应做启动试验,动作失常时应及时更换。所以B正确。
9.0.17每月应利用末端试水装置对水流指示器进行试验。所以D正确。
对应考点:维护保养
供水能力(自喷每年) |
市政管网 |
每季 |
水源 |
每年 |
|
水池水箱 |
水位 |
每月 |
结构材料 |
每年 |
|
消防泵启动 |
消火栓 |
周模拟月手动 |
自喷 |
每月 |
|
水喷雾、细水雾 |
每周 |
|
泡沫 |
电机拖动:每周;柴油机拖动:每月 |
|
流量压力 |
水泵 |
每季(自喷每年) |
减压阀 |
每年 |
|
外观 |
阀 |
每日 |
组件 |
每月 |
|
消火栓 |
每季 |
放水试验 |
减压阀 |
每月 |
末端试水、报警阀 |
每季 |
|
水泵接合器 |
接口附件完好 |
给水:每季;自喷:每月 |
通水试验 |
每年 |
|
稳压装置 |
启停泵压力和启泵次数 |
每日 |
气压罐压力和有效容积 |
每月 |
|
铅封锁链,电动电磁阀、倒流防止器的压差 |
|
每月 |
室外阀门井控制阀 |
|
每季 |
过滤器的排渣 |
|
给水:每年 自喷:每月 |
水池水箱电磁阀,铅封锁链按月查;市政管网消防泵,水量水压季度查;
年查水源日查温,季查室外控制阀。
10.【答案】D
【解析】根据《社会单位灭火和应急疏散预案编制及实施导则》
预案编制主要内容包括:
6.1编制目的;6.2编制依据;6.3适用范围;6.4应急工作原则;
6.5单位基本情况
6.6火灾情况设定
6.7组织机构及职责
6.8应急响应
6.9应急保障
6.10应急响应结束
6.11后期处置
11.【答案】A
【解析】该建筑首层为分隔单元不大于300㎡的商业用房,符合商业服务网点的要求,所以该建筑为住宅建筑。室内外高差为0.5m,可不计入建筑高度,所以建筑高度为49.7m,属于二类高层住宅建筑。
对应考点:建筑分类

建筑高度的计算
公共建筑(从室外设计地面算起) |
坡屋面 |
建筑室外地面至其檐口与屋脊的平均高度 |
平屋面 |
建筑高度应为建筑室外设计地面至其屋面面层的高度(包括有女儿墙的平屋面) |
|
多种形式屋面 |
建筑高度应按上述方法分别计算后,取其中最大值 |
|
住宅建筑 |
从室内设计地面算起 |
设置在底部且室内高度不大于2.2m的自行车库、储藏室、敞开空间,室内外高差或建筑的地下或半地下室的顶板面高出室外设计地面的高度不大于1.5m的部分,可不计入建筑高度 |
从室外 |
反之,计入建筑高度 |
12.【答案】B
【解析】中华人民共和国消防法(2021修订版)
第七十三条 本法下列用语的含义:
(三)公众聚集场所,是指宾馆、饭店、商场、集贸市场、客运车站候车室、客运码头候船厅、民用机场航站楼、体育场馆、会堂以及公共娱乐场所等
第五十八条 违反本法规定,有下列行为之一的,由住房和城乡建设主管部门、消防救援机构按照各自职权责令停止施工、停止使用或者停产停业,并处三万元以上三十万元以下罚款:
(一)依法应当进行消防设计审查的建设工程,未经依法审查或者审查不合格,擅自施工的;
(二)依法应当进行消防验收的建设工程,未经消防验收或者消防验收不合格,擅自投入使用的;
(三)本法第十三条规定的其他建设工程验收后经依法抽查不合格,不停止使用的;
(四)公众聚集场所未经消防救援机构许可,擅自投入使用、营业的,或者经核查发现场所使用、营业情况与承诺内容不符的。
记忆方法:表格对比记忆
未经审查、抽查、核查、验收、许可 |
3万~30万 |
出具虚假报告(不具备从业资格) 不按照国家标准、行业标准开展: |
单位:5万~10万;个人:1万~5万 五万元以下;一万元以下 |
建设、设计、施工、监理降低质量 |
1万~10万 |
对消防设施不利 |
单位:5千~5万 个人:警告或≤500元罚款 |
易燃易爆和居住建筑在一起 |
5千~5万 |
人密场所使用不合格或淘汰产品 |
5千~5万;人:500~2千 |
电器产品、燃气用具 |
1千~5千 |
强令违章、过失火灾、不报警、火灾时不听指挥、破坏现场、拆封被查封场所 |
10~15日拘留,可以≤500元罚款;较轻:警告或≤500元罚款 |
人密场所员工不疏散 |
情节严重,5~10日拘留 |
进入易燃易爆或吸烟、使用明火 |
警告或≤500罚款;严重:≤5日拘留 |
13.【答案】C
【解析】消防给水及消火栓系统技术规范GB50974-2014
14.0.4消防水泵和稳压泵等供水设施的维护管理应符合下列规定:
1每月应手动启动消防水泵运转一次,并应检查供电电源的情况;
2每周应模拟消防水泵自动控制的条件自动启动消防水泵运转一次,且应自动记录自动巡检情况,每月应检测记录;所以C错误。
3每日应对稳压泵的停泵启泵压力和启泵次数等进行检查和记录运行情况;所以A正确。
4每日应对柴油机消防水泵的启动电池的电量进行检测,每周应检查储油箱的储油量,每月应手动启动柴油机消防水泵运行一次;所以B正确。
14.0.6阀门的维护管理应符合下列规定:
5每天应对水源控制阀、报警阀组进行外观检查,并应保证系统处于无故障状态;所以D正确。
对应考点:维护管理
14.【答案】C
【解析】中华人民共和国民法典
第二百七十二条业主对其建筑物专有部分享有占有、使用、收益和处分的权利。业主行使权利不得危及建筑物的安全,不得损害其他业主的合法权益。所以A正确。
对物业服务区域内违反有关治安、环保、消防等法律法规的行为,物业服务人应当及时采取合理措施制止、向有关行政主管部门报告并协助处理。所以B正确。
第二百七十一条业主对建筑物内的住宅、经营性用房等专有部分享有所有权,对专有部分以外的共有部分享有共有和共同管理的权利。所以D正确。
15.【答案】B
【解析】高层民用建筑消防安全管理规定(应急管理部令第5号)
第二十一条高层民用建筑的户外广告牌、外装饰不得采用易燃、可燃材料,不得妨碍防烟排烟、逃生和灭火救援,不得改变或者破坏建筑立面防火结构。
禁止在高层民用建筑外窗设置影响逃生和灭火救援的障碍物。
建筑高度超过50米的高层民用建筑外墙上设置的装饰、广告牌应当采用不燃材料并易于破拆。所以A错误。
第二十三条高层公共建筑内餐饮场所的经营单位应当及时对厨房灶具和排油烟罩设施进行清洗,排油烟管道每季度至少进行一次检查、清洗。所以B正确。
第十七条高层民用建筑内燃气用具的安装使用及其管路敷设、维护保养和检测应当符合消防技术标准及管理规定。禁止违反燃气安全使用规定,擅自安装、改装、拆除燃气设备和用具。
高层民用建筑使用燃气应当采用管道供气方式。禁止在高层民用建筑地下部分使用液化石油气。所以C错误。
第三十五条高层住宅建筑应当每月至少开展一次防火检查,高层公共建筑应当每半个月至少开展一次防火检查,并填写检查记录。所以D错误。
内容 |
高层建筑类型 |
频次 |
防火巡查 |
高层民用建筑 |
每日 |
公众聚集场所 |
每2小时 |
|
医院、养老院、寄宿制学校、幼儿园 |
白天和夜间 |
|
消防安全教育培训 |
高层公共建筑 |
每半年 |
高层住宅建筑 |
每年 |
|
全要素综合演练 |
高层民用建筑 |
每年 |
超过100米的高层公共建筑 |
每半年 |
|
综合演练或者专项灭火、疏散演练 |
编制分预案的 |
每季度 |
消防安全评估 |
高层民用建筑 |
每年 |
16.【答案】B
【解析】中共中央办公厅国务院办公厅印发《关于深化消防执法改革的意见》
《意见》取消、精简了三项消防行政审批,即取消消防技术服务机构资质许可、公众聚集场所实行告知承诺管理、削减强制性产品认证目录。一是取消消防技术服务机构资质许可,取消消防设施维护保养检测、消防安全评估机构资质许可制度,企业办理营业执照后即可开展经营活动。二是简化公众聚集场所投入使用、营业前消防安全检查,实行告知承诺管理,公众聚集场所做出其符合消防安全标准的承诺后即可投人使用、营业。三是放宽消防产品市场准入限制,将强制性产品认证目录中的十三类消防产品调整出目录。
对应考点:中共中央办公厅国务院办公厅印发《关于深化消防执法改革的意见》
17.【答案】A
【解析】1.火灾探测器故障
(2)故障原因分析。
1)探测器与底座脱落、接触不良。
2)报警总线与底座接触不良。
3)报警总线开路或接地性能不良造成短路。
4)探测器本身损坏。
5)探测器通信接口板故障。
18.【答案】B
【解析】水喷雾灭火系统技术规范GB50219-2014
4.0.2水雾喷头的选型应符合下列要求:
1扑救电气火灾,应选用离心雾化型水雾喷头;所以A正确。
2室内粉尘场所设置的水雾喷头应带防尘帽,室外设置的水雾喷头宜带防尘帽;
3.2.6当保护对象为甲、乙、丙类液体和可燃气体储罐时,水雾喷头与保护储罐外壁之间的距离不应大于0.7m。所以B错误。
3.2.7当保护对象为球罐时,水雾喷头的布置尚应符合下列规定:
1水雾喷头的喷口应朝向球心;所以D正确。
2水雾锥沿纬线方向应相交,沿经线方向应相接;
3当球罐的容积不小于1000m³时,水雾锥沿纬线方向应相交,沿经线方向宜相接,但赤道以上环管之间的距离不应大于3.6m;所以C正确。
19.【答案】C
【解析】建筑设计防火规范GB50016-2014(2018年版)
9.3.8净化或输送有爆炸危险粉尘和碎屑的除尘器、过滤器或管道,均应设置泄压装置。所以D正确。
净化有爆炸危险粉尘的干式除尘器和过滤器应布置在系统的负压段上。
9.3.9排除有燃烧或爆炸危险气体、蒸气和粉尘的排风系统,应符合下列规定:
1排风系统应设置导除静电的接地装置;所以A正确。
2排风设备不应布置在地下或半地下建筑(室)内;所以C错误。
3排风管应采用金属管道,并应直接通向室外安全地点,不应暗设。所以B正确。
2.1.6半地下室:房间地面低于室外设计地面的平均高度大于该房间平均净高1/3,且不大于1/2者。
2.1.7地下室:房间地面低于室外设计地面的平均高度大于该房间平均净高1/2者。
房间净高2.7m,净高的1/3-1/2,也就是0.9-1.35m,房间地面低于室外设计地面1.3m大于净高1/3,不大于1/2,设置在了半地下室。所以C错误。
20.【答案】B
【解析】消防控制室通用技术要求GB25506-2010
4.2.1消防控制室管理应符合下列要求:
a)应实行每日24 h专人值班制度,每班不应少于2人,值班人员应持有消防控制室操作职业资格证书;所以A正确,B错误。
b)消防设施日常维护管理应符合GB 25201的要求;
c)应确保火灾自动报警系统、灭火系统和其他联动控制设备处于正常工作状态,不得将应处于自动状态的设在手动状态;C正确。
d)应确保高位消防水箱、消防水池、气压水罐等消防储水设施水量充足,确保消防泵出水管阀门、自动喷水灭火系统管道上的阀门常开;确保消防水泵、防排烟风机、防火卷帘等消防用电设备的配电柜启动开关处于自动位置(通电状态)。D正确。
21.【答案】C
【解析】《社会单位灭火和应急疏散预案编制及实施导则》
7.3.4.4演练结束后,指挥机构应组织相关部门或人员总结讲评会议,全面总结消防演练情况,提出改进意见,形成书面报告,通报全体承担任务人员。总结报告应包括以下内容:
a)通过演练发现的主要问题;所以B正确。
b)对演练准备情况的评价;所以A正确。
c)对预案有关程序、内容的建议和改进意见;
d)对训练、器材设备方面的改进意见;
e)演练的最佳顺序和时间建议;所以D正确。
f)对演练情况设置的意见;
g)对演练指挥机构的意见等。
22.【答案】C
【解析】根据排烟系统工作原理,推断C错误。ABD都可能造成排烟口风速为0。
23.【答案】C
【解析】建筑设计防火规范GB50016-2014(2018年版)
7.1.3工厂、仓库区内应设置消防车道。
高层厂房,占地面积大于3000m²的甲、乙、丙类厂房和占地面积大于1500m²的乙、丙类仓库,应设置环形消防车道,确有困难时,应沿建筑物的两个长边设置消防车道。所以A正确。
7.2.1高层建筑应至少沿一个长边或周边长度的1/4且不小于一个长边长度的底边连续布置消防车登高操作场地,该范围内的裙房进深不应大于4m。
建筑高度不大于50m的建筑,连续布置消防车登高操作场地确有困难时,可间隔布置,但间隔距离不宜大于30m,且消防车登高操作场地的总长度仍应符合上述规定。所以B正确。
7.2.4厂房、仓库、公共建筑的外墙应在每层的适当位置设置可供消防救援人员进入的窗口。所以C错误。
7.2.5供消防救援人员进入的窗口的净高度和净宽度均不应小于1.0m,下沿距室内地面不宜大于1.2m。所以D正确。
对应考点:消防车道和救援
项目 |
设置要求 |
车道净宽净高 |
车道的净宽度和净空高度均不应小于4.0m |
转弯半径 |
转弯半径应满足消防车转弯的要求;我国普通消防车的转弯半径为9m,登高车的转弯半径为12m,一些特种车辆的转弯半径为16m~20m |
满足救援需要 |
消防车道与建筑之间不应设置妨碍消防车操作的树木、架空管线等障碍物; |
距建筑的距离 |
消防车道靠建筑外墙一侧的边缘距离建筑外墙不宜小于5m; |
坡度 |
消防车道的坡度不宜大于8% |
回车场 |
环形消防车道至少应有两处与其他车道连通。尽头式消防车道应设置回车道或回车场,回车场的面积不应小于12m×12m;对于高层建筑,不宜小于15m×15m |
高层建筑应至少沿一个长边或周边长度的1/4且不小于一个长边长度的底边连续布置消防车登高操作场地,该范围内的裙房进深不应大于4m。 建筑高度不大于50m的建筑,连续布置消防车登高操作场地确有困难时,可间隔布置,但间隔距离不宜大于30m,且消防车登高操作场地的总长度仍应符合上述规定。(大于50m的建筑,不可以间隔布置,应连续布置) |
1场地与厂房、仓库、民用建筑之间不应设置妨碍消防车操作的树木、架空管线等障碍物和车库出入口。 2场地的长度和宽度分别不应小于15m和10m。对于建筑高度大于50m的建筑,场地的长度和宽度分别不应小于20m和10m。 3场地及其下面的建筑结构、管道和暗沟等,应能承受重型消防车的压力。 4场地应与消防车道连通,场地靠建筑外墙一侧的边缘距离建筑外墙不宜小于5m,且不应大于10m,场地的坡度不宜大于3%。 |
24.【答案】D
【解析】建筑设计防火规范GB50016-2014(2018年版)
6.4.1疏散楼梯间应符合下列规定:
1楼梯间应能天然采光和自然通风,并宜靠外墙设置。靠外墙设置时,楼梯间、前室及合用前室外墙上的窗口与两侧门、窗、洞口最近边缘的水平距离不应小于1.0m。
2楼梯间内不应设置烧水间、可燃材料储藏室、垃圾道。A错误;
7.3.5除设置在仓库连廊、冷库穿堂或谷物筒仓工作塔内的消防电梯外,消防电梯应设置前室,并应符合下列规定:
1前室宜靠外墙设置,并应在首层直通室外或经过长度不大于30m的通道通向室外;B错误;
建筑防烟排烟系统技术标准GB51251-2017
3.3.2除本标准另有规定外,采用机械加压送风系统的防烟楼梯间及其前室应分别设置送风井(管)道,送风口(阀)和送风机。C错误
6.4.3防烟楼梯间除应符合本规范第6.4.1条的规定外,尚应符合下列规定:
6楼梯间的首层可将走道和门厅等包括在楼梯间前室内形成扩大的前室,但应采用乙级防火门等与其他走道和房间分隔。故D正确。
25.【答案】B
【解析】《大型商业综合体消防安全管理规则(试行)》
第三十五条大型商业综合体内其他重点部位的管理应当符合下列要求:
1.儿童活动场所,包括儿童培训机构和设有儿童活动功能的餐饮场所,不应设置在地下、半地下建筑内或建筑的四层及四层以上楼层;故B错误。
第三十四条大型商业综合体内餐饮场所的管理应当符合下列要求:
1.餐饮场所宜集中布置在同一楼层或同一楼层的集中区域;
2.餐饮场所严禁使用液化石油气及甲、乙类液体燃料;
3.餐饮场所使用天然气作燃料时,应当采用管道供气。设置在地下且建筑面积大于150平方米或座位数大于75座的餐饮场所不得使用燃气;
4.不得在餐饮场所的用餐区域使用明火加工食品,开放式食品加工区应当采用电加热设施;故A正确。
5.厨房区域应当靠外墙布置,并应采用耐火极限不低于2小时的隔墙与其他部位分隔;故CD正确。
26.【答案】C
【解析】《消防给水及消火检系统技术规范》
6.2.4采用减压阀减压分区供水时应符合下列规定:
3每一供水分区应设不少于两组减压阀组,每组减压阀组宜设置备用减压阀;C错误;
5减压阀宜采用比例式减压阀,当超过1.20MPa时,宜采用先导式减压阀;
6减压阀的阀前阀后压力比值不宜大于3:1,当一级减压阀减压不能满足要求时,可采用减压阀串联减压,但串联减压不应大于两级,第二级减压阀宜采用先导式减压阀,阀前后压力差不宜超过0.40MPa;所以B正确
8.3.4减压阀的设置应符合下列规定:
3过滤器和减压阀前后应设压力表,压力表的表盘直径不应小于100mm,最大量程宜为设计压力的2倍;所以D正确。
7垂直安装的减压阀,水流方向宜向下;
8比例式减压阀宜垂直安装,可调式减压阀宜水平安装;所以A正确。
27.【答案】D
【解析】《人员密集场所消防安全管理》(XF654)
7.11.1人员集中的厅(室)以及储油间、变配电室、锅炉房、厨房、空调机房、资料库、可燃物品仓库、化学实验室等应确定为消防安全重点部位,并明确消防安全管理的责任部门和责任人。
对应考点:消防安全重点部位的确定
容易发生火灾的部位 |
化工生产车间,油漆、电焊气割操作间,汽车库,化学危险品仓库,易燃、可燃液体储罐、仓库,液化石油气瓶,氧气站,乙炔站,氢气站 |
发生火灾后对消防安全有重大影响的部位 |
变配电室、消防控制室、消防水泵房 |
性质重要、发生事故影响全局的部位 |
发电站、变配电站,通信设备机房、生产总控制室,电子计算机房,锅炉房,档案室 |
财产集中的部位 |
储存大量原料、成品的仓库、货场,使用或存放先进技术设备的实险室、车间、仓库 |
人员集中的部位 |
礼堂(俱乐部)、托儿所、集体宿舍、医院病房 |
28.【答案】A
【解析】《消防联动控制系统》(GB16806)
4.6.3故障报警功能
4.6.3.1消防应急广播设备发生故障时,应在100 s内发出故障声、光信号,故障声信号应能手动消除,再有故障发生时,应能再启动;故障光信号应保持至故障排除。故A错误。
4.7.1.13在发生下列故障时,消防电话总机应能在100 s内发出与其他信号有明显区别的故障声、光信号:
a)消防电话总机的主电源欠压;
b)给备用电源充电的充电器与备用电源之间连接线断线、短路。故B正确。
4.9.2.3.1消防控制室图形显示装置应能接收控制器及其他消防设备(设施)发出的故障信号,并在故障信号输入100 s内显示故障状态信息。故C正确。
4.3.3.2当发生下列故障时,气体灭火控制器应在100 s内发出相应的故障声、光信号,故障声信号应能手动消除,再有故障信号输入时,应能再启动;故障光信号应保持至故障排除。
a)气体灭火控制器与声光警报器之间的连接线断路、短路和影响功能的接地;
b)气体灭火控制器与驱动部件、现场启动和停止按键(按钮)等之间的连接线断路、短路和影响功能的接地;
c)给备用电源充电的充电器与备用电源间连接线的断路、短路;
d)备用电源与其负载间连接线的断路、短路;
e)主电源欠压。故D正确。
对应考点:火灾自动报警系统中调试时间的要求
3S:联动控制器发出启动、输入、输出模块动作信号、分机呼叫总机;
5S:应急电源主电源断电后,自动切换到电池组供电;
10S:探测器手报报警后,控制器发出火警、图形显示器显示报警和信息;
30S:点型火焰探测器和图像型火灾探测器的火警确认灯(最不利点)、可燃气体探测器、剩余电流式电气火灾监控探测器报警确认灯
40S:测温式电气火灾监控探测器的报警确认灯
100S:故障指示灯、(监管、屏蔽、故障)图形显示器显示信息
120S:管路采样式吸气感烟火灾探测器的火警确认灯
线型光束感烟火灾探测器:0.9dB不报警;1.0dB~10.0dB报警;11.5dB报警或报故障。
故障电弧探测器:1s内产生9个及以下半周期故障电弧,不报警;1s内产生14个及以上半周期故障电弧,30s内报警
29.【答案】D
【解析】《社会消防技术服务管理规定》
第五十条消防设施维护保养检测机构违反本规定,有下列情形之一的,责令改正,处一万元以上三万元以下罚款:
(一)未按照国家标准、行业标准检测、维修、保养建筑消防设施、灭火器的;
(二)经维修、保养的建筑消防设施、灭火器质量不符合国家标准、行业标准的。
消防设施维护保养检测机构未按照本规定在经其维修、保养的消防设施所在建筑的醒目位置或者灭火器上公示消防技术服务信息的,责令改正,处五千元以下罚款。
注册消防工程师管理规定 |
|
1万以下 |
以欺骗、贿赂获得资格 |
1千~1万 |
未变更注册,未签名或盖章,未按要求执业 |
1~2万 |
个人名义,转让资格证书,超出范围 |
1~3万 |
聘用单位提供虚假材料 |
社会消防技术服务管理规定 |
|
5千以下 |
未在醒目位置公示服务信息 |
1万以下 |
未设技术、项目负责人,未签名或盖章,未签订合同,未现场开展工作,未建档案,未公示营业执照等 |
1~2万 |
2个单位执业,人员无资格,转包分包,消防工程师罚5千~1万 |
2~3万 |
冒用其他机构名称 |
30.【答案】D
【解析】《自动喷水灭火系统施工及验收规范》
ABC都是属于重缺陷项。
对应考点:系统验收缺
陷项的判定

8.0.6消防水泵验收应符合下列要求:
1工作泵、备用泵、吸水管、出水管及出水管上的阀门、仪表的规格、型号、数量,应符合设计要求;吸水管、出水管上的控制阀应锁定在常开位置,并有明显标记。
2消防水泵应采用自灌式引水或其他可靠的引水措施。
3分别开启系统中的每一个末端试水装置和试水阀,水流指示器、压力开关等信号装置的功能应均符合设计要求。湿式自动喷水灭火系统的最不利点做末端放水试验时,自放水开始至水泵启动时间不应超过5min。
4打开消防水泵出水管上试水阀,当采用主电源启动消防水泵时,消防水泵应启动正常;关掉主电源,主、备电源应能正常切换。备用电源切换时,消防水泵应在1min或2min内投入正常运行。自动或手动启动消防泵时应在55s内投入正常运行。
5消防水泵停泵时,水锤消除设施后的压力不应超过水泵出口额定压力的1.3倍~1.5倍。
6对消防气压给水设备,当系统气压下降到设计最低压力时,通过压力变化信号应能启动稳压泵。
7消防水泵启动控制应置于自动启动档,消防水泵应互为备用。
31.【答案】C
【解析】4.2.4公共建筑、工业建筑防烟分区的最大允许面积及其长边最大允许长度应符合表4.2.4的规定,当工业建筑采用自然排烟系统时,其防烟分区的长边长度尚不应大于建筑内空间净高的8倍。

注:1公共建筑、工业建筑中的走道宽度不大于2.5m时,其防烟分区的长边长度不应大于60m。所以B正确。
8.5.3民用建筑的下列场所或部位应设置排烟设施:
1设置在一、二、三层且房间建筑面积大于100m²的歌舞娱乐放映游艺场所,设置在四层及以上楼层、地下或半地下的歌舞娱乐放映游艺场所;D正确;
32.【答案】A
【解析】丙酮仓库火灾危险性属于甲类。
10.2.5可燃材料仓库内宜使用低温照明灯具,并应对灯具的发热部件采取隔热等防火措施,不应使用卤钨灯等高温照明灯具。
10.2.6爆炸危险环境电力装置的设计应符合现行国家标准《爆炸危险环境电力装置设计规范》GB 50058的规定。A错误。
3.6.12条文说明:防止液体流散的基本做法有两种:一是在桶装仓库门洞处修筑漫坡,一般高为150mm~300mm;二是在仓库门口砌筑高度为150mm~300mm的门槛,再在门槛两边填沙土形成漫坡,便于装卸。所以B正确。
3.6.3作为泄压设施的轻质屋面板和墙体的质量不宜大于60kg/㎡。故选项C、D正确。
33.【答案】A
【解析】《重大火灾隐患判定方法》
4.1重大火灾隐患判定应坚持科学严谨、实事求是、客观公正的原则。
34.【答案】D
【解析】重大火灾隐患判定方法GB35181-2017
6.7易燃可燃液体、可燃气体储罐(区)未按国家工程建设消防技术标准的规定设置固定灭火、冷却、可燃气体浓度报警、火灾报警设施。选D。
对应考点:重大火灾隐患直接判定
危险品 |
人员密集与危险品 |
人员密集 |
(1)未设在边缘或安全地带 |
(1)人员密集使用危险品 |
(1)老幼楼层不符 |
(2)建成区设一级加油站 |
(2)人员密集与危险品建筑混住、或防火间距<75% |
(2)公共娱乐场所、商店、地下人员密集场所安全出口数量不足或总宽度<80% |
(3)可燃液体、气体未设报警、灭火装置 |
(3)人员密集场所的居住场所夹芯材料非A级 |
|
(4)甲乙设地下 |
|
(4)公、商、地、旅未设自喷、火报 |
甲乙也去边缘加油 |
为人艰巨 |
老幼出口夹芯火报 |
35.【答案】C
【解析】社会消防安全教育培训规定
第十五条各级各类学校应当开展下列消防安全教育工作:
(一)将消防安全知识纳入教学内容;
(二)在开学初、放寒(暑)假前、学生军训期间,对学生普遍开展专题消防安全教育;
(三)结合不同课程实验课的特点和要求,对学生进行有针对性的消防安全教育;
(四)组织学生到当地消防站参观体验;
(五)每学年至少组织学生开展一次应急疏散演练;C错误;
(六)对寄宿学生开展经常性的安全用火用电教育和应急疏散演练。
36.【答案】A
【解析】泡沫灭火系统技术标准GB50151-2021
C.0.1测量设备:
1台秤台(或电子秤):量程50kg,精度20g。
2泡沫产生装置:
1)PQ4或PQ8型泡沫枪1支。
2)中倍数泡沫枪(手提式中倍数泡沫产生器)1支。
3量桶1个:容积大于或等于20L(dm³)。
4刮板1个(由量筒尺寸确定)。
C.0.2测量步骤:
1用台秤测空桶的重量W1(kg)。
2将量桶注满水后称得重量W2(kg)。
3计算量桶的容积V=W2-W1。
注:水的密度按1考虑,即1kg/dm³;1dm³=1L。
4从泡沫混合液管道上的泡沫消火栓接出水带和PQ4或PQ8型或中倍数泡沫枪,系统喷泡沫试验时打开泡沫消火栓,待泡沫枪的进口压力达到额定值,喷出泡沫10s后,用量桶接满立即用刮板刮平,擦干外壁,此时称得重量为W(kg)有条件时宜从低、中倍数泡沫产生器处接取泡沫)。
5液下喷射泡沫,从高背压泡沫产生器出口侧的泡沫取样口处,用量桶接满泡沫后,用刮板刮平,擦干外壁,称得重量为W(kg)。
6泡沫-水喷淋系统可从最不利防护区的最不利点喷头处接取泡沫;固定式泡沫炮可从最不利点处的泡沫炮接取泡沫,操作方法按本条第4款执行。
式中:N——发泡倍数;
W1一一空桶的重量(kg);
W一一接满泡沫后量桶的重量(kg);
V一一量桶的容积L或dm³);
p一一泡沫混合液的密度,按1kg/L或1kg/dm³。
C 0.4重复一次测量,取两次测量的平均值作为测量结果。
37.【答案】D
【解析】人民防空工程设计防火规范GB50098-2009
5.1.1每个防火分区安全出口设置的数量,应符合下列规定之一:
1每个防火分区的安全出口数量不应少于2个;
2当有2个或2个以上防火分区相邻,且将相邻防火分区之间防火墙上设置的防火门作为安全出口时,防火分区安全出口应符合下列规定:
1)防火分区建筑面积大于1000㎡的商业营业厅、展览厅等场所,设置通向室外、直通室外的疏散楼梯间或避难走道的安全出口个数不得少于2个;D错误;
2)防火分区建筑面积不大于1000㎡的商业营业厅、展览厅等场所,设置通向室外、直通室外的疏散楼梯间或避难走道的安全出口个数不得少于1个;ABC正确。
38.【答案】C
【解析】社会消防技术服务管理规定(公安部令第136号)
第三十三条消防技术服务机构应当在消防技术服务项目完成之日起五日内,通过社会消防技术服务信息系统将消防技术服务项目目录以及出具的书面结论文件予以备案。
39.【答案】B
【解析】重大火灾隐患判定方法GB35181-2017
7综合判定要素
7.3.10人员密集场所的外窗被封堵或被广告牌等遮挡。所以A正确。
7.3.3除6.5规定外的其他场所或建筑物的安全出口数量或宽度不符合国家工程建设消防技术标准的规定,或既有安全出口被封堵。所以C正确。
7.3.11高层建筑的消防车道、救援场地设置不符合要求或被占用,影响火灾扑救。所以D正确。
40.【答案】A
【解析】《大型商业综合体消防安全管理规则(试行)》
第二十四条大型商业综合体内消防应急照明和疏散指示标志的管理应当符合下列要求:
2.营业厅、展览厅等面积较大场所内的疏散指示标志,应当保证其指向最近的疏散出口,并使人员在走道上任何位置均能看见、了解所处楼层;
3.疏散楼梯通至屋面时,应当在每层楼梯间内设有“可通至屋面”的明显标识,宜在屋面设置辅助疏散设施;所以D正确。
4.建筑内应当采用灯光疏散指示标志,不得采用蓄光型指示标志替代灯光疏散指示标志,不得采用可变换方向的疏散指示标志。所以A错误。
第二十五条大型商业综合体的安全疏散和避难逃生管理还应当符合下列要求:
4.除休息座椅外,有顶棚的步行街上、中庭内、自动扶梯下方严禁设置店铺、摊位、游乐设施,严禁堆放可燃物;所以B正确。
第二十三条大型商业综合体的疏散通道、安全出口管理应当符合下列要求:
1.疏散通道、安全出口应当保持畅通,禁止堆放物品、锁闭出口、设置障碍物;
2.常用疏散通道、货物运送通道、安全出口处的疏散门采用常开式防火门时,应当确保在发生火灾时自动关闭并反馈信号;所以C正确。
41.【答案】A
【解析】《泡沫灭火系统技术标准》
7.1.3固定式系统动力源和泡沫消防水泵的设置应符合下列规定:
1石油化工园区、大中型石化企业与煤化工企业、石油储备库,应采用一级供电负荷电机拖动的泡沫消防水泵做主用泵,采用柴油机拖动的泡沫消防水泵做备用泵;所以A错误.
2其他石化企业与煤化工企业、特级和一级石油库及油品站场,应采用电机拖动的泡沫消防水泵做主用泵,采用柴油机拖动的泡沫消防水泵做备用泵;
7.1.7当泡沫比例混合装置设置在泡沫消防泵站内无法满足本标准第4.1.11条的规定时,应设置泡沫站,且泡沫站的设置应符合下列规定:
1严禁将泡沫站设置在防火堤内、围堰内、泡沫灭火系统保护区或其他爆炸危险区域内;
2当泡沫站靠近防火堤设置时,其与各甲、乙、丙类液体储罐罐壁的间距应大于20m,且应具备远程控制功能;所以B正确。
3当泡沫站设置在室内时,其建筑耐火等级不应低于二级。
7.1.4拖动泡沫消防水泵的柴油机应符合下列规定:
1柴油机应采用闭式循环热交换型发动机,且当热交换系统利用消防泵供水时,其设计压力应大于供水管网的最高工作压力;
4柴油机应安装人工机械复位的超速空气切断阀;
5柴油机应具备2组蓄电池并联启动功能、机械启动与手动盘车功能;所以D正确。
42.【答案】C
【解析】《消防联动控制系统GB16806-2006》
《火灾自动报警系统施工及验收标准GB50166-2019》
4.12.1应对火灾声警报器的火灾声警报功能进行检查并记录,警报器的火灾声警报功能应符合下列规定:
2在警报器生产企业声称的最大设置间距、距地面1.5m~1.6m处,声警报的A计权声压级应大于60dB,环境噪声大于60dB时,声警报的A计权声压级应高于背景噪声15dB;C错误。
《火灾声和/或光警报器GB26851-2011》
4.1.2.1火灾光警报器的闪光频率应为1 Hz~2 Hz。D正确。
43.【答案】C
【解析】《建筑设计防火规范GB50016-2014(2018年版)》
5.5.23建筑高度大于100m的公共建筑,应设置避难层(间)。避难层(间)应符合下列规定:
1第一个避难层(间)的楼地面至灭火救援场地地面的高度不应大于50m,两个避难层(间)之间的高度不宜大于50m。A正确。
4避难层可兼作设备层。C错误。
6应设置消火栓和消防软管卷盘。B正确。
9应设置直接对外的可开启窗口或独立的机械防烟设施,外窗应采用乙级防火窗。D正确。
避难三兄弟 |
大于100m |
老年人照料设施 |
病房楼 |
设置条件 |
>100m |
≥3层,>3000㎡ |
高层 |
位置 |
距离登高操作场地≤50m |
2层及以上 |
|
数量 |
2个避难层高差≤50m |
1个安全出口设1个 |
1个避难间保护2个护理单元 |
净面积 |
5人/㎡ |
12㎡ |
25㎡ |
分隔 |
区3h,井/间2h |
2.0+甲 |
|
应急照明 |
1.5h,3.0lx |
1.0h,10lx |
|
44.【答案】A
【解析】中华人民共和国消防法(2021修订版)
第六十九条 消防设施维护保养检测、消防安全评估等消防技术服务机构,不具备从业条件从事消防技术服务活动或者出具虚假文件的,由消防救援机构责令改正,处五万元以上十万元以下罚款,并对直接负责的主管人员和其他直接责任人员处一万元以上五万元以下罚款;不按照国家标准、行业标准开展消防技术服务活动的,责令改正,处五万元以下罚款,并对直接负责的主管人员和其他直接责任人员处一万元以下罚款;有违法所得的,并处没收违法所得;给他人造成损失的,依法承担赔偿责任;情节严重的,依法责令停止执业或者吊销相应资格;造成重大损失的,由相关部门吊销营业执照,并对有关责任人员采取终身市场禁入措施。
对应考点:消防法
45.【答案】B
【解析】《自动喷水灭火系统施工及验收规范GB50261-2017》
7.2.7联动试验应符合下列要求,并应按本规范附录C表C.0.4的要求进行记录:
1湿式系统的联动试验,启动一只喷头或以0.94L/s~1.5L/s的流量从末端试水装置处放水时,水流指示器、报警阀、压力开关、水力警铃和消防水泵等应及时动作,并发出相应的信号。
8.0.11系统流量、压力的验收,应通过系统流量压力检测装置进行放水试验,系统流量、压力应符合设计要求。B选项错误。
46.【答案】A
【解析】《建筑设计防火规范GB50016-2014(2018年版)》
5.1.4建筑高度大于100m的民用建筑,其楼板的耐火极限不应低于2.00h。故A错误。

47.【答案】B
【解析】《消防应急照明和疏散指示系统技术标准GB51309-2018》
4.5.11方向标志灯的安装应符合下列规定:
2安装在疏散走道、通道两侧的墙面或柱面上时,标志灯底边距地面的高度应小于1m。A正确。
4.5.3灯具在顶棚、疏散走道或通道的上方安装时,应符合下列规定:
3灯具采用吊装式安装时,应采用金属吊杆或吊链,吊杆或吊链上端应固定在建筑构件上。B错误。
4.5.10出口标志灯的安装应符合下列规定:
2室内高度不大于3.5m的场所,标志灯底边离门框距离不应大于200mm;室内高度大于3.5m的场所,特大型、大型、中型标志灯底边距地面高度不宜小于3m,且不宜大于6m。C正确。
3采用吸顶或吊装式安装时,标志灯距安全出口或疏散门所在墙面的距离不宜大于50mm。D正确。
48.【答案】C
【解析】《消防给水及消火栓系统技术规范GB50974-2014》
12.4.2压力管道水压强度试验的试验压力应符合表12.4.2的规定。
根据表格可知,最小试验压力应为0.6+0.5=1.1MPa。
记忆方法:
系型 |
试验名称 |
试验压力(MPa) |
时间 |
判定标准 |
消防给水和消火栓 |
水压强度 |
钢管:设计工作压力P≤1,取1.5P且≥1.4; P>1,取P+0.4 球墨铸铁管:P≤0.5取2P; P>0.5,取P+0.5 钢丝网骨架塑料管:1.5P,且≥0.8 |
30min |
无泄漏、无变形、压力△P≤0.05 |
水压严密性 |
为系统设计工作压力P |
24h |
无泄漏 |
|
气压严密性 |
0.28(空气或氮气) |
24h |
△P≤0.01 |
49.【答案】D
【解析】《消防给水及消火栓系统技术规范GB50974-2014》
14.0.6阀门的维护管理应符合下列规定:
2每月应对电动阀和电磁阀的供电和启闭性能进行检测;A正确。
5每天应对水源控制阀、报警阀组进行外观检查,并应保证系统处于无故障状态;D错误。
14.0.7每季度应对消火栓进行一次外观和漏水检查,发现有不正常的消火栓应及时更换。B正确。
14.0.9每年应对系统过滤器进行至少一次排渣,并应检查过滤器是否处于完好状态,当堵塞或损坏时应及时检修。C正确。
50.【答案】D
【解析】《气体灭火系统施工及验收规范GB50263-2007》
8.0.6每月检查应符合下列要求:
1低压二氧化碳灭火系统储存装置的液位计检查,灭火剂损失10%时应及时补充。A正确。
2高压二氧化碳灭火系统、七氟丙烷管网灭火系统及IG 541灭火系统等系统的检查内容及要求应符合下列规定:
2)灭火剂和驱动气体储存容器内的压力,不得小于设计储存压力的90%。B正确。
3预制灭火系统的设备状态和运行状况应正常。C正确。
8.0.5每日应对低压二氧化碳储存装置的运行情况、储存装置间的设备状态进行检查并记录。D错误。
51.【答案】D
【解析】消防产品监督管理规定(公安部令第122号)
第三十六条人员密集场所使用不符合市场准入的消防产品的,由公安机关消防机构责令限期改正;逾期不改正的,依照《中华人民共和国消防法》第六十五条第二款处罚。
第六十五条第二款如下:“人员密集场所使用不合格的消防产品或者国家明令淘汰的消防产品的,责令限期改正;逾期不改正的,处五千元以上五万元以下罚款,并对其直接负责的主管人员和其他直接责任人员处五百元以上二千元以下罚款;情节严重的,责令停产停业。
52.【答案】C
【解析】B类项目应符合下列规定:
1)消防控制室存档文件资料的符合性;
2)本标准第5.0.3条规定资料的齐全性、符合性;
3)系统内的任一消防电话总机和电话分机的呼叫功能;故C错误
对应考点:火灾自动报警系统的验收
2 B类项目应符合下列规定:
1)消防控制室存档文件资料的符合性;
2)本标准第5.0.3条规定资料的齐全性、符合性;
3)系统内的任一消防电话总机和电话分机的呼叫功能;
4)系统内的任一可燃气体报警控制器和可燃气体探测器的可燃气体报警功能;
5)系统内的任一电气火灾监控设备(器)和探测器的监控报警功能;
6)消防设备电源监控器和传感器的监控报警功能。
53.【答案】B
【解析】根据《大型商业综合体消防安全管理规则(试行)》(应急消[2019]314号)
大型商业综合体的保安人员应当履行下列消防职责:
1.按照本单位的消防安全管理制度进行防火巡查,并做好记录,发现问题应当及时报告;
2.发现火灾及时报火警并报告消防安全责任人和消防安全管理人,扑救初起火灾,组织人员疏散,协助开展灭火救援;
3.劝阻和制止违反消防法规和消防安全管理制度的行为。故ACD都是保安职责。
第十一条消防安全责任人应当掌握本单位的消防安全情况,全面负责本单位的消防安全工作,并履行下列消防安全职责:
5.定期组织防火检查,督促整改火灾隐患;
54.【答案】B
【解析】大于24m的重要公共建筑为一类高层公共建筑,消防水箱的有效容积为36m³。
对应考点:消防水箱、稳压泵
建筑类别 |
建筑高度(m) |
最小容积(m³) |
最低有效水位静压(Mpa) |
|
公共建筑 |
H>150 |
100 |
≥0.15 |
自喷喷头静压≥0.1 |
100<H≤150 |
50 |
|||
一类高层 |
36 |
≥0.1(>50m为0.15) |
||
其他公共建筑 |
多层、二类高层 |
18 |
≥0.07 |
|
一类高层住宅建筑 |
H>100 |
36 |
≥0.07 |
|
54<H≤100 |
18 |
|||
二类住宅 |
27<H≤54 |
12 |
||
其他住宅 |
21<H≤27 |
6 |
宜≥0.07 |
|
商店建筑 |
S>30000㎡ |
50 |
—— |
|
10000㎡<S≤30000㎡ |
36 |
|||
工业建筑 |
室内消防给水设计流量>25L/s |
18 |
≥0.1,V<20000m³时宜≥0.07 |
|
≤25L/s |
12 |
55.【答案】B
【解析】《消防给水及消火栓系统技术规范》(GB50974)
墙壁消防水泵接合器的安装高度距地面宜为0.70m;与墙面上的门、窗、孔、洞的净距离不应小于2.0m,且不应安装在玻璃幕墙下方;地下消防水泵接合器的安装,应使进水口与井盖底面的距离不大于0.4m,且不应小于井盖的半径。B错误,CD正确。
5.4.7水泵接合器应设在室外便于消防车使用的地点,且距室外消火栓或消防水池的距离不宜小于15m,并不宜大于40m。A正确。
56.【答案】C
【解析】《火灾自动报警系统设计规范GB50116-2013>》
6.2.4在宽度小于3m的内走道顶棚上设置点型探测器时,宜居中布置。感温火灾探测器的安装间距不应超过10m;感烟火灾探测器的安装间距不应超过15m;故C错误
6.2.3在有梁的顶棚上设置点型感烟火灾探测器、感温火灾探测器时,应符合下列规定:
3当梁突出顶棚的高度超过600mm时,被梁隔断的每个梁间区域应至少设置一只探测器。
对应考点:探测器的安装
点型感烟火灾探测器、感温、一氧化碳、点型家用、独立式火灾探测报警器 |
至墙壁、梁边、四周;至多孔送风顶棚孔口 |
≥0.5m |
至空调送风口 |
≥1.5m |
|
小于3m的内走道顶棚上 |
感温间距≤10m,感烟≤15m |
|
线型光束感烟火灾探测器 |
探测器光束轴线至顶棚的垂直距离 |
宜为0.3m~1.0m |
距地高度 |
≤20m |
|
发射器和接器之间 |
≤100m |
|
相邻两组探测器光束轴线的水平距离 |
≤14m |
|
光束轴线至侧墙 |
0.5m~7m |
|
线型感温火灾探测器 |
至顶棚 |
宜为0.1m |
相邻探测器之间 |
≤5m |
|
至墙壁距离 |
宜为1.0m~1.5m |
|
固定装置的间距 |
≤2m |
|
管路采样式吸气感烟火灾探测器 |
非高灵敏型探测器的采样管网安装高度 |
≤16m(高灵敏可超过) |
一个探测单元的采样管总长 |
≤200m(单管100) |
|
采样孔总数 |
≤100个(单管25) |
|
可燃气体探测器 |
发射器和接收器的距离 |
≤60m |
两组探测器之间的轴线距离 |
≤14m |
57.【答案】D
【解析】单层纺织品仓库为丙类仓库
查表3.4.1可知,二级单层丙类仓库与变压器总油量在5~10t的变压器的防火间距不应小于12m,故选项A正确。
11.0.10民用木结构建筑与厂房(仓库)等建筑的防火间距、木结构厂房(仓库)之间及其与其他民用建筑的防火间距,应符合本规范第3、4章有关四级耐火等级建筑的规定。
查表3.5.2可知,二级单层丙类仓库与木结构民宿的防火间距:四级不应小于14m,选项B正确。
二级单层丙类仓库与二类高层住宅建筑的防火间距不应小于15m,选项D错误。
参《汽汽库、修车库、停车场设计防火规范》4.2.1除本规范另有规定外,汽车库、修车库、停车场之间及汽车库、修车库、停车场与除甲类物品仓库外的其他建筑物的防火间距,不应小于表4.2.1的规定。查表4.2.1可知,3个修车位的修车库为III类修车库,其耐火等级不应低于二级,二级单层丙类仓库与一、二级汽车库、修车库的防火间距不应小于10m,选项C正确
对应考点:防火间距
58.【答案】D
【解析】丁、戊类厂房内的油漆工段小于10%,且发生火灾事故时不足以蔓延至其他部位或火灾危险性较大的生产部分采取了有效的防火措施;金属铸造工段的火灾危险性为丁类,二级单层丁类厂房的防火分区建筑面积不限。500÷8000=6.25%,小于10%,该厂房的火灾危险性为丁类。故选项D符合题意。
对应考点:厂房的火灾危险性
厂房分类 |
一般情况下,按火灾危险性较大的部分确定 |
所有厂房 |
①火灾危险性较大的生产部分占本层或本防火分区建筑面积的比例小于5% |
②发生火灾事故时不足以蔓延至其他部位或火灾危险性较大的生产部分采取了有效的防火措施 |
|
丁、戊类产房内油漆工段 |
①占本层或本防火分区建筑面积的比例小于10% |
②发生火灾事故时不足以蔓延至其他部位或火灾危险性较大的生产部分采取了有效的防火措施 |
|
丁、戊类厂房的油漆工段 |
①采用封闭喷漆工艺 |
②封闭喷漆空间内保持负压 |
|
③油漆工段设置可燃气体探测报警系统或自动抑爆系统 |
|
④油漆工段占所在防火分区建筑面积的比例不大于20% |
59.【答案】D
【解析】参《大型商业综合体消防安全管理规则》,
第四十七条电气焊工、电工、易燃易爆危险物品管理人员(操作人员)应当持证上岗。故选项A正确。
第四十八条用火、动火安全管理应当符合下列要求:
3.动火作业现场应当清除可燃、易燃物品,配置灭火器材,落实现场监护人和安全措施,在确认无火灾、爆炸危险后方可动火作业,作业后应当到现场复查,确保无遗留火种。故选项B、C正确。
4.需要动火作业的区域,应当采用不燃材料与使用、营业区域进行分隔。故选项D错误。
60.【答案】D
【解析】】参《社会单位灭火和应急疏散方案编制及执行导则》
6.7.3岗位职责
6.7.3.1预案应结合每个组织机构在应急行动中需要动用的资源、涉及的工作环节,按照下列要求明确每个组织机构及其成员在应急行动中的角色和职责:
a)指挥机构由总指挥、副总指挥、消防归口职能部门负责人组成,负责人员、资源配置,应急队伍指挥调动,协调事故现场等有关工作,批准预案的启动与终止,组织应急预案的演练,组织保护事故现场,收集整理相关数据、资料,对预案实施情况进行总结讲评
b)通信联络组由现场工作人员及消防控制室值班人员组成,负责与指挥机构和当地消防部门、区域联防单位及其他应急行动涉及人员的通信、联络;C属于通信联络组
c)灭火行动组由自动灭火系统操作员、指定的一线岗位人员和专职或志愿消防员组成,负责在发生火灾后立即利用消防设施、器材就地扑救初起火灾;
d)疏散引导组由指定的一线岗位人员和专职或志愿消防员组成,负责引导人员正确疏散、逃生;
e)防护救护组由指定的具有医护知识的人员组成,负责协助抢救、护送受伤人员;A属于防护救护组职责。
f)安全保卫组由保安人员组成,负责阻止与场所无关人员进入现场,保护火灾现场,协助消防部门开展火灾调查;D符合题意。
g)后勤保障组由相关物资保管人员组成,负责抢险物资、器材器具的供应及后勤保障。B属于后勤保障组。
61.【答案】C
【解析】《大型商业综合体消防安全管理规则(试行)》
第八十二条消防安全管理情况应当至少包括下列内容:
1.消防安全例会记录或决定;
2.住房和城乡建设主管部门、消防救援机构填发的各种法律文书及各类文件、通知等要求;
3.消防设施定期检查记录、自动消防设施全面检查测试的报告、维修保养的记录以及委托检测和维修保养的合同;
4.火灾隐患、重大火灾隐患及其整改情况记录;
5.消防控制室值班记录;
6.防火检查、巡查记录;
7.有关燃气、电气设备检测等记录资料;
8.消防安全培训记录;
9.灭火和应急疏散预案的演练记录;
10.火灾情况记录;
11.消防奖惩情况记录。
对应考点:大型商业综合体中消防档案
第八十一条消防安全基本情况应当至少包括下列内容:
1.建筑的基本概况和消防安全重点部位;
2.建筑消防设计审查、消防验收和特殊消防设计文件及采用的相关技术措施等材料;
3.场所使用或者开业前消防安全检查的相关资料;
4.消防组织和各级消防安全责任人;
5.相关消防安全责任书和租赁合同;
6.消防安全管理制度和消防安全操作规程;
7.消防设施和器材配置情况;
8.专职消防队、志愿消防队(微型消防站)等自防自救力量及其消防装备配备情况;
9.消防安全管理人、消防设施维护管理人员、电气焊工、电工、消防控制室值班人员、易燃易爆化学物品操作人员的基本情况;
10.新增消防产品、防火材料的合格证明材料;
11.灭火和应急疏散预案。
62.【答案】D
【解析】《高层民用建筑消防安全管理规定》
第三十四条高层民用建筑应当进行每日防火巡查,并填写巡查记录。其中,高层公共建筑内公众聚集场所在营业期间应当至少每2小时进行一次防火巡查,医院、养老院、寄宿制学校、幼儿园应当进行白天和夜间防火巡查,高层住宅建筑和高层公共建筑内的其他场所可以结合实际确定防火巡查的频次。
防火巡查应当包括下列内容:
(一)用火、用电、用气有无违章情况;
(二)安全出口、疏散通道、消防车通道畅通情况;
(三)消防设施、器材完好情况,常闭式防火门关闭情况;
(四)消防安全重点部位人员在岗在位等情况。
63.【答案】B
【解析】压力开关动作是连锁启泵,与联动控制器无关。
64.【答案】A
【解析】《建筑设计防火规范》
5.5.20剧场、电影院、礼堂、体育馆等场所的疏散走道、疏散楼梯、疏散门、安全出口的各自总净宽度,应符合下列规定:
1观众厅内疏散走道的净宽度应按每100人不小于0.60m计算,且不应小于1.00m;边走道的净宽度不宜小于0.80m。

5.5.19人员密集的公共场所、观众厅的疏散门不应设置门槛,其净宽度不应小于1.40m,且紧靠门口内外各1.40m范围内不应设置踏步。
人员密集的公共场所的室外疏散通道的净宽度不应小于3.00m,并应直接通向宽敞地带。
(本条中“人员密集的公共场所”主要指营业厅、观众厅,礼堂、电影院、剧院和体育场馆的观众厅,公共娱乐场所中出入大厅、舞厅,候机(车、船)厅及医院的门诊大厅等面积较大、同一时间聚集人数较多的场所。本条规定的疏散门为进出上述这些场所的门,包括直接对外的安全出口或通向楼梯间的门。)
65.【答案】B
【解析】社会单位灭火和应急疏散预案编制及实施导则GB/T38315-2019
6预案的主要内容
6.5单位基本情况
6.5.1说明单位名称、地址、使用功能、建筑面积、建筑结构及主要人员等情况,还应包括单位总平面图、分区平面图、立面图、剖面图、疏散示意图等。各类图纸制图要求如下:
a)单位总平面图应体现本单位的总体布局,标明其地理位置,周边300m~500m范围内的重要建筑、公共消防设施、微型消防站、区域联防组织等情况说明,内部主要建筑、设备、通道的毗连情况,消防水源、消火栓分布以及要害部位的所在位置,对不同危险级别的区域应用不同颜色区分警示。对于生产企业,应标明以下内容:
1)生产、管理和生活区域;
2)高温、有害物质和易燃易爆危险品布置区域;
3)危险品的品名、仓储位置、储存形式和储量;
4)常年主导风向、运输路线和附近水源。
6.5.2说明单位的火灾危险源情况,包括火灾危险源的位置、性质和可能发生的事故,明确危险源区域的操作人员和防护手段,危险品的仓储位置、形式和数量等。
66.【答案】A
【解析】建筑设计防火规范
6.4.7疏散用楼梯和疏散通道上的阶梯不宜采用螺旋楼梯和扇形踏步;确需采用时,踏步上、下两级所形成的平面角度不应大于10°。所以A正确。
6.4.12用于防火分隔的下沉式广场等室外开敞空间,应符合下列规定:
1分隔后的不同区域通向下沉式广场等室外开敞空间的开口最近边缘之间的水平距离不应小于13m。室外开敞空间除用于人员疏散外不得用于其他商业或可能导致火灾蔓延的用途,其中用于疏散的净面积不应小于169m²。所以B错误。
3确需设置防风雨篷时,防风雨篷不应完全封闭,四周开口部位应均匀布置,开口的面积不应小于该空间地面面积的25%,开口高度不应小于1.0m;开口设置百叶时,百叶的有效排烟面积可按百叶通风口面积的60%计算。S=3.14*10*10=314,314*25%=78.5。D错误。
对应考点:下沉式广场
67.【答案】A
【解析】《汽车库、修车库、停车场设计防火规范》
6.0.5室外疏散楼梯可采用金属楼梯,并应符合下列规定:
1倾斜角度不应大于45°,栏杆扶手的高度不应小于1.1m;A正确;
6.0.3汽车库、修车库的疏散楼梯应符合下列规定:
1建筑高度大于32m的高层汽车库、室内地面与室外出入口地坪的高差大于10m的地下汽车库应采用防烟楼梯间,其他汽车库、修车库应采用封闭楼梯间;
2楼梯间和前室的门应采用乙级防火门,并应向疏散方向开启;
3疏散楼梯的宽度不应小于1.1m。BC错误。
68.【答案】C
【解析】消防给水及消火栓系统技术规范GB50974-2014
11.0.9消防水泵控制柜设置在专用消防水泵控制室时,其防护等级不应低于IP30;与消防水泵设置在同一空间时,其防护等级不应低于IP55。A正确。
7.4.12室内消火栓栓口压力和消防水枪充实水柱,应符合下列规定:
1消火栓栓口动压力不应大于0.50MPa,当大于0.70MPa时必须设置减压装置;
2高层建筑、厂房、库房和室内净空高度超过8m的民用建筑等场所,消火栓栓口动压不应小于0.35MPa,且消防水枪充实水柱应按13m计算;其他场所,消火栓栓口动压不应小于0.25MPa,且消防水枪充实水柱应按10m计算。C错误。
5.3.3稳压泵的设计压力应符合下列要求:
3稳压泵的设计压力应保持系统最不利点处水灭火设施在准工作状态时的静水压力应大于0.15MPa。B正确。
5.3.4设置稳压泵的临时高压消防给水系统应设置防止稳压泵频繁启停的技术措施,当采用气压水罐时,其调节容积应根据稳压泵启泵次数不大于15次/h计算确定,但有效储水容积不宜小于150L。D正确。
69.【答案】A
【解析】社会单位灭火和应急疏散预案编制及实施导则GB/T38315-2019
7预案的实施
7.3应急演练
7.3.2.1制定实施方案,确定假想起火部位,明确重点检验目标。B错误;
7.3.2.2可以通知单位员工组织演练的大概时间,但不应告知员工具体的演练时间,实施突击演练,实地检验员工处置突发事件的能力。A错误;
7.3.2.4设置观察岗位,指定专人负责记录演练参与人员的表现,演练结束讲评时做参考。C正确。
70.【答案】C
【解析】硅酸钙板属于A级
6.4.14避难走道的设置应符合下列规定:
4避难走道内部装修材料的燃烧性能应为A级。所以A错误,C正确。
5防火分区至避难走道入口处应设置防烟前室,前室的使用面积不应小于6.0m²,开向前室的门应采用甲级防火门,前室开向避难走道的门应采用乙级防火门。
6避难走道内应设置消火栓、消防应急照明、应急广播和消防专线电话。
71.【答案】C
【解析】爆炸危险环境电力装置设计规范GB50058-2014。
5.1.1爆炸性环境的电力装置设计应符合下列规定:
1爆炸性环境的电力装置设计宜将设备和线路,特别是正常运行时能发生火花的设备布置在爆炸性环境以外。当需设在爆炸性环境内时,应布置在爆炸危险性较小的地点。
6在爆炸性粉尘环境内,应尽量减少插座和局部照明灯具的数量。如需采用时,插座宜布置在爆炸性粉尘不易积聚的地点,局部照明灯宜布置在事故时气流不易冲击的位置。
粉尘环境中安装的插座开口的一面应朝下,且与垂直面的角度不应大于60°。所以C错误。
72.【答案】B
【解析】防火卷帘、防火门、防火窗施工及验收规范GB50877-2014
6.2防火卷帘调试
6.2.3防火卷帘运行功能的调试应符合下列规定:
2防火卷帘电动启、闭的运行速度应为2m/min~7.5m/min,其自重下降速度不应大于9.5m/min。
检查数量:全数检查。
检查方法:用秒表、钢卷尺测量。
3防火卷帘启、闭运行的平均噪声不应大于85dB。
73.【答案】B
【解析】建筑灭火器配置验收及检查规范GB50444-2008
5.4.2有下列情况之一的灭火器应报废:
1筒体严重锈蚀,锈蚀面积大于、等于筒体总面积的1/3,表面有凹坑;
2筒体明显变形,机械损伤严重;
3器头存在裂纹、无泄压机构;
4筒体为平底等结构不合理;
5没有间歇喷射机构的手提式;
6没有生产厂名称和出厂年月,包括铭牌脱落,或虽有铭牌,但已看不清生产厂名称,或出厂年月钢印无法识别;
7筒体有锡焊、铜焊或补缀等修补痕迹;
8被火烧过。
5.4.3灭火器出厂时间达到或超过表5.4.3规定的报废期限时应报废。

对应考点:灭火器的报废和维修
列入国家颁布的淘汰目录的灭火器
1)酸碱型灭火器。
2)化学泡沫型灭火器。
3)倒置使用型灭火器。
4)氯溴甲烷、四氯化碳灭火器。
5)1211灭火器、1301灭火器。
6)国家政策明令淘汰的其他类型灭火器。
灭火器的维修
日常管理中,发现灭火器使用达到维修年限,或者灭火器存在机械损伤、明显锈蚀、灭火剂泄漏、被开启使用过、压力指示器指向红区等问题,或者符合其他报修条件的,建筑(场所)使用管理单位应按照规定程序予以送修。
灭火器类型 |
维修期限 |
水基型灭火器 |
出厂期满3年,首次维修以后每满1年 |
干粉灭火器 |
出厂期满5年,首次维修以后每满2年 |
洁净气体灭火器 |
|
二氧化碳灭火器 |
74.【答案】B
【解析】《大型商业综合体消防安全管理规则(试行)》
第十一条消防安全责任人应当掌握本单位的消防安全情况,全面负责本单位的消防安全工作,并履行下列消防安全职责:
1.制定和批准本单位的消防安全管理制度、消防安全操作规程、灭火和应急疏散预案,进行消防工作检查考核,保证各项规章制度落实;
2.统筹安排本单位经营、维修、改建、扩建等活动中的消防安全管理工作,批准年度消防工作计划;
3.为消防安全管理提供必要的经费和组织保障;
4.建立消防安全工作例会制度,定期召开消防安全工作例会,研究本单位消防工作,处理涉及消防经费投入、消防设施和器材购置、火灾隐患整改等重大问题,研究、部署、落实本单位消防安全工作计划和措施;
5.定期组织防火检查,督促整改火灾隐患;
6.依法建立专职消防队或志愿消防队,并配备相应的消防设施和器材;
7.组织制定灭火和应急疏散预案,并定期组织实施演练。
第十二条消防安全管理人对消防安全责任人负责,应当具备与其职责相适应的消防安全知识和管理能力,取得注册消防工程师执业资格或者工程类中级以上专业技术职称,并应当履行下列消防安全职责:
1.拟订年度消防安全工作计划,组织实施日常消防安全管理工作;
2.组织制订消防安全管理制度和消防安全操作规程,并检查督促落实;
3.拟订消防安全工作的资金投入和组织保障方案;
4.建立消防档案,确定本单位的消防安全重点部位,设置消防安全标识;所以选B。
5.组织实施防火巡查、检查和火灾隐患排查整改工作;
6.组织实施对本单位消防设施和器材、消防安全标识的维护保养,确保其完好有效和处于正常运行状态,确保疏散通道、安全出口、消防车道畅通;
7.组织本单位员工开展消防知识、技能的教育和培训,拟定灭火和应急疏散预案,组织灭火和应急疏散预案的实施和演练;
8.管理专职消防队或志愿消防队,组织开展日常业务训练和初起火灾扑救;
9.定期向消防安全责任人报告消防安全状况,及时报告涉及消防安全的重大问题;
10.完成消防安全责任人委托的其他消防安全管理工作。
对应考点:消防安全管理人和责任人的职责
消防安全责任人 |
消防安全管理人 |
2)批准实施年度消防工作计划 |
1)拟订年度消防工作计划 |
4)批准实施消防安全制度和操作规程 |
2)组织制订消防安全制度和保障消防安全的操作规程 |
3)提供必要的经费和组织保障 |
3)拟订资金投入和组织保障方案 |
5)组织防火检查,督促落实火灾隐患整改及时处理消防安全重大问题 |
4)组织实施防火检查和火灾隐患整改工作 |
6)建立专职消防队、义务消防队 |
6)组织管理专职消防队和义务消防队 |
7)组织制定灭火和应急疏散预案,并实施演练 |
7)开展教育和培训,组织灭火和应急疏散预案的实施和演练 |
1)贯彻执行消防法规,保证合规,掌握单位的消防安全情况 |
5)对设施、灭火器材和消防安全标志维护保养,确保疏散通道和安全出口畅通 |
75.【答案】A
【解析】3.2.5照明灯应采用多点、均匀布置方式,建、构筑物设置照明灯的部位或场所疏散路径地面水平最低照度应符合表3.2.5的规定。

76.【答案】C
【解析】《大型商业综合体消防安全管理规则(试行)》
第七条大型商业综合体的产权单位、使用单位是大型商业综合体消防安全责任主体,对大型商业综合体的消防安全工作负责。
77.【答案】D
【解析】第六十九条大型商业综合体应当通过消防演练达到以下目的:
1.检验各级消防安全责任人、各职能组和有关人员对灭火和应急疏散预案内容、职责的熟悉程度;
2.检验人员安全疏散、初起火灾扑救、消防设施使用等情况;
3.检验本单位在紧急情况下的组织、指挥、通讯、救护等方面的能力;
4.检验灭火应急疏散预案的实用性和可操作性,并及时对预案进行修订和完善。
78.【答案】A
【解析】《社会消防安全教育培训》
第七条民政部门应当履行下列职责:
(一)将消防安全教育培训工作纳入减灾规划并组织实施,结合救灾、扶贫济困和社会优抚安置、慈善等工作开展消防安全教育;
(二)指导社区居民委员会、村民委员会和各类福利机构开展消防安全教育培训工作;
(三)负责消防安全专业培训机构的登记,并实施监督管理。
79.【答案】D
【解析】《建筑防烟排烟系统技术标准》
7.3.1机械加压送风系统的联动调试方法及要求应符合下列规定:
1当任何一个常闭送风口开启时,相应的送风机均应能联动启动;
2与火灾自动报警系统联动调试时,当火灾自动报警探测器发出火警信号后,应在15s内启动与设计要求一致的送风口、送风机,且其联动启动方式应符合现行国家标准《火灾自动报警系统设计规范》GB 50116的规定,其状态信号应反馈到消防控制室。
调试数量:全数调试。
7.3.2机械排烟系统的联动调试方法及要求应符合下列规定:
1当任何一个常闭排烟阀或排烟口开启时,排烟风机均应能联动启动。
2应与火灾自动报警系统联动调试。当火灾自动报警系统发出火警信号后,机械排烟系统应启动有关部位的排烟阀或排烟口、排烟风机;启动的排烟阀或排烟口、排烟风机应与设计和标准要求一致,其状态信号应反馈到消防控制室。
3有补风要求的机械排烟场所,当火灾确认后,补风系统应启动。
4排烟系统与通风、空调系统合用,当火灾自动报警系统发出火警信号后,由通风、空调系统转换为排烟系统的时间应符合本标准第5.2.3条的规定。
系统名称 |
联动触发信号 |
联动控制 |
联动反馈信号 |
|
防烟系统 |
加压送风口所在防火分区的两个独立探测器、探测器+手报 |
开启送风口、启动加压送风机 |
送风口、排烟口、排烟窗或排烟阀的开启或关闭信号,防烟、排烟风机启停信号,电动防火阀关闭动作信号 |
|
排烟系统 |
同一防烟分区两只独立的探测器、探测器+手报 |
开启排烟口、排烟窗或排烟阀,停止该防烟分区空气调节系统 |
||
排烟口、排烟窗或排烟阀开启的动作信号+该防护区内探测器+手报 |
启动排烟风机 |
|||
位于电动挡烟垂壁附近的2路感烟探测器 |
降落电动挡烟垂壁 |
|||
防火卷帘系统 |
疏散通道上(两步降) |
第一步:两只独立的感烟探测器或任一只专用感烟探测器,下降到距楼板面1.8m 第二步:任一只专用感温探测器,降到底 |
降到1.8m和降到底的信号,探测器的信号 |
|
非疏散通道上(一步降到底) |
两只独立的探测器联动控制降到底 |
降到楼板面,探测器的信号 |
||
防火门系统 |
所在防火分区内的两只独立的火灾探测器或一只火灾探测器与一只手报的报警信号 |
关闭常开防火门 |
疏散通道上各防火门的开启、关闭及故障状态信号 |
|
电梯 |
— |
所有电梯停于首层或电梯转换层 |
电梯运行状态信息和停于首层或转换层的反馈信号 |
|
气体灭火系统 |
有人值守 |
一个感烟探测器/其他类型探测器/手报 |
启动该防护区内火灾声光报警器 |
|
与上一信号相邻的感温探测器/火焰探测器/手报 |
①关闭送(排)风机及送(排)风阀门 ②停止通风和空气调节系统及关闭电动防火阀; ③关闭防护区域的门、窗; ④启动气体灭火装置 ⑤启动入口处气体喷洒的火灾声光报警器 |
|||
无人值守 |
首个信号 |
①关闭送(排)风机及送(排)风阀门 ②停止通风和空气调节系统及关闭电动防火阀; ③关闭防护区域的门、窗; |
||
第二个联动触发信号 |
启动气体/泡沫灭火装置 |
|||
系统名称 |
联动触发信号 |
联动控制 |
火灾警报和消防应急广播系统 |
同一报警区域内两只独立的探测器或一只探测器与一只手报的报警信号 |
确认火灾后启动建筑内所有火灾声光警报器、启动消防应急广播 |
消防应急照明和疏散指示系统 |
确认火灾后,由发生火灾的报警区域开始,顺序启动全楼消防应急照明和疏散指示系统 |
系统名称 |
联动触发信号 |
联动控制 |
联动反馈信号 |
|
自动喷水灭火系统 |
湿式/干式 |
报警阀压力开关+该报警阀防护区域探测器/手报 |
启动喷淋泵 |
水流指示器、信号阀、压力开关、喷淋泵启停 |
预作用 |
同一报警区域两个独立感烟探测器、一个感烟探测器+手报(+充气管路上的压力开关) |
开启预作用阀组、开启快速排气阀前电动阀、开启喷淋泵 |
水流指示器、信号阀、压力开关、喷淋泵启停、有压气体管道气体状态、快速排气阀前电动阀 |
|
报警阀压力开关+该报警阀防护区域探测器/手报 |
启动喷淋泵 |
|||
雨淋 |
同一报警区域两个独立感温探测器、一个感温探测器+手报 |
开启雨淋阀组 |
水流指示器、压力开关、雨淋阀组和雨淋消防泵启停 |
|
报警阀压力开关+该报警阀防护区域探测器/手报 |
启动喷淋泵 |
|||
水幕系统 |
用于防火卷帘的保护 |
防火卷帘下落到楼板面+本报警区域探测器/手报 |
开启水幕系统 控制阀组 |
压力开关、水幕系统相关控制阀组合消防泵的启停信号 |
报警阀压力开关+该报警阀防护区域探测器/手报 |
启动喷淋泵 |
|||
用于防火分隔 |
同一报警区域两个 独立感温探测器 |
开启水幕系统 控制阀组 |
||
报警阀压力开关+该报警阀防护区域探测器/手报 |
启动喷淋泵 |
|||
消火栓系统 |
消火栓按钮+该报警区域探测器/手报 |
启动消火栓泵 |
消火栓泵 启动信号 |
|
80.【答案】D
【解析】《建筑设计防火规范》
10.1.10消防配电线路应满足火灾时连续供电的需要,其敷设应符合下列规定:
1明敷时(包括敷设在吊顶内),应穿金属导管或采用封闭式金属槽盒保护,金属导管或封闭式金属槽盒应采取防火保护措施;当采用阻燃或耐火电缆并敷设在电缆井、沟内时,可不穿金属导管或采用封闭式金属槽盒保护;当采用矿物绝缘类不燃性电缆时,可直接明敷。
2暗敷时,应穿管并应敷设在不燃性结构内且保护层厚度不应小于30mm。
3消防配电线路宜与其他配电线路分开敷设在不同的电缆井、沟内;确有困难需敷设在同一电缆井、沟内时,应分别布置在电缆井、沟的两侧,且消防配电线路应采用矿物绝缘类不燃性电缆。
二、多选题(共20小题,每题2分,每题的备选项中有2个或2个以上符合题意。错选、漏选不得分;少选,所选的每个选项得0.5分)
81.【答案】ABC
【解析】建筑设计防火规范GB50016-2014(2018年版)
5.3.6餐饮、商店等商业设施通过有顶棚的步行街连接,且步行街两侧的建筑需利用步行街进行安全疏散时,应符合下列规定:
1步行街两侧建筑的耐火等级不应低于二级。
2步行街两侧建筑相对面的最近距离均不应小于本规范对相应高度建筑的防火间距要求且不应小于9m。所以D正确。
3步行街两侧建筑的商铺之间应设置耐火极限不低于2.00h的防火隔墙,每间商铺的建筑面积不宜大于300m²。所以B错误。
4相邻商铺之间面向步行街一侧应设置宽度不小于1.0m、耐火极限不低于1.00h的实体墙。所以E正确。
当步行街两侧的建筑为多个楼层时,每层面向步行街一侧的商铺均应设置防止火灾竖向蔓延的措施,并应符合本规范第6.2.5条的规定;设置回廊或挑檐时,其出挑宽度不应小于1.2m;步行街两侧的商铺在上部各层需设置回廊和连接天桥时,应保证步行街上部各层楼板的开口面积不应小于步行街地面面积的37%,且开口宜均匀布置。所以A、C错误。
82.【答案】ACD
【解析】根据《大型商业综合体消防安全管理规划(试行)》(应急消【2019】314号)
第二十六条大型商业综合体平时需要控制人员随意出入的安全出口、疏散门或设置门禁系统的疏散门,应当保证火灾时能从内部直接向外推开,并应当在门上设置“紧急出口”标识和使用提示。可根据实际需要选用以下方法之一或其他等效的方法:
设置推闩式外开门。所以D正确。
第二十三条大型商业综合体的疏散通道、安全出口管理应当符合下列要求:
常闭式防火门应当保持常闭,门上应当有正确启闭状态的标识,闭门器、顺序器应当完好有效;所以C正确。
第五十二条施工单位进行施工前,应当依法取得相关施工许可,预先向大型商业综合体消防安全管理人办理相关审批施工手续。所以E错误。
中华人民共和国消防法(2021修订版)
第十五条 公众聚集场所投入使用、营业前消防安全检查实行告知承诺管理。公众聚集场所在投入使用、营业前,建设单位或者使用单位应当向场所所在地的县级以上地方人民政府消防救援机构申请消防安全检查,作出场所符合消防技术标准和管理规定的承诺,提交规定的材料,并对其承诺和材料的真实性负责。故B错误。
83.【答案】BCDE
【解析】根据《建筑防烟排烟系统技术标准》(GB51251)
5.1.2加压送风机的启动应符合下列规定:
1现场手动启动;
2通过火灾自动报警系统自动启动;
3消防控制室手动启动;
4系统中任一常闭加压送风口开启时,加压风机应能自动启动。所以B正确。
5.1.3当防火分区内火灾确认后,应能在15s内联动开启常闭加压送风口和加压送风机。所以A错误。
5.2.5活动挡烟垂壁应具有火灾自动报警系统自动启动和现场手动启动功能,当火灾确认后,火灾自动报警系统应在15s内联动相应防烟分区的全部活动挡烟垂壁,60s以内挡烟垂壁应开启到位。所以C正确。
7.2.5送风机、排烟风机调试方法及要求应符合下列规定:
1手动开启风机,风机应正常运转2.0h,叶轮旋转方向应正确、运转平稳、无异常振动与声响;所以D正确。
5.2.3机械排烟系统中的常闭排烟阀或排烟口应具有火灾自动报警系统自动开启、消防控制室手动开启和现场手动开启功能,其开启信号应与排烟风机联动。当火灾确认后,火灾自动报警系统应在15s内联动开启相应防烟分区的全部排烟阀、排烟口、排烟风机和补风设施,并应在30s内自动关闭与排烟无关的通风、空调系统。所以E正确。
84.【答案】BE
【解析】根据《重大火灾隐患判定方法》(GB.35181)
6.直接判定要素
6.9托儿所、幼儿园的儿童用房以及老年人活动场所,所在楼层位置不符合国家工程建设消防技术标准的规定。所以A不符合题意。
7.综合判断要素
7.1.1未按国家工程建设消防技术标准的规定或城市消防规划的要求设置消防车道或消防车道被堵塞、占用。所以B符合题意。
7.3.4按国家工程建设消防技术标准的规定,建筑物应设置独立的安全出口或疏散楼梯而未设置。
6.5公共娱乐场所、商店、地下人员密集场所的安全出口数量不足或其总净宽度小于国家工程建设消防技术标准规定值的80%。故选项C不符合题意。
6.6旅馆、公共娱乐场所、商店、地下人员密集场所未按国家工程建设消防技术标准的规定设置自动喷水灭火系统或火灾自动报警系统。
7.5人员密集场所、高层建筑和地下建筑未按国家工程建设消防技术标准的规定设置防烟、排烟设施,或已设置但不能正常使用或运行。故选项E符合题意。
85.【答案】ABCE
【解析】3.3.17模块或模块箱的安装应符合下列规定:
5隐蔽安装时在安装处附近应设置检修孔和尺寸不小于100mm×100mm的永久性标识。B正确。
4.12.5应对扬声器的广播功能进行检查并记录,扬声器的广播功能应符合下列规定:
3在扬声器生产企业声称的最大设置间距、距地面1.5m~1.6m处,应急广播的A计权声压级应大于60dB,环境噪声大于60dB时,应急广播的A计权声压级应高于背景噪声15dB。所以D错误。
3.3.19消防应急广播扬声器、火灾警报器、喷洒光警报器、气体灭火系统手动与自动控制状态显示装置的安装;应符合下列规定:
2火灾光警报装置应安装在楼梯口、消防电梯前室、建筑内部拐角等处的明显部位,且不宜与消防应急疏散指示标志灯具安装在同一面墙上,确需安装在同一面墙上时,距离不应小于1m;E正确。
根据《火灾自动报警系统设计规范》GB50116-2013
6.3.1每个防火分区应至少设置一只手动火灾报警按钮。从一个防火分区内的任何位置到最邻近的手动火灾报警按钮的步行距离不应大于30m。所以A正确。
6.4.2区域显示器应设置在出入口等明显和便于操作的部位。当采用壁挂方式安装时,其底边距地高度宜为1.3m~1.5m。所以C正确。
86.【答案】ABD
【解析】根据《建筑防火封堵应用技术标准》(GB/51410)
4.0.3建筑幕墙的层间封堵应符合下列规定:
1幕墙与建筑窗槛墙之间的空腔应在建筑缝隙上、下沿处分别采用矿物棉等背衬材料填塞且填塞高度均不应小于200mm;在矿物棉等背衬材料的上面应覆盖具有弹性的防火封堵材料,在矿物棉下面应设置承托板。所以A、B符合题意。C不符合题意。
(条文说明:具有弹性的防火封堵材料:在填塞后的矿物棉等背衬材料的上表面,要全部满涂防火密封漆、具有弹性的防火密封胶等具有弹性的防火封堵材料。)
3承托板应采用钢质承托板,且承托板的厚度不应小于1.5mm。承托板与幕墙、建筑外墙之间及承托板之间的缝隙,应采用具有弹性的防火封堵材料封堵。所以D符合题意。E不符合题意。
对应考点:建筑防火封堵
87.【答案】AE
【解析】参《建筑设计防火规范》,
选项A,较高建筑有完整防火墙时,防火间距可以不限,故选项A正确。
选项C,还要满足屋顶耐火极限不小于1.0h,故选项C错误。
选项D,乙级不可以,应该是甲级的防火窗,单多层防火间距≥3.5,高层4m
选项E,仅针对单多层建筑之间,民用建筑之间,满足:均为单、多层+两面不燃墙+无可燃性屋檐+不正对+无防火保护的洞口面积≤5%时,防火间距可以减少25%,6X(1-25%)=4.5m,故选项E正确。
对应考点:防火间距的调整
民用建筑3种结果,6种变形
不限 |
两座建筑相邻较高一面外墙为防火墙 |
高出相邻较低一座一、二级耐火等级建筑的屋面15m及以下范围内的外墙为防火墙 |
|
相邻两座高度相同的一、二级耐火等级建筑中相邻任一侧外墙为防火墙,屋顶的耐火极限不低于1.00h |
|
3.5,4(高层) |
相邻两座建筑中较低一座建筑的耐火等级不低于二级,相邻较低一面外墙为防火墙且屋顶无天窗,屋顶的耐火极限不低于1.00h |
相邻两座建筑中较低一座建筑的耐火等级不低于二级且屋顶无天窗(无屋顶1.0h),相邻较高一面外墙高出较低一座建筑的屋面15m及以下范围内的开口部位设置甲级防火门、窗,或设置符合现行国家标准规定的防火分隔水幕或本规范规定的防火卷帘 |
|
减少25% |
相邻两座单、多层建筑,当相邻外墙为不燃性墙体且无外露的可燃性屋檐,每面外墙上无防火保护的门、窗、洞口不正对开设且该门、窗、洞口的面积之和不大于外墙面积的5% |
88.【答案】ABCD
【解析】根据《自动喷水灭火系统施工及验收规范》(GB50261)
9.0.18每月应对喷头进行一次外观及备用数量检查,发现有不正常的喷头应及时更换;当喷头上有异物时应及时清除。所以A正确。
B选项要求每月,每周的做法正确。
9.0.8室外阀门井中,进水管上的控制阀门应每个季度检查一次,核实其处于全开启状态。所以C正确。
9.0.3每年应对水源的供水能力进行一次测定,每日应对电源进行检查。所以D正确。
9.0.11消防水池、消防水箱及消防气压给水设备应每月检查一次,并应检查其消防储备水位及消防气压给水设备的气体压力。所以E错误。
89.【答案】ABD
【解析】《社会单位灭火和应急疏散预案编制及实施导则》
6.8.1响应措施
单位制定的各级预案应与辖区消防机构预案密切配合、无缝衔接,可根据现场火情变化及时变更火警等级,响应措施如下:
a)一级预案应明确由单位值班带班负责人到场指挥,拨打“119”报告一级火警,组织单位志愿消防队和微型消防站值班人员到场处置,采取有效措施控制火灾扩大;所以A正确。
b)二级预案应明确由消防安全管理人到场指挥,拨打“119”报告二级火警,调集单位志愿消防队、微型消防站和专业消防力量到场处置,组织疏散人员、扑救初起火灾、抢救伤员、保护财产,控制火势扩大蔓延;所以C错误。
c)三级以上预案应明确由消防安全责任人到场指挥,拨打“119”报告相应等级火警,同时调集单位所有消防力量到场处置,组织疏散人员、扑救初起火灾、抢救伤员、保护财产,有效控制火灾蔓延扩大,请求周边区域联防单位到场支援。所以E错误。
四级、五级按照三级的要求,所以B、D正确。
90.【答案】ADE
【解析】目前需要CCC强制性产品认证的消防产品包括三大类,有火灾报警产品、灭火器和避难逃生产品,这些品类目录下的消防产品是需要3C强制性认证的。每个大类下有包含子类。
火灾报警产品:
点型感烟火灾探测器、点型感温火灾探测器、独立式感烟火灾探测报警器、手动火灾报警按钮、点型紫外火焰探测器、特种火灾探测器、线型光束感烟火灾探测器、火灾显示盘、火灾声和/或光警报器、火灾报警控制器、家用火灾报警产品。
灭火器:
手提式灭火器、推车式灭火器、简易式灭火器。
避难逃生产品:
消防应急照明疏散指示产品、逃生产品、自救呼吸器、消防安全标志。
91.【答案】ABDE
【解析】根据《大型商业综合体消防安全管理规则(试行)》

92.【答案】ACE
【解析】根据《消防技术服务机构从业条件》(应急(2019)88号)
第三条从事消防设施维护保养检测服务的消防技术服务机构,应当具备下列条件:
(一)企业法人资格;所以D正确。
(二)工作场所建筑面积不少于200平方米;所以A错误。
(三)消防技术服务基础设备和消防设施维护保养检测设备配备符合附表1和附表2的要求;
(四)注册消防工程师不少于2人,且企业技术负责人由一级注册消防工程师担任;所以B正确,C错误。
(五)取得消防设施操作员国家职业资格证书的人员不少于6人,其中中级技能等级以上的不少于2人;所以E错误。
(六)健全的质量管理体系。
93.【答案】BCD
【解析】根据《消防给水及消火栓系统技术规范》(GB50974)
5.1.11一组消防水泵应在消防水泵房内设置流量和压力测试装置,并应符合下列规定:
4每台消防水泵出水管上应设置DN65的试水管,并应采取排水措施。所以A错误。
5.1.13离心式消防水泵吸水管、出水管和阀门等,应符合下列规定:
5消防水泵的吸水管上应设置明杆闸阀或带自锁装置的蝶阀,但当设置暗杆阀门时应设有开启刻度和标志;当管径超过DN300时,宜设置电动阀门;所以B正确。
6消防水泵的出水管上应设止回阀、明杆闸阀;当采用蝶阀时,应带有自锁装置;当管径大于DN300时,宜设置电动阀门;所以C正确。
13.1.4消防水泵调试应符合下列要求:
1以自动直接启动或手动直接启动消防水泵时,消防水泵应在55s内投入正常运行,且应无不良噪声和振动;所以D正确。
13.1.5稳压泵应按设计要求进行调试,并应符合下列规定:
1当达到设计启动压力时,稳压泵应立即启动;当达到系统停泵压力时,稳压泵应自动停止运行;稳压泵启停应达到设计压力要求;
2能满足系统自动启动要求,且当消防主泵启动时,稳压泵应停止运行;所以E错误。
水池 |
进水管、出水管 |
≥DN100 |
水箱 |
进水管 |
≥DN32 |
出水管 |
≥DN100 |
|
溢流管 |
直径 |
≥进水管直径的2倍,且≥DN100 |
喇叭口直径 |
≥溢流管直径的1.5倍~2.5倍 |
|
消防水泵出水管 |
试水管 |
DN65 |
水泵吸水管穿越消防水池 |
刚性防水套管 |
≤DN150 |
末端试水装置 |
排水立管 |
≥DN75 |
报警阀 |
排水立管 |
宜为DN100 |
减压阀 |
压力试验排水管道 |
≥DN100 |
94.【答案】ACE
【解析】根据《人员密集场所消防安全管理》
5.7消防设施操作员的职责
5.7.1熟悉和掌握消防设施的功能和操作规程。所以A正确。
5.7.2按照制度和规程对消防设施进行检查、维护和保养,保证消防设施和消防电源处于正常运行状态,确保有关阀门处于正确状态。所以C正确。
5.7.3发现故障,应及时排除;不能排除的,应及时向上级主管人员报告。
5.7.4做好消防设施运行、操作、故障和维护保养记录。所以E正确。
5.8保安人员的职责
5.8.1按照消防安全管理制度进行防火巡查,并做好记录;发现问题,应及时向主管人员报告。所以D错误。
95.【答案】ABC
【解析】该场所为中危Ⅱ级。
7.1.6除吊顶型洒水喷头及吊顶下设置的洒水喷头外,直立型、下垂型标准覆盖面积洒水喷头和扩大覆盖面积洒水喷头溅水盘与顶板的距离应为75mm~150mm。所以A正确。
所以B正确。
6.1.4干式系统、预作用系统应采用直立型洒水喷头或干式下垂型洒水喷头。E错误。
96.【答案】ABDE
【解析】根据《防火卷帘、防火门、防火窗施工及验收规范》(GB 50877)
6.4.4安装在活动式防火窗上的温控释放装置动作后,活动式防火窗应在60s内自动关闭。所以A正确。
6.3.2常开防火门,其任意一侧的火灾探测器报警后,应自动关闭,并应将关闭信号反馈至消防控制室。所以B正确。
6.2.3防火卷帘运行功能的调试应符合下列规定:
4安装在防火卷帘上的温控释放装置动作后,防火卷帘应自动下降至全闭。所以C错误。
根据《火灾自动报警系统设计规范》GB50116-2013
4.6.3疏散通道上设置的防火卷帘的联动控制设计,应符合下列规定:
1联动控制方式,防火分区内任两只独立的感烟火灾探测器或任一只专门用于联动防火卷帘的感烟火灾探测器的报警信号应联动控制防火卷帘下降至距楼板面1.8m处;任一只专门用于联动防火卷帘的感温火灾探测器的报警信号应联动控制防火卷帘下降到楼板面。
4.6.4非疏散通道上设置的防火卷帘的联动控制设计,应符合下列规定:
1联动控制方式,应由防火卷帘所在防火分区内任两只独立的火灾探测器的报警信号,作为防火卷帘下降的联动触发信号,并应联动控制防火卷帘直接下降到楼板面。
97.【答案】ACE
【解析】根据《建筑内部装修设计防火规范》(GB50222)
4.0.14展览性场所装修设计应符合下列规定:
1展台材料应采用不低于B1级的装修材料。防火塑料装饰板属于B1级,玻璃钢(纤维强化塑料)属于B2,所以A错误。
2在展厅设置电加热设备的餐饮操作区内,与电加热设备贴邻的墙面、操作台均应采用A级装修材料。所以C错误。
3展台与卤钨灯等高温照明灯具贴邻部位的材料应采用A级装修材料。胶合板为B2级材料,所以E错误。
4.0.16照明灯具及电气设备、线路的高温部位,当靠近非A级装修材料或构件时,应采取隔热、散热等防火保护措施,与窗帘、帷幕、幕布、软包等装修材料的距离不应小于500mm;灯饰应采用不低于B1级的材料。所以D正确。
4.0.17建筑内部的配电箱、控制面板、接线盒、开关、插座等不应直接安装在低于B1级的装修材料上;用于顶棚和墙面装修的木质类板材,当内部含有电器、电线等物体时,应采用不低于B1级的材料。所以B正确。
98.【答案】ACD
【解析】根据《气体灭火系统施工及验收规范》GB50263-2007
5.2.10集流管外表面宜涂红色油漆。所以A正确。
5.4.5气动驱动装置的管道安装应符合下列规定:
3水平管道应采用管卡固定。管卡的间距不宜大于0.6 m。转弯处应增设1个管卡。所以D正确。
5.3.1选择阀操作手柄应安装在操作面一侧,当安装高度超过1.7m时应采取便于操作的措施。所以E错误。
6.0.5储瓶间的门应向外开启,储瓶间内应设应急照明;储瓶间应有良好的通风条件,地下储瓶间应设机械排风装置,排风口应设在下部,可通过排风管排出室外。B错误。
99.【答案】CE
【解析】《大型商业综合体消防安全管理规则(试行》
第四十九条用电防火安全管理应当符合下列要求:
4.电源插座、照明开关不应直接安装在可燃材料上;所以A错误。
第三十七条大型商业综合体内部使用的宣传条幅、广告牌等临时性装饰材料应采用不燃或难燃材料制作。所以B错误。
第三十五条大型商业综合体内其他重点部位的管理应当符合下列要求:
3.客房内的窗帘和地毯应当采用阻燃制品;所以E正确。
5.展厅内布展时用于搭建和装修展台的材料均应采用不燃和难燃材料,确需使用的少量可燃材料,应当进行阻燃处理;所以C正确。
第三十四条大型商业综合体内餐饮场所的管理应当符合下列要求:
4.不得在餐饮场所的用餐区域使用明火加工食品,开放式食品加工区应当采用电加热设施;所以D错误。
100.【答案】CE
【解析】建筑设计防火规范
5.4.4B当老年人照料设施中的老年人公共活动用房、康复与医疗用房设置在地下、半地下时,应设置在地下一层,每间用房的建筑面积不应大于200m²且使用人数不应大于30人。
老年人照料设施中的老年人公共活动用房、康复与医疗用房设置在地上四层及以上时,每间用房的建筑面积不应大于200m²且使用人数不应大于30人。所以A、B错误。
5.4.4A老年人照料设施宜独立设置。当老年人照料设施与其他建筑上、下组合时,老年人照料设施宜设置在建筑的下部,并应符合下列规定:
1老年人照料设施部分的建筑层数、建筑高度或所在楼层位置的高度应符合本规范第5.3.1A条的规定;
5.3.1A独立建造的一、二级耐火等级老年人照料设施的建筑高度不宜大于32m,不应大于54m;独立建造的三级耐火等级老年人照料设施,不应超过2层。十一层高度为44m<54m,所以C正确。
6.2.2医疗建筑内的手术室或手术部、产房、重症监护室、贵重精密医疗装备用房、储藏间、实验室、胶片室等,附设在建筑内的托儿所、幼儿园的儿童用房和儿童游乐厅等儿童活动场所、老年人照料设施,应采用耐火极限不低于2.00h的防火隔墙和1.00h的楼板与其他场所或部位分隔,墙上必须设置的门、窗应采用乙级防火门、窗。该建筑为一级耐火等级,楼板耐火极限不应低于1.5h,所以D错误。
5.5.15公共建筑内房间的疏散门数量应经计算确定且不应少于2个。除托儿所、幼儿园、老年人照料设施、医疗建筑、教学建筑内位于走道尽端的房间外,符合下列条件之一的房间可设置1个疏散门:
1位于两个安全出口之间或袋形走道两侧的房间,对于托儿所、幼儿园、老年人照料设施,建筑面积不大于50m²;对于医疗建筑、教学建筑,建筑面积不大于75m²;对于其他建筑或场所,建筑面积不大于120m²。所以E正确。
2020年《消防安全技术综合能力》真题
一、单选题(共80题,每题1分。每题的备选项中,只有1个最符合题意)
1.【答案】C
【解析】消防给水及消火栓系统技术规范GB50974-2014
【12.4.1】消防给水及消火栓系统试压和冲洗应符合下列要求:
4管网冲洗应在试压合格后分段进行。冲洗顺序应先室外,后室内;先地下,后地上;室内部分的冲洗应按供水干管、水平管和立管的顺序进行;D正确。
7管网冲冼宜用水进行。A正确。
【12.4.3】水压强度试验的测试点应设在系统管网的最低点。对管网注水时,应将管网内的空气排净,并应缓慢升压,达到试验压力后,稳压30min后,管网应无泄漏、无变形,且压力降不应大于0.05MPa。B正确。
【12.4.4】水压严密性试验应在水压强度试验和管网冲洗合格后进行。C错误。
系型 |
试验名称 |
试验压力(MPa) |
时间 |
判定标准 |
消防给水和消火栓 |
水压强度 |
钢管:设计工作压力P≤1,取1.5P且≥1.4; P>1,取P+0.4 球墨铸铁管:P≤0.5取2P; P>0.5,取P+0.5 钢丝网骨架塑料管:1.5P,且≥0.8 |
30min |
无泄漏、无变形、压力△P≤0.05 |
水压严密性 |
为系统设计工作压力P |
24h |
无泄漏 |
|
气压严密性 |
0.28(空气或氮气) |
24h |
△P≤0.01 |
2.【答案】B
【解析】12.2.3消火栓的现场检验应符合下列要求:
14消火栓固定接口应进行密封性能试验,应以无渗漏、无损伤为合格。
3.【答案】C
【解析】大型商业综合体消防安全管理规则(试行)应急消〔2019〕314号
第十三条大型商业综合体内的经营、服务人员应当履行下列消防安全职责:
1.确保自身的经营活动不更改或占用经营场所的平面布置、疏散通道和疏散路线,不妨碍疏散设施及其他消防设施的使用;
2.主动接受消防安全宣传教育培训,遵守消防安全管理制度和操作规程;熟悉本工作场所消防设施、器材及安全出口的位置,参加单位灭火和应急疏散预案演练;
3.清楚了解本单位火灾危险性,会报火警、会扑救初起火灾、会组织疏散逃生和自救;
4.每日到岗后及下班前应当检查本岗位工作设施、设备、场地、电源插座、电气设备的使用状态等,发现隐患及时排除并向消防安全工作归口管理部门报告;
5.监督顾客遵守消防安全管理制度,制止吸烟、使用大功率电器等不利于消防安全的行为。
ABD均属于餐厅王某应履行的消防安全职责。
4.【答案】D
【解析】建筑设计防火规范GB50016-2014(2018年版)
选项:A.0.1建筑高度的计算应符合下列规定:
2建筑屋面为平屋面(包括有女儿墙的平屋面)时,建筑高度应为建筑室外设计地面至其屋面面层的高度;
5局部突出屋顶的瞭望塔、冷却塔、水箱间、微波天线间或设施、电梯机房、排风和排烟机房以及楼梯出口小间等辅助用房占屋面面积不大于1/4者,可不计入建筑高度;
6对于住宅建筑,设置在底部且室内高度不大于2.2m的自行车库、储藏室、敞开空间,室内外高差或建筑的地下或半地下室的顶板面高出室外设计地面的高度不大于1.5m的部分,可不计入建筑高度。
所以,该住宅建筑高度为:26.650-2=24.650m,属于多层住宅。
5.【答案】B
【解析】火灾自动报警系统施工及验收标准GB50166-2019
4.18.8应根据系统联动控制逻辑设计文件的规定,对电动挡烟垂壁、排烟系统的联动控制功能进行检查并记录,电动挡烟垂壁、排烟系统的联动控制功能应符合下列规定:
1应使防烟分区内符合联动控制触发条件的两只感烟火灾探测器发出火灾报警信号;
3电动挡烟垂壁、排烟口、排烟阀、排烟窗、空气调节系统的电动防火阀应动作;A正确。
4.17.6应根据系统联动控制逻辑设计文件的规定,对消火栓系统的联动控制功能进行检查并记录,消火栓系统的联动控制功能应符合下列规定:
1应使任一报警区域的两只火灾探测器,或一只火灾探测器和一只手动火灾报警按钮发出火灾报警信号,同时使消火栓按钮动作;
2消防联动控制器应发出控制消防泵启动的启动信号,点亮启动指示灯;
3消防泵控制箱、柜应控制消防泵启动;B错误
4.14.9应根据系统联动控制逻辑设计文件的规定,对防火门监控系统的联动控制功能进行检查并记录,防火门监控系统的联动控制功能应符合下列规定:
1应使报警区域内符合联动控制触发条件的两只火灾探测器,或一只火灾探测器和一只手动火灾报警按钮发出火灾报警信号;
2消防联动控制器应发出控制防火门闭合的启动信号,点亮启动指示灯;
3防火门监控器应控制报警区域内所有常开防火门关闭;C正确。
4.16.5应根据系统联动控制逻辑设计文件的规定,对湿式干式喷水灭火系统的联动控制功能进行检查并记录,湿式、干式喷水灭火系统的联动控制功能应符合下列规定:
1应使报警阀防护区域内符合联动控制触发条件的一只火灾探测器或一只手动火灾报警按钮发出火报警信号、使报警阀的压力开关动作;
2消防联动控制器应发出控制消防水泵启动的启动信号,点亮启动指示灯;
3消防泵控制箱、柜应控制启动消防泵;D正确。
系统名称 |
联动触发信号 |
联动控制 |
|
自动喷水灭火系统 |
湿式/干式 |
报警阀压力开关 |
启动喷淋泵 |
预作用 |
同一报警区域两个独立感烟探测器、一个感烟探测器+手报(+充气管路上的压力开关) |
开启预作用阀组、 开启快速排气阀前电动阀 |
|
雨淋 |
同一报警区域两个独立感温探测器、一个感温探测器+手报 |
开启雨淋阀组 |
|
用于防火卷帘的保护的水幕 |
防火卷帘下落到楼板面+本报警区域探测器/手报 |
开启水幕系统 控制阀组 |
|
用于防火分隔的水幕 |
同一报警区域两个 独立感温探测器 |
||
气体灭火系统 |
有人值守 |
一个感烟探测器 |
启动该防护区内火灾声光报警器 |
与上一信号相邻的感温探测器 |
①关闭送(排)风机及送(排)风阀门 ②停止通风和空气调节系统及关闭电动防火阀; ③关闭防护区域的门、窗; ④启动气体灭火装置 ⑤启动入口处气体喷洒的火灾声光报警器 |
||
无人值守(无延时) |
首个信号 |
①关闭送(排)风机及送(排)风阀门 ②停止通风和空气调节系统及关闭电动防火阀; ③关闭防护区域的门、窗; |
|
第二个联动触发信号 |
启动气体灭火装置 |
||
防烟系统 |
加压送风口所在防火分区的两个独立探测器、探测器+手报 |
开启送风口、启动加压送风机 |
|
排烟系统 |
同一防烟分区两只独立的探测器、探测器+手报 |
开启排烟口、排烟窗或排烟阀,停止该防烟分区空气调节系统 |
|
排烟口、排烟窗或排烟阀开启的动作信号 |
启动排烟风机 |
||
位于电动挡烟垂壁附近的2路感烟探测器 |
降落电动挡烟垂壁 |
||
防火卷帘系统 |
疏散通道上(两步降) |
第一步:两只独立的感烟探测器或任一只专用感烟探测器,下降到距楼板面1.8m 第二步:任一只专用感温探测器,降到底 |
手动:由防火卷帘两侧设置的手动控制按钮控制防火卷帘的升降 |
非疏散通道上(一步降到底) |
两只独立的探测器联动控制降到底 |
手动:手动控制按钮控制防火卷帘的升降,并应能在消防控制室内的消防联动控制器上手动控制防火卷帘的降落 |
6.【答案】A
【解析】建筑防烟排烟系统技术标准GB51251-2017
6.2进场检验
6.2.1风管应符合下列规定:
1风管的材料品种、规格、厚度等应符合设计要求和现行国家标准的规定。
查表可知,A不符合要求。
7.【答案】A
【解析】消防给水及消火栓系统技术规范GB50974-2014
每周应模拟消防水泵自动控制的条件自动启动消防水泵运转一次,且应自动记录自动巡检情况,每月应检测记录;A错误。
每月应对消防水池、高位消防水池、高位消防水箱等消防水源设施的水位等进行一次检测,B正确。
每月应手动启动消防水泵运转一次,并应检查供电电源的情况;C正确。
每月应对气压水罐的压力和有效容积等进行一次检测。D正确。
8.【答案】B
【解析】自动喷水灭火系统施工及验收规范GB50261-2017
3.2.8阀门及其附件的现场检验应符合下列要求:
6报警阀应进行渗漏试验。试验压力应为额定工作压力的2倍,保压时间不应小于5min,阀瓣处应无渗漏。B正确。
9.【答案】A
【解析】综合能力教材
注册消防工程师职业道德的原则是调整注册消防工程师行业内部和外部各种职业关系所应当遵循的根本的指导原则,是注册消防工程师在执业中处理各种利益关系、调整和评价一切职业活动的根本准则,是注册消防工程师职业道德体系的核心。C正确。
注册消防工程师职业道德原则不仅决定着职业道德规范的性质和具体内容,使其具体内容符合社会主义道德和注册消防工程师职业的本质要求,而且表现在注册消防工程帅职业道德原则能够随着社会的进步,推进职业道德体系的发展,指明注册消防工程师职业道德行为的发展方向。B正确。
注册消防工程师作为直接参与消防工作社会化管理的人员,不仅要将维护公共安全原则作为职业的宗旨,而且要将其作为职业道德的根本原则。它是指导注册消防工程师在职业活动中处理个人利益与集体利益及国家利益的根本准则,也是衡量注册消防工程师个人职业行为和职业品质最主要的道德标准。D正确
10.【答案】C
【解析】中华人民共和国消防法
第二十条举办大型群众性活动,承办人应当依法向公安机关申请安全许可,制定灭火和应急疏散预案并组织演练,明确消防安全责任分工,确定消防安全管理人员,保持消防设施和消防器材配置齐全、完好有效,保证疏散通道、安全出口、疏散指示标志、应急照明和消防车通道符合消防技术标准和管理规定。
11.【答案】B
【解析】建筑设计防火规范GB50016-2014(2018年版)
3.1.4同一座仓库或仓库的任一防火分区内储存不同火灾危险性物品时,仓库或防火分区的火灾危险性应按火灾危险性最大的物品确定。煤油的储存火灾危险性为乙类,柴油为丙类,所以仓库整体应按照乙类考虑。
12.【答案】C
【解析】建筑设计防火规范GB50016-2014(2018年版)
10.2.4开关、插座和照明灯具靠近可燃物时,应采取隔热、散热等防火措施。
额定功率不小于60W的白炽灯、卤钨灯、高压钠灯、金属卤化物灯、荧光高压汞灯(包括电感镇流器)等,不应直接安装在可燃物体上或采取其他防火措施。A错误
10.2.3配电线路不得穿越通风管道内腔或直接敷设在通风管道外壁上,穿金属导管保护的配电线路可紧贴通风管道外壁敷设。C正确。
10.2.5可燃材料仓库内宜使用低温照明灯具,并应对灯具的发热部件采取隔热等防火措施,不应使用卤钨灯等高温照明灯具。B错误。配电箱及开关应设置在仓库外。D错误
13.【答案】D
【解析】消防应急照明和疏散指示系统技术标准GB51309-2018
5.3.4应对集中电源下列主要功能进行检查并记录,集中电源的功能应符合现行国家标准《消防应急照明和疏散指示系统》GB17945的规定:
1操作级别;
2故障报警功能:
3消音功能;
4电源分配输出功能;
5集中控制型集中电源装转换手动测试功能;
6集中控制型集中电源通信故障连锁控制功能;
7集中控制型集中电源灯具应急状态保持功能。
14.【答案】C
【解析】水喷雾灭火系统技术规范GB50219-2014
8.3.14管道的安装应符合下列规定5管道支、吊架与水雾喷头之间的距离不应小于0.3m,与末端水雾喷头之间的距离不宜大于0.5m。A正确。
8.3.10压力开关应坚直安装在通往水力警铃的管道上,且不应在安装中拆装改动。压力开关的引出线应用防水套管锁定。B正确。
撞击型水雾喷头是利用撞击原理分解水流的,水的雾化程度较差,不能保证雾状水的电绝缘性能,因此不适用于扑救电气火灾。C错误。
8.4.8雨淋报警阀调试宜利用检测、试验管道进行。自动和手动方式启动的雨淋报警阀应在15s之内启动;公称直径大于200mm的雨淋报警阀调试时,应在60s之内启动,雨淋报警阀调试时,当报警水压为0.05MPa时,水力警铃应发出报警铃声。D正确。
15.【答案】D
【解析】火灾自动报警系统施工及验收标准GB50166-2019
应保证每年对每一只火灾探测器及手动火灾报警按钮至少进行一次火灾报警功能检查,A做法正确。
应保证每年对每一个电动防火门及防火卷帘进行一次联动控制功能检查,B做法正确。
应保证每年对每一个消火栓按钮至少进行一次报警功能检查,C做法正确。
应保证每月、季对消防水泵进行一次直接手动控制功能检查,D错误。
16.【答案】D
【解析】综合能力教材,
总结报告应包括:①通过演练发现的主要问题;②对演练准备情况的评价;③对预案有关程序、内容的建议和改进意见;④对训练、器材设备方面的改进意见:⑤演练的最佳顺序和时间建议;⑥对演练情况设置的意见:⑦对演练指挥机构的意见等。
17.【答案】A
【解析】疏散通道、安全出口数量不足或者严重堵塞,已不具备安全疏散条件的,属于直接判定项。
18.【答案】B
【解析】自动喷水灭火系统施工及验收规范GB50261-2017
7.2.1系统调试应包括下列内容:
1水源测试。
2消防水泵调试。
3稳压泵调试。
4报警阀调试。
5排水设施调试。
6联动试验。
B属于管道试压和冲洗阶段的工作。
19.【答案】D
【解析】建筑设计防火规范 GB50016-2014(2018年版)
建筑防火通用规范 GB55037-2022
7.4.2 公共建筑内每个房间的疏散门不应少于2个;儿童活动场所、老年人照料设施中的老年人活动场所、医疗建筑中的治疗室和病房、教学建筑中的教学用房,当位于走道尽端时,疏散门不应少于2个;公共建筑内仅设置1个疏散门的房间应符合下列条件之一:
1 对于儿童活动场所、老年人照料设施中的老年人活动场所,房间位于两个安全出口之间或袋形走道两侧且建筑面积不大于50㎡;
2 对于医疗建筑中的治疗室和病房、教学建筑中的教学用房,房间位于两个安全出口之间或袋形走道两侧且建筑面积不大于75㎡;
3 对于歌舞娱乐放映游艺场所,房间的建筑面积不大于50㎡且经常停留人数不大于15人;
4 对于其他用途的场所,房间位于两个安全出口之间或袋形走道两侧且建筑面积不大于120㎡;
5 对于其他用途的场所,房间位于走道尽端且建筑面积不大于50㎡;
6 对于其他用途的场所,房间位于走道尽端且建筑面积不大于200㎡、房间内任一点至疏散门的直线距离不大于15m、疏散门的净宽度不小于1.40m。
20.【答案】B
【解析】注册消防工程师管理规定(中华人民共和国公安部令第143号)
第五十五条注册消防工程师有下列行为之一的,责令改正,处一万元以上二万元以下罚款:
(一)以个人名义承接执业业务、开展执业活动的;
(二)变造、倒卖、出租、出借或者以其他形式转让资格证书、注册证、执业印章的;
(三)超出本人执业范围或者聘用单位业务范围开展执业活动的。
注册消防工程师管理规定 |
|
1万以下 |
以欺骗、贿赂获得资格 |
1千~1万 |
未变更注册,未签名或盖章,未按要求执业 |
1~2万 |
个人名义,转让资格证书,超出范围 |
1~3万 |
聘用单位提供虚假材料 |
21.【答案】C
【解析】厨房不适合装感烟探测器,选型不当可能会导致误报。
22.【答案】A
【解析】3.4.1预制灭火装置应符合下列规定:
1.灭火剂储存量不得大于150kg。B正确。
2.管道长度不得大于20m。A错误。
3.工作压力不得大于2.5MPa。C正确。
3.4.3一个防护区或保护对象所用预制灭火装置最多不得超过4套,并应同时启动,其动作响应时间差不得大于2s。D正确。
23.【答案】C
【解析】《消防安全责任制实施办法》
第十六条消防安全重点单位除履行第十五条规定的职责外,还应当履行下列职责:(一)明确承担消防安全管理工作的机构和消防安全管理人并报知当地公安消防部门,组织实施本单位消防安全管理。消防安全管理人应当经过消防培训。(二)建立消防档案,确定消防安全重点部位,设置防火标志,实行严格管理。(三)安装、使用电器产品、燃气用具和敷设电气线路、管线必须符合相关标准和用电、用气安全管理规定,并定期维护保养、检测。(四)组织员工进行岗前消防安全培训,定期组织消防安全培训和疏散演练。(五)根据需要建立微型消防站,积极参与消防安全区域联防联控,提高自防自救能力。(六)积极应用消防远程监控、电气火灾监测、物联网技术等技防物防措施。ABD可以排除。
第十七条对容易造成群死群伤火灾的人员密集场所、易燃易爆单位和高层、地下公共建筑等火灾高危单位,除履行第十五条、第十六条规定的职责外,还应当履行下列职责:(一)定期召开消防安全工作例会,研究本单位消防工作,处理涉及消防经费投入、消防设施设备购置、火灾隐患整改等重大问题。(二)鼓励消防安全管理人取得注册消防工程师执业资格,消防安全责任人和特有工种人员须经消防安全培训:自动消防设施操作人员应取得建(构)筑物消防员资格证书。(三)专职消防队或微型消防站应当根据本单位火灾危险特性配备相应的消防装备器材,储备足够的灭火救援药剂和物资,定期组织消防业务学习和灭火技能训练。(四)按照国家标准配备应急逃生设施设备和疏散引导器材。(五)建立消防安全评估制度,由具有资质的机构定期开展评估,
评估结果向社会公开。(六)参加火灾公众责任保险。C正确。
24.【答案】B
【解析】《注册消防工程师管理规定》(中华人民共和国公安部令第143号)第五十三条注册消防工程师聘用单位出具的消防安全技术文件,未经注册消防工程师签名或者加盖执业印章的,责令改正,处一千元以上一万元以下罚款。
25.【答案】D
【解析】消防安全重点单位的界定标准:建筑面积为200㎡以上的公共娱乐场所。客房数在50间以上的宾馆(旅馆、饭店)。KTV、游艺场、宾馆属于消防安全重点单位。符合消防重点单位界定标准的单位,向所在地消防救援机构申报备案。
26.【答案】D
【解析】《自动喷水灭火系统设计规范》(GB50084-2017)6.4.1雨淋系统和防火分隔水幕,其水流报警装置应采用压力开关。
27.【答案】A
【解析】参《中华人民共和国刑法》,2.刑罚)第一百一十五条第二款规定,犯失火罪的,处3年以上7年以下有期徒刑;情节较轻的,处3年以下有期徒刑或者拘役。选项A正确。
罪名 |
行为特征 |
立案标准(其一) |
刑罚 |
危险作业罪 |
在生产、作业中违反有关安全管理的规定,冒险作业 |
3种情况 |
处一年以下有期徒刑、拘役或者管制 |
失火罪 |
行为人过失引起火灾 |
1死、3伤、50万 造成10户以上房屋烧毁; 森林火灾,过火有林地2公顷以上,或者过火疏林地、灌木林地、未成林地、苗圃地4公顷以上; |
3~7年有期徒刑; 情节较轻,3年以下有期徒刑或拘役 |
危险作业罪
1.客观要件
(1)关闭、破坏直接关系生产安全的监控、报警、防护、救生设备、设施,或者篡改、隐瞒、销毁其相关数据、信息的;
(2)因存在重大事故隐患被依法责令停产停业、停止施工、停止使用有关设备、设施,场所或者立即采取排除危险的整改措施,而拒不执行的;
(3)涉及安全生产的事项未经依法批准或者许可,擅自从事矿山开采、金属冶炼、建筑施工,以及危险物品生产、经营、储存等高度危险的生产作业活动的。
罪名 |
行为特征 |
立案标准 |
刑罚 |
工程重大安全事故罪 |
降低工程质量标准 |
1死 3伤 100万 |
5年以下有期徒刑或拘役,并处罚金; 特别严重,5年以上10年以下有期徒刑,并处罚金 |
强令违章冒险作业罪 |
强令他人违章 冒险作业 |
5年以下有期徒刑或拘役; 情节特别恶劣,5年以上有期徒刑 |
|
消防责任 事故罪 |
违反消防管理法规,拒绝改正 |
3年以下有期徒刑或拘役; 情节特别恶劣(后果特别严重),3年以上7年以下有期徒刑 |
|
重大责任 事故罪 |
违反安全管理规定 |
||
重大劳动 安全事故罪 |
安全生产设施或条件不符合国家规定 |
||
大型群众性活动重大安全事故罪 |
举办大型群众性活动违反安全管理规定 |
28.【答案】C
【解析】参《建筑设计防火规范》10.1.10消防配电线路应满足火灾时连续供电的需要,其敷设应符合下列规定:
3消防配电线路宜与其他配电线路分开敷设在不同的电缆井、沟内;确有困难需敷设在同一电缆井、沟内时,应分别布置在电缆井、沟的两侧,且消防配电线路应采用矿物绝缘类不燃性电缆。选项C错误。
29.【答案】B
【解析】参《建筑设计防火规范》
(1)3层及3层以上总建筑面积大于3000㎡(包括设置在其他建筑内三层及以上楼层)的老年人照料设施,应在二层及以上各层老年人照料设施部分的每座疏散楼梯间的相部位设置1间避难间。
(2)老年人照料设施设置与疏散楼梯或安全出口直接连通的开敞式外廊、与疏散走道直接连通且符合人员避难要求的室外平台等时,可不设置避难间。
(3)避难间内可供避难的净面积不应小于12㎡,避难间可利用疏散楼梯间的前室或消防电梯的前室(疏散楼梯间与消防电梯的合用前室不适合兼作避难间)。
(4)供失能老年人使用且层数大于2层的老年人照料设施,应按核定使用人数配备简易防毒面具。
(5)应靠近楼梯间,并应采用耐火极限不低于2.00h的防火隔墙和甲级防火门与其他部位分隔(但其直接开向封闭楼梯间或防烟楼梯间的前室、合用前室的门可为乙级防火门)。
(6)避难层(间)的防烟系统可根据建筑构造、设备布置等因素选择自然通风系统或机械加压送风系统(机械防烟)外窗应采用乙级防火窗(窗户必备)。
避难层(间) |
大于100m |
老年人照料设施 |
病房楼 |
|
设置条件 |
>100m |
≥3层,3000㎡ |
高层 |
|
位置 |
距离登高操作场地≤50m |
2层及以上 |
||
数量 |
2个避难层高差≤50m |
1个安全出口设1个 |
1个避难间保护2个护理单元 |
|
净面积 |
5人/㎡ |
12㎡ |
25㎡ |
|
分隔 |
区3h,井间2h |
2.0+甲 |
||
应急照明 |
1.5h,3.0lx |
1.0h,10lx |
||
30.【答案】D
【解析】参《消防应急照明和疏散指示系统技术标准》(GB51309-2018):
2.0.11按照灯具蓄电池电源供电方式的不同,集中控制型消防应急照明及疏散指示系统(以下简称“集中控制型系统”)的组成分为两种不同的方式:灯具的蓄电池电源采用集中电源供电方式时,系统由应急照明控制器、集中电源集中控制型消防应急灯具、应急照明集中电源等系统部件组成;灯具的蓄电池电源采用自带蓄电池供电方式时,系统由应急照明控制器、自带电源集中控制型消防应急灯具、应急照明配电箱等系统部件组成集中电源集中控制型消防应急照明和疏散指示系统无应急照明配电箱
31.【答案】A
【解析】参《建筑设计防火规范》,5.1.1民用建筑的分类应符合表5.1.1的规定。查表5.1.1可知,电信楼主楼属于一类高层公共建筑。一类高层公共建筑室内应设自动灭火系统。5.5.12一类高层公共建筑和建筑高度大于32m的二类高层公共建筑,其疏散楼梯应采用防烟楼梯间。
裙房和建筑高度不大于32m的二类高层公共建筑,其疏散楼梯应采用封闭楼梯间。注:当裙房与高层建筑主体之间设置防火墙时,裙房的疏散楼梯可按本规范有关单、多层建筑的要求确定。故选项A正确、B错误。
5.5.17公共建筑的安全疏散距离应符合下列规定:
1.直通疏散走道的房间疏散门至最近安全出口的直线距离不应大于表5.5.17的规定。查表5.5.17可知,裙房内位于袋形走道尽端的房间门至最近安全出口的直线距离不应大于20m,计算:20×1.25=25m,故选项C错误。主楼内位于袋形走道尽端的房间门至最近安全出口的直线距离不应大于20×1.25=25m,选项D错误。

记忆口诀:
两个安全出口之间:
一二级:24岁小高病了,25岁给老幼唱歌,30岁搞(高)医学住旅馆看展览,35岁单学医,40岁其他不干了
三级:在一二级的基础上减去5
袋形走道两侧或尽端:
三级:15和20,老幼多病多教它
32.【答案】D
【解析】参《防火卷帘》(GB14102-2005):
6.4.7温控释放性能防火卷帘应装配温控释放装置,当释放装置的感温元件周围温度达到73℃±0.5C时,释放装置动作,卷帘应依自重下降关闭。
中庭周围的防火卷帘温控释放装置动作后,应直接降落到地板面。D选项错误。
33.【答案】A
【解析】参《水喷雾灭火系统技术规范》8.4.8雨淋报警阀调试宜利用检测、试验管道进行。自动和手动方式启动的雨淋报警阀应在15s之内启动;公称直径大于200mm的雨淋报警阀调试时,应在60s之内启动,雨淋报警阀调试时,当报警水压为0.05MPa时,水力警铃应发出报警铃声。检查数量:全数检查。
检查方法:使用压力表、流量计、秒表、声强计测量检查,直观检查
34.【答案】C
【解析】试验消火栓出水压力低于设计值说明水泵运转不正常、系统漏水或管道不畅通,故A、B、均有可能。如果水泵吸水管出现气囊,那么水泵启动后,会因管内有空气而产生断流或供水不完整,从而不能正常供水。而如果管网中存在残余气体,那么可能造成的现象是出水断断续续,压力值高于设计值。故答案选C。
35.【答案】C
【解析】参《建筑设计防火规范》
7.2.4厂房、仓库、公共建筑的外墙应在每层的适当位置设置可供消防救援人员进入的窗口.
7.2.5供消防救援人员进入的窗口的净高度和净宽度均不应小于1.0m,下沿距室内地面不宜大于1.2m,间距不宜大于20m且每个防火分区不应少于2个,设置位置应与消防车登高操作场地相对应。选项C错误。
建筑防火通用规范 GB55037-2022
2.2.3 除有特殊要求的建筑和甲类厂房可不设置消防救援口外,在建筑的外墙上应设置便于消防救援人员出入的消防救援口,并应符合下列规定:
1 沿外墙的每个防火分区在对应消防救援操作面范围内设置的消防救援口不应少于2个;
2 无外窗的建筑应每层设置消防救援口,有外窗的建筑应自第三层起每层设置消防救援口;
3 消防救援口的净高度和净宽度均不应小于1.0m,当利用门时,净宽度不应小于0.8m;
4 消防救援口应易于从室内和室外打开或破拆,采用玻璃窗时,应选用安全玻璃;
5 消防救援口应设置可在室内和室外识别的永久性明显标志。
36.【答案】B
【解析】参《机关、团体、企业、事业单位消防安全管理规定)
第十四条:消防安全重点单位及其消防安全责任人、消防安全管理人应当报当地公安消防机构备案。
第四十二条:消防安全基本情况应当包括以下内容:
(一)单位基本概况和消防安全重点部位情况。
(二)建筑物或者场所施工、使用或者开业前的消防设计审核、消防验收以及消防安全检查的文件、资料。
(三)消防管理组织机构和各级消防安全责任人。
(四消防安全制度。
(五)消防设施、灭火器材情况。
(六)专职消防队、义务消防队人员及其消防装备配备情况。故选项D正确。
(七)与消防安全有关的重点工种人员情况。
(八)新增消防产品、防火材料的合格证明材料。故选项A正确。
(九)灭火和应急疏散预案。
第四十三条:消防安全管理情况应当包括以下内容:
(七)灭火和应急疏散预案的演练记录。故选项B错误。
37.【答案】A
【解析】参《社会消防安全教育培训规定》第十五条:各级各类学校应当开展下列消防安全教育工作:
(一)将消防安全知识纳入教学内容。
(二)在开学初、放寒(暑)假前、学生军训期间,对学生普遍开展专题消防安全教育。
(三)结合不同课程实验课的特点和要求,对学生进行有针对性的消防安全教育。
(四)组织学生到当地消防站参观体验。
(五)每学年至少组织学生开展一次应急疏散演练。故选项D正确。
(六)对寄宿学生开展经常性的安全用火用电教育和应急疏散演练。
第十七条:高等学校应当每学年至少举办一次消防安全专题讲座,在校园网络、广播、校内报刊等开设消防安全教育栏目,对学生进行消防法律法规、防火灭火知识、火灾自救他救知识和火灾案例教育。故选项B正确。
第十八条:国家支持和鼓励有条件的普通高等学校和中等职业学校根据经济社会发展需要,设置消防类专业或者开设消防类课程,培养消防专业人才,并依法面向社会开展消防安全培训。
人民警察训练学校应当根据教育培训对象的特点,科学安排培训内容,开设消防基础理论和消防管理课程,并列入学生必修课程。
师范院校应当将消防安全知识列入学生必修内容。故选项C正确。
38.【答案】B
【解析】参《火灾自动报警系统施工及验收标准》(GB50166-2019):
4.3.8应对线型感温火文探测器的火灾报警功能、复位功能进行检查并记录,探测器的火灾报警功能、复位功能应符合下列规定:
1对可恢复探测器,应采用专用的检测仪器或模拟火灾的方法,使任一段长度为标准报警长度的敏感部件周围温度达到探测器报警设定闽值;题目中说是对一个点加热,所以错误。
总结:
3S:联动控制器发出启动、输入、输出模块动作信号、分机呼叫总机;
5S:应急电源主电源断电后,自动切换到电池组供电;
10S:探测器手报报警后,控制器发出火警、图形显示器显示报警和信息;
30S:点型火焰探测器和图像型火灾探测器的火警确认灯、可燃气体探测器、剩余电流式电气火灾监控探测器报警确认灯
40S:测温式电气火灾监控探测器的报警确认灯
100S:故障指示灯、(监管、屏蔽、故障)图形显示器显示信息
120S:管路采样式吸气感烟火灾探测器的火警确认灯
线型光束感烟火灾探测器:0.9dB不报警;1.0dB~10.0dB报警;11.5dB报警或报故障。
故障电弧探测器:1s内产生9个及以下半周期故障电弧,不报警;1s内产生14个及以上半周期故障电弧,30s内报警
39.【答案】C
【解析】参《注册消防工程师管理规定》第三十三条注册消防工程师不得有下列行为:
(六)不按照国家标准、行业标准开展执业活动,减少执业活动项目内容、数量,或者降低执业活动质量。故选项C错误。
40.【答案】A
【解析】参《火灾自动报答系统施工及验收标准》(GB50166-2019),3.3.6点型感烟火灾探测器、点型感温火灾探测器、一氧化碳火灾探测器、点型家用火灾探测器、独立式火灾探测报警器的安装,应符合下列规定:
1探测器至墙壁、梁边的水平距离不应小于0.5m;
2探测器周围水平距离0.5m内不应有遮挡物;
3探测器至空调送风口最近边的水平距离不应小于1.5m,至多孔送风顶棚孔口的水平距离不应小于0.5m;
4在宽度小于3m的内走道顶棚上安装探测器时、宜居中安装,点型感温火灾探测器的安装间距不应超过10m,点型感烟火灾探测器的安装间距不应超过15m,探测器至端墙的距离不应大于安装间距的一半。
41.【答案】C
【解析】参《消防给水及消火栓系统技术规范》
【12.3.9-6】消火栓栓口出水方向宜向下或与设置消火栓的墙面成90角,栓口不应安装在门轴侧;故选项C不符合。
42.【答案】B
【解析】粉尘环境中,为防止粉尘掉落到插座插孔中引起接触不良等问题,所以开口要朝下。
43.【答案】D
【解析】参《自动喷水灭火系统施工及验收规范》5.2.2喷头安装时,不应对喷头进行拆装、改动,并严禁给喷头、隐蔽式喷头的装饰盖板附加任何装饰性涂层。故选项A不符合。
5.2.3条文【解析】水源控制阀应处于全开的常开状态。故选项B不符合。
4.3.1消防水池、高位消防水箱的水位显示装置设置方式及设置位置应符合设计文件要求。故选项C不符合。
故答案选D
44.【答案】A
【解析】应先成立预案编制组,选项A错误。
45.【答案】A
【解析】参《建筑设计防火规范》
3.2.2高层厂房,甲、乙类厂房的耐火等级不应低于二级,建筑面积不大于300㎡的独立甲、乙类单层厂房可采用三级耐火等级的建筑。
樟脑提炼厂房的火灾危险性为乙类,故选项D正确。
3.2.3使用或产生丙类液体的厂房和有火花、赤热表面、明火的丁类厂房,其耐火等级均不应低于二级;当为建筑面积不大于500㎡的单层丙类厂房或建筑面积不大于1000㎡的单层丁类厂房时,可采用三级耐火等级的建筑。沥青加工厂房的火灾危险性为丙类,故选项A错误。
3.2.5锅炉房的耐火等级不应低于二级,当为燃煤锅炉房且锅炉的总蒸发量不大于4t/h时,可采用三级耐火等级的建筑。故选项B正确。
3.2.7单层乙类仓库,单层丙类仓库,储存可燃回体的多层丙类仓库和多层丁、戊类仓库,其耐火等级不应低于三级。漂白粉仓库的火灾危险性为乙类,故选项C正确。
46.【答案】B
【解析】重点部位应编写专项预案,选项B错误。
47.因规范变更,本题不再适合学员做了。
48.【答案】B
【解析】参《自动喷水灭火系统设计规范》
8.0.8配水管两侧每根配水支管控制的标准流量洒水喷头数量,轻危险级、中危险级场所不应超过8只。(地下汽车库为中危险级)故选项B不符合。
49.【答案】D
【解析】参《消防给水及消火栓系统技术规范》
管材进场检验项目不包括对管材进行水压强度试压。
12.4.1-1管网安装完毕后,应对其进行强度试验、冲洗和严密性试验;故选项D不属于。
50.【答案】C
【解析】第四十条消防安全重点单位应当按照灭火和应急疏散预案,至少每半年进行一次演练,并结合实际,不断完善预案。其他单位应当结合本单位实际,参照制定相应的应急方案,至少每年组织一次演练。
消防安全重点单位:日巡年培半演;
公众聚集场所:2巡半培
机关团体事业单位:季检
其他单位:月检年演
内容 |
消防安全重点单位 |
公众聚集场所 |
机关团体事业单位 |
其他单位 |
防火巡查 |
日 |
2h |
/ |
/ |
防火检查 |
/ |
/ |
季度 |
月 |
消防安全培训 |
年 |
半年 |
/ |
/ |
演练 |
半年 |
/ |
/ |
年 |
51.【答案】A
【解析】环氧丙烷火灾危险性为甲类,参《建筑设计防火规范》
3.6.8有爆炸危险的甲、乙类厂房的总控制室应独立设置。选项A错误。
3.6.10有爆炸危险区域内的楼梯间、室外楼梯或有爆炸危险的区域与相邻区域连通处,应设置门斗等防护措施。门斗的隔墙应为耐火极限不应低于2.00h的防火隔墙,门应采用甲级防火门并应与楼梯间的门错位设置。选项B正确。
办公室、休息室等不应设置在甲、乙类厂房内,确需贴邻本厂房时,其耐火等级不应低于二级,并应采用耐火极限不低于3.00h的防爆墙与厂房分隔,且应设置独立的安全出口。选项C正确。
52.【答案】B
【解析】参《建筑设计防火规范》
9.2.1在散发可燃粉尘、纤维的厂房内,散热器表面平均温度不应超过82.5℃。输煤廊的散热器表面平均温度不应超过130℃。故选项B错误。
9.2.5供暖管道与可燃物之间应保持一定距离,并应符合下列规定:
2.当供暖管道的表面温度不大于100℃时,不应小于50mm或采用不燃材料隔热。故选项C正确。
9.2.6建筑内供暖管道和设备的绝热材料应符合下列规定:
1对于甲、乙类厂房(仓库),应采用不燃材料。煤粉生产车间的火灾危险性为乙类,硅酸铝棉和岩棉为不燃材料,故选项A、D正确。
53.【答案】A
【解析】参《建筑设计防火规范》
3.1.1可知,卷烟包装厂房的火灾危险性为丙类。
3.7.3地下或半地下厂房(包括地下或半地下室),当有多个防火分区相邻布置,并采用防火墙分隔时,每个防火分区可利用防火墙上通向相邻防火分区的甲级防火门作为第二安全出口,但每个防火分区必须至少有1个直通室外的独立安全出口。故选项C正确。
3.7.4厂房内任一点至最近安全出口的直线距离不应大于表3.7.4的规定。查表3.7.4可知,地下丙类厂房内任一点至最近安全出口的直线距离不应大于30m,故选项A错误。二级多层丙类厂房内任一点至最近安全出口的直线距离不应大于60m。故选项B正确。
3.7.6高层厂房和甲、乙、丙类多层厂房的疏教楼梯应采用封闭楼梯间或室外楼梯。故选项D正确。

建筑类别 |
建筑高度 |
敞开 |
封闭 |
防烟 |
厂房 |
高层、甲乙丙多层 |
|
√ |
|
h>32m且任一层>10人 |
|
|
√ |
|
高层仓库 |
h>24m |
|
√ |
|
公共建筑 |
裙房和≤32m的二类高 |
|
√ |
|
一类和>32m的二类高,>24m老年人 |
|
|
√ |
|
多层公建 (除敞开外廊) |
医疗、旅馆及类似功能,老年人(>24防烟) |
|
√ |
|
设置歌艺场所的建筑 |
||||
商店、图书馆、展览、会议中心及类似功能 |
||||
6层及以上 |
||||
住宅 |
h>33m |
|
|
√ |
21m<h≤33m(户门乙级可敞开) |
|
√ |
|
|
h≤21m(与电梯井相邻应封闭,但户门乙级可敞开) |
√ |
|
|
|
地下半地下 |
3层及以上或高差10m |
|
|
√ |
其他 |
|
√ |
|
54.【答案】A
【解析】火报:A=0,B≤2,B+C≤5%水烟:A=0,B≤2,B+C≤6
系统类别 |
合格判定标准 |
自动喷水灭火系统 消防给水及消火栓系统 |
A=0,且B≤2,且B+C≤6 (水泡烟2.6) |
防烟排烟系统 |
|
泡沫灭火系统 |
|
火灾自动报警系统 |
A=0且B≤2,且B+C≤检查项的5% (火报照烧鱿鱼2.5) |
应急照明和疏散指示系统 |
|
建筑灭火器配置 |
A=0,且B≤1,且B+C≤4 气得要死(1 4) |
气体灭火系统 |
有1项不合格,即判定不合格 |
防火卷帘、防火门、防火窗 |
施工现场质量管理检查结果、资料核查结果、施工过程检查结果、工程验收结果全部合格,且工程验收记录、相关文件、记录、资料清单等齐全 |
55.【答案】C
【解析】参《大型商业综合体消防安全管理规则(试行)应急消[2019]314号》,第七十三条:专职消防队和微型消防站应当制定并落实岗位培训、队伍管理、防火巡查、值守联动、考核评价等管理制度,确保值守人员24小时在岗在位,做好应急出动准备。
专职消防队和微型消防站应当组织开展日常业务训练,不断提高扑救初起火灾的能力。训练内容包括体能训练、灭火器材和个人防护器材的使用等。微型消防站队员每月技能训练不少于半天,每年轮训不少于4天,岗位练兵累计不少于7天。故选项C错误。
第七十六条:微型消防站宜设置在建筑内便于操作消防车和便于队员出入部位的专用房间内,可与消防控制室合用。为大型商业综合体建筑整体服务的微型消防站用房应当设置在建筑的首层或地下一层,为特定功能场所服务的微型消防站可根据其服务场所位置进行设置。故选项A、B正确。
微型消防站应当具备与其配置人员和器材相匹配的训练、备勤和器材储存用房及消防车专用车位。
第七十七条:大型商业综合体的建筑面积大于或等于20万平方米时,应当至少设置2个微型消防站。设置多个微型消防站时,应当满足以下要求:
1.微型消防站应当根据大型商业综合体的建筑特点和便于快速灭火救援的原则分散布置。
2.从各微型消防站站长中确定一名总站长
56.【答案】A
【解析】参《自动喷水灭火系统施工及验收规范》
6.1.1管网安装完毕后,必须对其进行强度试验、严密性试验和冲洗。故选项A不属于。
7.2.1系统调试应包括下列内容:
1水源测试。
2消防水泵调试。
3稳压泵调试。
4报警阀调试。
5排水设施调试。
6联动试验。
57.【答案】D
【解析】参《建筑防烟排烟系统技术标准》(GB51251):
3.3.5机械加压送风风机宜采用轴流风机或中、低压离心风机。3.3.6加压送风囗的设置应符合下列规定:
2前室应每层设一个常闭式加压送风口,并应设手动开启装置;
58.【答案】B
【解析】参《气体灭火系统施工及验收规范》(GB50263):
8.0.5每日应对低压二氧化碳储存装置的运行情况、储存装置间的设备状态进行检查并记录。
8.0.6每月检查应符合下列要求:灭火剂和驱动气体储存容器内的压力,不得小于设计储存压力的90%。
8.0.7每季度应对气体灭火系统进行1次全面检查,并应符合下列规定:
5对高压二氧化碳储存容器逐个进行称重检查,灭火剂净重不得小于设计储存量的90%。
6灭火剂输送管道有损伤与堵塞现象时,应按本规范第E.1节的规定进行严密性试验和吹扫。
59.【答案】B
【解析】参考《防火门》GB12955-2008:
4.1.1木质防火门,代号:MFM。
4.1.2钢质防火门,代号:GFM。
4.1.3钢木质防火门,代号:GMFM。
4.1.4其他材质防火门,代号:**FM。(**代表其他材质的具体表述大写拼音字母)
4.2.1单扇防火门,代号为1。
4.2.2双扇防火门,代号为2。
4.2.3多扇防火门(含有两个以上门扇的防火门),代号为门扇数量用数字表示。
4.3.1门扇上带防火玻璃的防火门,代号为b。
4.3.2防火门门框:门框双槽口代号为s,单槽口代号为d。
4.3.3带亮窗防火门,代号为l。
4.3.4带玻璃带亮窗防火门,代号为b l。
4.3.5无玻璃防火门,代号略。

4.5.1.1下框代号
有下框的防火门代号为k。
4.5.1.2平开门门扇关闭方向代号
平开门门扇关闭方向代号见表2。
注:双扇防火门关闭方向代号,以安装锁的门扇关闭方向表示。
4.
5.2示例2:MFM-1221-d6B1.00-2,表示部分隔热(B类)木质防火门,其洞口宽度为1200mm,洞口高度为2100mm,门扇无玻璃、门窗单槽口、无亮窗、无下框,门扇逆时针方向关闭,其耐火完整性的时间不小于1.00h、耐火隔热性的时间不小于0.50h的双扇防火门。选项B错误。
示例1:GFM-0924-bslk5 A1.50(甲级)-1。表示隔热(A类)钢质防火门,其洞口宽度为900mm,洞口高度为2400mm,门扇镶玻璃、门框双槽口、带亮窗、有下框,门扇顺时针方向关闭,耐火完整性和耐火隔热性的时间均不小于1.50h的甲级单扇防火门。
60.【答案】D
【解析】5.5.27住宅建筑的疏楼梯设置应符合下列规定:
1.建筑高度不大于21m的住宅建筑可采用敞开楼梯间;与电梯井相邻布置的疏散楼梯应采用封闭楼梯间,当户门采用乙级防火门时,仍可采用敞开楼梯间。故选项A正确。
2.建筑高度大于21m、不大于33m的住宅建筑应采用封闭楼梯间;当户门采用乙级防火门时,可采用敞开楼梯间。故选项B正确。
5.5.28住宅单元的疏数楼梯,当分散设置确有困难且任一户门至最近疏散楼梯间入口的距离不大于10m时,可采用剪刀楼梯间。故选项C正确。
5.5.30住宅建筑的户门、安全出口、疏散走道和疏散楼梯的各自总净宽度应经计算确定,且户门和安全出口的净宽度不应小于0.90m,疏散走道、疏散楼梯和首层疏散外门的净宽度不应小于1.10m。故选项D错误。
61.【答案】C
【解析】参《火灾自动报警系统设计规范》(GB50116):
3.2.2区域报警系统的设计,应符合下列规定:
1系统应由火灾探测器、手动火灾报警按钮、火灾声光警报器及火灾报警控制器等组成,系统中可包括消防控制室图形显示装置和指示楼层的区域显示器。
62.【答案】C
【解析】参《气体灭火系统施工及验收规范》(GB50263):
4.3.3灭火剂储存容器内的充装量、充装压力及充装系数、装量系数,应符合下列规定:
2不同温度下灭火剂的储存压力应按相应标准确定。10℃应不小于14.3MPa。
4.3.4阀驱动装置应符合下列规定:
2气动驱动装置储存容器内气体压力不应低于设计压力,且不得超过设计压力的5%,气体驱动管道上的单向阀应启闭灵活,无卡阻现象。
63.【答案】B
【解析】参《社会消防安全教育培训规定》
第十四条:单位对职工的消防安全教育培训应当将本单位的火灾危险性、防火灭火措施、消防设施及灭火器材的操作使用方法、人员疏散逃生知识等作为培训的重点。故选项B正确。
64.【答案】A
【解析】根据题干描述,室外应由市政管网供水,应满足两路消防供水。因为该建筑属于高层公建,室外设计流量至少为25L/s。(室外消防设计流量满足≤20L/s时,可一路供水)故选项A不符合。
6.1.3建筑物室外宜采用低压消防给水系统,当采用市政给水管网供水时,应符合下列规定:
1应采用两路消防供水,除建筑高度超过54m的住宅外,室外消火栓设计流量小于等于20L/s时可采用一路消防供水;

65.【答案】A
【解析】参《建筑防烟排烟系统技术标准》(GB51251):
4.3.2防烟分区内自然排烟窗(口)的面积、数量、位置应按本标准第4.6.3条规定经计算确定,且防烟分区内任一点与最近的自然排烟窗(口)之间的水平距离不应大于30m。当工业建筑采用自然排烟方式时,其水平距离尚不应大于建筑内空间净高的2.8倍;
本题工业建筑采用自然排烟,任一点至最近自然排烟窗之间的水平距离不应大于30m,同时不应大于净高的2.8倍即5*2.8=14米,题干沿长边100m设置了走道,A选项两边各设置玻璃窗,不满足水平距离的要求。
4.3.7除洁净厂房外,设置自然排烟系统的任一层建筑面积大于2500㎡的制鞋、制衣、玩具、塑料、木器加工储存等丙类工业建筑,除自然排烟所需排烟窗(口)外,尚宜在屋面上增设可熔性采光带(窗),其面积应符合下列规定:
1未设置自动喷水灭火系统的,或采用钢结构屋顶,或采用预应力钢筋混凝土屋面板的建筑,不应小于楼地面面积的10%;
2其他建筑不应小于楼地面面积的5%。
100x40x5%=200
防排烟系统各种风速汇总 |
||
防烟系统 |
加压送风口 |
≤7m/s |
排烟系统 |
排烟阀(口) |
≤10m/s |
封闭式吊顶的烟气吸入口颈部 |
≤1.5m/s |
|
补风系统 |
机械补风口 |
≤10m/s |
人员密集场所补风口 |
≤5m/s |
|
自然补风口 |
≤3m/s |
|
防排烟管道 |
内壁为金属 |
≤20m/s |
内壁为非金属管 |
≤15m/s |
|
66.【答案】D
【解析】参《汽车加油加气加氢站技术标准GB50156-2021》,4.0.2在城市中心区不应建一级汽车加油加气加氢站、CNG加气母站。
3.0.9加油站的等级划分,应符合表3.0.9的规定。查表3.0.9可知,计算:30×3+30×3×0.5=135m³,为二级加油站,故选项A错误。
注:V为油罐总容积。柴油罐容积可折半计入油罐总容积。
表3.0.9 加油站的等级划分
3.0.10LPG加气站的等级划分应符合表3.0.10的规定。查表3.0.10可知,计算:30×2=60m³,为一级加气站,故选项D正确。
表3.0.10 LPG 加气站的等级划分
3.0.12LNG加气站、L-CNG加气站、LNG和L-CNG加气合建站的等级划分,应符合表3.0.12的规定。查表3.0.12可知,计算:30×2=60m³,为二级加气站,故选项B错误。
3.0.13加油与LPG加气合建站的等级划分,应符合表3.0.13的规定。查表3.0.13可知,计算:30×2+30=90m³,为三级加油加气合建站,故选项C错误。
67.【答案】A
【解析】参《细水零灭火系统技术规范》
3.3.2开式系统应按防护区设置分区控制阀。每个分区控制阀上或阀后邻近位置,宜设置泄放试验阀。
3.3.4分区控制阀宜靠近防护区设置,并应设置在防护区外便于操作、检查和维护的位置。故选项A不符合。
3.4.5采用全淹没应用方式的开式系统,其防护区数量不应大于3个。
4.3.7-3管道之间或管道与管接头之间的焊接应采用对口焊接。系统管道焊接时,应使用氩弧焊工艺,并应使用性能相容的焊条。
68.【答案】C
【解析】参《气体灭火系统施工及验收规范》(GB50263):
E.1.1水压强度试验压力应按下列规定取值:
1对高压二氧化碳灭火系统,应取15.0MPa;
E.1.7气密性试验压力应按下列规定取值:
1对灭火剂输送管道,应取水压强度试验压力的2/3。
2对气动管道,应取驱动气体储存压力。所以D正确。
15×2/3=10,所以C错误。
E.1.8进行气密性试验时,应以不大于0.5 MPa/s的升压速率缓慢升压至试验压力,关断试验气源3 min内压力降不超过试验压力的10%为合格。所以用时至少10/0.5=20s,所以A 119s是正确的。所以B正确。
E.1.9气压强度试验和气密性试验必须采取有效的安全措施。加压介质可采用空气或氮气。
系统 |
项目 |
系统 |
水压 |
气压 |
试验方法 |
气体灭火系统试验 |
强度 |
高压CO2 |
15MPa |
水压的80% |
1.水压:以≤0.5MPa/s的速率缓慢升压至试验压力,保压5min,无渗漏,无变形。 2.气压:升至试验压力的50%时,如未发现异状或泄漏,继续按试验压力的10%逐级升压,每级稳压3min,直至试验压力,保压,无变形,无泄漏。 3.水压强度试验条件不具备,可采用气压强度试验代替。气压强度试验前,预试验,试验压力0.2MPa。 |
低压CO2 |
4MPa |
||||
IG541 |
13MPa |
10.5MPa |
|||
卤代烷 |
1.5P |
1.15P |
|||
气压严密性 |
灭火剂输送管道 |
水压的2/3 |
以≤0.5MPa/s的速率缓慢升压至试验压力,关断试验气源3min内压力降不超过试验压力的10%。 |
||
驱动气体管道 |
储存压力 |
||||
69.【答案】B
【解析】根据《建筑设计防火规范》
7.3.2消防电梯应分别设置在不同防火分区内,且每个防火分区不应少于1台。所以B错误。
【7.3.6】消防电梯井、机房与相邻电梯井、机房之间应设置耐火极限不低于2.00h的防火隔墙,隔墙上的门应采用甲级防火门。
【7.3.8】消防电梯应符合下列规定:
1应能每层停靠;
2电梯的载重量不应小于800kg;
3电梯从首层至顶层的运行时间不宜大于60s;
4电梯的动力与控制电缆、电线、控制面板应采取防水措施;
5在首层的消防电梯入口处应设置供消防队员专用的操作按钮;
6电梯轿厢的内部装修应采用不燃材料;
7电梯轿厢内部应设置专用消防对讲电话。
70.【答案】A
【解析】放水流量≥37.5L/min时,水流指示器必须报警。在第五层末端试水装置处以1.5L/s的流量放水,水流指示器应动作。根据选项可排出A。
71.【答案】C
【解析】参《建筑防烟排烟系统技术标准》(GB51251):
3.2.1采用自然通风方式的封闭楼梯间、防烟楼梯间,应在最高部位设置面积不小于1.0㎡的可开启外窗或开口;当建筑高度大于10m时,尚应在楼梯间的外墙上每5层内设置总面积不小于2.0㎡的可开启外窗或开口,且布置间隔不大于3层。
3.3.11设置机械加压送风系统的封闭楼梯间、防烟楼梯间,尚应在其顶部设置不小于1㎡的固定窗。靠外墙的防烟楼梯间,尚应在其外墙上每5层内设置总面积不小于2㎡的固定窗。
72.【答案】B
【解析】参《综合能力》
按组织形式划分,灭火和应急疏散预案演练可分为桌面演练和实战演练。选项ACD属于实战演练。选项B属于桌面演练。
73.【答案】A
【解析】参《消防给水及消火栓系统技术规范》
13.1.42以备用电源切换方式或备用泵切换启动消防水泵时,消防水泵应分别在1min或2min内投入正常运行;故选项A不符合。
74.【答案】B
【解析】60mm的增强石膏轻质墙板耐火极限为1.28h,厨房应采用2h隔墙;餐饮场所使用天然气作燃料时,应当采用管道供气。设置在地下且建筑面积大于150平方米或座位数大于75座的餐饮场所不得使用燃气;
75.【答案】D
【解析】参《大型商业综合体消防安全管理规则(试行)》
第四十八条用火、动火安全管理应当符合下列要求:
4.需要动火作业的区域,应当采用不燃材料与使用、营业区域进行分隔。
第五十二条施工单位进行施工前,应当依法取得相关施工许可,预先向大型商业综合体消防安全管理人办理相关审批施工手续,并落实下列消防安全措施:
1.建立施工现场用火、用电、用气等消防安全管理制度和操作规程;
2.明确施工现场消防安全责任人,落实相关人员的消防安全管理责任;
3.施工人员应当接受岗前消防安全教育培训,制定灭火应急疏散演练预案并开展演练;
4.在施工现场的重点防火部位或区域,应当设置消防安全警示标志,配备消防器材并在醒目位置标明配置情况,施工部位与其他部位之间应当采取防火分隔措施,保证施工部位消防设施完好有效;施工过程中应当及时清理施工垃圾,消除各类火灾隐患;
5.局部施工部位确需暂停或者屏蔽使用局部消防设施的,不得影响整体消防设施的使用,同时采取人员监护或视频监控等防护措施加强防范,消防控制室或安防监控室内应当能够显示视频监控画面。所以D错误。
76.因规范变更,本题不再适合学员做了。
77.【答案】D
【解析】8.0.5每日应对防火卷帘下部、常开式防火门门口处、活动式防火窗窗口处进行一次检查,并应清除妨碍设备启闭的物品。
8.0.6每季度应对防火卷帘、防火门和活动式防火窗的下列功能进行一次检查:
1手动启动防火卷帘内外两侧控制器或按钮盒上的控制按钮,检查防火卷帘上升、下降、停止功能。
2手动操作防火卷帘手动速放装置,检查防火卷帘依靠自重恒速下降功能。
3手动操作防火卷帘的手动拉链,检查防火卷帘升、降功能,且无滑行撞击现象。
4手动启动常闭式防火门,检查防火门开关功能,且无卡阻现象。
5手动启动活动式防火窗上的控制装置,检查防火窗开关功能且无卡阻现象。
8.0.7每年应对防火卷帘、防火门、防火窗的下列功能进行一次检查:
1防火卷帘控制器的火灾报警功能、自动控制功能、手动控制功能、故障报警功能、备用电源转换功能。
2常开式防火门火灾报警联动控制功能、消防控制室手动控制功能、现场手动控制功能。
3活动式防火窗火灾报警联动控制功能、消防控制室手动控制功能、现场手动控制功能。
78.【答案】A
【解析】参《建筑设计防火规范》
6.4.14避难走道的设置应符合下列规定:
3.避难走道的净宽度不应小于任一防火分区通向该避难走道的设计疏散总净宽度。1.4×2=2.8m,3.0m>2.8m,故选项A正确。
4.避难走道内部装修材料的燃烧性能应为A级。珍珠岩吸声板为B1级,故选项D错误。
5.防火分区至避难走道入口处应设置防烟前室,前室的使用面积不应小于6.0㎡,开向前室的门应采用甲级防火门,前室开向避难走道的门应采用乙级防火门。选项C为“使用面积”,故选项B、C错误。
79.【答案】C
【解析】参《自动喷水灭火系统设计规范》
6.1.4干式系统、预作用系统应采用直立型洒水喷头或干式下垂型洒水喷头。故选项C不符合。
7.1.6除吊顶型洒水喷头及吊顶下设置的洒水喷头外,直立型、下垂型标准覆盖面积洒水喷头和扩大覆盖面积洒水喷头溅水盘与顶板的距离应为75mm~150mm,并应符合下列规定:
1当在梁或其他障碍物底面下方的平面上布置洒水喷头时,溅水盘与顶板的距离不应大于300mm,同时溅水盘与梁等障碍物底面的垂直距离应为25mm~100mm。

2当在梁间布置洒水喷头时,洒水喷头与梁的距离应符合本规范第7.2.1条的规定。确有困难时,溅水盘与顶板的距离不应大于550mm。梁间布置的洒水喷头,溅水盘与顶板距离达到550mm仍不能符合本规范第7.2.1条的规定时,应在梁底面的下方增设洒水喷头。
3密肋梁板下方的洒水喷头,溅水盘与密肋梁板底面的垂直距离应为25mm~100mm。
80.【答案】A
【解析】参《建筑设计防火规范》
5.5.20剧场、电影院、礼堂、体育馆等场所的疏散走道、疏楼梯、疏散门、安全出口的各自总净宽度,应符合下列规定:
1观众厅内疏走道的净宽度应按每100人不小于0.60m计算,且不应小于1.00m;边走道的净宽度不宜小于0.80m。选项C正确。
二层人数为240人,疏散总净宽度=240×1/100=2.4m,A选项楼梯总宽2.2m,室外楼梯仅供电影院使用,因此错误。
室外疏散通道的净宽不小于3m,选项D正确。
二、多选题(共20小题,每题2分,每题的备选项中有2个或2个以上符合题意。错选、漏选不得分;少选,所选的每个选项得0.5分)
81.【答案】BD
【解析】根据《建筑设计防火规范》GB50016-2014(2018年版)
5.4.12燃油或燃气锅炉、油浸变压器、充有可燃油的高压电容器和多油开关等,宜设置在建筑外的专用房间内;确需贴邻民用建筑布置时,应采用防火墙与所贴邻的建筑分隔,且不应贴邻人员密集场所,该专用房间的耐火等级不应低于二级;确需布置在民用建筑内时,不应布置在人员密集场所的上一层、下一层或贴邻,并应符合下列规定:
3锅炉房、变压器室等与其他部位之间应采用耐火极限不低于2.00h的防火隔墙和1.50h的不燃性楼板分隔。在隔墙和楼板上不应开设洞口,确需在隔墙上设置门、窗时,应采用甲级防火门、窗。A错误;
5.5.6直通建筑内附设汽车库的电梯,应在汽车库部分设置电梯候梯厅,并应采用耐火极限不低于2.00h的防火隔墙和乙级防火门与汽车库分隔。B正确;
5.3.3防火分区之间应采用防火墙分隔,确有困难时,可采用防火卷帘等防火分隔设施分隔。采用防火卷帘分隔时,应符合本规范第6.5.3条的规定。
6.1.5防火墙上不应开设门、窗、洞口,确需开设时,应设置不可开启或火灾时能自动关闭的甲级防火门、窗。C错了;
6.2.7附设在建筑内的消防控制室、灭火设备室、消防水泵房和通风空气调节机房、变配电室等,应采用耐火极限不低于2.00h的防火隔墙和1.50h的楼板与其他部位分隔。
设置在丁、戊类厂房内的通风机房,应采用耐火极限不低于1.00h的防火隔墙和0.50h的楼板与其他部位分隔。
通风、空气调节机房和变配电室开向建筑内的门应采用甲级防火门,消防控制室和其他设备房开向建筑内的门应采用乙级防火门。D正确
5.5.23建筑高度大于100m的公共建筑,应设置避难层(间)。避难层(间)应符合下列规定:
4避难层可兼作设备层。设备管道宜集中布置,其中的易燃、可燃液体或气体管道应集中布置,设备管道区应采用耐火极限不低于3.00h的防火隔墙与避难区分隔。管道井和设备间应采用耐火极限不低于2.00h的防火隔墙与避难区分隔,管道井和设备间的门不应直接开向避难区;确需直接开向避难区时,与避难层区出入口的距离不应小于5m,且应采用甲级防火门。E错误
82.【答案】AC
【解析】根据《机关、团体、企业、事业单位消防安全管理规定》(公安部令第61号)
第六条单位的消防安全责任人应当履行下列消防安全职责:
(一)贯彻执行消防法规,保障单位消防安全符合规定,掌握本单位的消防安全情况;
(二)将消防工作与本单位的生产、科研、经营、管理等活动统筹安排,批准实施年度消防工作计划;A正确
(三)为本单位的消防安全提供必要的经费和组织保障;
(四)确定逐级消防安全责任,批准实施消防安全制度和保障消防安全的操作规程;
(五)组织防火检查,督促落实火灾隐患整改,及时处理涉及消防安全的重大问题;
(六)根据消防法规的规定建立专职消防队、义务消防队;B不正确
(七)组织制定符合本单位实际的灭火和应急疏散预案,并实施演练。D不正确
第七条单位可以根据需要确定本单位的消防安全管理人。消防安全管理人对单位的消防安全责任人负责,实施和组织落实下列消防安全管理工作:
(一)拟订年度消防工作计划,组织实施日常消防安全管理工作;
(二)组织制订消防安全制度和保障消防安全的操作规程并检查督促其落实;
(三)拟订消防安全工作的资金投入和组织保障方案;C正确
(四)组织实施防火检查和火灾隐患整改工作;
(五)组织实施对本单位消防设施、灭火器材和消防安全标志的维护保养,确保其完好有效,确保疏散通道和安全出口畅通;
(六)组织管理专职消防队和义务消防队;
(七)在员工中组织开展消防知识、技能的宣传教育和培训,组织灭火和应急疏散预案的实施和演练;
(八)单位消防安全责任人委托的其他消防安全管理工作。
E选项不建议选择,因为61号令中没有条文支撑。
83.【答案】ABC
【解析】根据《建筑防烟排烟系统技术标准》GB51251-2017
6.3.4风管的安装应符合下列规定:
6当风管穿越隔墙或楼板时,风管与隔墙之间的空隙应采用水泥砂浆等不燃材料严密填塞。B正确
7吊顶内的排烟管道应采用不燃材料隔热,并应与可燃物保持不小于150mm的距离。玻璃棉为不燃,A正确
6.5.3风机应设在混凝土或钢架基础上,且不应设置减振装置;若排烟系统与通风空调系统共用且需要设置减振装置时,不应使用橡胶减振装置。C正确
6.4.2送风口、排烟阀或排烟口的安装位置应符合标准和设计要求,并应固定牢靠,表面平整、不变形,调节灵活;排烟口距可燃物或可燃构件的距离不应小于1.5m。D错误
4.4.5排烟风机应设置在专用机房内,并应符合本标准第3.3.5条第5款的规定,且风机两侧应有600mm以上的空间。E错误
84.【答案】ABE
【解析】参《火灾自动报警系统施工及验收标准》
4.3.6应对线型光束感烟火灾探测器的火灾报警功能、复位功能进行检查并记录,探测器的火灾报警功能、复位功能应符合下列规定:
3应采用产品生产企业设定的减光率为1.0dB~10.0dB的减光片或等效设备遮挡光路,探测器的火警确认灯应点亮并保持,火灾报警控制器的火灾报警和信息显示动能应符合本标准第4.1.2条的规定;A正确
4.3.11应对管路采样式吸气感烟火灾探测器的火灾报警功能、复位功能进行检查并记录,探测器的火灾报警功能、复位功能应符合下列规定:
1应在采样管最末端采样孔加入试验烟,使监测区域的烟雾浓度达到探测器报警设定阈值,探测器或其控制装置的火警确认灯应在120s内点亮并保持;B正确
4.3火灾报警控制器及其现场部件调试
手报、烟感报警时间不大于10s。C错误
D错误:10S内火灾报警控制器发出报警信号
4.8.5应对测温式电气火灾监控探测器的监控报警功能进行检查并记录,探测器的监控报警功能应符合下列规定:
1应按设计文件的规定进行报警值设定;
2应采用发热试验装置给监控探测器加热至设定的报警温度,探测器的报警确认灯应在40s内点亮并保持;E正确
3S:联动控制器发出启动、输入、输出模块动作信号、分机呼叫总机;
5S:应急电源主电源断电后,自动切换到电池组供电;
10S:探测器手报报警后,控制器发出火警、图形显示器显示报警和信息;
30S:点型火焰探测器和图像型火灾探测器的火警确认灯、可燃气体探测器、剩余电流式电气火灾监控探测器报警确认灯
40S:测温式电气火灾监控探测器的报警确认灯
100S:故障指示灯、(监管、屏蔽、故障)图形显示器显示信息
120S:管路采样式吸气感烟火灾探测器的火警确认灯
线型光束感烟火灾探测器:0.9dB不报警;1.0dB~10.0dB报警;11.5dB报警或报故障。
故障电弧探测器:1s内产生9个及以下半周期故障电弧,不报警;1s内产生14个及以上半周期故障电弧,30s内报警
85.【答案】ABD
【解析】参《消防应急照明和疏散指示系统技术标准》(GB51309)
老年人建筑蓄电池持续供电至少1h,楼梯间至少10.0lx。
3.2.4系统应急启动后,在蓄电池电源供电时的持续工作时间应满足下列要求:
1建筑高度大于100m的民用建筑,不应小于1.5h。
2医疗建筑、老年人照料设施、总建筑面积大于100000m²的公共建筑和总建筑面积大于20000m²的地下、半地下建筑,不应少于1.0h。
3其他建筑,不应少于0.5h。
86.【答案】AE
【解析】参《火灾自动报警系统设计规范》(GB50116-2013)
4.5.2排烟系统的联动控制方式应符合下列规定:
1应由同一防烟分区内的两只独立的火灾探测器的报警信号,作为排烟口、排烟窗或排烟阀开启的联动触发信号,并应由消防联动控制器联动控制排烟口、排烟窗或排烟阁的开启,同时停止该防烟分区的空气调节系统。
2应由排烟口、排烟窗或排烟阀开启的动作信号,作为排烟风机启动的联动触发信号,并应由消防联动控制器联动控制排烟风机的启动。
4.5.1防烟系统的联动控制方式应符合下列规定:
1应由加压送风口所在防火分区内的两只独立的火灾探测器或一只火灾探测器与一只手动火灾报警按钮的报警信号,作为送风口开启和加压送风机启动的联动触发信号,并应由消防联动控制器联动控制相关层前室等需要加压送风场所的加压送风口开启和加压送风机启动。
2应由同一防烟分区内且位于电动挡烟垂壁附近的两只独立的感烟火灾探测器的报警信号,作为电动挡烟垂壁降落的联动触发信号,并应由消防联动控制器联动控制电动挡烟垂壁的降落。所以D错误。
87.【答案】BE
【解析】参《汽车库、修车库、停车场设计防火规范》
5.1.1室内有车道且有人员停留的机械式汽车库,其防火分区最大允许建筑面积应按表5.1.1的规定减少35%,

5.1.2设置自动灭火系统的汽车库,其每个防火分区的最大允许建筑面积不应大于本规范第5.1.1条规定的2.0倍。查表5.1.1可知,计算:2000×65%×2=2600㎡,故选项A错误。
5.1.6汽车库、修车库与其他建筑合建时,应符合下列规定:
2.设在建筑物内的汽车库(包括屋顶停车场)、修车库与其他部位之间,应采用防火墙和耐火极限不低于2.00h的不燃性楼板分隔。故选项D错误。
参《建筑设计防火规范》
5.3.2建筑内设置中庭时,其防火分区的建筑面积应按上、下层相连通的建筑面积叠加计算;当叠加计算后的建筑面积大于本规范第5.3.1条的规定时,应符合下列规定:
1与周围连通空间应进行防火分隔:采用防火隔墙时,其耐火极限不应低于1.00h;与中庭相连通的门、窗,应采用火灾时能自行关闭的甲级防火门、窗。故选项C错误,选项E正确、
5.3.4一、二级耐火等级建筑内的商店营业厅、展览厅,当设置自动灭火系统和火灾自动报警系统并采用不燃或难燃装修材料时,其每个防火分区的最大允许建筑面积应符合下列规定:
1设置在高层建筑内时,不应大于4000㎡。故选项B正确。
2设置在单层建筑或仅设置在多层建筑的首层内时,不应大于10000m²;
3设置在地下或半地下时,不应大于2000m²。
88.【答案】ABCD
【解析】参《综合能力》,确定消防安全重点部位不仅要根据火灾危险源的辨识来确定,还应根据本单位的实际,即物品储存的多少、价值的大小、人员的集中量以及隐患的存在和火灾的危险程度等情况而定,通常从以下几个方面来考虑:
1)容易发生火灾的部位。如化工生产车间、油漆、烘烤、熬炼、木工、电焊气割操作间;化验室、汽车库、化学危险品仓库;易燃、可燃液体储罐,可燃、助燃气体钢瓶仓库和储罐,液化石油气瓶或储罐;氧气站、乙炔站、氢气站;易燃的建筑群等。
2)发生火灾后对消防安全有重大影响的部位,如与火灾扑救密切相关的变配电室,消防控制室,消防水泵房等。故选项A,C正确。
3)性质重要、发生事故影响全局的部位,如发电站,变配电站,通信设备机房,生产总控制室,电子计算机房,锅炉房,档案室,咨料、贵重物品和重要历史文献收藏室等。故选项B,D正确,故选项E错误。
4)财产集中的部位,如储存大量原料、成品的仓库、货场,使用或存放先进技术设备的实验室、车间、仓库等。
5)人员集中的部位,如单位内部的礼堂(俱乐部)、托儿所、集体宿舍、医院病房等。
89.【答案】BCD
【解析】参《自动喷水灭火系统施工及验收规范》
9.0.4消防水泵或内燃机驱动的消防水泵应每月启动运转一次。当消防水泵为自动控制启动时,应每月模拟自动控制的条件启动运转一次。但是水泵要设置在自动挡。故选项A错误。
9.0.17每月应利用末端试水装置对水流指示器进行试验。故选项E错误。
供水能力(自喷每年) |
市政管网 |
每季 |
地表水、地下水 |
每年 |
|
水池水箱 |
水位 |
每月 |
结构材料 |
每年 |
|
消防泵启动 |
消火栓 |
周模拟月手动 |
自喷 |
每月 |
|
水喷雾、细水雾 |
每周 |
|
泡沫 |
电机拖动:每周;柴油机拖动:每月 |
|
流量压力 |
水泵 |
每季(自喷每年) |
减压阀 |
每年 |
|
外观 |
阀 |
每日 |
消火栓 |
每季 |
放水试验 |
减压阀 |
每月 |
末端试水、报警阀 |
每季 |
|
水泵接合器 |
接口附件完好 |
给水:每季 自喷:每月 |
通水试验 |
每年 |
|
稳压装置 |
启停泵压力和启泵次数 |
每日 |
气压罐压力和有效容积 |
每月 |
|
铅封锁链,电动电磁阀、倒流防止器的压差 |
|
每月 |
室外阀门井控制阀 |
|
每季 |
过滤器的排渣 |
|
给水:每年 自喷:每月 |
90.【答案】ACDE
【解析】按照下表格A正确,B错误

5.1.6二级耐火等级建筑内采用难燃性墙体的房间隔墙,其耐火极限不应低于0.75h;当房间的建筑面积不大于100m²时,房间隔墙可采用耐火极限不低于0.50h的难燃性墙体或耐火极限不低于0.30h的不燃性墙体。
二级耐火等级多层住宅建筑内采用预应力钢筋混凝土的楼板,其耐火极限不应低于0.75h。
6.2.2医疗建筑内的手术室或手术部、产房、重症监护室、贵重精密医疗装备用房、储藏间、实验室、胶片室等,附设在建筑内的托儿所、幼儿园的儿童用房和儿童游乐厅等儿童活动场所、老年人照料设施,应采用耐火极限不低于2.00h的防火隔墙和1.00h的楼板与其他场所或部位分隔,墙上必须设置的门、窗应采用乙级防火门、窗。C正确
根据下表,D正确

记忆口诀:
两个安全出口之间:
一二级:24岁小高病了,25岁给老幼唱歌,30岁搞(高)医学住旅馆看展览,35岁单学医,40岁其他不干了
三级:在一二级的基础上减去5
袋形走道两侧或尽端:
三级:15和20,老幼多病多教它
5.5.19人员密集的公共场所、观众厅的疏散门不应设置门槛,其净宽度不应小于1.40m,且紧靠门口内外各1.40m范围内不应设置踏步。
5.4.4B当老年人照料设施中的老年人公共活动用房、康复与医疗用房设置在地下、半地下时,应设置在地下一层,每间用房的建筑面积不应大于200㎡且使用人数不应大于30人。
老年人照料设施中的老年人公共活动用房、康复与医疗用房设置在地上四层及以上时,每间用房的建筑面积不应大于200㎡且使用人数不应大于30人。E正确
91.【答案】BCDE
【解析】参《综合能力》教材,大型商业综合体的主要特点及火灾风险可以归纳为以下几个方面。
1.体量大、空间贯通,引发消防安全难题。2.可燃物多、火灾荷载大,增加火灾风险。3.电气设施设备种类多、数量大,易发电气火灾隐患。4.人员多、车流量大,带来消防安全风险。5.使用性质复杂、商户多,增大消防安全管理难度:(1)不同商户呈现出不同火灾风险特征。(2)内部商户经营主体变更频繁。(3)不同单位之间消防安全主体责任难以划清。故选项B、C、D、E正确。
92.【答案】ABE
【解析】建筑物内厨房的顶棚、墙面和地面应采用A级装修材料。消防控制室的顶棚和墙面要采用A级材料;配电室装修全选项:A.
4.0.13民用建筑内的库房或贮藏间,其内部所有装修除应符合相应场所规定外,且应采用不低于B1级的装修材料。
硅酸钙板为不燃,矿棉板为难燃。
1A |
地上建筑的水平疏散走道和安全出口的门厅、地上歌舞娱乐游艺场所 |
2A |
中庭、走马廊、开敞楼梯、自动扶梯 |
消防控制室、地下歌舞娱乐游艺场所、A、B级电子信息机房及装有重要机器、仪器的房间、地上存放文物、纪念展览物品、重要图书、档案、资料场所 |
|
3A |
地下民用建筑的疏散走道和安全出口的门厅 |
疏散楼梯间和前室 |
|
建筑物内的厨房、地下存放文物、纪念展览物品、重要图书、档案、资料场所 |
|
全A |
消防水泵房、机械加压送风排烟机房、固定灭火系统钢瓶间、配电室、变压器室、发电机房、储油间、通风和空调机房 |
提高一级 |
无窗房间 |
经常使用明火器具的餐厅、科研试验室 |
93.【答案】AB
【解析】人密场所外保温全A;电气线路不应穿越或敷设在燃烧性能为B1或B2级的保温材料中;确需穿越或敷设时,应采取穿金属管并在金属管周围采用不燃隔热材料进行防火隔离等防火保护措施。
6.7.12建筑外墙的装饰层应采用燃烧性能为A级的材料,但建筑高度不大于50m时,可采用B1级材料。
建筑类别 |
建筑高度 |
无空腔的外墙外保温 |
|
人密场所 |
|
A级 |
|
住宅建筑 |
h>100m |
A级 |
|
27m<h≤100m |
不应低于B1级 |
||
h≤27m |
不应低于B2级 |
||
除住宅建筑和设置人员密集场所的建筑外 |
h>50m |
A级 |
|
24m<h≤50m |
不应低于B1级 |
||
h≤24m |
不应低于B2级 |
||
建筑高度 |
有空腔的外墙外保温 |
||
人密场所 |
A级 |
||
>24m |
A级 |
||
≤24m |
不应低于B1级 |
||
外墙 内保温 |
人密场所、用火、燃油、燃气、 疏散楼梯间、避难走道、避难间(层) |
A级 |
|
其余 |
低烟低毒不低于B1级 |
||
屋面 外保温 |
屋面板的耐火极限不低于1h |
不低于B2级 |
|
屋面板的耐火极限低于1h |
不低于B1级 |
||
老年人 照料设施 |
独立建造 |
内、外墙体和屋面保温均采用A级 |
|
组合建造且老年人照料设施部分的总建筑面积>500㎡ |
|||
94.【答案】ACE
【解析】参《消防给水及消火栓系统技术规范》
11.0.12消防水泵控制柜应设置机械应急启泵功能,并应保证在控制柜内的控制线路发生故障时由有管理权限的人员在紧急时启动消防水泵。机械应急启动时,应确保消防水泵在报警5.0min内正常工作。故A正确。
4.3.9-2消防水池应设置就地水位显示装置,并应在消防控制中心或值班室等地点设置显示消防水池水位的装置,同时应有最高和最低报警水位。故B错误。
11.0.3消防水泵应确保从接到启泵信号到水泵正常运转的自动启动时间不应大于2min。C正确
5.1.13离心式消防水泵吸水管、出水管和阀门等,应符合下列规定:
1一组消防水泵,吸水管不应少于两条,当其中一条损坏或检修时,其余吸水管应仍能通过全部消防给水设计流量;故选项D错误。
7.4.12-2高层建筑、厂房、库房和室内净空高度超过8m的民用建筑等场所,消火栓栓口动压不应小于0.35MPa,故选项E正确。
95.【答案】BE
【解析】参《自动喷水灭火系统施工及验收规范》(GB50261-2017)
A:3米处,不小于70dB
C:不满足2路感烟/一路感烟+手报的联动开阀信号
D:应该选,无法判断是单连锁,建议不选
96.【答案】ABCD
【解析】参《气体灭火系统施工及验收规范》(GB50263):
7.4.1系统功能验收时,应进行模拟启动试验,并合格。
7.4.2系统功能验收时,应进行模拟喷气试验,并合格
7.4.3系统功能验收时,应对设有灭火剂备用量的系统进行模拟切换操作试验,并合格。
7.4.4系统功能验收时,应对主用、备用电源进行切换试验,并合格。
97.【答案】ACDE
【解析】参《建筑灭火器配置验收及检查规范》
2.2.1灭火嚣的进场检查应符合下列要求:
1灭火器应符合市场准入的规定,并应有出厂合格证和相关证书;
2灭火器的铭牌、生产日期和维修日期等标志应齐全;
3灭火器的类型、规格、灭火级别和数量应符合配置设计要求;
4灭火器筒体应无明显缺陷和机械损伤;
5灭火器的保险装置应完好;
6灭火器压力指示器的指针应在绿区范围内;
7推车式灭火器的行驶机构应完好。
2.2.2灭火器箱的进场检查应符合下列要求:
1灭火器箱应有出厂合格证和型式检验报告;
2灭火器箱外观应无明显缺陷和机械损伤;
3灭火器箱应开启灵活。
2.2.3设置灭火器的挂钩、托架应符合配置设计要求,无明显缺陷和机械损伤,并应有出厂合格证。
2.2.4发光指示标志应无明显缺陷和损伤,并应有出厂合格证和型式检验报告。故选项ACDE正确。

98.【答案】AD
【解析】《中华人民共和国行政许可法》第三十五条当事人对当场作出的行政处罚决定不服的,可以依法申请行政复议或者提起行政诉讼。选项AD正确。
99.【答案】BCDE
【解析】参《重大火灾隐患判定方法》
6.6旅馆、公共娱乐场所、商店、地下人员密集场所未按国家工程建设消防技术标准的规定设置自动喷水灭火系统或火灾自动报警系统。选项A正确,BCDE错误。
危险品 |
人员密集与危险品 |
人员密集 |
(1)未设在边缘或安全地带 |
(1)人员密集使用危险品 |
(1)老幼楼层不符 |
(2)建成区设一级加油站 |
(2)人员密集与危险品建筑混住、或防火间距<75% |
(2)公共娱乐场所、商店、地下人员密集场所安全出口数量不足或总宽度<80% |
(3)可燃液体、气体未设报警、灭火装置 |
(3)人员密集场所的居住场所夹芯材料非A级 |
|
(4)甲乙设地下 |
|
(4)公、商、地、旅未设自喷、火报 |
甲乙也去边缘加油 |
为人艰巨 |
老幼出口夹芯火报 |
100.【答案】ACD
【解析】参《大型商业综合体消防安全管理规则》
原强制性产品认证目录中的13类消防产品改为自愿认证,仅保留公共场所、住宅使用的火灾报警产品、灭火器、避难逃生产品的强制性产品认证。
火灾报警产品:点型感烟火灾探测器、点型感温火灾探测器、独立式感烟火灾探测报警器、手动火灾报警按钮、点型紫外火焰探测器、特种火灾探测器、线型光束感烟火灾探测器、火灾显示盘、火灾声和/或光警报器、火灾报警控制器、家用火灾报警产品。
灭火器:手提式灭火器、推车式灭火器、简易式灭火器。
避难逃生产品:消防应急照明疏散指示产品、逃生产品、自救呼吸器、消防安全标志。
2019年《消防安全技术综合能力》真题
一、单选题(共80题,每题1分。每题的备选项中,只有1个最符合题意)
1.【答案】C
【解析】《公共娱乐场所消防安全管理规定》
第九条安全出口处不得设置门槛、台阶,疏散门应向外开启,不得采用卷帘门、转门、吊门和侧拉门,门口不得设置门帘、屏风等影响疏散的遮挡物。C不符合规定。
第十四条公共娱乐场所内严禁带入和存放易燃易爆物品。D选项属于易错点,公共娱乐场所内严禁带入和存放易燃易爆物品,但是,题干中厨房只是位于一层,并没有强调在歌舞娱乐场所内。
2.【答案】B
【解析】第4.3.2按现行国家标准《火灾报警控制器》GB4717的有关要求对控制器进行下列功能检查并记录:
(2)使控制器与探测器之间的连线断路和短路,控制器应在100s内发出故障信号(短路时发出火灾报警信号除外);在故障状态下,使任一非故障部位的探测器发出火灾报警信号,控制器应在10s内发出火灾报警信号,并应记录火灾报警时间;再使其他探测器发出火灾报警信号,检查控制器的再次报警功能。
3.【答案】D
【解析】储压型干粉灭火系统也称为蓄压式系统,该系统没有驱动装置和单独驱动气体储存装置,干粉灭火剂与驱动气体预先混装在同一容器中,量一般较少且输送距离较短。驱动气体储存装置是储气瓶型干粉灭火系统特有的组件。
4.【答案】A
【解析】《建筑设计防火规范》(GB50016)(2018年版)
【5.4.4B】当老年人照料设施中的老年人公共活动用房、康复与医疗用房设置在地下、半地下时,应设置在地下一层,每间用房的建筑面积不应大于200㎡且使用人数不应大于30人。
老年人照料设施中的老年人公共活动用房、康复与医疗用房设置在地上四层及以上时,每间用房的建筑面积不应大于200㎡且使用人数不应大于30人。B、C不符合要求。
【6.4.11-1】建筑内的疏散门应符合的规定:民用建筑和厂房的疏散门,应采用向疏散方向开启的平开门,不应采用推拉门、卷帘门、吊门、转门和折叠门。D不符合要求。
5.【答案】D
【解析】《泡沫灭火系统技术标准》
9.4.18泡沫灭火系统的调试应符合下列规定:
1当为手动灭火系统时,应以手动控制的方式进行一次喷水试验;当为自动灭火系统时,应以手动和自动控制的方式各进行一次喷水试验,系统流量、泡沫产生装置的工作压力、比例混合装置的工作压力、系统的响应时间均应达到设计要求。
检查数量:当为手动灭火系统时,选择最远的防护区或储罐;当为自动灭火系统时,选择所需泡沫混合液流量最大和最远的两个防护区或储罐分别以手动和自动的方式进行试验。
2低倍数泡沫灭火系统按本条第1款的规定喷水试验完毕,将水放空后进行喷泡沫试验;当为自动灭火系统时,应以自动控制的方式进行;喷射泡沫的时间不宜小于1min;实测泡沫混合液的流量、发泡倍数及到达最远防护区或储罐的时间应符合设计要求,混合比不应低于所选泡沫液的混合比。
检查数量:选择最远的防护区或储罐,进行一次试验。
3中倍数、高倍数泡沫灭火系统按本条第1款的规定喷水试验完毕,将水放空后进行喷泡沫试验,当为自动灭火系统时,应以自动控制的方式对防护区进行喷泡沫试验,喷射泡沫的时间不宜小于30s,实测泡沫供给速率及自接到火灾模拟信号至开始喷泡沫的时间应符合设计要求,混合比不应低于所选泡沫液的混合比。
检查数量:全数检查。
6.【答案】D
【解析】《注册消防工程师管理》(公安部令第143号)
第三十三条,注册消防工程师不得有下列行为:
(一)同时在两个以上消防技术服务机构,或者消防安全重点单位执业;
(二)以个人名义承接执业业务、开展执业活动;
(三)在聘用单位出具的虚假、失实消防安全技术文件上签名、加盖执业印章;
(四)变造、倒卖、出租、出借,或者以其他形式转让资格证书、注册证或者执业印章;
(五)超出本人执业范围或者聘用单位业务范围开展执业活动;
(六)不按照国家标准、行业标准开展执业活动,减少执业活动项目内容、数量,或者降低执业活动质量;
(七)违反法律、法规规定的其他行为。
7.【答案】B
【解析】实战演练是指参演人员利用应急处置涉及的设备和物资,针对事先设置的突发火灾事故情景及其后续的发展情景,通过实际决策、行动和操作,完成真实应急响应的过程,从而检验和提高相关人员的现场组织指挥、队伍调动、应急处置技能和后勤保障等应急能力。
8.【答案】D
【解析】《消防给水及消火栓系统技术规范》(GB50974):
第12.2.3消火栓的现场检验应符合下列要求.
(11)旋转型消火栓其内部构造应合理,转动部件应为铜或不锈钢,并应保证旋转可靠、无卡涩和漏水现象;A正确。
外观和一般检查数量:全数检查。D错误。
9.【答案】C
【解析】《社会消防安全教育培训规定》(109号令)
第十四条消防安全重点单位每半年至少组织一次、其他单位每年至少组织一次灭火和应急疏散演练
10.【答案】D
【解析】《泡沫灭火系统技术标准》(GB50151-2021)
11.0.5每周应对电机拖动的消防水泵进行一次启动试验,启动运行时间不宜少于3min,电气设备工作状况应良好。A不符合要求。
11.0.9每月应对系统进行检查,并应按本标准附录D表D.0.2记录,检查内容及要求应符合下列规定:
1对泡沫产生器、泡沫喷头、固定式泡沫炮、泡沫比例混合器(装置)、泡沫液储罐、泡沫消火栓、泡沫消火栓箱、阀门、压力表、管道过滤器、金属软管、管道及管件等进行外观检查,均应完好无损;B不符合要求。
11.0.11每半年应对下列项目进行检查,检查内容及要求应符合下列规定:
1除储罐上泡沫混合液立管和液下喷射防火堤内泡沫管道及高倍数泡沫产生器进口端控制阀后的管道外,其余管道应全部冲洗,清除锈渣;C不符合要求。
11.0.12每两年应对系统进行检查和试验,并应按本标准附录D表D.0.2记录;检查和试验的内容及要求应符合下列规定:
1对于低倍数泡沫灭火系统中的液上、液下喷射,泡沫-水喷淋系统,固定式泡沫炮灭火系统应进行喷泡沫试验;对于泡沫喷雾系统,可进行喷水试验,并应对系统所有组件、设施、管道及管件进行全面检查;
2对于中倍数、高倍数泡沫灭火系统,可在防护区内进行喷泡沫试验,并对系统所有组件、设施、管道及管件进行全面检查;D符合要求。
11.【答案】A
【解析】《建设工程施工现场消防安全技术规范》(GB50720)
第6.3.2施工现场用电应符合下列规定:
(5)配电屏上每个电气回路应设置漏电保护器、过载保护器,距配电屏2m范围内不应堆放可燃物,5m范围内不应设置可能产生较多易燃、易爆气体、粉尘的作业区。A选项不符合要求,B选项正确。
(7)普通灯具与易燃物的距离不宜小于300mm,聚光灯、碘钨灯等高热灯具与易燃物的距离不宜小于500mm。C、D选项符合要求。
12.【答案】C
【解析】《水喷雾灭火系统技术规范》(GB50219):
第4.0.5雨淋报警阀前的管道应设置可冲洗的过滤器,过滤器滤网应采用耐腐蚀金属材料,其网孔基本尺寸应为0.600mm~0.710mm。C选项不符合要求。
13.【答案】D
【解析】《气体灭火系统施工及验收规范》(GB50263)

14.【答案】C
【解析】《自动喷水灭火系统施工及验收规范》GB50261-2017
第9.0.4消防水泵或内燃机驱动的消防水泵应每月启动运转一次。当消防水泵为自动控制启动时,应每月模拟自动控制的条件启动运转一次。C选项不符合要求
15.【答案】B
【解析】《消防应急照明和疏散指示系统技术标准》GB51309-2018
第3.2.3火灾状态下,灯具光源应急点亮、熄灭的响应时间应符合下列规定:
(1)高危险场所灯具光源应急点亮的响应时间不应大于0.25s;
(2)其他场所灯具光源应急点亮的响应时间不应大于5s;
(3)具有两种及以上疏散指示方案的场所,标志灯光源点亮、熄灭的响应时间不应大于5s。
16.【答案】A
【解析】《建筑设计防火规范》(GB50016)
第6.2.5除本规范另有规定外,建筑外墙上、下层开口之间应设置高度不小于1.2m的实体墙或挑出宽度不小于1.0m、长度不小于开口宽度的防火挑檐;当室内设置自动喷水灭火系统时,上、下层开口之间的实体墙高度不应小于0.8m。当上、下层开口之间设置实体墙确有困难时,可设置防火玻璃墙,但高层建筑的防火玻璃墙的耐火完整性不应低于1.00h,多层建筑的防火玻璃墙的耐火完整性不应低于0.50h。外窗的耐火完整性不应低于防火玻璃墙的耐火完整性要求。A不符合规定。
17.【答案】B
【解析】《消防给水及消火栓系统技术规范》(GB50974)
第12.3.2-4消防水泵安装前应复核消防水泵之间,以及消防水泵与墙或其他设备之间的间距,并应满足安装、运行和维护管理的要求。
第12.3.2-5消防水泵吸水管上的控制阀应在消防水泵固定于基础上后再进行安装,其直径不应小于消防水泵吸水口直径,且不应采用没有可靠锁定装置的控制阀,控制阀应采用沟漕式或法兰式阀门。
正确的安装顺序为(1)(2)(3),选B。
18.【答案】C
【解析】《消防给水及消火栓系统技术规范》(GB50974)
第14.0.5减压阀的维护管理应符合下列规定:
(2)每年应对减压阀的流量和压力进行一次试验。
第14.0.8每季度应对消防水泵接合器的接口及附件进行检查一次,并应保证接口完好、无渗漏、闷盖齐全。
第14.0.4消防水泵和稳压泵等供水设施的维护管理应符合下列规定:
(4)每日应对柴油机消防水泵的启动电池的电量进行检测,每周应检查储油箱的储油量,每月应手动启动柴油机消防水泵运行一次;
第14.0.6阀门的维护管理应符合下列规定:
(4)每季度应对室外阀门井中,进水管上的控制阀门进行一次检查,并应核实其处于全开启状态;
19.【答案】A
【解析】《建筑设计防火规范》(GB50016-2014)(2018年版)
第10.1.10消防配电线路应满足火灾时连续供电的需要,其敷设应符合下列规定:
(1)明敷时(包括敷设在吊顶内),应穿金属导管或采用封闭式金属槽盒保护,金属导管或封闭式金属槽盒应采取防火保护措施(A选项未体现采取防火保护措施);当采用阻燃或耐火电缆并敷设在电缆井、沟内时,可不穿金属导管或采用封闭式金属槽盒保护;当采用矿物绝缘类不燃性电缆时,可直接明敷;
(2)暗敷时,应穿管并应敷设在不燃性结构内且保护层厚度不应小于30mm;
20.【答案】B
【解析】根据《建筑防烟排烟系统技术标准》GB51251-20173.1.5防烟楼梯间及其前室的机械加压送风系统的设置应符合下列规定:
(1)建筑高度小于或等于50m的公共建筑、工业建筑和建筑高度小于或等于100m的住宅建筑,当采用独立前室且其仅有一个门与走道或房间相通时,可仅在楼梯间设置机械加压送风系统;当独立前室有多个门时,楼梯间、独立前室应分别独立设置机械加压送风系统。
(2)当采用合用前室时,楼梯间、合用前室应分别独立设置机械加压送风系统。
(3)当采用剪刀楼梯时,其两个楼梯间及其前室的机械加压送风系统应分别独立设置。所以A错误。
5.5.10高层公共建筑的疏散楼梯,当分散设置确有困难且从任一疏散门至最近疏散楼梯间入口的距离不大于10m时,可采用剪刀楼梯间,但应符合下列规定:
1楼梯间应为防烟楼梯间;
2梯段之间应设置耐火极限不低于1.00h的防火隔墙;
3楼梯间的前室应分别设置。
所以B正确,C错误。
5.5.18除本规范另有规定外,公共建筑内疏散门和安全出口的净宽度不应小于0.90m,疏散走道和疏散楼梯的净宽度不应小于1.10m。
高层公共建筑内楼梯间的首层疏散门、首层疏散外门、疏散走道和疏散楼梯的最小净宽度应符合表5.5.18的规定。

21.【答案】B
【解析】《细水雾灭火系统技术规范》GB50898-2013
第4.4.3泵组调试应符合下列规定:
(2)采用柴油泵作为备用泵时,柴油泵的启动时间不应大于5s。B错误。
22.【答案】C
【解析】根据《社会单位灭火和应急疏散预案编制及实施导则GB/T38315-2019》
6.7.3岗位职责
6.7.3.1预案应结合每个组织机构在应急行动中需要动用的资源、涉及的工作环节,按照下列要求明确每个组织机构及其成员在应急行动中的角色和职责:
a)指挥机构由总指挥、副总指挥、消防归口职能部门负责人组成,负责人员、资源配置,应急队伍指挥调动,协调事故现场等有关工作,批准预案的启动与终止,组织应急预案的演练,组织保护事故现场,收集整理相关数据、资料,对预案实施情况进行总结讲评;
b)通信联络组由现场工作人员及消防控制室值班人员组成,负责与指挥机构和当地消防部门、区域联防单位及其他应急行动涉及人员的通信、联络;
c)灭火行动组由自动灭火系统操作员、指定的一线岗位人员和专职或志愿消防员组成,负责在发生火灾后立即利用消防设施、器材就地扑救初起火灾;
d)疏散引导组由指定的一线岗位人员和专职或志愿消防员组成,负责引导人员正确疏散、逃生;
e)防护救护组由指定的具有医护知识的人员组成,负责协助抢救、护送受伤人员;
f)安全保卫组由保安人员组成,负责阻止与场所无关人员进入现场,保护火灾现场,协助消防部门开展火灾调查;
g)后勤保障组由相关物资保管人员组成,负责抢险物资、器材器具的供应及后勤保障。
23.【答案】B
【解析】《泡沫灭火系统技术标准》(GB50151-2021)附录C发泡倍数的测量方法。
量筒空桶重量为2kg,量筒装满清水重量为32kg,量筒内水的质量是30Kg,水的密度是1Kg/L,得出量筒容积V=30L。结合上面的计算公式,计算出N=3。高背压泡沫产生器产生的泡沫的发泡倍数需要控制在2-4倍,因此最有可能的低倍数液下喷射泡沫灭火系统。
24.【答案】B
【解析】根据《建筑内部装修设计防火规范》GB50222-2017
歌舞娱乐游艺场所不能降级,金属复合板属于A级,实木布艺B2级,珍珠岩装饰吸声板B1级,氯丁橡胶地板B1级。
25.【答案】D
【解析】《防火卷帘、防火门防火窗施工及验收规范》)(GB50877)
第4.3.1防火门应具有出厂合格证和符合市场准入制度规定的有效证明文件,其型号、规格及耐火性能应符合设计要求。
第4.3.2每樘防火门均应在其明显部位设置永久性标牌,并应标明产品名称、型号、规格、耐火性能及商标、生产单位(制造商)名称和厂址、出厂日期及产品生产批号、执行标准等。
第4.3.3防火门的门框、门扇及各配件表面应平整、光洁,并应无明显凹痕或机械损伤。
26.【答案】D
【解析】报警阀组漏水故障原因分析:1)排水阀门未完全关闭。2)阀瓣密封垫老化或者损坏。3)系统侧管道接口渗漏。4)报警管路测试控制阀渗漏。5)阀瓣组件与阀座之间因变形或者污垢、杂物阻挡出现不密封状态。
27.【答案】B
【解析】7.2.1系统调试应包括下列内容:1水源测试。2消防水泵调试。3稳压泵调试。4报警阀调试。5排水设施调试。6联动试验。
28.【答案】C
【解析】【8.0.6】每月检查应符合下列要求:
2高压二氧化碳灭火系统、七氟丙烷管网灭火系统及IG541灭火系统等系统的检查内容及要求应符合下列规定:
1)灭火剂储存容器及容器阀、单向阀、连接管、集流管、安全泄放装置、选择阀、阀驱动装置、喷嘴、信号反馈装置、检漏装置、减压装置等全部系统组件应无碰撞变形及其他机械性损伤,表面应无锈蚀,保护涂层应完好,铭牌和标志牌应清晰,手动操作装置的防护罩、铅封和安全标志应完整。
29.【答案】A
【解析】建筑面积在200㎡及以上的歌舞娱乐放映游艺场所属于严重危险级场所,属于A类火灾。该场所配置的单具灭火器最小灭火级别应为3A(选项A不符合)且最大保护距离为15m(选项B正确)
第3.2.3灭火器箱的箱门开启应方便灵活,其箱门开启后不得阻挡人员安全疏散。除不影响灭火器取用和人员疏散的场合外,开门型灭火器箱的箱门开启角度不应小于175。,翻盖型灭火器箱的翻盖开启角度不应小于100°。(选项C符合)
第3.4.1在有视线障碍的设置点安装设置灭火器时,应在醒目的地方设置指示灭火器位置的发光标志。(选项D符合)
30.【答案】D
【解析】根据建筑设计防火规范:
第3.7.3地下或半地下厂房(包括地下或半地下室),当有多个防火分区相邻布置,并采用防火墙分隔时,每个防火分区可利用防火墙上通向相邻防火分区的甲级防火门作为第二安全出口,但每个防火分区必须至少有1个直通室外的独立安全出口。所以B正确,D错误,选择D。
第3.7.4厂房内任一点至最近安全出口的直线距离不应大于表3.7.4的规定。所以A正确。

31.【答案】C
【解析】《中华人民共和国消防法》
第二十条举办大型群众性活动,承办人应当依法向公安机关申请安全许可,制定灭火和应急疏散预案并组织演练,明确消防安全责任分工,确定消防安全管理人员,保持消防设施和消防器材配置齐全、完好有效,保证疏散通道、安全出口、疏散指示标志、应急照明和消防车通道符合消防技术标准和管理规定。
32.【答案】D
【解析】《建筑设计防火规范》GB50016-2014(2018年版)
第9.3.2厂房内有爆炸危险场所的排风管道,严禁穿过防火墙和有爆炸危险的房间隔墙。
第9.3.4空气中含有易燃、易爆危险物质的房间,其送、排风系统应采用防爆型的通风设备。当送风机布置在单独分隔的通风机房内且送风干管上设置防止回流设施时,可采用普通型的通风设备。A符合要求。
33.【答案】D
【解析】根据《建筑内部装修设计防火规范》(GB50222-2017)5.1.1单层、多层民用建筑内部各部位装修材料的燃烧性能等级,不应低于本规范表5.1.1的规定。
第 5.1.3除本规范第4章规定的场所和本规范表5.1.1中序号为11~13规定的部位外,当单层、多层民用建筑需做内部装修的空间内装有自动灭火系统时,除顶棚外,其内部装修材料的燃烧性能等级可在本规范表5.1.1规定的基础上降低一级;当同时装有火灾自动报警装置和自动灭火系统时,其装修材料的燃烧性能等级可在本规范表5.1.1规定的基础上降低一级。
所以养老院的顶棚、墙面、地面及窗帘的燃烧性能分别不应低于B1级、B1级、B2级、B2级。
A选项至少为B1级,符合要求;B选项为B2级,符合要求;C选项为B2级,符合要求;D选项为B2级,不符合要求。故选择D选项。
34.【答案】B
【解析】根据《火灾自动报警系统设计规范》(GB50116),8.1.2可燃气体探测报警系统应独立组成,可燃气体探测器不应接入火灾报警控制器的探测器回路;当可燃气体的报警信号需接入火灾自动报警系统时,应由可燃气体报警控制器接入。故选择B选项。
35.【答案】B
【解析】A、C、D选项属于预防性管理措施,B选项属于加强性管理措施。
36.【答案】C
【解析】《建筑防烟排烟系统技术标准》(GB51251)
第9.0.3每季度应对防烟、排烟风机、活动挡烟垂壁、自动排烟窗进行一次功能检测启动试验及供电线路检査。
37.【答案】A
【解析】《建筑设计防火规范》(GB50016)3.8.2每座仓库的安全出口不应少于2个,当一座仓库的占地面积不大于300㎡时,可设置1个安全出口。仓库内每个防火分区通向疏走道、楼梯或室外的出口不宜少于2个,当防火分区的建筑面积不大于100㎡时,可设置1个出口。通向疏散走道或楼梯的门应为乙级防火门。
38.【答案】B
【解析】《自动喷水灭火系统设计规范》(GB50084-2017)
第5.0.17利用有压气体作为系统启动介质的干式系统和预作用系统,其配水管道内的气压值应根据报警阀的技术性能确定;利用有压气体检测管道是否严密的预作用系统,配水管道内的气压值不宜小于0.03MPa,且不宜大于0.05MPa。D正确。
第4.3.2-4干式系统和预作用系统的配水管道应设快速排气阀。有压充气管道的快速排气阀入口前应设电动阀。B错误。
39.【答案】A
【解析】《自动喷水灭火系统设计规范》(GB50084),多层旅馆是轻危险级。
轻危险级下垂型标准覆盖面积洒水喷头一只喷头最大保护面积不应大于20㎡。A符合要求。
边墙型标准覆盖面积洒水喷头的最大保护跨度轻危险级不超过3.6m,B不符合要求。
边墙型直立式标准覆盖面积洒水喷头溅水盘与顶板的距离应在100~150mm之间。C不符合要求。
边墙型直立式标准覆盖面积洒水喷头溅水盘与背墙的距离应在50~100mm之间。D不符合要求。
40.【答案】A
【解析】消防给水及消防栓系统技术规范》(GB50974)
第12.2.2消防水泵和稳压泵的检验应符合下列要求:1)消防水泵和稳压泵的流量、压力和电机功率应满足设计要求2)消防水泵产品质量应符合现行国家标准《消防泵》GB6245、《离心泵技术条件(I)类》CB/T
在16907或《离心泵技术条件(Ⅱ类)》GB/T5656的有关规定;3)稳压泵产品质量应符合现行国家标准《离心泵技术条件(Ⅱ类)》GB/T5656的有关规定4)消防水泵和稳压泵的电机功率应满足水泵全性能曲线运行的要求5)泵及电机的外观表面不应有碰损,轴心不应有偏心。
(1)、(2)、(3)项正确。
41.【答案】D
【解析】A选项接受宴请,C选项低于市场价都属于违反公平竞争。B选项是体现客观、公平原则。因此答案选D。
42.【答案】D
【解析】《水喷雾灭火系统技术规范》(GB50219)
第3.2.4水雾喷头的平面布置方式可为矩形或菱形。当按矩形布置时,水雾喷头之间的距离不应大于1.4倍水雾喷头的水雾锥底圆半径,矩形布置时,水雾喷头之间的距离L<1.4R=1.4m。(A选项不符合要求)
第8.3.18喷头的安装应符合下列规定:
(3)顶部设置的喷头应安装在被保护物的上部,室外安装坐标偏差不应大于20mm,室内安装坐标偏差不应大于10mm;标高的允许偏差,室外安装为±20mm,室内安装为±10mm。(B选项不符合要求)
(4)侧向安装的喷头应安装在被保护物体的侧面并应对准被保护物体,其距离偏差不应大于20mm。(C选项不符合要求)
第8.3.14-5管道支、吊架与水雾喷头之间的距离不应小于0.3m,与末端水雾喷头之间的距离不宜大于0.5m。(D选项符合要求)
43.【答案】D
【解析】《自动喷水灭火系统设计规范》(GB50084)
总建筑面积>5000㎡的商场为中危险II级。
【6.1.3-7】湿式系统的洒水喷头选型应符合的规定:不宜选用隐蔽式洒水喷头;确需采用时,应仅适用于轻危险级和中危险级I级场所。
44.【答案】D
【解析】《防火窗》GB16809-2008
第7.2.4窗扇自动关闭时间
活动式防火窗的窗扇自动关闭时间不应大于60s。
45.【答案】D
【解析】19版综合教材,P452-453。建筑面积在200平方米以上的公共娱乐场所,故A错误;
老人住宿床位在50张以上的养老院,故B错误。
高层公共建筑的办公楼(写字楼)、公寓楼等,故D正确。
生产车间员工在100人以上的服装、鞋帽、玩具等劳动密集型企业,钢磨具加工企业不是劳动密集型,故C错误。
高层公共建筑的公寓楼属于消防安全重点单位。
46.【答案】B
【解析】《建筑设计防火规范》GB50016-2014(2018年版)
第7.3.5除设置在仓库连廊、冷库穿堂或谷物筒仓工作塔内的消防电梯外,消防电梯应设置前室。A正确。
第7.3.8消防电梯应符合下列规定:
(1)应能每层停靠;B错误。
47.【答案】A
【解析】2019版综合教材P92
为避免过载,防止短路把电线烧坏或过热形成火源,除特殊情形外,绝缘导线和电缆的允许载流量不得小于熔断器熔体额定电流的1.25倍和断路器长延时过电流脱扣器整定电流的1.25倍。(A选项错误);
选用铜芯绝缘导线或电缆时,铜芯导线或电缆的截面1区应为2.5m㎡反以上,2区应力1.5m㎡及以上。(B选项正确):
当爆炸环境中气体、蒸气的密度比空气大时,电气线路应敷设在高处或埋入地下。架空敷设时选用电缆桥架,电缆沟敷设时沟内应填充沙并设置有效的排水挡施。当爆炸环境中气体、蒸气的密度比空气小时,电气线路应敷设在较低处或用电缆沟敷设。由于乙炔气体与空气的密度非常接近,因此,C选项属于有争议的选项。
《危险场所电气防爆安全规程》A3009-20076.1.1.1.1如果使用多股纹线尤其是细的绞合导线,应保护绞线终端,防止绞线分散,可用电缆套管或芯线端套,或用定型端子的方法,但不能单独使用焊接方法。D选项正确。
48.【答案】D
【解析】《酒厂设计防火规范》GB50694-2011
第4.1.7白酒、白兰地灌装车间应符合下列规定:
(1)应采用耐火极限不低于3.00h的不燃烧体隔墙与勾兑车间、洗瓶车间、包装车间隔开。(因此,1正确。)
(3)每条生产线设置的成品酒灌装罐,其容量不大于3m³。
(4)当每条生产线的成品酒灌装罐的单罐容量大于3m³但小于或等于20m³,且总容量小于或等于100m³时,其灌装罐可设置在建筑物的首层或二层靠外墙部位,并应采用耐火极限不低于3.00h的不燃烧体隔墙和不低于1.50h的楼板与灌装车间、勾兑车间、包装车间、洗瓶车间等隔开,且设置灌装罐的尊位应设置独立的安全出口。(所以,2正确。)
(5)当每条生产线的成品酒灌装罐的单罐容量大于20m³或者总容量大于100m³时,其灌装罐应在建筑物外独立设置。
《建筑设计防火规范》GB50016-2014(2018年版)灌装车间和勾兑车间为甲类厂房。
二级耐火等级的甲类单层厂房每个防火分区面积最大允许建筑面积为3000㎡,设自动喷水灭火系统最大为6000㎡,(3错误);
甲类厂房内任一点至最近安全出口的直线距离不应大于30m。(所以,4正确)
综上所述,D选项正确。
49.【答案】D
【解析】《消防给水及消火栓系统技术规范》GB50974-2014
第7.1.6干式消火栓系统的充水时间不应大于5min,并应符合下列规定:
(1)在供水干管上宜设干式报警阀、雨淋阀或电磁阀、电动阀等快速启闭装置,当采用电动阀时开启时间不应超过30s;
(2)当采用雨淋阀、电磁阀和电动阀时,在消火栓箱处应设置直接开启快速启闭装置的手动按钮;
(3)在系统管道的最高处应设置快速排气阀。
50.【答案】B
【解析】《消防给水及消火栓系统技术规范》(GB50974)
【13.1.4】消防水泵调试应符合下列要求:
1以自动直接启动或手动直接启动消防水泵时,消防水泵应在55s内投入正常运行,且应无不良噪声和振动;
4消防水泵零流量时的压力不应超过设计工作压力的140%;当出流量为设计工作流量的150%时,其出口压力不应低于设计工作压力的65%。
51.【答案】A
【解析】《火灾自动报警系统设计规范》(G850116)
第4.6.1防火门系统的联动控制设计,应符合下列规定:
(1)应由常开防火门所在防火分区内的两只独立的火灾探测器或一只火灾探测器与一只手动火灾报警按钮的报警信号,作为常开防火门关闭的联动触发信号,联动触发信号应由火灾报警控制器或消防联动控制器发出,并应由消防联动控制器或防火门监控器联动控制防火门关闭。
(2)疏散通道上各防火门的开启、关闭及故障状态信号应反馈至防火门监控器。
52.【答案】A
【解析】《消防给水及消火栓系统技术规范》GB50974-2014
第6.2.3采用消防水泵串联分区供水时,宜采用消防水泵转输水箱串联供水方式,并应符合下列规定;
(1)当采用消防水泵转输水箱串联时,转输水箱的有效储水容积不应小于60m³。
53.【答案】B
【解析】《建筑设计防火规范》(GB50016)(2018年版)
第3.3.8变、配电站不应设置在甲、乙类厂房内或贴邻,且不应设置在爆炸性气体、粉尘环境的危险区域内。供甲、乙类厂房专用的10kV及以下的变、配电站,当采用无门、窗、洞口的防火墙分隔时,可一面贴邻,并应符合现行国家标准《爆炸危险环境电力装置设计规范》GB50058等标准的规定。
乙类厂房的配电站确需在防火墙上开窗时,应采用甲级防火窗。
C选项有点争议,按照规范要求配电站和乙类厂房防火墙上才可以设置常闭的甲级防火窗。
54.【答案】A
【解析】《建设工程施工现场消防安全技术规范》(GB-60720)
第4.3.2在建工程作业场所临时疏散通道的设置应符合下列规定:
(1)耐火极限不应低于0.5h。
(2)设置在地面上的临时疏散通道,其净宽度不应小于1.5m;利用在建工程施工完毕的水平结构、楼梯作临时疏散通道时,其净宽度不宜小于1.0m;用于疏散的爬梯及设置在脚手架上的临时疏散通道,其净宽度不应小于0.6m。B、C符合规定。
(5)临时疏散通道的侧面为临空面时,应沿临空面设置高度不小于1.2m的防护栏杆。D正确。
由于A选项无法保证0.5h的耐火极限,其他选项都是正确的,所以,选A。
55.【答案】A
【解析】《建筑设计防火规范》(GB50016)(2018年版)
第6.4.14避难走道的设置应符合下列规定:
(2)避难走道直通地面的出口不应少于2个,并应设置在不同方向;当避难走道仅与一个防火分区相通且该防火分区至少有1个直通室外的安全出口时,可设置1个直通地面的出口。任一防火分区通向避难走道的门至该避难走道最近直通地面的出口的距离不应大于60m。A选项错误。
(3)避难走道的净宽度不应小于任一防火分区通向该避难走道的设计疏散总净宽度。
(5)防火分区至避难走道入口处应设置防烟前室,前室的使用面积不应小于6.0㎡,开向前室的门应采用甲级防火门,前室开向避难走道的门应采用乙级防火门。
56.【答案】C
【解析】《建筑设计防火规范》(GB50016)
第6.7.7当建筑的外墙外保温系统按本节规定采用燃烧性能为B1、B2级的保温材料时,应符合下列规定:
(1)除采用B1级保温材料且建筑高度不大于24m的公共建筑或采用B1级保温材料且建筑高度不大于27m的住宅建筑外,建筑外墙上门、窗的耐火完整性不应低于0.50h。
(2)应在保温系统中每层设置水平防火隔离带。防火隔离带应采用燃烧性能为A级的材料,防火隔离带的高度不应小于300mm。所以,A、B符合要求。
第6.7.10建筑的屋面外保温系统,当屋面板的耐火极限不低于1.00h时,保温材料的燃烧性能不应低于B2级;当屋面板的耐火极限低于1.00h时,不应低于B1级。采用B1、B2级保温材料的外保温系统应采用不燃材料作防护层,防护层的厚度不应小于10mm。
当建筑的屋面和外墙外保温系统均采用B1、B2级保温材料时,屋面与外墙之间应采用宽度不小于500mm的不燃材料设置防火隔离带进行分隔。C选项不符合要求。
第6.7.8建筑的外墙外保温系统应采用不燃材料在其表面设置防护层,防护层应将保温材料完全包覆。除本规范第6.7.3条规定的情况外,当按本节规定采用B1、B2级保温材料时,防护层厚度首层不应小于15mm,其他层不应小于5mm。D正确。
57.【答案】C
【解析】《建筑设计防火规范》GB50016-2014(2018年版)
第10.2.4开关、插座和照明灯具靠近可燃物时,应采取隔热、散热等防火措施。
卤钨灯和额定功率不小于100W的白炽灯泡的吸顶灯、槽灯、嵌入式灯,其引入线应采用瓷管、矿棉等不燃材料作隔热保护。所以B错误。
第10.2.5可燃材料仓库内宜使用低温照明灯具,并应对灯具的发热部件采取隔热等防火措施,不应使用卤钨灯等高温照明灯具。所以A错误。
配电箱及开关应设置在仓库外。所以D错误。C正确。
58.【答案】D
【解析】根据《中华人民共和消防法》第六十条规定,单位违反本法规定,有下列行为之-一的,责令改正,处五千元以上五万元以下罚款:(一)消防设施、器材或者消防安全标志的配置、设置不符合国家标准、行业标准,或者未保持完好有效的;(二)损坏、挪用或者擅自拆除、停用消防设施、器材的;(三)占用、堵塞、封闭疏散通道、安全出口或者有其他妨碍安全疏散行为的;(四)埋压、圈占、遮挡消火栓或者占用防火间距的;(五)占用、堵塞、封闭消防车通道,妨碍消防车通行的;(六)人员密集场所在门窗上设置影响逃生和灭火救援的障碍物的;(七)对火灾隐患经消防救援机构通知后不及时采取措施消除的。个人有前款第二项、第三项、第四项、第五项行为之一的,处警告或者五百元以下罚款。有本条第一款第三项、第四项、第五项、第六项行为,经责令改正拒不改正的,强制执行,所需费用由违法行为人承担。
59.【答案】C
【解析】《汽车库、修车库、停车场设计防火规范》GB50067-2014
第8.2.4当采用自然排烟方式时,可采用手动排烟窗、自动排烟窗、孔洞等作为自然排烟口,并应符合下列规定:
(1)自然排烟口的总面积不应小于室内地面面积的2%;所以C错误。
(2)自然排烟口应设置在外墙上方或屋顶上,并应设置方便开启的装置;A、B正确。
第8.2.6每个防烟分区应设置排烟口,排烟口宜设在顶棚或靠近顶棚的墙面上。排烟口距该防烟分区内最远点的水平距离不应大于30m。D正确。
60.【答案】A
【解析】《刑法》。第一百三十四条【强令违章冒险作业罪】强令他人违章冒险作业,因而发生重大伤亡事故或者造成其他严重后果的,处五年以下有期徒刑或者拘役;情节特别恶劣的,处五年以上有期徒刑。解题思路:题干没有体现出情节特别恶劣,就不要往特别恶劣上靠。
61.【答案】B
【解析】
到期不缴纳罚款的,每日按罚款数额的百分之三加处罚款(见本章第二节五、《中华人民共和国行政处罚法》)。
62.某【答案】B
【解析】当控制器内部、控制器与其连接的部件间发生故障时,控制器应在100s内发出与火灾报警信号有明显区别的故障声、光信号,故选项A、C、D符合要求。当有火灾探测器火灾报警信号输入时,控制器应在10s内发出火灾报警声、光信号,故选项B不符合要求(见本章第二节三、系统检测验收中表3-13-5)。
63.【答案】C
【解析】《气体灭火系统施工及验收规范》(GB50263)E·1·1-1水压强度试验压力取值:对高压二氧化碳灭火系统,应取15.0MPa,对低压二氧化碳灭火系统,应取4.0MPa。A错误。E·1·3当水压强度试验条件不具备时,可采用气压强度试验代替。气压强度试验压力取值:二氧化碳灭火系统取80%水压强度试验压力。D错误。E·1·5灭火剂输送管道经水压强度试验合格后还应进行气密性试验,经气压强度试验合格且在试验后未拆卸过的管道可不进行气密性试验。C选项。E·1·6灭火剂输送管道在水压强度试验合格后,或气密性试验前,应进行吹扫。吹扫管道可采用压缩空气或氮气,吹扫时,管道未端的气体流速不应小于20m/s,采用白布检查,直至无铁锈、尘土、水渍及其他异物出现。B错误。
64.【答案】C
【解析】根据《消防应急照明和疏散指示系统技术标准》(GB51309)
【3.2.4】系统应急启动后,在蓄电池电源供电时的持续工作时间应满足下列要求:
1建筑高度大于100m的民用建筑,不应小于1.5h。
2医疗建筑、老年人照料设施、总建筑面积大于100000㎡的公共建筑和总建筑面积大于20000㎡的地下、半地下建筑,不应少于1.0h。
3其他建筑,不应少于0.5h。
65.【答案】C
【解析】《建筑防烟排烟系统技术标准》(GB51251)
【8.2.5】机械防烟系统的验收方法及要求应符合下列规定:
1选取送风系统末端所对应的送风最不利的三个连续楼层模拟起火层及其上下层,封闭避难层(间)仅需选取本层,测试前室及封闭避难层(间)的风压值及疏散门的门洞断面风速值,应分别符合本标准第【3.4.4】条和第【3.4.6】条的规定,且偏差不大于设计值的10%;
2对楼梯间和前室的测试应单独分别进行,且互不影响;
3测试楼梯间和前室疏散门的门洞断面风速时,应同时开启三个楼层的疏散门。
66.【答案】A
【解析】《重大火灾隐患判定方法》(GB35181)
6直接判定要素
6.8在人员密集场所违反消防安全规定使用、储存或销售易燃易爆危险品。
知识扩展:6直接判定要素
6.1生产、储存和装卸易燃易爆危险品的工厂、仓库和专用车站、码头、储罐区,未设置在城市的边缘或相对独立的安全地带。
6.2生产、储存、经营易燃易爆危险品的场所与人员密集场所、居住场所设置在同一建筑物内,或与人员密集场所、居住场所的防火间距小于国家工程建设消防技术标准规定值的75%。
6.3城市建成区内的加油站、天然气或液化石油气加气站、加油加气合建站的储量达到或超过GB50156对一级站的规定。
6.4甲、乙类生产场所和仓库设置在建筑的地下室或半地下室。
6.5公共娱乐场所、商店、地下人员密集场所的安全出口数量不足或其总净宽度小于国家工程建设消防技术标准规定值的80%。
6.6旅馆、公共娱乐场所、商店、地下人员密集场所未按国家工程建设消防技术标准的规定设置自动喷水灭火系统或火灾自动报警系统。
6.7易燃可燃液体、可燃气体储罐(区)未按国家工程建设消防技术标准的规定设置固定灭火、冷却、可燃气体浓度报警、火灾报警设施。
6.8在人员密集场所违反消防安全规定使用、储存或销售易燃易爆危险品。
6.9托儿所、幼儿园的儿童用房以及老年人活动场所,所在楼层位置不符合国家工程建设消防技术标准的规定。
6.10人员密集场所的居住场所采用彩钢夹芯板搭建,且彩钢夹芯板芯材的燃烧性能等级低于GB8624规定的A级。

67.【答案】B
【解析】考查喷头现场检验内容的相关知识。
《自动喷水灭火系统施工及验收规范》(GB50261)
【3.2.7】喷头的现场检验必须符合下列要求:
1喷头的商标、型号、公称动作温度、响应时间指数(RTI)、制造厂及生产日期等标志应齐全。
2喷头的型号、规格等应符合设计要求。
3喷头外观应无加工缺陷和机械损伤。
4喷头螺纹密封面应无伤痕、毛刺、缺丝或断丝现象。
5闭式喷头应进行密封性能试验,以无渗漏、无损伤为合格。因此选B。
68.【答案】D
【解析】《建筑设计防火规范》(GB50016)
【5.5.27-3】住宅建筑的疏散楼梯设置应符合的规定:建筑高度大于33m的住宅建筑应采用防烟楼梯间。D选项不符合要求。
69.【答案】D
【解析】《建筑设计防火规范》(GB50016)5·5·24高层病房楼应在二层及以上的病房楼层和洁净手术部设置避难间。避难间应符合下列规定:1避难间服务的护理单元不应超过2个,其净面积应按每个护理单元不小于25.0㎡确定。D不符合要求。
70.【答案】A
【解析】《建筑消防设施的维护管理》GB25201-2010
【5.2】消防控制室值班时间和人员应符合以下要求:
c)正常工作状态下,不应将自动喷水灭火系统、防烟排烟系统和联动控制的防火卷帘等防火分隔设施设置在手动控制状态,其他消防设施及相关设备如设置在手动状态时,应有在火灾情况下迅速将手动控制转换为自动控制的可靠措施。
71.【答案】D
【解析】《建筑内部装修设计防火规范》(GB50222)4·0·10消防控制室等重要房间,其顶棚和墙面应采用A级装修材料,地面及其它装修应采用不低于B1级的装修材料。硅酸钙板为A级、水泥刨花板为B1级、经阻燃处理的难燃织物为B1级、矿棉板为B1级。
72.【答案】B
【解析】消防给水及消火栓系统技术规范GB50974-201414·0·4消防水泵和稳压泵等供水设施的维护管理应符合下列规定:2每周应模拟消防水泵自动控制的条件自动启动消防水泵运转一次,且应自动记录自动巡检情况,每月应检测记录;(选项C不正确)3每日应对稳压泵的停泵起泵压力和起泵次数等进行检查和记录运行情况;(选项A不符合要求)5每季度应对消防水泵的出流量和压力进行一次试验;(选项B符合要求)6每月应对气压水罐的压力和有效容积等进行一次检测。(选项D不正确)
73.【答案】C
【解析】防火卷帘检查方法:

74.【答案】C
【解析】根据《机关、团体、企业、事业单位消防安全管理规定》(公安部令第61号)
第七条,单位可以根据需要确定本单位的消防安全管理人。消防安全管理人对单位的消防安全责任人负责,实施和组织落实下列消防安全管理工作:
(一)拟定年度消防工作计划,组织实施日常消防安全管理工作;
(二)组织制订消防安全管理制度和保障消防安全的操作规程并检查督促其落实;
(三)拟定消防安全工作的资金投入和组织保障方案;
(四)组织实施防火检查和火灾隐患整改工作;
(五)组织实施对本单位消防设施、灭火器材和消防安全标志的维护保养,确保其完好有效,确保疏散通道和安全出口畅通;
(六)组织管理专职消防队和义务消防队;
(七)在员工中组织开展消防知识、技能的宣传教育和培训,组织灭火和应急疏散预案的实施和演练;
(八)单位消防安全责任人委托的其他消防安全管理工作。
C选项为消防安全责任人的工作内容。
75.【答案】B
【解析】根据《消防安全综合能力》泡沫灭火系统主要由泡沫泵、泡沫液储罐、泡沫比例混合器(装置)、泡沫产生装置、控制阀门及管道等组成。故选择B选项。
76.【答案】A
【解析】根据公安部61号令《机关、团体、企业、事业单位消防安全管理规定》
第二十六条机关、团体、事业单位应当至少每季度进行一次防火检查,其他单位应当至少每月进行一次防火检查。检查的内容应当包括:
(一)火灾隐患的整改情况以及防范措施的落实情况;
(二)安全疏散通道、疏散指示标志、应急照明和安全出口情况;
(三)消防车通道、消防水源情况;
(四)灭火器材配置及有效情况;
(五)用火、用电有无违章情况;
(六)重点工种人员以及其他员工消防知识的掌握情况;
(七)消防安全重点部位的管理情况;
(八)易燃易爆危险物品和场所防火防爆措施的落实情况以及其他重要物资的防火安全情况;
(九)消防(控制室)值班情况和设施运行、记录情况;
(十)防火巡查情况;
(十一)消防安全标志的设置情况和完好、有效情况;
(十二)其他需要检查的内容。
防火检查应当填写检查记录。检查人员和被检查部门负责人应当在检查记录上签名。
77.【答案】B
【解析】消防给水及消火栓系统技术规范GB50974-201412·4·2压力管道水压强度试验的试验压力应符合表12.4.2的规定。0.4*1.5=0.6,且不应小于0.8MPa,所以答案选择B
78.【答案】D
【解析】根据《建筑灭火器配置验收及检查规范》GB50444-2008,5.4.2有下列情况之一的灭火器应报废:1筒体严重锈蚀,锈蚀面积大于、等于筒体总面积的1/3,表面有凹坑;2筒体明显变形,机械损伤严重;3器头存在裂纹、无泄压机构;4筒体为平底等结构不合理;5没有间歇喷射机构的手提式;6没有生产厂名称和出厂年月,包括铭牌脱落,或虽有铭牌,但已看不清生产厂名称,或出厂年月钢印无法识别;7筒体有锡焊、铜焊或补缀等修补痕迹;所以应报废,选择D。8被火烧过。
79.【答案】D
【解析】《建筑设计防火规范》(GB50016)
【5.3.5】总建筑面积大于20000㎡的地下或半地下商店,应采用无门、窗、洞口的防火墙、耐火极限不低于2.00h的楼板分隔为多个建筑面积不大于20000㎡的区域。相邻区域确需局部连通时,应采用下沉式广场等室外开敞空间、防火隔间、避难走道、防烟楼梯间等方式进行连通,并应符合下列规定:
2防火隔间的墙应为耐火极限不低于3.00h的防火隔墙,并应符合本规范第【6.4.13】条的规定;所以,A错误。
【6.4.13】防火隔间的设置应符合下列规定:
1防火隔间的建筑面积不应小于6.0㎡;
2防火隔间的门应采用甲级防火门;D正确,甲级门要求1.5h的耐火极限.
3不同防火分区通向防火隔间的门不应计入安全出口,门的最小间距不应小于4m;所以B、C错误。B选项虽然面积满足要求,但是两个门之间的水平距离不满足4m。
80.【答案】A
【解析】《建筑设计防火规范》(GB50016)
【5.5.24】高层病房楼应在二层及以上的病房楼层和洁净手术部设置避难间。避难间应符合下列规定:
1避难间服务的护理单元不应超过2个,其净面积应按每个护理单元不小于25.0㎡确定。A正确。
该建筑为一类高层公共建筑,应采用防烟楼梯间,所以B错误。
高层病房楼单面布房走道净宽度不应小于1.4米。所以C错误。
高层病房楼内走道尽端的疏散门到最近安全出口的距离不应大于12*1.25=15m,所以,D错误。
二、多选题(共20小题,每题2分,每题的备选项中有2个或2个以上符合题意。错选、漏选不得分;少选,所选的每个选项得0.5分)
81.【答案】ACD
【解析】《建筑灭火器配置验收及检查规范》GB50444-2008
第3.1.4灭火器的安装设置应稳固,灭火器的铭牌应朝外,灭火器的器头宜向上。A错误。
第3.2.4挂钩、托架安装后应能承受一定的静载荷,不应出现松动、脱落、断裂和明显变形。
检查方法:以5倍的手提式灭火器的载荷悬挂于挂钩、托架上,作用5min,观察是否出现松动、脱落、断裂和明显变形等现象;当5倍的手提式灭火器质量小于45kg时,应按45kg进行检查。B选项基本正确。
第3.2.7嵌墙式灭火器箱及挂钩、托架的安装高度应满足手提式灭火器顶部离地面距离不大于1.50m,底部离地面距离不小于0.08m的规定。C错误。
第4.2.3在同一灭火器配置单元内,采用不同类型灭火器时,其灭火剂应能相容。
磷酸铵盐干粉灭火器和碳酸氢钠干粉灭火器不相容,因此,D错误。
第3.4.4(条文说明)当灭火器需要设置在潮湿或腐蚀性的场所时,则要求对这些灭火器采取防湿和防腐蚀的措施。例如,给灭火器套上专用的防护外罩,或选用不锈钢筒体灭火器等。E正确。
82.【答案】CDE
【解析】《自动喷水灭火系统施工及验收规范》(GB50261)
第6.1.3湿式系统的洒水喷头选型应符合下列规定:
(1)不做吊顶的场所,当配水支管布置在梁下时,应采用直立型洒水喷头;D正确
(2)吊顶下布置的洒水喷头,应采用下垂型洒水喷头或吊顶型洒水喷头;C正确
(3)顶板为水平面的轻危险级、中危险级Ⅰ级住宅建筑、宿舍、旅馆建筑客房、医疗建筑病房和办公室,可采用边墙型洒水喷头;图书馆书库属于中ⅠⅠ危险级,故A错误
(7)不宜选用隐蔽式洒水喷头;确需采用时,应仅适用于轻危险级和中危险级Ⅰ级场所。5000㎡的商场属于中II危险等级,故B错误。
仓库采可用早期抑制快速响应喷头,故E正确
83.【答案】BE
【解析】《建筑设计防火规范》GB50016-2014(2018年版)
第7.2.5供消防救援人员进入的窗口的净高度和净宽度均不应小于1.0m,下沿距室内地面不宜大于1.2m,间距不宜大于20m且每个防火分区不应少于2个,设置位置应与消防车登高操作场地相对应。B错误,C正确,D正确。
E选项,救援窗对应的位置设置广告牌不利于灭火救援,因此,E错误。A选项由于没有办法确定救援窗是否布置在建筑的南面,所以,无法判断是否正确,建议不选。
84.【答案】BCD
【解析】《建筑内部装修设计防火规范》GB50222-2017
第4.0.4地上建筑的水平疏散走道和安全出口的门厅,其顶棚应采用A级装修材料,其他部位应采用不低于B1级的装修材料;地下民用建筑的疏散走道和安全出口的门厅,其顶棚、墙面和地面均应采用A级装修材料。
第4.0.5疏散楼梯间和前室的顶棚、墙面和地面均应采用A级装修材料。
第4.0.9消防水泵房、机械加压送风排烟机房、固定灭火系统钢瓶间、配电室、变压器室、发电机房、储油间、通风和空调机房等,其内部所有装修均应采用A级装修材料。
B、C、D均采用A级不燃材料,符合要求;
地下的商店营业厅地面应采用A级装修材料,水泥木丝板属于B1级,因此,E不符合要求。
疏散楼梯间前室墙面设置灯箱广告可能会影响到人员的安全疏散,故A不符合要求。
85.【答案】ABC
【解析】《建筑防烟排烟系统技术标准》(GB51251)
【5.1.2】加压送风机的启动应符合下列规定:
4系统中任一常闭加压送风口开启时,加压风机应能自动启动。故A正确。
【3.3.6】加压送风口的设置应符合下列规定:
3送风口的风速不宜大于7m/s;故C正确。
【3.4.4】机械加压送风量应满足走廊至前室至楼梯间的压力呈递增分布,余压值应符合下列规定:1前室、封闭避难层(间)与走道之间的压差应为25Pa~30Pa;故E不正确。
《火灾自动报警系统设计规范》(GB50116)
【4.5.1】防烟系统的联动控制方式应符合下列规定:
1应由加压送风口所在防火分区内的两只独立的火灾探测器或一只火灾探测器与一只手动火灾报警按钮的报警信号,作为送风口开启和加压送风机启动的联动触发信号,并应由消防联动控制器联动控制相关层前室等需要加压送风场所的加压送风口开启和加压送风机启动。故B正确,D不正确。
86.【答案】AC
【解析】《消防给水及消火栓系统技术规范》
第5.1.13离心式消防水泵吸水管、出水管和阀门等,应符合下列规定:5消防水泵的吸水管上应设置明杆闸阀或带自锁装置的蝶阀,但当设置暗杆阀门时应设有开启刻度和标志;A错误。
第13.1.4消防水泵调试应符合下列要求:
(2)以备用电源切换方式或备用泵切换启动消防水泵时,消防水泵应分别在1min或2min内投入正常运行;故B正确;
第5.2.1-6总建筑面积大于10000㎡且小于30000㎡的商店建筑,不应小于36m³,总建筑面积大于30000㎡的商店,不应小于50m³,当与本条第1款规定不一致时应取其较大值,故选C;
第11.0.4消防水泵应由消防水泵出水干管上设置的压力开关、高位消防水箱出水管上的流量开关,或报警阀压力开关等开关信号应能直接自动启动消防水泵。高位消防水箱的流量开关直接连锁启动消防水泵不受消防联动控制器手动/自动状态的影响。D正确。
第11.0.2消防水泵不应设置自动停泵的控制功能,停泵应由具有管理权限的工作人员根据火灾扑救情况确定。E正确。
87.某【答案】BCE
【解析】

88.【答案】ACE
【解析】《自动水灭火系统施工及验收规范》
第7.1.2系统调试应具备下列条件:
(1)消防水池、消防水箱已储存设计要求的水量。
(2)系统供电正常。
(3)消防气压给水设备的水位、气压符合设计要求。
(4)湿式喷水灭火系统管网内已充满水;干式、预作用喷水灭火系统管网内的气压符合设计要求;阀门均无泄漏。
(5)与系统配套的火灾自动报警系统处于工作状态。
89.【答案】BCD
【解析】《建筑设计防火规范》GB50016-2014(2018年版)
第6.4.4-3建筑的地下或半地下部分与地上部分不应共用楼梯间,确需共用楼梯间时,应在首层采用耐火极限不低于2.00h的防火隔墙和乙级防火门将地下或半地下部分与地上部分的连通部位完全分隔,并应设置明显的标志。A错误。
商业服务网点上下层布置时,一般采用室内的楼梯连通,所以,B正确。
第5.5.18除本规范另有规定外,公共建筑内疏散门和安全出口的净宽度不应小于0.90m,疏散走道和疏散楼梯的净宽度不应小于1.10m。C正确。
第5.4.11商业服务网点每个分隔单元内任一点至最近直通室外的出口的直线距离不应大于本规范表5.5.17中有关多层其他建筑位于袋形走道两侧或尽端的疏散门至最近安全出口的最大直线距高。查表为22米。D正确。
第5.5.27-3建筑高度大于33的住宅建筑应采用防烟楼梯间。E错误。
90.【答案】BCDE
【解析】《火灾自动报警系统设计规范》GB50116-2013
第4.6.4非疏散通道上设置的防火卷帘的联动控制设计,应符合下列规定:
(2)手动控制方式,应由防火卷帘两侧设置的手动控制按钮控制防火卷帘的升降,并应能在消防控制室内的消防联动控制器上手动控制防火卷帘的降落。A错误。
第4.7.1消防联动控制器应具有发出联动控制信号强制所有电梯停于首层或电梯转换层的功能。D正确。
第4.6.1防火门系统的联动控制设计,应符合下列规定:
(1)应由常开防火门所在防火分区内的两只独立的火灾探测器或一只火灾探测器与一只手动火灾报警按钮的报警信号,作为常开防火门关闭的联动触发信号,联动触发信号应由火灾报警控制器或消防联动控制器发出,并应由消防联动控制器或防火门监控器联动控制防火门关闭。E正确。
《消防控制室通用技术要求》GB25506-2010
第5.1消防控制室图形显示装置
消防控制室图形显示装置应符合下列要求:
a)应能显示4.1规定的资料内容及附录B规定的其他相关信息;C正确。
b)应能用同一界面显示建(构)筑物周边消防车道、消防登高车操作场地、消防水源位置,以及相邻建筑的防火间距、建筑面积、建筑高度、使用性质等情况;
c)应能显示消防系统及设备的名称、位置和5.2~5.7规定的动态信息;B正确。
第5.7消防电源监控器
消防电源监控器应符合下列要求:
a)应能显示消防用电设备的供电电源和备用电源的工作状态和故障报警信息;
b)应能将消防用电设备的供电电源和备用电源的工作状态和欠压报警信息传输给消防控制室图形显示装置。
91.【答案】ADE
【解析】《机关、团体、企业、事业单位消防安全管理规定》
第十九条单位应当将容易发生火灾、一旦发生火灾可能严重危及人身和财产安全以及对消防安全有重大影响的部位确定为消防安全重点部位,设置明显的防火标志,实行严格管理。A正确,B错误。
第二十五条消防安全重点单位应当进行每日防火巡查,并确定巡查的人员、内容、部位和频次应当填写巡查记录,巡查人员及其主管人员应当在巡查记录上签名。E正确。
第二十六条机关、团体、事业单位应当至少每季度进行一次防火检查,其他单位应当至少每月进行一次防火检查。D正确。
第四十条消防安全重点单位应当按照灭火和应急疏散预案,至少每半年进行一次演练,并结合实际,不断完善预案。其他单位应当结合本单位实际,参照制定相应的应急方案,至少每年组织一次演练。C错误。
92.【答案】DE
【解析】《火灾自动报警系统设计规范》(GB50116-2013)
第4.3.1联动控制方式,应由消火栓系统出水干管上设置的低压压力开关、高位消防水箱出水管上设置的流量开关或报警阀压力开关等信号作为触发信号,直接控制启动消火栓泵,联动控制不应受消联动控制器处于自动或手动状态的影响。A不符合要求。
第4.2.4自动控制的水幕系统的联动控制设计,应符合下列规定:
(1)联动控制方式,当自动控制的水幕系统用于防火卷帘的保护时,应由防火卷帘下落到楼板面的动作信号与本报警区域内任一火灾探测器或手动火灾报警按钮的报警信号作为水幕阀组启动的联动触发信号,并应由消防联动控制器联动控制水幕系统相关控制阀组的启动;仅用水幕系统作为防火分隔时,应由该报警区域内两只独立的感温火灾探测器的火灾报警信号作为水幕阀组启动的联动触发信号,并应由消防联动控制器联动控制水幕系统相关控制阀组的启动。B、C不符合要求。
第4.2.1湿式系统和干式系统的联动控制设计,应符合下列规定:
(1)联动控制方式,应由湿式报警阀压力开关的动作信号作为触发信号,直接控制启动喷淋消防泵,联动控制不应受消防联动控制器处于自动或手动状态影响。D正确。
第4.9.2当确认火灾后,由发生火灾的报警区域开始,顺序启动全楼疏散通道的消防应急照明和疏散指示系统,系统全部投入应急状态的启动时间不应大于5s。E正确。
93.【答案】AB
【解析】乙醇生产厂层为甲类厂房,耐火等级不低于二级,无高层;氨压缩机房为乙类厂房;造纸车间为丙类厂房;饲料加工厂房为丙类厂房。
甲类厂房与二级耐火等级的乙类单层厂房的间距不应小于12m。A符合要求。
甲类厂房与丙类高层厂房的间距不应小于13m。B符合要求。
两座厂房相邻较高一面外墙为防火墙,其防火间距不限,但甲类厂房之间不应小于4m。C不符合要求。
甲类厂房与高层民用建筑的间距不应小于50m。D不符合要求。
散发可燃气体可燃蒸气的甲类厂房与厂外铁路线中心线的距离不应小于30m。E不符合要求。
94.【答案】BD
【解析】《建筑设计防火规范》(GB50016)
由于A选项没有明确的条文不允许设置,所以,不选A选项。
第6.4.1-4封闭楼梯间、防烟楼梯间及其前室,不应设置卷帘。B不符合要求。
第5.5.17-4一、二级耐火等级建筑内疏散门或安全出口不少于2个的观众厅、展览厅、多功能厅、餐厅、营业厅等,其室内任一点至最近疏散门或安全出口的直线距离不应大于30m;当疏散门不能直通室外地面或疏散楼梯间时,应采用长度不大于10m的疏散走道通至最近的安全出口。当该场所设置自动喷水灭火系统时,室内任一点至最近安全出口的安全疏散距离可分别增加25%。该建筑设置有自动喷水灭火系统,因此,第四层营业厅的最大疏散距离可以放宽至37.5m。C符合要求。
第6.4.3-5除住宅建筑的楼梯间前室外,防烟楼梯间和前室内的墙上不应开设除疏散门和送风口外的其他门、窗、洞口。D不符合要求。
地上第三层疏散人数为0.13×8000=1040人,根据表5.6.21-1可知此商场每百人最小疏散净宽度为1.00,所以该层疏散楼梯总净宽度最小为(1040÷100)×1.0=10.4m。E符合要求。
95.【答案】BD
【解析】活性炭制造厂房为乙类六项。
第3.6.6散发较空气重的可燃气体、可燃蒸气的甲类厂房和有粉尘、纤维爆炸危险的乙类厂房,应符合下列规定:
(1)应采用不发火花的地面。采用绝缘材料作整体面层时,应采取防静电措施。水泥地面属于发火花地面,所以A错误,D正确。
(3)厂房内不宜设置地沟,确需设置时,其盖板应严密,地沟应采取防止可燃气体、可燃蒸气和粉尘、纤维在地沟积聚的有效措施,且应在与相邻厂房连通处采用防火材料密封。B正确,C错误。
第9.2.2甲、乙类厂房(仓库)内严禁采用明火和电热散热器供暖。E错误。
96.【答案】CE
【解析】《建筑设计防火规范》(GB50016-2014)(2018年版)
第6.2.9建筑内的电梯井等竖井应符合下列规定:
(1)电梯井应独立设置,井内严禁敷设可燃气体和甲、乙、丙类液体管道,不应敷设与电梯无关的电缆、电线等。电梯井的井壁除设置电梯门、安全逃生门和通气孔洞外,不应设置其他开口;
(2)电缆井、管道井、排烟道、排气道、垃圾道等竖向井道,应分别独立设置。井壁的耐火极限不应低于1.00h,井壁上的检查门应采用丙级防火门;A正确。
第6.2.7附设在建筑内的消防控制室、灭火设备室、消防水泵房和通风空气调节机房、变配电室等,应采用耐火极限不低于2.00h的防火隔墙和1.50h的楼板与其他部位分隔。
通风、空气调节机房和变配电室开向建筑内的门应采用甲级防火门,消防控制室和其他设备房开向建筑内的门应采用乙级防火门。B正确,C错误,D正确,E错误。
建筑防火通用规范 GB55037-2022
6.4.4 电气竖井、管道井、排烟道、排气道、垃圾道等竖井井壁上的检查门,应符合下列规定:
1 对于埋深大于10m的地下建筑或地下工程,应为甲级防火门;
2 对于建筑高度大于100m的建筑,应为甲级防火门;
3 对于层间无防火分隔的竖井和住宅建筑的合用前室,门的耐火性能不应低于乙级防火门的要求;
4 对于其他建筑,门的耐火性能不应低于丙级防火门的要求,当竖井在楼层处无水平防火分隔时,门的耐火性能不应低于乙级防火门的要求。
97.【答案】ACD
【解析】《火灾自动报警系统施工及验收规范》GB50166-2007
第4.11.1将区域显示器(火灾显示盘)与火灾报警控制器相连接,按现行国家标准《火灾显示盘通用技术条件》GB17429的有关要求检查其下列功能并记录,区域显示器应满足相应要求:
(1)区域显示器(火灾显示盘)应在3s内正确接收和显示火灾报警控制器发出的火灾报警信号。A错误。
故障信号100s内显示,B正确。
非疏散通道上的防火卷帘的联动控制应由防火卷帘所在防火分区内任两只独立的火灾探测器的报警信号,作为防火卷帘下降的联动触发信号,并应联动控制防火卷帘直接下降到楼板面。C错误。
第4.8.12消防应急广播与普通广播或背景音乐广播合用时,应具有强制切入消防应急广播的功能。E正确。
设备有故障应先查明原因,需要更换时再更换,D错误。
98.【答案】BDE
【解析】二氧化碳灭火系统设计规范(2010版)GB50193-93:7.0.3防护区入口处应设灭火系统防护标志和二氧化碳喷放指示灯。二氧化碳灭火系统防护区入口附件未要求设置气体灭火控制盘。所以A不选。7.0.7设置灭火系统的防护区的入口处明显位置应配备专用的空气呼吸器或氧气呼吸器。所以选B。7.0.4当系统管道设置在可燃气体、蒸气或有爆炸危险粉尘的场所时,应设防静电接地。所以C不选。7.0.5地下防护区和无窗或固定窗扇的地上防护区,应设机械排风装置。所以D选择。6.0.3A对于采用全淹没灭火系统保护的防护区,应在其出入口处设置手动、自动转换控制装置;有人工作时,应置于手动控制状态。所以E选择。
99.【答案】ABCE
【解析】《重大火灾隐患判定方法》(GB35181)
(7)综合判定要素
第7.5人员密集场所、高层建筑和地下建筑未按国家工程建设消防技术标准的规定设置防烟、排烟设施,或已设置但不能正常使用或运行。B选项属于。
第7.8.2消防控制室操作人员未按GB25506的规定持证上岗。A选项属于。
第7.9.5违反国家工程建设消防技术标准的规定在人员密集场所使用易燃、可燃材料装修、装饰。C选项属于。
第7.3.7设有人员密集场所的高层建筑的封闭楼梯间或防烟楼梯间的门的损坏率超过其设置总数的20%,其他建筑的封闭楼梯间或防烟楼梯间的门的损坏率大于其设置总数的50%。D选项不属于。
第7.3.9人员密集场所的疏散走道、楼梯间、疏散门或安全出口设置栅栏、卷帘门。E选项属于。
100.【答案】BCE
【解析】《建筑设计防火规范》GB50016-2014(2018年版)
【3.7.6】高层厂房和甲、乙、丙类多层厂房的疏散楼梯应采用封闭楼梯间或室外楼梯。建筑高度大于32m且任一层人数超过10人的厂房,应采用防烟楼梯间或室外楼梯。故A正确。
高层丙类厂房,安全疏散距离不应大于40m,故B错误。
【6.4.2-3】高层建筑、人员密集的公共建筑、人员密集的多层丙类厂房、甲、乙类厂房,其封闭楼梯间的门应采用乙级防火门,并应向疏散方向开启;其他建筑,可采用双向弹簧门。
【6.5.2-2】除允许设置常开防火门的位置外,其他位置的防火门均应采用常闭防火门。常闭防火门应在其明显位置设置“保持防火门关闭”等提示标识。故C错误。
【3.3.5】员工宿舍严禁设置在厂房内。
办公室、休息室等不应设置在甲、乙类厂房内,确需贴邻本厂房时,其耐火等级不应低于二级,并应采用耐火极限不低于3.00h的防爆墙与厂房分隔,且应设置独立的安全出口。
办公室、休息室设置在丙类厂房内时,应采用耐火极限不低于2.50h的防火隔墙和1.00h的楼板与其他部位分隔,并应至少设置1个独立的安全出口。如隔墙上需开设相互连通的门时,应采用乙级防火门。故D正确。
【3.7.5】厂房内疏散楼梯、走道、门的各自总净宽度,应根据疏散人数按每100人的最小疏散净宽度不小于表【3.7.5】的规定计算确定。但疏散楼梯的最小净宽度不宜小于1.10m,疏散走道的最小净宽度不宜小于1.40m,门的最小净宽度不宜小于0.90m。当每层疏散人数不相等时,疏散楼梯的总净宽度应分层计算,下层楼梯总净宽度应按该层及以上疏散人数最多一层的疏散人数计算。
500/100*1=5m,故E错误。
2018年《消防安全技术综合能力》真题
一、单选题(共80题,每题1分。每题的备选项中,只有1个最符合题意)
1.【答案】B
【解析】《中华人民共和国消防法》
第六十一条生产、储存、经营易燃易爆危险品的场所与居住场所设置在同一建筑物内,或者未与居住场所保持安全距离的,责令停产停业,并处五千元以上五万元以下罚款。生产、储存、经营其他物品的场所与居住场所设置在同一建筑物内,不符合消防技术标准的,依照前款规定处罚。
2.【答案】C
【解析】《中华人民共和国行政处罚法》
第五十一条当事人逾期不履行行政处罚决定的,作出行政处罚决定的行政机关可以采取下列措施:
(一)到期不缴纳罚款的,每日按罚款数额的百分之三加处罚款;
(二)根据法律规定,将查封、扣押的财物拍卖或者将冻结的存款划拨抵缴罚款;
(三)申请人民法院强制执行。
3.【答案】D
【解析】《注册消防工程师管理规定》
第二十九条注册消防工程师的执业范围应当与其聘用单位业务范围和本人注册级别相符合,本人的执业范围不得超越其聘用单位的业务范围。
受聘于消防技术服务机构的注册消防工程师,每个注册有效期应当至少参与完成3个消防技术服务项目;受聘于消防安全重点单位的注册消防工程师,一个年度内应当至少签署1个消防安全技术文件。
4.【答案】B
【解析】《消防控制室通用技术要求》GB25506-2010
第3.4具有两个或两个以上消防控制室时,应确定主消防控制室和分消防控制室。主消防控制室的消防设备应对系统内共用的消防设备进行控制,并显示其状态信息;主消防控制室内的消防设备应能显示各分消防控制室内消防设备的状态信息,并可对分消防控制室内的消防设备及其控制的消防系统和设备进行控制;各分消防控制室之间的消防设备之间可以互相传输、显示状态信息,但不应互相控制。
5.【答案】B
【解析】《消防给水及消火栓系统技术规范》GB50974-2014
第13.1.4消防水泵调试应符合下列要求:1以自动直接启动或手动直接启动消防水泵时,消防水泵应在55s内投入正常运行,且应无不良噪声和振动;A错误。2以备用电源切换方式或备用泵切换启动消防水泵时,消防水泵应分别在1min或2min内投入正常运行;C错误。3消防水泵安装后应进行现场性能测试,其性能应与生产厂商提供的数据相符,并应满足消防给水设计流量和压力的要求;4消防水泵零流量时的压力不应超过设计工作压力的140%;当出流量为设计工作流量的150%时,其出口压力不应低于设计工作压力的65%。B正确,D错误。
6.【答案】D
【解析】《消防给水及消火栓系统技术规范》GB50974-2014
第13.1.2.1水源调试属于系统调试的内容;13.1.2.5消火栓调试属于系统调试的内容;消防水泵对临时高压系统来讲,是扑灭火灾时的主要供水设施,本题采用的是高压消防给水系统,因此不需要对消防水泵调试。高位消防水池在本题中作为给水设施需要进行调试。
7.【答案】C
【解析】自动喷水灭火系统第7部分:水流指示器GB5135.7-2003
第5.2.1具有延迟功能的水流指示器的延迟时间应可以调节。
第5.2.2水流指示器按照6.2进行试验,所测得的延迟时间应在2s~90s范围内。(1)正确
《自动喷水灭火系统设计规范》GB50084-2017
第6.5.3末端试水装置和试水阀应有标识,距地面的高度宜为1.5m,并应采取不被他用的措施。(2)正确
第6.2.6报警阀组宜设在安全及易于操作的地点,报警阀距地面的高度宜为1.2m。设置报警阀组的部位应设有排水设施。(4)正确
《自动喷水灭火系统施工及验收规范》GB50261-2017
第8.0.6消防水泵验收应符合下列要求:3分别开启系统中的每一个末端试水装置和试水阀,水流指示器、压力开关等信号装置的功能应均符合设计要求。湿式自动喷水灭火系统的最不利点做末端放水试验时,自放水开始至水泵启动时间不应超过5min。(3)正确
8.【答案】C
【解析】《消防安全技术综合能力》火灾探测器常见故障
(2)故障原因。探测器与底座脱落、接触不良;报警总线与底座接触不良;报警总线开路或接地性能不良造成短路;探测器本身损坏;探测器接口板故障。A、B、D都有可能
9.【答案】B
【解析】《自动喷水灭火系统设计规范》GB50084-2017
第2.1.12防护冷却系统由闭式洒水喷头、湿式报警阀组等组成。
10.【答案】A
【解析】火灾自动报警系统设计规范GB50116-2013
【4.3.1】联动控制方式,应由消火栓系统出水干管上设置的低压压力开关、高位消防水箱出水管上设置的流量开关或报警阀压力开关等信号作为触发信号,直接控制启动消火栓泵,联动控制不应受消防联动控制器处于自动或手动状态影响。当设置消火栓按钮时,消火栓按钮的动作信号应作为报警信号及启动消火栓泵的联动触发信号,由消防联动控制器联动控制消火栓泵的启动。
11.【答案】B
【解析】《气体灭火系统施工及验收规范》GB50263-2007
E.3.1模拟喷气试验的条件应符合下列规定:
(3)卤代烷灭火系统模拟喷气试验不应采用卤代烷灭火剂,宜采用氮气,也可采用压缩空气。氮气或压缩空气储存容器与被试验的防护区或保护对象用的灭火剂储存容器的结构、型号、规格应相同,连接与控制方式应一致,氮气或压缩空气的充装压力按设计要求执行。氮气或压缩空气储存容器数不应少于灭火剂储存容器数的20%,且不得少于1个。选项A、C错误,选项B确;
(4)模拟喷气试验宜采用自动启动方式。选项D错误。
12.【答案】B
【解析】《建筑设计防火规范》GB50016-2014(2018年版)
第5.5.19人员密集的公共场所、观众厅的疏散门不应设置门槛,其净宽度不应小于1.40m,且紧靠门口内外各1.40m范围内不应设置踏步。选项B错误,C正确;
人员密集的公共场所的室外疏散通道的净宽度不应小于3.00m,并应直接通向宽敞地带。A正确;
第5.5.17公共建筑的安全疏散距离应符合下列规定:
(2)2楼梯间应在首层直通室外,确有困难时,可在首层采用扩大的封闭楼梯间或防烟楼梯间前室。当层数不超过4层且未采用扩大的封闭楼梯间或防烟楼梯间前室时,可将直通室外的门设置在离楼梯间不大于15m处;该建筑为三层,D正确。
建筑防火通用规范 GB55037-2022
7.1.4 疏散出口门、疏散走道、疏散楼梯等的净宽度应符合下列规定:
1 疏散出口门、室外疏散楼梯的净宽度均不应小于0.80m;
2 住宅建筑中直通室外地面的住宅户门的净宽度不应小于0.80m,当住宅建筑高度不大于18m且一边设置栏杆时,室内疏散楼梯的净宽度不应小于1.0m,其他住宅建筑室内疏散楼梯的净宽度不应小于1.1m;
3 疏散走道、首层疏散外门、公共建筑中的室内疏散楼梯的净宽度均不应小于1.1m;
4 净宽度大于4.0m的疏散楼梯、室内疏散台阶或坡道,应设置扶手栏杆分隔为宽度均不大于2.0m的区段。
13.【答案】C
【解析】《社会消防安全教育培训规定》(公安部令第109号)
第二十四条在建工程的施工单位应当开展下列消防安全教育工作:
(一)建设工程施工前应当对施工人员进行消防安全教育;A正确
(二)在建设工地醒目位置、施工人员集中住宿场所设置消防安全宣传栏,悬挂消防安全挂图和消防安全警示标识;B正确
(三)对明火作业人员进行经常性的消防安全教育;D正确
(四)组织灭火和应急疏散演练。
在建工程的建设单位应当配合施工单位做好上述消防安全教育工作。
14.【答案】B
【解析】《建筑设计防火规范》GB50016-2014(2018年版)
第5.3.5总建筑面积大于20000㎡的地下或半地下商店,应采用无门、窗、洞口的防火墙、耐火极限不低于2.00h的楼板分隔为多个建筑面积不大于20000㎡的区域。A错误;
相邻区域确需局部连通时,应采用下沉式广场等室外开敞空间、防火隔间、避难走道、防烟楼梯间等方式进行连通,并应符合下列规定:
(1)下沉式广场等室外开敞空间应能防止相邻区域的火灾蔓延和便于安全疏散,并应符合本规范第6.4.12条的规定;
(2)防火隔间的墙应为耐火极限不低于3.00h的防火隔墙,并应符合本规范第6.4.13条的规定;C错误。
(3)避难走道应符合本规范第6.4.14条的规定;
(4)防烟楼梯间的门应采用甲级防火门。B正确。
第6.4.14避难走道的设置应符合下列规定:
避难走道防火隔墙的耐火极限不应低于3.00h,楼板的耐火极限不应低于1.50h。D错误;
15.【答案】B
【解析】《自动喷水灭火系统施工及验收规范》GB50261-2017
第7.2.5报警阀调试应符合下列要求:
(2)湿式报警阀调试时,在末端装置处放水,当湿式报警阀进口水压大于0.14MPa、放水流量大于1L/s时,报警阀应及时启动;带延迟器的水力警铃应在5s~90s内发出报警铃声,不带延迟器的水力警铃应在15s内发出报警铃声;压力开关应及时动作,启动消防泵并反馈信号。ACD正确
(3)雨淋阀调试宜利用检测、试验管道进行。自动和手动方式启动的雨淋阀,应在15s之内启动;公称直径大于200mm的雨淋阀调试时,应在60s之内启动。雨淋阀调试时,当报警水压为0.05MPa时,水力警铃应发出报警铃声。B错误。
16.【答案】B
【解析】《建筑防烟排烟系统技术标准》(GB51251-2017)
第9.0.4每半年应对全部排烟防火阀、送风阀或送风口、排烟阀或排烟口进行自动和手动启动试验一次,CD错误;
第9.0.5每年应对全部防烟、排烟系统进行一次联动试验和性能检测。A错误,B正确
17.【答案】A
【解析】《建筑设计防火规范》GB50016-2014(2018年版)
第6.4.12用于防火分隔的下沉式广场等室外开敞空间,应符合下列规定:
(1)分隔后的不同区域通向下沉式广场等室外开敞空间的开口最近边缘之间的水平距离不应小于13m。室外开敞空间除用于人员疏散外不得用于其他商业或可能导致火灾蔓延的用途,其中用于疏散的净面积不应小于169㎡。B正确
(2)下沉式广场等室外开敞空间内应设置不少于1部直通地面的疏散楼梯。当连接下沉广场的防火分区需利用下沉广场进行疏散时,疏散楼梯的总净宽度不应小于任一防火分区通向室外开敞空间的设计疏散总净宽度。D正确
(3)确需设置防风雨篷时,防风雨篷不应完全封闭,四周开口部位应均匀布置,开口的面积不应小于该空间地面面积的25%,开口高度不应小于1.0m;开口设置百叶时,百叶的有效排烟面积可按百叶通风口面积的60%计算。C正确
18.【答案】B
【解析】《建筑灭火器配置验收及检查规范》GB50444-2008
第2.2.1灭火器的进场检查应符合下列要求:
(1)灭火器应符合市场准入的规定,并应有出厂合格证和相关证书;A正确
(2)灭火器的铭牌、生产日期和维修日期等标志应齐全;D正确
(3)灭火器的类型、规格、灭火级别和数量应符合配置设计要求;
(4)灭火器筒体应无明显缺陷和机械损伤;C正确
(5)灭火器的保险装置应完好;
(6)灭火器压力指示器的指针应在绿区范围内;(因二氧化碳灭火器取消了压力表,故B错误)
(7)推车式灭火器的行驶机构应完好。
19.【答案】B
【解析】《建筑设计防火规范》(GB50016-2018)
第5.3.6餐饮、商店等商业设施通过有顶棚的步行街连接,且步行街两侧的建筑需利用步行街进行安全疏散时,应符合下列规定:
(2)步行街两侧建筑相对面的最近距离均不应小于本规范对相应高度建筑的防火间距要求且不应小于9m。D正确
(4)步行街两侧建筑的商铺,其面向步行街一侧的围护构件的耐火极限不应低于1.00h,并宜采用实体墙,其门、窗应采用乙级防火门、窗;当采用防火玻璃墙(包括门、窗)时,其耐火隔热性和耐火完整性不应低于1.00h;当采用耐火完整性不低于1.00h的非隔热性防火玻璃墙(包括门、窗)时,应设置闭式自动喷水灭火系统进行保护。相邻商铺之间面向步行街一侧应设置宽度不小于1.0m、耐火极限不低于1.00h的实体墙。
当步行街两侧的建筑为多个楼层时,每层面向步行街一侧的商铺均应设置防止火灾竖向蔓延的措施,并应符合本规范第6.2.5条的规定;设置回廊或挑檐时,其出挑宽度不应小于1.2m;步行街两侧的商铺在上部各层需设置回廊和连接天桥时,应保证步行街上部各层楼板的开口面积不应小于步行街地面面积的37%,且开口宜均匀布置。
(6)步行街的顶棚材料应采用不燃或难燃材料,其承重结构的耐火极限不应低于1.00h。步行街内不应布置可燃物。A正确,C正确
(7)步行街的顶棚下檐距地面的高度不应小于6.0m,顶棚应设置自然排烟设施并宜采用常开式的排烟口,且自然排烟口的有效面积不应小于步行街地面面积的25%。常闭式自然排烟设施应能在火灾时手动和自动开启。B错误。
20.【答案】C
【解析】《建筑设计防火规范》GB50016-2014(2018年版)
第6.7.5与基层墙体、装饰层之间无空腔的建筑外墙外保温系统,其保温材料应符合下列规定:
一住宅建筑:
(2)建筑高度大于27m,但不大于100m时,保温材料的燃烧性能不应低于B1级;D正确
二除住宅建筑和设置人员密集场所的建筑外,其他建筑:
(2)建筑高度大于24m,但不大于50m时,保温材料的燃烧性能不应低于B1级;A正确;
(3)建筑高度不大于24m时,保温材料的燃烧性能不应低于B2级。B正确。
第6.7.4A除本规范第6.7.3条规定的情况外,下列老年人照料设施的内、外墙体和屋面保温材料应采用燃烧性能为A级的保温材料:
独立建造的老年人照料设施;C错误。
21.【答案】D
【解析】《建筑设计防火规范》GB50016-2014(2018版)
第10.3.4疏散照明灯具应设置在出口的顶部、墙面的上部或顶棚上;备用照明灯具应设置在墙面的上部或顶棚上。D正确
第10.3.5公共建筑、建筑高度大于54m的住宅建筑、高层厂房(库房)和甲、乙、丙类单、多层厂房,应设置灯光疏散指示标志,并应符合下列规定:
(1)应设置在安全出口和人员密集的场所的疏散门的正上方。
(2)应设置在疏散走道及其转角处距地面高度1.0m以下的墙面或地面上。灯光疏散指示标志的间距不应大于20m;对于袋形走道,不应大于10m;在走道转角区,不应大于1.0m。B、C错误。
《火灾自动报警系统施工及验收规范》GB50166-2007
第3.3.4控制器的主电源应有明显的永久性标志,并应直接与消防电源连接,严禁使用电源插头。控制器与其外接备用电源之间应直接连接。
(2018年版《消防安全技术综合能力》)P300:消防应急灯具与供电线路之间不能使用插头连接。A错误
按照2019年实施的新规范:消防应急照明和疏散指示系统技术标准GB51309-2018:4.5.5非集中控制型系统中,自带电源型灯具采用插头连接时,应采用专用工具方可拆卸。无法判断A是否正确。
22.【答案】A
【解析】《火灾自动报警系统施工及验收规范》GB50166-2007
第4.3.2按现行国家标准《火灾报警控制器》GB4717的有关要求对控制器进行下列功能检查并记录:
(2)使控制器与探测器之间的连线断路和短路,控制器应在100s内发出故障信号(短路时发出火灾报警信号除外);在故障状态下,使任一非故障部位的探测器发出火灾报警信号,控制器应在1min内发出火灾报警信号,并应记录火灾报警时间;再使其他探测器发出火灾报警信号,检查控制器的再次报警功能。BC正确
(4)使控制器与备用电源之间的连线断路和短路,控制器应在100s内发出故障信号。
(6)6使总线隔离器保护范围内的任一点短路,检查总线隔离器的隔离保护功能。D正确
(7)使任一总线回路上不少于10只的火灾探测器同时处于火灾报警状态,检查控制器的负载功能。A错误
23.【答案】C
【解析】根据题干描述,1个防护区的灭火剂用量是另一个防护区的两倍,如下图所示;1号驱动气瓶只能打开2号气瓶的容器阀,2号驱动气瓶可以打开1号和2号气瓶的容器阀。因此在气体管路②上,3单向阀必须要有。2条气体管路上的1和2单向阀分别起防止回流的作用。另参照《气体消防系统选用、安装与建筑灭火器配置》07S207,七氟丙烷组里分配系统原理图,共应设置3个单向阀。

24.【答案】D
【解析】《建筑设计防火规范》GB50016-2014(2018版)
第10.2.4开关、插座和照明灯具靠近可燃物时,应采取隔热、散热等防火措施。
卤钨灯和额定功率不小于100W的白炽灯泡的吸顶灯、槽灯、嵌入式灯,其引入线应采用瓷管、矿棉等不燃材料作隔热保护。
额定功率不小于60W的白炽灯、卤钨灯、高压钠灯、金属卤化物灯、荧光高压汞灯(包括电感镇流器)等,不应直接安装在可燃物体上或采取其他防火措施。
第10.2.5可燃材料仓库内宜使用低温照明灯具,并应对灯具的发热部件采取隔热等防火措施,不应使用卤钨灯等高温照明灯具。
配电箱及开关应设置在仓库外。D错误
25.【答案】D
【解析】《挡烟垂壁》GA533-2012
第5.1.2材料
第5.1.2.2制作挡烟垂壁的金属板材的厚度不应小于0.8mm,其熔点不应低于750℃。A正确
第5.1.3.2采用不燃无机复合板、金属板材、防火玻璃等材料制作刚性挡烟垂壁的单节宽度不应大于2000mm;B正确;
采用金属板材、无机纤维织物等制作柔性挡烟垂壁的单节宽度不应大于4000mm。
第5.1.3尺寸与极限偏差
第5.1.3.1挡烟垂壁的挡烟高度应符合设计要求,其最小值不应低于500mm,最大值不应大于企业申请检测产品型号的公示值。C正确
第5.1.3.4挡烟垂壁单节宽度的极限偏差不应大于±10mm。
《火灾自动报警系统设计规范》GB50116-2013
第4.5.1防烟系统的联动控制方式应符合下列规定:
(2)2应由同一防烟分区内且位于电动挡烟垂壁附近的两只独立的感烟火灾探测器的报警信号,作为电动挡烟垂壁降落的联动触发信号,并应由消防联动控制器联动控制电动挡烟垂壁的降落。D错误。
26.【答案】D
【解析】《重大火灾隐患判定方法》(GB35181-2017)
(6)直接判定要素
第6.9托儿所、幼儿园的儿童用房以及老年人活动场所,所在楼层位置不符合国家工程建设消防技术标准的规定。选项D符合题意,其余选项均为综合判定要素。
根据《建筑设计防火规范》(GB50016-2014)(2018年版),5.4.4托儿所、幼儿园的儿童用房和儿童游乐厅等儿童活动场所宜设置在独立的建筑内,且不应设置在地下或半地下;当采用一、二级耐火等级的建筑时,不应超过3层;采用三级耐火等级的建筑时,不应超过2层;采用四级耐火等级的建筑时,应为单层。
27.【答案】C
【解析】《自动喷水灭火系统设计规范》GB50084-2017
第6.1.1设置闭式系统的场所,洒水喷头类型和场所的最大净空高度应符合表6.1.1的规定;仅用于保护室内钢屋架等建筑构件的洒水喷头和设置货架内置洒水喷头的场所,可不受此表规定的限制。

中庭高度为15m应选用非仓库型特殊应用喷头。
《自动喷水灭火系统施工及验收规范》GB50261-2017
第3.2.7喷头的现场检验必须符合下列要求:
(1)喷头的商标、型号、公称动作温度、响应时间指数(RTI)、制造厂及生产日期等标志应齐全。
(2)喷头的型号、规格等应符合设计要求。C正确
28.本题规范已更改,不适合做了。
29.【答案】C
【解析】《建筑灭火器配置验收及检查规范》GB50444-2008
第5.1.2每次送修的灭火器数量不得超过计算单元配置灭火器总数量的1/4。超出时,应选择相同类型和操作方法的灭火器替代,替代灭火器的灭火级别不应小于原配置灭火器的灭火级别。
30.【答案】D
【解析】《建筑设计防火规范》GB50016-2014(2018版)
第3.2.18除本规范另有规定外,以木柱承重且墙体采用不燃材料的厂房(仓库),其耐火等级可按四级确定。
第5.1.2注:1除本规范另有规定外,以木柱承重且墙体采用不燃材料的建筑,其耐火等级应按四级确定。
31.【答案】A
【解析】《防火卷帘、防火门、防火窗施工及验收规范》(GB50877-2014)
第6.3.3常开防火门,接到消防控制室手动发出的关闭指令后,应自动关闭,并应将关闭信号反馈至消防控制室。B正确
第5.3.8钢质防火门门框内应充填水泥砂浆。门框与墙体应用预埋钢件或膨胀螺栓等连接牢固。A错误
第5.3.10防火门门扇与门框的配合活动间隙应符合下列规定:
(4)双扇、多扇门的门扇之间缝隙不应大于3mm。C正确
第5.3.12除特殊情况外,防火门门扇的开启力不应大于80N。D正确
32.【答案】B
【解析】《水喷雾灭火系统技术规范》(GB50219-2014)
第10.0.2维护管理人员应经过消防专业培训,应熟悉水喷雾灭火系统的原理、性能和操作与维护规程。
33.【答案】C
【解析】《爆炸危险环境电力装置设计规范》GB50058-2014
第5.2.1在爆炸性环境内,电气设备应根据下列因素进行选择:
(1)爆炸危险区域的分区;A正确
(2)可燃性物质和可燃性粉尘的分级;B正确
(3)可燃性物质的引燃温度;
(4)可燃性粉尘云、可燃性粉尘层的最低引燃温度。D正确
34.【答案】C
【解析】《建筑消防设施的维护管理》(GB25201-2010)
表C.1建筑消防设施巡查记录表

35.【答案】A
【解析】泡沫灭火系统技术标准GB50151-2021
9.4.18泡沫灭火系统的调试应符合下列规定:
1当为手动灭火系统时,应以手动控制的方式进行一次喷水试验;当为自动灭火系统时,应以手动和自动控制的方式各进行一次喷水试验,系统流量、泡沫产生装置的工作压力、比例混合装置的工作压力、系统的响应时间均应达到设计要求。
检查数量:当为手动灭火系统时,选择最远的防护区或储罐;当为自动灭火系统时,选择所需泡沫混合液流量最大和最远的两个防护区或储罐分别以手动和自动的方式进行试验。
检查方法:用压力表、流量计、秒表测量。
2低倍数泡沫灭火系统按本条第1款的规定喷水试验完毕,将水放空后进行喷泡沫试验;当为自动灭火系统时,应以自动控制的方式进行;喷射泡沫的时间不宜小于1min;实测泡沫混合液的流量、发泡倍数及到达最远防护区或储罐的时间应符合设计要求,混合比不应低于所选泡沫液的混合比。
检查数量:选择最远的防护区或储罐,进行一次试验。
检查方法:泡沫混合液的流量用流量计测量;混合比按本标准第9.4.13条的检查方法测量;发泡倍数按本标准附录C的方法测量;喷射泡沫的时间和泡沫混合液或泡沫到达最远防护区或储罐的时间用秒表测量。
36.【答案】D
【解析】《消防给水及消火栓系统技术规范》GB50974-2014
第12.4.2压力管道水压强度试验的试验压力应符合表12.4.2的规定。
37.【答案】A
【解析】《泡沫灭火系统技术标准GB50151-2021》
11.0.5每周应对电机拖动的消防水泵进行一次启动试验,启动运行时间不宜少于3min,电气设备工作状况应良好。B正确;
11.0.9每月应对系统进行检查,并应按本标准附录D表D.0.2记录,检查内容及要求应符合下列规定:
1对泡沫产生器、泡沫喷头、固定式泡沫炮、泡沫比例混合器(装置)、泡沫液储罐、泡沫消火栓、泡沫消火栓箱、阀门、压力表、管道过滤器、金属软管、管道及管件等进行外观检查,均应完好无损;C正确;
11.0.11每半年应对下列项目进行检查,检查内容及要求应符合下列规定:
1除储罐上泡沫混合液立管和液下喷射防火堤内泡沫管道及高倍数泡沫产生器进口端控制阀后的管道外,其余管道应全部冲洗,清除锈渣;A错误
11.0.12每两年应对系统进行检查和试验,并应按本标准附录D表D.0.2记录;检查和试验的内容及要求应符合下列规定:
1对于低倍数泡沫灭火系统中的液上、液下喷射,泡沫-水喷淋系统,固定式泡沫炮灭火系统应进行喷泡沫试验;对于泡沫喷雾系统,可进行喷水试验,并应对系统所有组件、设施、管道及管件进行全面检查;
2对于中倍数、高倍数泡沫灭火系统,可在防护区内进行喷泡沫试验,并对系统所有组件、设施、管道及管件进行全面检查;D正确。
38.【答案】B
【解析】《水喷雾灭火系统技术规范》(GB50219-2014)
第8.3.15管道安装完毕应进行水压试验,并应符合下列规定:
(1)试验宜采用清水进行,试验时,环境温度不宜低于5℃,当环境温度低于5℃时,应采取防冻措施;A错误;
(2)试验压力应为设计压力的1.5倍;D错误;
(3)试验的测试点宜设在系统管网的最低点,对不能参与试压的设备、阀门及附件,应加以隔离或拆除;B正确,C错误;
(4)试验合格后,应按本规范表D.0.4记录。
检查数最:全数检查。
检查方法:管道充满水,排净空气,用试压装置缓慢升压,当压力升至试验压力后,稳压10min,管道无损坏、变形,再将试验压力降至设计压力,稳压30min,以压力不降、无渗漏为合格。
39.【答案】C
【解析】《建筑设计防火规范》GB50016-2014(2018年版)
第6.3.4变形缝内的填充材料和变形缝的构造基层应采用不燃材料。A、D选项中防火枕和镀锌钢板燃烧性能等级均达到了A级,因此AD选项正确;
电线、电缆、可燃气体和甲、乙、丙类液体的管道不宜穿过建筑内的变形缝,确需穿过时,应在穿过处加设不燃材料制作的套管或采取其他防变形措施,并应采用防火封堵材料封堵。C选项中阻燃PVC管道燃烧性能等级不能达到A级标准,因此不符合规范要求C选项错误;
第9.3.11通风、空气调节系统的风管在下列部位应设置公称动作温度为70℃的防火阀:
穿越防火分隔处的变形缝两侧;B选项正确。
40.【答案】A
【解析】干粉灭火系统设计规范GB50347-2004
第3.4.1预制灭火装置应符合下列规定:
(1)灭火剂储存量不得大于150kg。C正确
(2)管道长度不得大于20m。D正确
(3)工作压力不得大于2.5MPa。B正确
第3.4.2一个防护区或保护对象宜用一套预制灭火装置保护。
第3.4.3一个防护区或保护对象所用预制灭火装置最多不得超过4套,并应同时启动,其动作响应时间差不得大于2s。A错误
41.【答案】B
【解析】70℃的防火阀是通风空调或送风系统的组件,排烟系统上用排烟防火阀。
42.【答案】A
【解析】根据《中华人民共和国消防法》附则,第七十三条第三款,可知商场属于公众聚集场所。
根据《机关、团体、业、事业单位消防安全管理规定》(公安部令第61号)
第二十五条公众聚集场所在营业期间的防火巡查应当至少每二小时一次;营业结束时应当对营业现场进行检查,消除遗留火种。医院、养老院、寄宿制的学校、托儿所、幼儿园应当加强夜间防火巡查,其他消防安全重点单位可以结合实际组织夜间防火巡查。
43.【答案】C
【解析】《消防安全技术综合能力》
(三)雨淋报警阀组常见故障分析、处理
自动滴水阀漏水(1)故障原因分析:1)安装调试或平时定期试验、实施灭火后,没有将系统侧管道内的余水排尽。选项A有关;2)雨淋报警阀隔膜球面中线密封处因施工遗留的杂物、不干净消防用水中的杂质等导致球面密封面不能完全密封。选项BD有关,选项C无关。
44.【答案】A
【解析】《消防安全技术综合能力》
二、消防安全重点单位的界定程序
(3)同一栋建筑中各自独立的产权或者使用单位,符合重点单位界定标准的,应当各自独立申报备案。
45.【答案】C
【解析】《建筑消防设施的维护管理》GB25201-2010
表C.1喷头外观及距周边障碍物或保护对象的距离属于自动喷水灭火系统巡查内容。
46.【答案】D
【解析】《建设工程设施工现场消防安全技术规范》(GB50720-2011)
第5.3.6在建工程的临时室外消防用水量不应小于表5.3.6的规定。

47.【答案】D
【解析】《建筑内部装修设计防火规范》GB50222-2017
经阻燃处理的材料燃烧新能等级为B1级;金属龙骨纸面石膏板燃烧新能等级为A级;岩棉吊顶燃烧性能等级为B1级。
第4.0.17建筑内部的配电箱、控制面板、接线盒、开关、插座等不应直接安装在低于B1级的装修材料上;B正确;
第4.0.4地上建筑的水平疏散走道和安全出口的门厅,其顶棚应采用A级装修材料,其他部位应采用不低于B1级的装修材料;C正确;
5.2.3除本规范第4章规定的场所和本规范表5.2.1中序号为10~12规定的部位外,以及大于400㎡的观众厅、会议厅和100m以上的高层民用建筑外,当设有火灾自动报警装置和自动灭火系统时,除顶棚外,其内部装修材料的燃烧性能等级可在本规范表5.2.1规定的基础上降低一级。A正确;D错误。
48.【答案】C
【解析】《建筑设计防火规范》GB50016-2014(2018年版)
第6.7.9建筑外墙外保温系统与基层墙体、装饰层之间的空腔,应在每层楼板处采用防火封堵材料封堵。A、B正确;
第6.7.12建筑外墙的装饰层应采用燃烧性能为A级的材料,但建筑高度不大于50m时,可采用B1级材料。玻璃棉为不燃材料,C错误,D正确;
49.【答案】C
【解析】《汽车加油加气加氢站技术标准》(GB50156-2021)
第5.0.7电动汽车充电设施应布置在辅助服务区内。C错误
第5.0.9站房可布置在加油加气作业区内,但应符合本规范第14.2.10条的规定。A正确
5.0.10当汽车加油加气加氢站内设置非油品业务建筑物或设施时,不应布置在作业区内,与站内可燃液体或可燃气体设备的防火间距,应符合本标准第4.0.4条~第4.0.8条有关三类保护物的规定。当站内经营性餐饮、汽车服务、司机休息室等设施内设置明火设备时,应等同于“明火地点”或“散发火花地点”。B正确。
5.0.11汽车加油加气加氢站内的爆炸危险区域,不应超出站区围墙和可用地界线。
5.0.12汽车加油加气加氢站的工艺设备与站外建(构)筑物之间,宜设置不燃烧体实体围墙,围墙高度相对于站内和站外地坪均不宜低于2.2m。D正确
50.【答案】B
【解析】《中华人民共和国消防法》
第二十条举办大型群众性活动,承办人应当依法向公安机关申请安全许可,制定灭火和应急疏散预案并组织演练,明确消防安全责任分工,确定消防安全管理人员,保持消防设施和消防器材配置齐全、完好有效,保证疏散通道、安全出口、疏散指示标志、应急照明和消防车通道符合消防技术标准和管理规定。选项B做法错误,应保证消防水泵完好有效。
51.【答案】C
【解析】《细水雾灭火系统技术规范》(GB50898-2013)
第5.0.11系统工程质量验收合格与否,应根据其质量缺陷项情况进行判定。系统工程质量缺陷项目应按表5.0.11划分为严重缺陷项、一般缺陷项和轻度缺陷项。
第5.0.2系统验收时,应提供下列资料,并应按本规范附录E进行质量控制资料核查,按本规范附录F进行验收:
(3)系统及其主要组件的安装使用和维护说明书;A属于严重缺陷项
第5.0.3泵组系统水源验收应符合下列规定:
(2)水质应符合设计规定的标准;B属于严重缺陷项
第5.0.4泵组验收应符合下列规定:
(3)水泵的压力和流量应满足设计要求。C属于一般缺陷项。
第5.0.7管网验收应符合下列规定:
(3)管道固定支、吊架的固定方式、间距及其与管道间的防电化学腐蚀措施,应符合设计要求。
D属于轻缺陷项。
52.【答案】A
【解析】《筑设计防火规范》GB50016-2014(2018年版)
第10.3.2建筑内疏散照明的地面最低水平照度应符合下列规定:
(1)对于疏散走道,不应低于1.0lx;B正确
(2)对于人员密集场所、避难层(间),不应低于3.0lx(D正确);对于老年人照料设施、病房楼或手术部的避难间,不应低于10.0lx;
(3)对于楼梯间、前室或合用前室、避难走道,不应低于5.0lx(A错误);对于人员密集场所、老年人照料设施、病房楼或手术部内的楼梯间、前室或合用前室、避难走道,不应低于10.0lx。
第10.3.3消防控制室、消防水泵房、自备发电机房、配电室、防排烟机房以及发生火灾时仍需正常工作的消防设备房应设置备用照明,其作业面的最低照度不应低于正常照明的照度。C正确
53.【答案】A
【解析】《筑设计防火规范》GB50016-2014(2018年版)
第10.1.6消防用电设备应采用专用的供电回路,当建筑内的生产、生活用电被切断时,应仍能保证消防用电。B正确
第10.1.7消防配电干线宜按防火分区划分,消防配电支线不宜穿越防火分区。C正确
第10.1.8消防控制室、消防水泵房、防烟和排烟风机房的消防用电设备及消防电梯等的供电,应在其配电线路的最末一级配电箱处设置自动切换装置。D正确
第10.1.10消防配电线路应满足火灾时连续供电的需要,其敷设应符合下列规定:
消防配电线路宜与其他配电线路分开敷设在不同的电缆井、沟内;确有困难需敷设在同一电缆井、沟内时,应分别布置在电缆井、沟的两侧,且消防配电线路应采用矿物绝缘类不燃性电缆。A错误
54.【答案】D
【解析】《建筑防烟排烟系统技术标准》(GB51251-2017)
第7.2单机调试
第7.2.2常闭送风口、排烟阀或排烟口的调试方法及要求应符合下列规定:
(2)模拟火灾,相应区域火灾报警后,同一防火分区的常闭送风口和同一防烟分区内的排烟阀或排烟口应联动开启;A正确;
第7.2.5送风机、排烟风机调试方法及要求应符合下列规定:
(1)手动开启风机,风机应正常运转2.0h,叶轮旋转方向应正确、运转平稳、无异常振动与声响;D错误;
(2)应核对风机的铭牌值,并应测定风机的风量、风压、电流和电压,其结果应与设计相符;
(3)应能在消防控制室手动控制风机的启动、停止,风机的启动、停止状态信号应能反馈到消防控制室;C正确。
第7.2.6机械加压送风系统风速及余压的调试方法及要求应符合下列规定:
应选取送风系统末端所对应的送风最不利的三个连续楼层模拟起火层及其上下层,封闭避难层(间)仅需选取本层,调试送风系统使上述楼层的楼梯间、前室及封闭避难层(间)的风压值及疏散门的门洞断面风速值与设计值的偏差不大于10%;B正确
55.【答案】C
【解析】《人员密集场所消防安全管理GB/T40248-2021》7.11.2人员集中的厅(室)以及建筑内的消防控制室、消防水泵房、储油间、变配电室、锅炉房、厨房、空调机房、资料库、可燃物品仓库和化学实验室等,应确定为消防安全重点部位,在明显位置张贴标识,严格管理。
《消防安全技术综合能力》
确定消防安全重点部位不仅要根据火灾危险源的辨识来确定,还应根据本单位的实际,即物品贮存的多少、价值的大小、人员的集中量以及隐患的存在和火灾的危险程度等情况而定,通常可以下几个方面来考虑:
(1)容易发生火灾的部位。如化工生产车间、油漆、烘烤、熬炼、木工、电焊气割操作间;化验室、汽车库、化学危险品仓库;易燃、可燃液体储罐,可燃、助燃气体钢瓶仓库和储罐,液化石油气瓶或储罐;氧气站,乙炔站,氢气站;易燃的建筑群等。
(2)发生火灾后对消防安全有重大影响的部位,如与火灾扑救密切相关的变配电站(室)、消防控制室、消防水泵房等。
(3)性质重要、发生事故影响全局的部位,如发电站、变配电站(室),通信设备机房、生产总控制室,电子计算机房,锅炉房,档案室、资料、贵重物品和重要历史文献收藏室等。
(4)财产集中的部位,如储存大量原料、成品的仓库、货场,使用或存放先进技术设备的实险室、车间、仓库等。
(5)人员集中的部位,如单位内部的礼堂(俱乐部)、托儿所、集体宿舍、医院病房等。
选项C不属于。
56.【答案】A
【解析】《建设工程施工现场消防安全技术规范》(GB50720-2011)
第6.3.3施工现场用气应符合下列规定:
气瓶使用时,应符合下列规定:2)氧气瓶与乙炔瓶的工作间距不应小于5m,气瓶与明火作业点的距离不应小于10m。
57.【答案】C
【解析】《消防安全技术综合能力》
四、评估范围。评估范围包括整个区域范围内存在火灾危险的社会因素、建筑群和交通路网等。选项A正确;
五、评估流程
(一)信息采集。可包括:评估区域内人口、经济、交通等概况,区域内消防重点单位情况,周边环境情况,市政消防设施相关资料,火灾事故应急救援预案,消防安全规章制度等。选项B正确;
(二)风险识别。火灾风险源一般分为客观因素和人为因素两类。选项D正确;
(三)评估指标体系建立。
(1)一级指标。一级指标一般包括火灾危险源、区域基础信息、消防力量和社会面防控能力等。选项C错误。
58.【答案】A
【解析】《消防给水及消火栓系统技术规范》GB50974-2014
第14.0.6.3系统上所有的控制阀门均应采用铅封或锁链固定在开启或规定的状态,每月应对铅封、锁链进行一次检查,当有破坏或损坏时应及时修理更换。
59.【答案】D
【解析】《建筑设计防火规范》GB50016-2014(2018年版)
第5.5.18除本规范另有规定外,公共建筑内疏散门和安全出口的净宽度不应小于0.90m,疏散走道和疏散楼梯的净宽度不应小于1.10m。
高层公共建筑内楼梯间的首层疏散门、首层疏散外门、疏散走道和疏散楼梯的最小净宽度应符合表5.5.18的规定。

A选项正确;B选项正确;
第6.5.1防火门的设置应符合下列规定:
(1)设置在建筑内经常有人通行处的防火门宜采用常开防火门。常开防火门应能在火灾时自行关闭,并应具有信号反馈的功能。C选项正确;
第6.4.1疏散楼梯间应符合下列规定:
封闭楼梯间、防烟楼梯间及其前室,不应设置卷帘。D选项错误。
60.【答案】C
【解析】《建筑设计防火规范》(GB50016-2014)(2018年版)
赛璐珞棉仓库为甲类3项火灾危险性仓库。
根据表3.3.2甲类3项单层仓库防火分区面积不应大于60㎡,仓库的最大允许占地面积为180㎡。
注:1仓库内的防火分区之间必须采用防火墙分隔,甲、乙类仓库内防火分区之间的防火墙不应开设门、窗、洞口;地下或半地下仓库(包括地下或半地下室)的最大允许占地面积,不应大于相应类别地上仓库的最大允许占地面积。
第3.3.3仓库内设置自动灭火系统时,除冷库的防火分区外,每座仓库的最大允许占地面积和每个防火分区的最大允许建筑面积可按本规范第3.3.2条的规定增加1.0倍。
A项设自喷后,占地面积符合要求,1个防火分区面积超标,错误。
B项设置火灾自动报警系统对防火分区和占地面积没有影响,错误。
C项设自喷后划分为3个防火分区,一个防火分区120㎡,符合要求。正确
D项没有增加自动灭火系统,防火分区面积符合要求,占地面积超标,错误。
61.【答案】D
【解析】根据《建筑消防消防设施检测技术规范》GA503-2004,电动排烟窗、电动防火阀、灭火器均属于消防设施检测项目。
62.【答案】C
【解析】《建筑防烟排烟系统技术标准》(GB51251-2017)
第4.4.12-7排烟口的风速不宜大于10m/s。A错误,C正确;
第4.5.6机械补风口的风速不宜大于10m/s,人员密集场所补风口的风速不宜大于5m/s;自然补风口的风速不宜大于3m/s。B、D不准确。
63.【答案】B
【解析】《防火卷帘、防火门、防火窗施工及验收规范》(GB50877-2014):
(2)防火卷帘控制器及手动按钮盒的安装应牢固可靠,其底边距地面高度宜为1.3m~1.5m。D正确。
第6.2.3防火卷帘运行功能的调试应符合下列规定:
(2)防火卷帘电动启、闭的运行速度应为2m/min~7.5m/min,其自重下降速度不应大于9.5m/min。A正确。
第6.2.3现行国家标准《防火卷帘》GB14102—2005规定,防火卷帘应装配温控释放装置,当释放装置的感温元件周围温度达到73℃±0.5℃时,释放装置动作,卷帘应依自重下降关闭。B错误。
《火灾自动报警系统设计规范》(GB50116-2013):
第4.6.3疏散通道上设置的防火卷帘的联动控制设计,应符合下列规定:
联动控制方式,防火分区内任两只独立的感烟火灾探测器或任一只专门用于联动防火卷帘的感烟火灾探测器的报警信号应联动控制防火卷帘下降至距楼板面1.8m处;任一只专门用于联动防火卷帘的感温火灾探测器的报警信号应联动控制防火卷帘下降到楼板面;在卷帘的任一侧距卷帘纵深0.5m~5m内应设置不少于2只专门用于联动防火卷帘的感温火灾探测器。C正确。
64.【答案】B
【解析】《消防安全技术综合能力》
灭火和应急疏散预案的编制内容包括报警和接警处置程序、初起火灾处置程序和措施、应急疏散的组织程序和措施、安全防护救护和通信联络的程序和措施等。B最符合题意,第一步一定是切断气源,防止发生更大的火灾。
65.【答案】B
【解析】《消防安全技术综合能力》
(二)风险识别。
(3).措施有效性分析。为了预防和减少火灾,通常都会按照法律法规采取一些消防安全措施。
66.【答案】C
【解析】《消防给水及消火栓系统技术规范规》
第14.0.5减压阀的维护管理应符合下列规定:1)每月应对减压阀组进行一次放水试验,并应检测和记录减压阀前后的压力,当不符合设计值时应采取满足系统要求的调试和维修等措施;2)每年应对减压阀的流量和压力进行一次试验。
67.【答案】A
【解析】《自动喷水灭火系统设计规范》GB50084-2017
第8.0.3自动喷水灭火系统采用氯化聚氯乙烯(PVC-C)管材及管件时,设置场所的火灾危险等级应为轻危险级或中危险级Ⅰ级,系统应为湿式系统,并采用快速响应洒水喷头,且氯化聚氯乙烯(PVC-C)管材及管件应符合下列要求:
(2)应用于公称直径不超过DN80的配水管及配水支管,且不应穿越防火分区;A正确
第8.0.1配水管道的工作压力不应大于1.20MPa,B错误
第6.5.2排水立管宜设伸顶通气管,且管径不应小于75mm。D错误
《消防给水及消火栓系统技术规范》GB50974-2014
第5.3.3-3稳压泵的设计压力应保持系统最不利点处水灭火设施在准工作状态时的静水压力应大于0.15MPa。C错误。
68.【答案】A
【解析】《中华人民共和国消防法》
第六十条单位违反本法规定,有下列行为之一的,责令改正,处五千元以上五万元以下罚款:
(一)消防设施、器材或者消防安全标志的配置、设置不符合国家标准、行业标准,或者未保持完好有效的;
(二)损坏、挪用或者擅自拆除、停用消防设施、器材的;
(三)占用、堵塞、封闭疏散通道、安全出口或者有其他妨碍安全疏散行为的;
(四)埋压、圈占、遮挡消火栓或者占用防火间距的;
(五)占用、堵塞、封闭消防车通道,妨碍消防车通行的;
(六)人员密集场所在门窗上设置影响逃生和灭火救援的障碍物的;
(七)对火灾隐患经消防救援机构通知后不及时采取措施消除的。
个人有前款第二项、第三项、第四项、第五项行为之一的,处警告或者五百元以下罚款。
有本条第一款第三项、第四项、第五项、第六项行为,经责令改正拒不改正的,强制执行,所需费用由违法行为人承担。
69.【答案】A
【解析】《中华人民共和国刑法》
第一百三十九条【消防责任事故罪;不报、谎报安全事故罪】违反消防管理法规,经消防监督机构通知采取改正措施而拒绝执行,造成严重后果的,对直接责任人员,处三年以下有期徒刑或者拘役;后果特别严重的,处三年以上七年以下有期徒刑。
在安全事故发生后,负有报告职责的人员不报或者谎报事故情况,贻误事故抢救,情节严重的,处三年以下有期徒刑或者拘役;情节特别严重的,处三年以上七年以下有期徒刑。
70.【答案】D
【解析】《建筑设计防火规范》(GB50016-2014)(2018年版)
设备用房占屋面面积比例为290/1200=24.17%,没有超过四分之一,不计算高度,该建筑高度为21+0.045=21.045,为多层公建。
71.【答案】A
【解析】《火灾自动报警系统施工及验收规范》和《火灾自动报警系统施工及验收规范》
【3.4.1】点型感烟、感温火灾探测器的安装,应符合下列要求:
3探测器至空调送风口最近边的水平距离,不应小于1.5m;至多孔送风顶棚孔口的水平距离,不应小于0.5m。B正确
4在宽度小于3m的内走道顶棚上安装探测器时,宜居中安装。点型感温火灾探测器的安装间距,不应超过10m;点型感烟火灾探测器的安装间距,不应超过15m。探测器至端墙的距离,不应大于安装间距的一半。D正确
【3.4.2】线型红外光束感烟火灾探测器的安装,应符合下列要求:
1当探测区域的高度不大于20m时,光束轴线至顶棚的垂直距离宜为0.3~1.0m;当探测区域的高度大于20m时,光束轴线距探测区域的地(楼)面高度不宜超过20m。A错误。
【3.4.5】可燃气体探测器的安装应符合下列要求:
1安装位置应根据探测气体密度确定。若其密度小于空气密度,探测器应位于可能出现泄漏点的上方或探测气体的最高可能聚集点上方;若其密度大于或等于空气密度,探测器应位于可能出现泄漏点的下方。C不准确
72.【答案】B
【解析】《建筑设计防火规范》GB50016-2014(2018年版)
第6.4.14避难走道的设置应符合下列规定:
(1)避难走道防火隔墙的耐火极限不应低于3.00h,楼板的耐火极限不应低于1.50h。C错误;
(2)避难走道直通地面的出口不应少于2个,并应设置在不同方向;当避难走道仅与一个防火分区相通且该防火分区至少有1个直通室外的安全出口时,可设置1个直通地面的出口。B正确;
任一防火分区通向避难走道的门至该避难走道最近直通地面的出口的距离不应大于60m。A错误;
防火分区至避难走道入口处应设置防烟前室,前室的使用面积不应小于6.0㎡,开向前室的门应采用甲级防火门,前室开向避难走道的门应采用乙级防火门。D错误。
73.【答案】C
【解析】《建筑设计防火规范》GB50016-2014(2018年版)
第5.5.24A3层及3层以上总建筑面积大于3000㎡(包括设置在其他建筑内三层及以上楼层)的老年人照料设施,应在二层及以上各层老年人照料设施部分的每座疏散楼梯间的相邻部位设置1间避难间;当老年人照料设施设置与疏散楼梯或安全出口直接连通的开敞式外廊、与疏散走道直接连通且符合人员避难要求的室外平台等时,可不设置避难间。避难间内可供避难的净面积不应小于12㎡,避难间可利用疏散楼梯间的前室或消防电梯的前室,其他要求应符合本规范第5.5.24条的规定。AB符合要求;
供失能老年人使用且层数大于2层的老年人照料设施,应按核定使用人数配备简易防毒面具。
第5.5.23建筑高度大于100m的公共建筑,应设置避难层(间)。避难层(间)应符合下列规定:
(4)避难层可兼作设备层。设备管道宜集中布置,其中的易燃、可燃液体或气体管道应集中布置,设备管道区应采用耐火极限不低于3.00h的防火隔墙与避难区分隔。管道井和设备间应采用耐火极限不低于2.00h的防火隔墙与避难区分隔,管道井和设备间的门不应直接开向避难区;确需直接开向避难区时,与避难层区出入口的距离不应小于5m,且应采用甲级防火门。D正确;
避难间内不应设置易燃、可燃液体或气体管道,不应开设除外窗、疏散门之外的其他开口。
(6)应设置消火栓和消防软管卷盘。
(7)应设置消防专线电话和应急广播。C不符合要求;
74.【答案】A
【解析】《建筑设计防火规范》GB50016-2014(2018年版)
鳗鱼饲料加工厂属于丙类厂房,饲料仓库属于丙类仓库。
【6.4.5】室外疏散楼梯应符合下列规定:
5除疏散门外,楼梯周围2m内的墙面上不应设置门、窗、洞口。疏散门不应正对梯段。A错误
【6.4.1】疏散楼梯间应符合下列规定:
【3.7.5】厂房内疏散楼梯、走道、门的各自总净宽度,应根据疏散人数按每100人的最小疏散净宽度不小于表3.7.5的规定计算确定。但疏散楼梯的最小净宽度不宜小于1.10m,D正确;
【3.7.6】高层厂房和甲、乙、丙类多层厂房的疏散楼梯应采用封闭楼梯间或室外楼梯。建筑高度大于32m且任一层人数超过10人的厂房,应采用防烟楼梯间或室外楼梯。B正确;
【3.8.2】每座仓库的安全出口不应少于2个,当一座仓库的占地面积不大于300㎡时,可设置1个安全出口。C正确
75.【答案】C
【解析】《消防给水及消火栓系统技术规范》GB50974-2014
消防软管卷盘和轻便水龙应符合现行国家标准《消防软管卷盘》GB15090和现行行业标准《轻便消防水龙》GA180的性能和质量要求。
外观和一般检查数量:全数检查。C正确
检查方法:直观和尺量检查。
性能检查数量:抽查符合本条第14款的规定。消火栓固定接口应进行密封性能试验,应以无渗漏、无损伤为合格。试验数量宜从每批中抽查1%,但不应少于5个,应缓慢而均匀地升压1·6MPa,应保压2min。当两个及两个以上不合格时,不应使用该批消火栓。当仅有1个不合格时,应再抽查2%,但不应少于10个,并应重新进行密封性能试验;当仍有不合格时,亦不应使用该批消火栓;B、D错误
消防软管卷盘应配置内径不小于φ19的消防软管,其长度宜为30m,A错误。
76.【答案】D
【解析】《消防给水及消火栓系统技术规范》GB50974-2014
12-2-3-14消火栓固定接口应进行密封性能试验,应以无渗漏、无损伤为合格。试验数量宜从每批中抽查1%,但不应少于5个,应缓慢而均匀升压1.6MPa,应保压2min。当两个及两个以上不合格时,不应使用该批消火栓。当仅有1个不合格时,应再抽查2%,但不应少于10个,并应重新进行密封性能试验;当仍然不合格时,亦不应使用该批消火栓。
77.【答案】C
【解析】《消防给水及消火栓系统技术规范》GB50974-2014
第12·4·4水压严密性试验应在水压强度试验和管网冲洗合格后进行。试验压力应为系统工作压力,稳压24h,应无泄漏。
78.【答案】D
【解析】排风系统应设置导除静电的接地装置,故A正确。排风管应采用金属管道,并应直接通向室外安全地点,故B正确。对空气中含有易燃易爆危险物质的房间,其送、排风系统应选用防爆型的通风设备,故C正确。净化或输送有爆炸危险粉尘和碎屑的除尘器、过滤器或管道,均应设置泄压装置。净化有爆炸危险粉尘的干式除尘器和过滤器应布置在系统的负压段上,故D错误。
79.【答案】A
【解析】《建筑灭火器的配置设计规范》GB50140-2005
酒店的布草间主要以固体火灾为主,【4.2.1A】类火灾场所应选择水型灭火器、磷酸铵盐干粉灭火器、泡沫灭火器或卤代烷灭火器,因此不应配置二氧化碳灭火器。
酒店的多功能厅主要以固体火灾为主,因此可配置水型灭火器。
酒店的客房区走道主要以固体火灾为主,因此可配置磷酸铵盐干粉灭火器。
酒店的厨房间主要以固体火灾和液体火灾为主,泡沫灭火器既可以灭A类火灾也可以灭B类火灾,因此可配置泡沫灭火器。
80.【答案】B
【解析】2022版教材217页AE属于严重缺陷项,C属于轻缺陷项。
二、多选题(共20小题,每题2分,每题的备选项中有2个或2个以上符合题意。错选、漏选不得分;少选,所选的每个选项得0.5分)
81.【答案】ADE
【解析】《火灾自动报警系统设计规范》GB50116-2013
第4.6.1防火门系统的联动控制设计,应符合下列规定:
(1)应由常开防火门所在防火分区内的两只独立的火灾探测器或一只火灾探测器与一只手动火灾报警按钮的报警信号,作为常开防火门关闭的联动触发信号,联动触发信号应由火灾报警控制器或消防联动控制器发出,并应由消防联动控制器或防火门监控器联动控制防火门关闭。A正确,B错误
第4.6.3疏散通道上设置的防火卷帘的联动控制设计,应符合下列规定:
(1)联动控制方式,防火分区内任两只独立的感烟火灾探测器或任一只专门用于联动防火卷帘的感烟火灾探测器的报警信号应联动控制防火卷帘下降至距楼板面1.8m处;任一只专门用于联动防火卷帘的感温火灾探测器的报警信号应联动控制防火卷帘下降到楼板面;在卷帘的任一侧距卷帘纵深0.5m~5m内应设置不少于2只专门用于联动防火卷帘的感温火灾探测器。C错误,D正确
第4.6.4非疏散通道上设置的防火卷帘的联动控制设计,应符合下列规定:
联动控制方式,应由防火卷帘所在防火分区内任两只独立的火灾探测器的报警信号,作为防火卷帘下降的联动触发信号,并应联动控制防火卷帘直接下降到楼板面。E正确
82.【答案】AB
【解析】考查防排烟系统联动控制和风速的相关知识。
根据《建筑防烟排烟系统技术标准》GB51251-2017,
【7.3.2】机械排烟系统的联动调试方法及要求应符合下列规定:
1当任何一个常闭排烟阀或排烟口开启时,排烟风机均应能联动启动。A正确;
【4.4.12】7排烟口的风速不宜大于10m/s。E错误;
【4.5.6】机械补风口的风速不宜大于10m/s,人员密集场所补风口的风速不宜大于5m/s;自然补风口的风速不宜大于3m/s。C项不好确定,不建议选;
【5.2.3】机械排烟系统中的常闭排烟阀或排烟口应具有火灾自动报警系统自动开启、消防控制室手动开启和现场手动开启功能,其开启信号应与排烟风机联动。当火灾确认后,火灾自动报警系统应在15s内联动开启相应防烟分区的全部排烟阀、排烟口、排烟风机和补风设施,并应在30s内自动关闭与排烟无关的通风、空调系统。B正确,D错误。
83.【答案】BE
【解析】《建筑设计防火规范》GB50016-2014(2018年版)
第6.4.11建筑内的疏散门应符合下列规定:
(2)仓库的疏散门应采用向疏散方向开启的平开门,但丙、丁、戊类仓库首层靠墙的外侧可采用推拉门或卷帘门。A正确;
第5.5.15公共建筑内房间的疏散门数量应经计算确定且不应少于2个。除托儿所、幼儿园、老年人照料设施、医疗建筑、教学建筑内位于走道尽端的房间外,符合下列条件之一的房间可设置1个疏散门:
(2)位于走道尽端的房间,建筑面积小于50㎡且疏散门的净宽度不小于0.90m,或由房间内任一点至疏散门的直线距离不大于15m、建筑面积不大于200㎡且疏散门的净宽度不小于1.40m;B错误;
第6.4.2封闭楼梯间除应符合本规范第6.4.1条的规定外,尚应符合下列规定:
(3)高层建筑、人员密集的公共建筑、人员密集的多层丙类厂房、甲、乙类厂房,其封闭楼梯间的门应采用乙级防火门,并应向疏散方向开启;其他建筑,可采用双向弹簧门。C正确
规范中对外开门没有防火要求。D正确。
E错误。
84.【答案】DE
【解析】《机关、团体、企业、事业单位消防安全管理规定》(公安部令第61号)
第四十三条消防安全管理情况应当包括以下内容:
(一)公安消防机构填发的各种法律文书;
(二)消防设施定期检查记录、自动消防设施全面检查测试的报告以及维修保养的记录;
(三)火灾隐患及其整改情况记录;
(四)防火检查、巡查记录;
(五)有关燃气、电气设备检测(包括防雷、防静电)等记录资料;
(六)消防安全培训记录;
(七)灭火和应急疏散预案的演练记录;
(八)火灾情况记录;
(九)消防奖惩情况记录。
前款规定中的第(二)、(三)、(四)、(五)项记录,应当记明检查的人员、时间、部位内容、发现的火灾隐患以及处理措施等;第(六)项记录,应当记明培训的时间、参加人员、内容等;第(七)项记录,应当记明演练的时间、地点、内容、参加部门以及人员等。DE正确。
85.【答案】CDE
【解析】A选项,题干描述可知,联动控制信号由两个独立的感烟探测器触发,所以A不符合题意,B选项,题干描述模块正常动作,说明联动卷帘的逻辑关系正确,B不选。答案CDE。
86.【答案】ACD
【解析】《自动喷水灭火系统施工及验收规范》GB50261-2017
第9.0.17每月应利用末端试水装置对水流指示器进行试验。A正确,注意,附录G表格中是每季,与正文不一致,按正文。
第9.0.3每年应对水源的供水能力进行一次测定,每日应对电源进行检查。B错误。
第9.0.18每月应对喷头进行一次外观及备用数量检查,发现有不正常的喷头应及时更换;当喷头上有异物时应及时清除。更换或安装喷头均应使用专用扳手。C正确。
第9.0.11消防水池、消防水箱及消防气压给水设备应每月检查一次,并应检查其消防储备水位及消防气压给水设备的气体压力。同时,应采取措施保证消防用水不作他用,并应每月对该措施进行检查,发现故障应及时进行处理。D正确。
第9.0.13寒冷季节,消防储水设备的任何部位均不得结冰。每天应检查设置储水设备的房间,保持室温不低于5℃。E错误。
87.【答案】ACDE
【解析】《建筑灭火器配置验收及检查规范》GB50444-2008
第5.2.2下列场所配置的灭火器,应按附录C的要求每半月进行一次检查。
(1)候车(机、船)室、歌舞娱乐放映游艺等人员密集的公共场所;
(2)堆场、罐区、石油化工装置区、加油站、锅炉房、地下室等场所。
A、C正确。
第5.3.1存在机械损伤、明显锈蚀、灭火剂泄露、被开启使用过或符合其他维修条件的灭火器应及时进行维修,D和E符合要求。
第5.4.2有下列情况之一的灭火器应报废:
筒体严重锈蚀,锈蚀面积大于、等于筒体总面积的1/3,表面有凹坑;B错误。
88.【答案】BDE
【解析】《建筑设计防火规范》GB50016-2014(2018年版)
第6.2.7附设在建筑内的消防控制室、灭火设备室、消防水泵房和通风空气调节机房、变配电室等,应采用耐火极限不低于2.00h的防火隔墙和1.50h的楼板与其他部位分隔。
通风、空气调节机房和变配电室开向建筑内的门应采用甲级防火门,消防控制室和其他设备房开向建筑内的门应采用乙级防火门。
89.【答案】ABC
【解析】《建筑设计防火规范》GB50016-2014(2018年版)
第6.4.1疏散楼梯间应符合下列规定:
(1)楼梯间应能天然采光和自然通风,并宜靠外墙设置。靠外墙设置时,楼梯间、前室及合用前室外墙上的窗口与两侧门、窗、洞口最近边缘的水平距离不应小于1.0m。A正确;
(2)楼梯间内不应设置烧水间、可燃材料储藏室、垃圾道。E错误;
第5.5.27住宅建筑的疏散楼梯设置应符合下列规定:
(2)建筑高度大于21m、不大于33m的住宅建筑应采用封闭楼梯间;当户门采用乙级防火门时,可采用敞开楼梯间。B正确;
第6.4.1疏散楼梯间应符合下列规定:
(6)封闭楼梯间、防烟楼梯间及其前室内禁止穿过或设置可燃气体管道。敞开楼梯间内不应设置可燃气体管道,当住宅建筑的敞开楼梯间内确需设置可燃气体管道和可燃气体计量表时,应采用金属管和设置切断气源的阀门。C正确;
第5.5.25住宅建筑安全出口的设置应符合下列规定:
建筑高度大于27m、不大于54m的建筑,当每个单元任一层的建筑面积大于650㎡,或任一户门至最近安全出口的距离大于10m时,每个单元每层的安全出口不应少于2个;D错误。
90.【答案】AE
【解析】《气体灭火系统设计规范》GB50370-2005
第4.3.1储存容器或容器阀以及组合分配系统集流管上的安全泄压装置的动作压力,应符合下列规定:
(1)一级充压(15.0MPa)系统,应为20.7±1.0MPa(表压);
(2)二级充压(20.0MPa)系统,应为27.6±1.4MPa(表压)。A正确
低泄高封阀安装在启动管路,其主要作用是排除由于气源泄漏而积聚在启动管路内的气体。如果安装在末端,那么在单向阀后面,起不到排除由于气源泄漏而积聚在启动管路内的气体。B错误。
第6.0.4灭火后的防护区应通风换气,地下防护区和无窗或设固定窗扇的地上防护区,应设置机械排风装置,排风口宜设在防护区的下部并应直通室外。通信机房、电子计算机房等场所的通风换气次数应不少于每小时5次。C错误。
第3.4.5储存容器充装量应符合下列规定:
(1)一级充压(15.0MPa)系统,充装量应为211.15kg/m³;
(2)二级充压(20.0MPa)系统,充装量应为281.06kg/m³。
并且281.06*0.08=22.48kg,D错误。
第3.2.7防护区应设置泄压口,七氟丙烷灭火系统的泄压口应位于防护区净高的2/3以上。规范中对IG541灭火系统并没有规定泄压口具体高度。E正确。
91.【答案】ABE
【解析】《建筑内部装修防火施工及验收规范》GB50354-2005
第4.0.4下列材料应进行抽样检验:
(1)现场阻燃处理后的木质材料,每种取4㎡检验燃烧性能;A错误;
第4.0.11木质材料表面进行防火涂料处理时,应对木质材料的所有表面进行均匀涂刷,且不应少于2次,第二次涂刷应在第一次涂层表面干后进行;涂刷防火涂料用量不应少于500g/㎡,B错误,E错误;
第4.0.3下列材料进场应进行见证取样检验:1B1级木质材料;C正确;
第4.0.7木质材料在进行阻燃处理时,木质材料含水率不应大于12%。D正确;
92.【答案】AD
【解析】《火灾自动报警系统施工及验收规范》GB50166-2007
第4.4.1采用专用的检测仪器或模拟火灾的方法,逐个检查每只火灾探测器的报警功能,探测器应能发出火灾报警信号。A正确
火警优先:在火灾报警控制器(联动型)报故障时,使任一只非故障部位的探测器、手动火灾报警按钮发出火灾报警信号,火灾探测器、手动火灾报警按钮发出火灾报警信号后,控制器应在10s内发出火灾报警声、光信号,并记录报警时间。
二次报警功能:再次使另一只非故障部位的探测器、手动火灾报警按钮发出火灾报警信号,火灾探测器、手动火灾报警按钮发出火灾报警信号后,控制器应在10s内发出火灾报警声、光信号,并记录报警时间。B错误。
控制器与现场部件之间的连线断路时,控制器应在100s内显示故障部件的类型和地址注释信息,且显示的地址D正确。
《火灾自动报警系统设计规范》GB50116-2013
第4.2.2预作用系统的联动控制设计,应符合下列规定:
(1)联动控制方式,应由同一报警区域内两只及以上独立的感烟火灾探测器或一只感烟火灾探测器与一只手动火灾报警按钮的报警信号,作为预作用阀组开启的联动触发信号。C错误。
第4.8.1火灾自动报警系统应设置火灾声光警报器,并应在确认火灾后启动建筑内的所有火灾声光警报器。E错误。
93.【答案】DE
【解析】《重大火灾隐患判定方法》GB35181-2017
(6)直接判定要素
第6.7易燃可燃液体、可燃气体储罐(区)未按国家工程建设消防技术标准的规定设置固定灭火、冷却、可燃气体浓度报警、火灾报警设施。B为直接判定要素,不符合题意;
(7)综合判定要素
第7.1.1未按国家工程建设消防技术标准的规定或城市消防规划的要求设置消防车道或消防车道被堵塞、占用。D属于综合判定要素;
第7.4.2未按国家工程建设消防技术标准的规定设置室外消防给水系统,或已设置但不符合标准的规定或不能正常使用。有机构依此条选C,但阀门关不严不应该算隐患,不选为好。
第7.4.6已设置的自动喷水灭火系统或其他固定灭火设施不能正常使用或运行。E属于综合判定要素;
该标准没有对灭火器进行规定,因此选项A不选。
94.【答案】CE
【解析】《自动喷水灭火系统施工及验收规范》GB50261-2017
(1)8.0.6-4打开消防水泵出水管上试水阀,当采用主电源启动消防水泵时,消防水泵应启动正常;关掉主电源,主、备电源应能正常切换。备用电源切换时,消防水泵应在1min或2min内投入正常运行。自动或手动启动消防泵时应在55s内投入正常运行。属于严重缺陷,但29s启泵符合要求。
(2)8.0.9-5各种不同规格的喷头均应有一定数量的备用品,其数量不应小于安装总数的1%,且每种备用喷头不应少于10个。无备品属于轻缺陷。
(3)《自动喷水灭火系统设计规范》GB50084-2017,附录A多层旅馆火灾危险等级为轻危险级,表7.1.2轻危险级直立型标准覆盖面积洒水喷头与端墙的距离最大值为2.2m;符合要求
《自动喷水灭火系统施工及验收规范》GB50261-2017。8.0.9-2喷头安装间距,喷头与楼板、墙、梁等障碍物的距离应符合设计要求。不属于缺陷项。
(4)8.0.7-3水力警铃的设置位置应正确。测试时,水力警铃喷嘴处压力不应小于0.05MPa,且距水力警铃3m远处警铃声声强不应小于70dB。属于重缺陷项
第8.0.13-2系统验收合格判定的条件为:A=0,且B2,B+C6为合格,否则为不合格。
检测结果中共有重缺陷项1项,轻缺陷项1项,A=0,且B=1,B+C2为合格。
95.【答案】ABD
【解析】《建筑设计防火规范》GB50016-2014(2018年版)
第5.5.30住宅建筑的户门、安全出口、疏散走道和疏散楼梯的各自总净宽度应经计算确定,且户门和安全出口的净宽度不应小于0.90m,A正确;
第7.3.8消防电梯应符合下列规定:
(7)电梯轿厢内部应设置专用消防对讲电话。B正确;
第5.5.28住宅单元的疏散楼梯,当分散设置确有困难且任一户门至最近疏散楼梯间入口的距离不大于10m时,可采用剪刀楼梯间,但应符合下列规定:
(2)电梯的载重量不应小于800kg;D正确;
(6)电梯轿厢的内部装修应采用不燃材料;E错误;
(4)楼梯间的前室或共用前室不宜与消防电梯的前室合用;楼梯间的共用前室与消防电梯的前室合用时,合用前室的使用面积不应小于12.0㎡,且短边不应小于2.4m。C错误;
96.【答案】ACDE
【解析】《建筑设计防火规范》GB50016-2014(2018年版)
第3.6.3泄压设施宜采用轻质屋面板、轻质墙体和易于泄压的门、窗等,应采用安全玻璃等在爆炸时不产生尖锐碎片的材料。E正确。
泄压设施的设置应避开人员密集场所和主要交通道路,并宜靠近有爆炸危险的部位。
作为泄压设施的轻质屋面板和墙体的质量不宜大于60kg/㎡。C正确
屋顶上的泄压设施应采取防冰雪积聚措施。D正确
第3.6.12甲、乙、丙类液体仓库应设置防止液体流散的设施。遇湿会发生燃烧爆炸的物品仓库应采取防止水浸渍的措施。
第3.6.12条文解释:防止液体流散的基本做法有两种:一是在桶装仓库门洞处修筑漫坡,一般高为150mm~300mm;二是在仓库门口砌筑高度为150mm~300mm的门坎,再在门坎两边填沙土形成漫坡,便于装卸。A正确
第10.2.5可燃材料仓库内宜使用低温照明灯具,并应对灯具的发热部件采取隔热等防火措施,不应使用卤钨灯等高温照明灯具。B错误
97.【答案】ADE
【解析】《消防安全技术综合能力》
根据图4-1-1火灾风险评估指标体系可知,消防通信指挥调度能力、消防装备配置水平、消防站数量为消防力量的内容,选项B消防教育水平为社会面防控能力的内容,选项C火灾预警能力为火灾预警防控的内容。
98.【答案】BC
【解析】《建筑设计防火规范》GB50016-2014(2018年版)
7·1·8消防车道应符合下列要求:
1车道的净宽度和净空高度均不应小于4·0m;
5消防车道的坡度不宜大于8%。A正确;
7·2·2消防车登高操作场地应符合下列规定:
2场地的长度和宽度分别不应小于15m和10m。对于建筑高度大于50m的建筑,场地的长度和宽度分别不应小于20m和10m。B错误;
7·2·2消防车登高操作场地应符合下列规定:
4场地应与消防车道连通,场地靠建筑外墙一侧的边缘距离建筑外墙不宜小于5m,且不应大于10m,场地的坡度不宜大于3%。
7·2·5供消防救援人员进入的窗口的净高度和净宽度均不应小于1·0m,下沿距室内地面不宜大于1·2m,间距不宜大于20m且每个防火分区不应少于2个,设置位置应与消防车登高操作场地相对应。窗口的玻璃应易于破碎,并应设置可在室外易于识别的明显标志。D正确;
7·1·9环形消防车道至少应有两处与其他车道连通。尽头式消防车道应设置回车道或回车场,回车场的面积不应小于12m12m;对于高层建筑,不宜小于15m15m;供重型消防车使用时,不宜小于18m18m。E正确。
建筑防火通用规范 GB55037-2022
2.2.3 除有特殊要求的建筑和甲类厂房可不设置消防救援口外,在建筑的外墙上应设置便于消防救援人员出入的消防救援口,并应符合下列规定:
1 沿外墙的每个防火分区在对应消防救援操作面范围内设置的消防救援口不应少于2个;
2 无外窗的建筑应每层设置消防救援口,有外窗的建筑应自第三层起每层设置消防救援口;
3 消防救援口的净高度和净宽度均不应小于1.0m,当利用门时,净宽度不应小于0.8m;
4 消防救援口应易于从室内和室外打开或破拆,采用玻璃窗时,应选用安全玻璃;
5 消防救援口应设置可在室内和室外识别的永久性明显标志。
3.4.5 消防车道或兼作消防车道的道路应符合下列规定:
1 道路的净宽度和净空高度应满足消防车安全、快速通行的要求;
2 转弯半径应满足消防车转弯的要求;
3 路面及其下面的建筑结构、管道、管沟等,应满足承受消防车满载时压力的要求;
4 坡度应满足消防车满载时正常通行的要求,且不应大于10%,兼作消防救援场地的消防车道,坡度尚应满足消防车停靠和消防救援作业的要求;
5 消防车道与建筑外墙的水平距离应满足消防车安全通行的要求,位于建筑消防扑救面一侧兼作消防救援场地的消防车道应满足消防救援作业的要求;
6 长度大于40m的尽头式消防车道应设置满足消防车回转要求的场地或道路;
7 消防车道与建筑消防扑救面之间不应有妨碍消防车操作的障碍物,不应有影响消防车安全作业的架空高压电线。
99.【答案】CDE
【解析】《中华人民共和国消防法》
第二十四条消防产品必须符合国家标准;没有国家标准的,必须符合行业标准。禁止生产、销售或者使用不合格的消防产品以及国家明令淘汰的消防产品。CDE正确。
依法实行强制性产品认证的消防产品,由具有法定资质的认证机构按照国家标准、行业标准的强制性要求认证合格后,方可生产、销售、使用。实行强制性产品认证的消防产品目录,由国务院产品质量监督部门会同国务院应急管理部门制定并公布。
新研制的尚未制定国家标准、行业标准的消防产品,应当按照国务院产品质量监督部门会同国务院应急管理部门规定的办法,经技术鉴定符合消防安全要求的,方可生产、销售、使用。
依照本条规定经强制性产品认证合格或者技术鉴定合格的消防产品,国务院应急管理部门应当予以公布。
100.【答案】ABCD
【解析】考察的比较综合,包括平面布置和安全疏散的问题。
《建筑设计防火规范》GB50016-2014(2018年版)
该老年人照料设施属于一类高层公共建筑。
【5.5.18】除本规范另有规定外,公共建筑内疏散门和安全出口的净宽度不应小于0.90m,疏散走道和疏散楼梯的净宽度不应小于1.10m。B正确;
高层公共建筑内楼梯间的首层疏散门、首层疏散外门、疏散走道和疏散楼梯的最小净宽度应符合表【5.5.18】的规定。C正确。

【5.4.4】B当老年人照料设施中的老年人公共活动用房、康复与医疗用房设置在地下、半地下时,应设置在地下一层,每间用房的建筑面积不应大于200㎡且使用人数不应大于30人。
老年人照料设施中的老年人公共活动用房、康复与医疗用房设置在地上四层及以上时,每间用房的建筑面积不应大于200㎡,且使用人数不应大于30人。D正确;
【5.5.24】A3层及3层以上总建筑面积大于3000㎡(包括设置在其他建筑内三层及以上楼层)的老年人照料设施,应在二层及以上各层老年人照料设施部分的每座疏散楼梯间的相邻部位设置1间避难间;当老年人照料设施设置与疏散楼梯或安全出口直接连通的开敞式外廊、与疏散走道直接连通且符合人员避难要求的室外平台等时,可不设置避难间。避难间内可供避难的净面积不应小于12㎡,避难间可利用疏散楼梯间的前室或消防电梯的前室,其他要求应符合本规范第【5.5.24】条的规定。E项建筑面积错误。
建筑防火通用规范 GB55037-2022
7.1.4 疏散出口门、疏散走道、疏散楼梯等的净宽度应符合下列规定:
1 疏散出口门、室外疏散楼梯的净宽度均不应小于0.80m;
2 住宅建筑中直通室外地面的住宅户门的净宽度不应小于0.80m,当住宅建筑高度不大于18m且一边设置栏杆时,室内疏散楼梯的净宽度不应小于1.0m,其他住宅建筑室内疏散楼梯的净宽度不应小于1.1m;
3 疏散走道、首层疏散外门、公共建筑中的室内疏散楼梯的净宽度均不应小于1.1m;
4 净宽度大于4.0m的疏散楼梯、室内疏散台阶或坡道,应设置扶手栏杆分隔为宽度均不大于2.0m的区段。
模拟试卷(一)
一、单项选择题(共80题,每题1分,每题的备选项中,只有一个最符合题意)
1.【答案】C
【解析】根据现行《中华人民共和国消防法》
第四十四条任何人发现火灾都应当立即报警。任何单位、个人都应当无偿为报警提供便利,不得阻拦报警。严禁谎报火警。故A、B正确;
人员密集场所发生火灾,该场所的现场工作人员应当立即组织、引导在场人员疏散。C选项现场工作人员没有组织、引导在场人员疏散,故错误。任何单位发生火灾,必须立即组织力量扑救。邻近单位应当给予支援。故D正确。
2.【答案】D
【解析】根据《中华人民共和国消防法》(2021修订版)
第六十八条 人员密集场所发生火灾,该场所的现场工作人员不履行组织、引导在场人员疏散的义务,情节严重,尚不构成犯罪的,处五日以上十日以下拘留。故D正确。
3.【答案】D
【解析】消防责任事故罪是指违反消防管理法规,经消防监督机构通知采取改成措施而拒绝执行,造成严重后果,危害公共安全的行为。该题目符合,故选D选项。
4.【答案】C
【解析】A选项,由住房和城乡建设主管部门、消防救援机构按照各自职权责令停止施工、停止使用或者停产停业,并处三万元以上三十万元以下罚款;B选项,由住房和城乡建设主管部门责令改正或者停止施工,并处一万元以上十万元以下罚款:C选项,责令改正,处五千元以上五万元以下罚款;D选项,消防技术服务机构,责令改正,处五万元以上十万元以下罚款,并对直接负责的主管人员和其他直接责任人员处一万元以上五万元以下罚款;有违法所得的,并处没收违法所得;给他人造成损失的,依法承担赔偿责任;情节严重的,由原许可机关依法责令停止执业或者吊销相应资质、资格。答案为C选项。
5.【答案】B
【解析】根据《中华人民共和国行政处罚法》
第九条行政处罚的种类:
(一)警告、通报批评;故A正确;
(二)罚款、没收违法所得、没收非法财物;故B错误,罚金并非罚款;
(三)暂扣许可证件、降低资质等级、吊销许可证件;故C正确;
(四)限制开展生产经营活动、责令停产停业、责令关闭、限制从业;故D正确。
(五)行政拘留;
(六)法律、行政法规规定的其他行政处罚。
6.【答案】D
【解析】根据《机关、团体、企业、事业单位消防安全管理规定》第七条,A、B、C都属于消防安全管理人的职责,D选项属于消防安全责任人的职责。
7.【答案】C
【解析】
3.坚持“慎独”
注册消防工程师加强职业道德修养要坚持"慎独",即不管所在单位的制度有无规定,也不管有无人监督,都能够自觉地严格要求自己,遵守职业道德原则和规范,坚决杜绝不正之风和违法乱纪行为。
8.【答案】C
【解析】根据《建筑设计防火规范》GB50016-2014(2018年版)
A.0.1建筑高度的计算应符合下列规定:
2建筑屋面为平屋面(包括有女儿墙的平屋面)时,建筑高度应为建筑室外设计地面至其屋面面层的高度;
该建筑建筑高度为25.800-(-0.600)=26.400米,24米以上没有完整的一层,所以不属于一类高层建筑。故该建筑属于二类高层公共建筑。
9.【答案】B
【解析】建筑设计防火规范GB50016-2014(2018年版)
3.1.5丁、戊类储存物品仓库的火灾危险性,当可燃包装重量大于物品本身重量1/4或可燃包装体积大于物品本身体积的1/2时,应按丙类确定。
陶瓷制品的火灾危险性为戊类;包装物的火灾危险性为丙类,包装重量大于物品本身重量的1/4了,所以该仓库的火灾危险性为丙类。
10.【答案】B
【解析】使用或产生丙类液体的厂房和有火花、赤热表面、明火的丁类厂房,其耐火等级均不应低于二级当为建筑面积不大于500m²的单层丙类厂房或建筑面积不大于1000m²的单层丁类厂房时,可采用三级耐火等级的建筑。A正确;粮食筒仓的耐火等级不应低于二级,B错误;锅炉房的耐火等级不应低于二级,当为燃煤锅炉房且锅炉的总蒸发量不大于4t/h时,可采用三级耐火等级的建筑。C正确;高层厂房,甲、乙类厂房的耐火等级不应低于二级,建筑面积不大于300m²的独立甲、乙类单层厂房可采用三级耐火等级的建筑。D正确。
11.【答案】B
【解析】根据建筑设计防火规范GB50016-2014(2018年版)
5.4.9歌舞厅、录像厅、夜总会、卡拉OK厅(含具有卡拉OK功能的餐厅)、游艺厅(含电子游艺厅)、桑拿浴室(不包括洗浴部分)、网吧等歌舞娱乐放映游艺场所(不含剧场、电影院)的布置应符合下列规定:
1不应布置在地下二层及以下楼层;A错误。
2宜布置在一、二级耐火等级建筑内的首层、二层或三层的靠外墙部位;
3不宜布置在袋形走道的两侧或尽端;
4确需布置在地下一层时,地下一层的地面与室外出入口地坪的高差不应大于10m;
5确需布置在地下或四层及以上楼层时,一个厅、室的建筑面积不应大于200m²;
6厅、室之间及与建筑的其他部位之间,应采用耐火极限不低于2.00h的防火隔墙和1.00h的不燃性楼板分隔,设置在厅、室墙上的门和该场所与建筑内其他部位相通的门均应采用乙级防火门。CD错误。
12.【答案】C
【解析】《建筑设计防火规范GB50016-2014》(2018年版)
6.4.14避难走道的设置应符合下列规定:
3避难走道的净宽度不应小于任一防火分区通向该避难走道的设计疏散总净宽度;所以B错误。
4避难走道内部装修材料的燃烧性能应为A级;所以A错误。
5防火分区至避难走道入口处应设置防烟前室,前室的使用面积不应小于6.0㎡,开向前室的门应采用甲级防火门,前室开向避难走道的门应采用乙级防火门;所以C正确,D错误。
综上所述,答案选C。
13.【答案】B
【解析】《建筑防火设计规范》(GB50016-2014)(2018年版)
5.5.24A 3层及3层以上总建筑面积大于3000m²(包括设置在其他建筑内三层及以上楼层)的老年人照料设施,应在二层及以上各层老年人照料设施部分的每座疏散楼梯间的相邻部位设置1间避难间;A选项错误,应在二层及以上各层设置避难间。
当老年人照料设施设置与疏散楼梯或安全出口直接连通的开敞式外廊、与疏散走道直接连通且符合人员避难要求的室外平台等时,可不设置避难间。B选项正确。开敞式外廊未封闭,烟气不聚集,可以不设置避难间。
避难间内可供避难的净面积不应小于12m²,避难间可利用疏散楼梯间的前室或消防电梯的前室,其他要求应符合高层病房楼内避难间的规定。C错误,面积不符。D错误,老年人照料设施内的避难间能利用疏散楼梯的前室,也能利用消防电梯前室,但是不能利用合用前室,因为考虑到救援与上下疏散的人流交织情况不利于消防队救援。
综上,答案选B。
14.【答案】B
【解析】根据《建筑设计防火规范》GB50016-2014(2018年版)
7.3.5除设置在仓库连廊、冷库穿堂或谷物筒仓工作塔内的消防电梯外,消防电梯应设置前室,并应符合下列规定:
1前室宜靠外墙设置,并应在首层直通室外或经过长度不大于30m的通道通向室外;故A正确;
2前室的使用面积不应小于6.0m²,前室的短边不应小于2.4m;与防烟楼梯间合用的前室,其使用面积尚应符合本规范第5.5.28条和第6.4.3条的规定;故B错误;
3除前室的出入口、前室内设置的正压送风口和本规范第5.5.27条规定的户门外,前室内不应开设其他门、窗、洞口;
4前室或合用前室的门应采用乙级防火门,不应设置卷帘。故C正确;
D选项正确,前室设有消火栓,便于消防救援人员乘消防电梯到达起火楼层后立即启用消火栓扑救。
15.【答案】B
【解析】布置在四层时每个观众厅的建筑面积控制在400㎡以内,且一个厅、室的疏散门不少于2个,故A选项正确。当电影院、剧场、礼堂设置在三级耐火等级的建筑内时,不应设置在三层及以上楼层,故B选项错误。电影院可布置在地下一、二层,故C选项正确。设置在其他民用建筑内时,采用耐火极限不低于2.00h的防火隔墙和甲级防火门与其他区域分隔,故D选项正确。
16.【答案】D
【解析】由于该建筑为高层公共建筑;
一、二级耐火等级建筑内的商店营业厅、展览厅,当设置自动灭火系统和火灾自动报警系统并采用不燃或难燃装修材料时,其每个防火分区的最大允许建筑面积应符合下列规定:1设置在高层建筑内时,不应大于4000m²;故A选项正确;3设置在地下或半地下时,不应大于2000m²;故C选项正确;高层民用建筑的防火分区最大允许建筑面积为1500 m²,地下设备用房的防火分区最大允许建筑面积为1000m²。由于整栋建筑都设置了自动灭火系统,因此办公区域和地下设备用房的最大允许建筑面积为3000m²和2000m²,故B选项正确,D选项错误。故本题答案为D。
17.【答案】D
【解析】根据《建筑防烟排烟系统技术标准》(GB51251-2017)
4.2.4公共建筑、工业建筑防烟分区的最大允许面积及其长边最大允许长度应符合表4.2.4的规定,当工业建筑采用自然排烟系统时,其防烟分区的长边长度尚不应大于建筑内空间净高的8倍。

注:1公共建筑、工业建筑中的走道宽度不大于2.5m时,其防烟分区的长边长度不应大于60m。
2当空间净高大于9m时,防烟分区之间可不设置挡烟设施。
3汽车库防烟分区的划分及其排烟量应符合现行国家规范《汽车库、修车库、停车场设计防火规范》GB 50067的相关规定。故ABC错误;
根据《汽车库、修车库、停车场设计防火规范》(GB50067-2014)
8.2.2防烟分区的建筑面积不宜大于2000 ㎡,且防烟分区不应跨越防火分区。防烟分区可采用挡烟垂壁、隔墙或从顶棚下突出不小于0.5m的梁划分。故D选项正确。
18.【答案】C
【解析】依据《建筑设计防火规范》GB50016-2014(2018年版)
3.8.7高层仓库的疏散楼梯应采用封闭楼梯间。所以,C选项错误。
19.【答案】B
【解析】《建筑设计防火规范》GB50016-2014
6.4.2封闭楼梯间除应符合本规范第6.4.1条的规定外,尚应符合下列规定:
3高层建筑、人员密集的公共建筑、人员密集的多层丙类厂房、甲、乙类厂房,其封闭楼梯间的门应采用乙级防火门,并应向疏散方向开启;其他建筑,可采用双向弹簧门。首层直接对外的疏散门,应向外开启。A正确,B错误。
6.4.4除通向避难层错位的疏散楼梯外,建筑内的疏散楼梯间在各层的平面位置不应改变。
除住宅建筑套内的自用楼梯外,地下或半地下建筑(室)的疏散楼梯间,应符合下列规定:
1室内地面与室外出入口地坪高差大于10m或3层及以上的地下、半地下建筑(室),其疏散楼梯应采用防烟楼梯间;其他地下或半地下建筑(室),其疏散楼梯应采用封闭楼梯间。D正确。
6.4.4除通向避难层错位的疏散楼梯外,建筑内的疏散楼梯间在各层的平面位置不应改变。C正确。
20.【答案】D
【解析】根据《建筑设计防火规范GB50016-2014》(2018年版)
焦化厂的焦油厂房为丙类厂房。
根据3.7.4厂房内任一点至最近安全出口的直线距离不应大于表3.7.4的规定。
所以答案选D,注意厂房疏散距离没有设自动喷水灭火系统可以增加的规定。
21.【答案】B
【解析】根据《建筑设计防火规范》
5.5.19人员密集的公共场所、观众厅的疏散门不应设置门槛,其净宽度不应小于1.40m,且紧靠门口内外各1.40m范围内不应设置踏步。故A正确。
B选项中人数最多为500人,则疏散宽度为:500*1/100=5m,每个安全出口的宽度为5/2=2.5m,故B错误。
5.5.21-2地下或半地下人员密集的厅、室和歌舞娱乐放映游艺场所,其房间疏散门、安全出口、疏散走道和疏散楼梯的各自总净宽度,应根据疏散人数按每100人不小于1.00m计算确定。
4歌舞娱乐放映游艺场所中录像厅的疏散人数,应根据厅、室的建筑面积按不小于1.0人/m²计算;其他歌舞娱乐放映游艺场所的疏散人数,应根据厅、室的建筑面积按不小于0.5人/m²计算。C选项中需要的宽度为:800*0.5*1/100=4m,故C正确。
根据《建筑防火通用规范》
7.1.4 疏散出口门、疏散走道、疏散楼梯等的净宽度应符合下列规定:
2 住宅建筑中直通室外地面的住宅户门的净宽度不应小于0.80m,当住宅建筑高度不大于18m且一边设置栏杆时,室内疏散楼梯的净宽度不应小于1.0m,其他住宅建筑室内疏散楼梯的净宽度不应小于1.1m;D正确。
22.【答案】D
【解析】依据《建筑防火通用规范》GB55037-2022
7.4.2 公共建筑内每个房间的疏散门不应少于2个;儿童活动场所、老年人照料设施中的老年人活动场所、医疗建筑中的治疗室和病房、教学建筑中的教学用房,当位于走道尽端时,疏散门不应少于2个;公共建筑内仅设置1个疏散门的房间应符合下列条件之一:
1 对于儿童活动场所、老年人照料设施中的老年人活动场所,房间位于两个安全出口之间或袋形走道两侧且建筑面积不大于50㎡;
2 对于医疗建筑中的治疗室和病房、教学建筑中的教学用房,房间位于两个安全出口之间或袋形走道两侧且建筑面积不大于75㎡;
3 对于歌舞娱乐放映游艺场所,房间的建筑面积不大于50㎡且经常停留人数不大于15人;
4 对于其他用途的场所,房间位于两个安全出口之间或袋形走道两侧且建筑面积不大于120㎡;
5 对于其他用途的场所,房间位于走道尽端且建筑面积不大于50㎡;
6 对于其他用途的场所,房间位于走道尽端且建筑面积不大于200㎡、房间内任一点至疏散门的直线距离不大于15m、疏散门的净宽度不小于1.40m。
托儿所、幼儿园、老年人照料设施、医疗建筑、教学建筑的房间,设置在袋形走道尽端时,至少设置两个疏散门,所以,A、B、C均不符合要求。
D选项,满足房间建筑面积不大于50㎡,疏散门宽度不小于0.9m,并且人数不超过15人,所以,可以设置一个疏散门。
23.【答案】C
【解析】依据《建筑设计防火规范》GB50016-2014(2018年版)
5.5.23建筑高度大于100m的公共建筑,应设置避难层(间)。避难层(间)应符合下列规定:
4避难层可兼作设备层。设备管道宜集中布置,其中的易燃、可燃液体或气体管道应集中布置,设备管道区应采用耐火极限不低于3.00h的防火隔墙与避难区分隔。管道井和设备间应采用耐火极限不低于2.00h的防火隔墙与避难区分隔,管道井和设备间的门不应直接开向避难区;确需直接开向避难区时,与避难层区出入口的距离不应小于5m,且应采用甲级防火门。所以,A、B选项错误,C正确。
避难间内不应设置易燃、可燃液体或气体管道,不应开设除外窗、疏散门之外的其他开口。
5避难层应设置消防电梯出口。所以,D错误。
24.【答案】A
【解析】《建筑设计防火规范》GB 50016-2014(2018年版)
9.3.4空气中含有易燃、易爆危险物质的房间,其送、排风系统应采用防爆型的通风设备。当送风机布置在单独分隔的通风机房内且送风干管上设置防止回流设施时,可采用普通型的通风设备。未设置防止回流设施,故A错误。
9.3.8净化或输送有爆炸危险粉尘和碎屑的除尘器、过滤器或管道,均应设置泄压装置。
净化有爆炸危险粉尘的干式除尘器和过滤器应布置在系统的负压段上。B正确。
9.3.9排除有燃烧或爆炸危险气体、蒸气和粉尘的排风系统,应符合下列规定:
1排风系统应设置导除静电的接地装置;C正确。
3排风管应采用金属管道,并应直接通向室外安全地点,不应暗设。D正确。
25.【答案】D
【解析】ABC属于预防性技术措施。
26.【答案】D
【解析】根据《建筑设计防火规范》GB 50016-2014(2018年版)
3.6.7有爆炸危险的甲、乙类生产部位,宜布置在单层厂房靠外墙的泄压设施或多层厂房顶层靠外墙的泄压设施附近。
27.【答案】D
【解析】《建筑设计防火规范》(GB50016)
6.7.7当建筑的外墙外保温系统按本节规定采用燃烧性能为B1、B2级的保温材料时,应符合下列规定:
1除采用B1级保温材料且建筑高度不大于24m的公共建筑或采用B1级保温材料且建筑高度不大于27m的住宅建筑外,建筑外墙上门、窗的耐火完整性不应低于0.50h。B正确。
2应在保温系统中每层设置水平防火隔离带。防火隔离带应采用燃烧性能为A级的材料,防火隔离带的高度不应小于300mm。所以,A符合要求。
6.7.8建筑的外墙外保温系统应采用不燃材料在其表面设置防护层,防护层应将保温材料完全包覆。除本规范第6.7.3条规定的情况外,当按本节规定采用B1、B2级保温材料时,防护层厚度首层不应小于15mm,其他层不应小于5mm。D错误。
6.7.12建筑外墙的装饰层应采用燃烧性能为A级的材料,但建筑高度不大于50m时,可采用B1级材料。
28.【答案】C
【解析】《建筑设计防火规范》GB50016-2014(2018年版)
6.7.5与基层墙体、装饰层之间无空腔的建筑外墙外保温系统,其保温材料应符合下列规定:
1住宅建筑:
2)建筑高度大于27m,但不大于100m时,保温材料的燃烧性能不应低于B1级;D正确
2除住宅建筑和设置人员密集场所的建筑外,其他建筑:
2)建筑高度大于24m,但不大于50m时,保温材料的燃烧性能不应低于B1级;A正确;
6.7.4A除本规范第6.7.3条规定的情况外,下列老年人照料设施的内、外墙体和屋面保温材料应采用燃烧性能为A级的保温材料:
1独立建造的老年人照料设施;C错误。
人员密集场所保温材料应采用A级,B正确。
29.【答案】C
【解析】根据《建筑设计防火规范》(GB50016-2014)
7.1.8消防车道应符合下列要求:
1.车道的净宽度和净空高度均不应小于4.0m;A符合要求。
4.消防车道靠建筑外墙一侧的边缘距离建筑外墙不宜小于5m;B符合要求。
7.2.1建筑高度不大于50m的建筑,连续布置消防车登高操作场地确有困难时,可间隔布置,但间隔距离不宜大于30m,且消防车登高操作场地的总长度仍应符合上述规定。C错误,应连续设置。
7.2.5供消防救援人员进入的窗口的净高度和净宽度均不应小于1.0m,下沿距室内地面不宜大于1.2m,间距不宜大于20m且每个防火分区不应少于2个,设置位置应与消防车登高操作场地相对应。窗口的玻璃应易于破碎,并应设置可在室外易于识别的明显标志。D符合要求。本题应选择C。
30.【答案】D
【解析】根据《消防给水及消火栓系统技术规范》GB50974-2014
7.2.6市政消火栓应布置在消防车易于接近的人行道和绿地等地点,且不应妨碍交通,C正确。并应符合下列规定:
1市政消火栓距路边不宜小于0.5m,并不应大于2.0m;D错误。
2市政消火栓距建筑外墙或外墙边缘不宜小于5.0m;A正确。
3市政消火栓应避免设置在机械易撞击的地点,确有困难时,应采取防撞措施。B正确。
31.【答案】A
【解析】根据《消防给水及消火栓系统技术规范》GB50974-2014
12.3.20架空管道的支吊架应符合下列规定:
5当管道穿梁安装时,穿梁处宜作为一个吊架;D正确。
6下列部位应设置固定支架或防晃支架:
1)配水管宜在中点设一个防晃支架,但当管径小于DN50时可不设;A错误。
2)配水干管及配水管,配水支管的长度超过15m,每15m长度内应至少设1个防晃支架,但当管径不大于DN40可不设;B正确。
3)管径大于DN50的管道拐弯、三通及四通位置处应设1个防晃支架,C正确。
32.【答案】D
【解析】根据《消防给水及消火栓系统技术规范》GB50974-2014
5.3.3稳压泵的设计压力应符合下列要求:
3稳压泵的设计压力应保持系统最不利点处水灭火设施在准工作状态时的静水压力应大于0.15MPa。
33.【答案】A
【解析】《消防给水及消火栓系统技术规范》GB50974-2014
12.3.6消防水泵接合器的安装应符合下列规定:
1消防水泵接合器的安装,应按接口、本体、连接管、止回阀、安全阀、放空管、控制阀的顺序进行,止回阀的安装方向应使消防用水能从消防水泵接合器进入系统,整体式消防水泵接合器的安装,应按其使用安装说明书进行;
34.【答案】B
【解析】《消防给水及消火栓系统技术规范》GB50974-2014
13.1.4消防水泵调试应符合下列要求:
1以自动直接启动或手动直接启动消防水泵时,消防水泵应在55s内投入正常运行,且应无不良噪声和振动;
2以备用电源切换方式或备用泵切换启动消防水泵时,消防水泵应分别在1min或2min内投入正常运行;
3消防水泵安装后应进行现场性能测试,其性能应与生产厂商提供的数据相符,并应满足消防给水设计流量和压力的要求;
4消防水泵零流量时的压力不应超过设计工作压力的140%;当出流量为设计工作流量的150%时,其出口压力不应低于设计工作压力的65%。
35.【答案】C
【解析】根据《自动喷水灭火系统施工及验收规范》
8.0.7报警阀组的验收应符合下列要求:
3水力警铃的设置位置应正确。测试时,水力警铃喷嘴处压力不应小于0.05MPa,且距水力警铃3m远处警铃声声强不应小于70dB,AB正确。
7打开末端试(放)水装置,当流量达到报警阀动作流量时,湿式报警阀和压力开关应及时动作,带延迟器的报警阀应在90s内压力开关动作,不带延迟器的报警阀应在15s内压力开关动作,C错误。
雨淋报警阀动作后15s内压力开关动作,D正确。
36.【答案】A
【解析】《消防给水及消火栓系统技术规范》GB50974-2014
14.0.4消防水泵和稳压泵等供水设施的维护管理应符合下列规定:
1每月应手动启动消防水泵运转一次,并应检查供电电源的情况;
2每周应模拟消防水泵自动控制的条件自动启动消防水泵运转一次,且应自动记录自动巡检情况,每月应检测记录;
3每日应对稳压泵的停泵启泵压力和启泵次数等进行检查和记录运行情况;
4每日应对柴油机消防水泵的启动电池的电量进行检测,每周应检查储油箱的储油量,每月应手动启动柴油机消防水泵运行一次;
5每季度应对消防水泵的出流量和压力进行一次试验;
6每月应对气压水罐的压力和有效容积等进行一次检测。
37.【答案】C
【解析】《自动喷水灭火系统设计规范》GB50084-2017
2.1.8雨淋系统
由开式洒水喷头、雨淋报警阀组等组成,发生火灾时由火灾自动报警系统或传动管控制,自动开启雨淋报警阀组和启动消防水泵,用于灭火的开式系统。C正确
2.1.12防护冷却系统
由闭式洒水喷头、湿式报警阀组等组成,发生火灾时用于冷却防火卷帘、防火玻璃墙等防火分隔设施的闭式系统。
38.【答案】A
【解析】《自动喷水灭火系统施工及验收规范》GB50261-2017
5.3.4干式报警阀组的安装应符合下列要求:
1应安装在不发生冰冻的场所。A错误。
2安装完成后,应向报警阀气室注入高度为50mm~100mm的清水。B正确
3充气连接管接口应在报警阀气室充注水位以上部位,且充气连接管的直径不应小于15mm;止回阀、截止阀应安装在充气连接管上。C正确
检查数量:全数检查。
检查方法:观察检查和尺量检查。
4气源设备的安装应符合设计要求和国家现行有关标准的规定。
5安全排气阀应安装在气源与报警阀之间,且应靠近报警阀。D正确
检查数量:全数检查。
检查方法:观察检查。
39.【答案】C
【解析】《自动喷水灭火系统施工及验收规范》GB50261-2017
9.0.6每个季度应对系统所有的末端试水阀和报警阀旁的放水试验阀进行一次放水试验,检查系统启动、报警功能以及出水情况是否正常。
40.【答案】D
【解析】《消防安全技术综合能力》
(四)水流指示器
水流指示器故障表现为打开末端试水装置,达到规定流量时水流指示器不动作,或者关闭末瑞试水装置后,水流指示器反馈信号仍然显示为动作信号
故障原因分析
(1)桨片被管腔内杂物卡阻。
(2)调整螺母与触头未调试到位。
(3)电路接线脱落,ABC符合要求,D不符合要求,与稳压泵无关。
41.【答案】A
【解析】根据《自动喷水灭火系统施工及验收规范》
8.0.8管网验收应符合下列要求:
4管网不同部位安装的报警阀组、闸阀、止回阀、电磁阀、信号阀、水流指示器、减压孔板、节流管、减压阀、柔性接头、排水管、排气阀、泄压阀等,均应符合设计要求。
检查数量:报警阀组、压力开关、止回阀、减压阀、泄压阀、电磁阀全数检查,合格率应为100%;闸阀、信号阀、水流指示器、减压孔板、节流管、柔性接头、排气阀等抽查设计数量的30%,数量均不少于5个,合格率应为100%。
42.【答案】C
【解析】根据《自动喷水灭火系统施工及验收规范》
8.0.9喷头验收应符合下列要求:
1喷头设置场所、规格、型号、公称动作温度、响应时间指数(RTI)应符合设计要求。
检查数量:抽查设计喷头数量10%,总数不少于40个,合格率应为100%,C正确。
2喷头安装间距,喷头与楼板、墙、梁等障碍物的距离应符合设计要求。
检查数量:抽查设计喷头数量5%,总数不少于20个,距离偏差±15mm,合格率不小于95%时为合格。
43.【答案】B
【解析】根据《自动喷水灭火系统施工及验收规范》
8.0.13系统工程质量验收判定应符合下列规定:
2系统验收合格判定的条件为:A=0,且B≤2,且B+C≤6为合格,否则为不合格。B正确。
44.【答案】B
【解析】根据《水喷雾灭火系统技术规范》
8.3.15管道安装完毕应进行水压试验,并应符合下列规定:
1试验宜采用清水进行,试验时,环境温度不宜低于5℃,当环境温度低于5℃时,应采取防冻措施;AD正确。
2试验压力应为设计压力的1.5倍;B错误。
3试验的测试点宜设在系统管网的最低点,对不能参与试压的设备、阀门及附件,应加以隔离或拆除;C正确。
45.【答案】A
【解析】根据《防火卷帘、防火门、防火窗施工及验收规范》GB50877-2014
5.3.8钢质防火门门框内应充填水泥砂浆。门框与墙体应用预埋钢件或膨胀螺栓等连接牢固,其固定点间距不宜大于600mm。
5.3.9防火门门扇与门框的搭接尺寸不应小于12mm。
5.3.10防火门门扇与门框的配合活动间隙应符合下列规定:
3门扇与上框的配合活动间隙不应大于3mm。
4双扇、多扇门的门扇之间缝隙不应大于3mm。
5门扇与下框或地面的活动间隙不应大于9mm。
6门扇与门框贴合面间隙、门扇与门框有合页一侧、有锁一侧及上框的贴合面间隙,均不应大于3mm。
46.【答案】D
【解析】《气体灭火系统施工及验收规范》GB50263-2007
4.3.1灭火剂储存容器及容器阀、单向阀、连接管、集流管、安全泄放装置、选择阀、阀驱动装置、喷嘴、信号反馈装置、检漏装置、减压装置等系统组件的外观质量应符合下列规定:
1系统组件无碰撞变形及其他机械性损伤。A正确
2组件外露非机械加工表面保护涂层完好。B正确
3组件所有外露接口均设有防护堵、盖,且封闭良好,接口螺纹和法兰密封面无损伤。
4铭牌清晰、牢固、方向正确。
5同一规格的灭火剂储存容器,其高度差不宜超过20 mm。C正确
6同一规格的驱动气体储存容器,其高度差不宜超过10mm。D错误
47.【答案】D
【解析】根据《气体灭火系统施工及验收规范》
5.8.2设置在防护区处的手动、自动转换开关应安装在防护区入口便于操作的部位,安装高度为中心点距地(楼)面1.5 m。AB正确。
5.8.3手动启动、停止按钮应安装在防护区入口便于操作的部位,安装高度为中心点距地(楼)面1.5 m。C正确,D错误。
48.【答案】A
【解析】根据《泡沫灭火系统技术标准》GB50151-2021
9.4.18泡沫灭火系统的调试应符合下列规定:
1当为手动灭火系统时,应以手动控制的方式进行一次喷水试验;当为自动灭火系统时,应以手动和自动控制的方式各进行一次喷水试验,系统流量、泡沫产生装置的工作压力、比例混合装置的工作压力、系统的响应时间均应达到设计要求。
检查数量:当为手动灭火系统时,选择最远的防护区或储罐;当为自动灭火系统时,选择所需泡沫混合液流量最大和最远的两个防护区或储罐分别以手动和自动的方式进行试验。
检查方法:用压力表、流量计、秒表测量。
2低倍数泡沫灭火系统按本条第1款的规定喷水试验完毕,将水放空后进行喷泡沫试验;当为自动灭火系统时,应以自动控制的方式进行;喷射泡沫的时间不宜小于1min;实测泡沫混合液的流量、发泡倍数及到达最远防护区或储罐的时间应符合设计要求,混合比不应低于所选泡沫液的混合比。
检查数量:选择最远的防护区或储罐,进行一次试验。
检查方法:泡沫混合液的流量用流量计测量;混合比按本标准第9.4.13条的检查方法测量;发泡倍数按本标准附录C的方法测量;喷射泡沫的时间和泡沫混合液或泡沫到达最远防护区或储罐的时间用秒表测量。
49.【答案】C
【解析】《建筑防排烟系统技术标准》GB51251-2017
3.3.5机械加压送风风机宜采用轴流风机或中、低压离心风机,其设置应符合下列规定:
3送风机的进风口不应与排烟风机的出风口设在同一面上。当确有困难时,送风机的进风口与排烟风机的出风口应分开布置,且竖向布置时,送风机的进风口应设置在排烟出口的下方,其两者边缘最小垂直距离不应小于6.0m;水平布置时,两者边缘最小水平距离不应小于20.0m。A选项符合要求。
4.4.4排烟风机宜设置在排烟系统的最高处,烟气出口宜朝上,并应高于加压送风机和补风机的进风口,两者垂直距离或水平距离应符合本标准第3.3.5条第3款的规定。C选项不符合。
6.5.2风机外壳至墙壁或其他设备的距离不应小于600mm。D选项符合。
6.5.3风机应设在混凝土或钢架基础上,且不应设置减振装置;若排烟系统与通风空调系统共用且需要设置减振装置时,不应使用橡胶减振装置。所以,B选项正确。
50.【答案】C
【解析】根据《消防设施通用规范》
12.0.12联动控制模块严禁设置在配电柜(箱)内,一个报警区域内的模块不应控制其他报警区域的设备。C错误。
12.0.13可燃气体探测报警系统应独立组成,可燃气体探测器不应直接接入火灾报警控制器的报警总线。A正确。
12.0.14电气火灾监控系统应独立组成,电气火灾监控探测器的设置不应影响所在场所供配电系统的正常工作。D正确。
12.0.15火灾自动报警系统应单独布线,相同用途的导线颜色应一致,且系统内不同电压等级、不同电流类别的线路应敷设在不同线管内或同一线槽的不同槽孔内。B正确。
51.【答案】B
【解析】《建筑防排烟系统技术标准》GB51251-2017
6.3.1金属风管的制作和连接应符合下列规定:
1风管采用法兰连接时,风管法兰材料规格应按本标准表6.3.1选用,其螺栓孔的间距不得大于150mm,矩形风管法兰四角处应设有螺孔;所以,A正确。
2板材应采用咬口连接或铆接,除镀锌钢板及含有复合保护层的钢板外,板厚大于1.5mm的可采用焊接;所以,B选项错误。
3风管应以板材连接的密封为主,可辅以密封胶嵌缝或其他方法密封,密封面宜设在风管的正压侧;所以,C选项正确。
5排烟风管的隔热层应采用厚度不小于40mm的不燃绝热材料,绝热材料的施工及风管加固、导流片的设置应按现行国家标准《通风与空调工程施工质量验收规范》GB 50243的有关规定执行。所以,D选项正确。
检查数量:各系统按不小于30%检查。
检查方法:尺量检查、直观检查。
52.【答案】C
【解析】《建筑防烟排烟系统技术标准》GB51251-2017
7.3.1机械加压送风系统的联动调试方法及要求应符合下列规定:
1当任何一个常闭送风口开启时,相应的送风机均应能联动启动;
2与火灾自动报警系统联动调试时,当火灾自动报警探测器发出火警信号后,应在15s内启动与设计要求一致的送风口、送风机。所以,A正确。
7.3.2机械排烟系统的联动调试方法及要求应符合下列规定:
3有补风要求的机械排烟场所,当火灾确认后,补风系统应启动。所以,B正确。
5.2.4当火灾确认后,担负两个及以上防烟分区的排烟系统,应仅打开着火防烟分区的排烟阀或排烟口,其他防烟分区的排烟阀或排烟口应呈关闭状态。所以,C错误。
5.2.5活动挡烟垂壁应具有火灾自动报警系统自动启动和现场手动启动功能,当火灾确认后,火灾自动报警系统应在15s内联动相应防烟分区的全部活动挡烟垂壁,60s以内挡烟垂壁应开启到位。所以,D正确。
53.【答案】A
【解析】消防应急照明和疏散指示系统技术标准GB51309-2018
集中电源集中控制型系统灯具是与集中电源直接连接的,故选A。
54.【答案】D
【解析】《火灾自动报警系统施工及验收标准》GB50166-2019
3.3.9管路采样式吸气感烟火灾探测器的安装应符合下列规定:
1高灵敏度吸气式感烟火灾探测器当设置为高灵敏度时,可安装在天棚高度大于16m的场所,并应保证至少有两个采样孔低于16m;
2非高灵敏度的吸气式感烟火灾探测器不宜安装在天棚高度大于16m的场所;
4在大空间场所安装时,每个采样孔的保护面积、保护半径应满足点型感烟火灾探测器的保护面积、保护半径的要求,当采样管道布置形式为垂直采样时,每2℃温差间隔或3m间隔(取最小者)应设置一个采样孔,采样孔不应背对气流方向;
6当采样管道采用毛细管布置方式时,毛细管长度不宜超过4m;
55.【答案】C
【解析】根据《火灾自动报警系统施工及验收标准》GB50166-2019
3.3.6点型感烟火灾探测器、点型感温火灾探测器、一氧化碳火灾探测器、点型家用火灾探测器、独立式火灾探测报警器的安装,应符合下列规定:
1探测器至墙壁、梁边的水平距离不应小于0.5m;A错误。
2探测器周围水平距离0.5m内不应有遮挡物;
3探测器至空调送风口最近边的水平距离不应小于1.5m,至多孔送风顶棚孔口的水平距离不应小于0.5m;B错误。
4在宽度小于3m的内走道顶棚上安装探测器时、宜居中安装,点型感温火灾探测器的安装间距不应超过10m,点型感烟火灾探测器的安装间距不应超过15m,探测器至端墙的距离不应大于安装间距的一半;C正确。
5探测器宜水平安装,当确需倾斜安装时,倾斜角不应大于45°。D错误。
56.【答案】D
【解析】根据《火灾自动报警系统施工及验收标准》GB50166-2019
3.3.16手动火灾报警按钮、消火栓按钮、防火卷帘手动控制装置、气体灭火系统手动与自动控制转换装置、气体灭火系统现场启动和停止按钮的安装,应符合下列规定:
1手动火灾报警按钮、防火卷帘手动控制装置、气体灭火系统手动与自动控制转换装置、气体灭火系统现场启动和停止按钮应设置在明显和便于操作的部位,其底边距地(楼)面的高度宜为1.3m~1.5m,且应设置明显的永久性标识,消火栓按钮应设置在消火栓箱内,疏散通道设置的防火卷帘两侧均应设置手动控制装置;C正确。D错误。
2应安装牢固,不应倾斜;A正确。
3连接导线应留有不小于150mm的余量,且在其端部应设置明显的永久性标识。B正确。
57.【答案】D
【解析】《火灾自动报警系统施工及验收标准》GB50166-2019
Ⅳ非疏散通道上设置的防火卷帘系统控制调试
4.13.7应使防火卷帘控制器与卷门机相连接,使防火卷帘控制器与消防联动控制器相连接,接通电源,使防火卷帘控制器处于正常监视状态,使消防联动控制器处于自动控制工作状态。
4.13.8应根据系统联动控制逻辑设计文件的规定,对防火卷帘系统的联动控制功能进行检查并记录,防火卷帘系统的联动控制功能应符合下列规定:
1应使报警区域内符合联动控制触发条件的两只火灾探测器发出火灾报警信号;
2消防联动控制器应发出控制防火卷帘下降至楼板面的启动信号,点亮启动指示灯;
3防火卷帘控制器应控制防火卷帘下降至楼板面;
4消防联动控制器应接收并显示防火卷帘下降至楼板面的反馈信号;
5消防控制器图形显示装置应显示火灾报警控制器的火灾报警信号、消防联动控制器的启动信号和设备动作的反馈信号,且显示的信息应与控制器的显示一致。
4.13.9应使消防联动控制器处于手动控制工作状态,对防火卷帘的手动控制功能进行检查并记录,防火卷帘的手动控制功能应符合下列规定:
1手动操作消防联动控制器总线控制盘上的防火卷帘下降控制按钮、按键,对应的防火卷帘控制器应控制防火卷帘下降;
2消防联动控制器应接收并显示防火卷帘下降至楼板面的反馈信号。
58.【答案】D
【解析】《火灾自动报警系统施工及验收标准》GB50166-2019
4.15.9在联动控制进入启动延时阶段,应对系统的手动插入操作优先功能进行检查并记录,系统的手动插入操作优先功能应符合下列规定:
1应操作灭火控制器对应该防护区域的停止按钮、按键,灭火控制器应停止正在进行的操作;
2消防联动控制器应接收并显示灭火控制器的手动停止控制信号;
3消防控制室图形显示装置应显示灭火控制器的手动停止控制信号。
59.【答案】C
【解析】消防控制室、消防水泵房、防烟排烟风机房的消防用电设备及消防电梯的供电,应在配电线路的最末一级配电箱处设置自动切换装置。故A正确
消防负荷配电线路所设置的保护电器要具有短路保护功能,但不宜设置过负荷保护装置,故B正确。
消防水泵、防排烟风机和正压送风机等设备不能采用变频调速器作为控制装置,故C错误。
消防负荷的配电线路不能设置剩余电流动作保护和过欠电压保护。故D正确。
60.【答案】C
【解析】《建筑设计防火规范》
10.2.4开关、插座和照明灯具靠近可燃物时,应采取隔热、散热等防火措施。
卤钨灯和额定功率不小于100W的白炽灯泡的吸顶灯、槽灯、嵌入式灯,其引入线应采用瓷管、矿棉等不燃材料作隔热保护。
额定功率不小于60W的白炽灯、卤钨灯、高压钠灯、金属卤化物灯、荧光高压汞灯(包括电感镇流器)等,不应直接安装在可燃物体上或采取其他防火措施。
10.2.5可燃材料仓库内宜使用低温照明灯具,并应对灯具的发热部件采取隔热等防火措施,不应使用卤钨灯等高温照明灯具。
配电箱及开关应设置在仓库外。
61.【答案】C
【解析】根据《火灾自动报警系统施工及验收标准》GB50166-2019
3.2.11在管内或槽盒内的布线,应在建筑抹灰及地面工程结束后进行,管内或槽盒内不应有积水及杂物。D错误。
3.2.12系统应单独布线,除设计要求以外,系统不同回路、不同电压等级和交流与直流的线路,不应布在同一管内或槽盒的同一槽孔内。B错误。
3.2.13线缆在管内或槽盒内不应有接头或扭结。导线应在接线盒内采用焊接、压接、接线端子可靠连接。C正确。
3.2.14从接线盒、槽盒等处引到探测器底座、控制设备、扬声器的线路,当采用可弯曲金属电气导管保护时,其长度不应大于2m。可弯曲金属电气导管应入盒,盒外侧应套锁母,内侧应装护口。A错误。
62.【答案】D
【解析】根据《消防设施通用规范》
12.0.5火灾自动报警系统应设置火灾声、光警报器,火灾声、光警报器应符合下列规定:
1火灾声、光警报器的设置应满足人员及时接受火警信号的要求,每个报警区域内的火灾警报器的声压级应高于背景噪声15dB,且不应低于60dB;
2在确认火灾后,系统应能启动所有火灾声、光警报器;
3系统应同时启动、停止所有火灾声警报器工作;
4具有语音提示功能的火灾声警报器应具有语音同步的功能。
63.【答案】C
【解析】根据《火灾自动报警系统施工及验收规范》(GB50166-2019)
3.3.11可燃气体探测器的安装应符合下列规定:
1安装位置应根据探测气体密度确定,若其密度小于空气密度,探测器应位于可能出现泄漏点的上方或探测气体的最高可能聚集点上方,若其密度大于或等于空气密度,探测器应位于可能出现泄漏点的下方;因天燃气的密度小于空气,故A正确
2在探测器周围应适当留出更换和标定的空间;故D正确
3线型可燃气体探测器在安装时,应使发射器和接收器的窗口避免日光直射,且在发射器与接收器之间不应有遮挡物,发射器和接收器的距离不宜大于60m,两组探测器之间的轴线距离不应大于14m。故B正确、C不正确
64.【答案】C
【解析】根据《火灾自动报警系统施工及验收标准》(GB50166-2019)由表6.0.5可知:
火灾探测器、手动火灾报警按钮:应保证每年对每一只探测器、报警按钮至少进行一次火灾报警功能检查。故A正确
消火栓按钮:应保证每年对每一个消火栓按钮至少进行一次报警功能检查。故B正确
湿式、干式喷水灭火系统:应保证每月、季对消防水泵进行一次手动控制功能检查。故C不正确
加压送风系统:应保证每月、季对风机进行一次直接手动控制功能检查。故D正确
65.【答案】B
【解析】《机关、团体、企业、事业单位消防安全管理规定》
第四十二条消防安全基本情况应当包括以下内容:
单位基本概况和消防安全重点部位情况;
建筑物或者场所施工、使用或者开业前的消防设计审核、消防验收以及消防安全检查的文件、资料;
消防管理组织机构和各级消防安全责任人;
消防安全制度;
消防设施、灭火器材情况;
专职消防队、义务消防队人员及其消防装备配备情况;
与消防安全有关的重点工种人员情况;
新增消防产品、防火材料的合格证明材料;
(九)灭火和应急疏散预案。
66.【答案】B
【解析】消防安全重点单位应当进行每日防火巡查,巡查内容包括:①用火、用电有无违章情况;②安全出口在位、完整;③常闭式防火门、疏散通道是否畅通,安全疏散标志、应急照明是否完好;④消防设施、器材是否处于关闭状态,防火卷帘下是否堆放物品影响使用;⑤消防安全重点部位人员在岗情况
67.【答案】D
【解析】《社会消防安全教育培训规定》
第十五条各级各类学校应当开展下列消防安全教育工作:
(一)将消防安全知识纳入教学内容;
(二)在开学初、放寒(暑)假前、学生军训期间,对学生普遍开展专题消防安全教育;
(三)结合不同课程实验课的特点和要求,对学生进行有针对性的消防安全教育;B选项正确。
(四)组织学生到当地消防站参观体验;
(五)每学年至少组织学生开展一次应急疏散演练;
(六)对寄宿学生开展经常性的安全用火用电教育和应急疏散演练。A选项正确。
各级各类学校应当至少确定一名熟悉消防安全知识的教师担任消防安全课教员,并选聘消防专业人员担任学校的兼职消防辅导员。C选项正确。
D选项属于社区居民委员会、村民委员会消防安全教育工作。
68.【答案】C
【解析】根据《建筑内部装修设计防火规范》GB50222-2017
4.0.4地上建筑的水平疏散走道和安全出口的门厅,其顶棚应采用A级装修材料,其他部位应采用不低于B1级的装修材料;地下民用建筑的疏散走道和安全出口的门厅,其顶棚、墙面和地面均应采用A级装修材料。
4.0.5疏散楼梯间和前室的顶棚、墙面和地面均应采用A级装修材料。
4.0.9消防水泵房、机械加压送风排烟机房、固定灭火系统钢瓶间、配电室、变压器室、发电机房、储油间、通风和空调机房等,其内部所有装修均应采用A级装修材料。
石膏板、大理石为不燃性,水泥刨花板为难燃性。
69.【答案】D
【解析】《社会单位灭火和应急疏散预案编制及实施导则》
7.3.1演练的组织
7.3.1.1消防安全重点单位应至少每半年组织一次演练,火灾高危单位应至少每季度组织一次演练,其他单位应至少每年组织一次演练。在火灾多发季节或有重大活动保卫任务的单位,应组织全要素综合演练。单位内的有关部门应结合实际适时组织专项演练,宜每月组织开展一次疏散演练。演练应按照AQ/T9007的规定组织实施。D选项错误。
70.【答案】B
【解析】消防控制室值班人员接到火警信号,应最快的方式确认火灾,如果确认火灾,立即检查消防联动控制设备是否处于自动状态,同时拨打119报警,启动预案。故B不正确
71.【答案】A
【解析】消防给水及消火栓系统技术规范GB50974-2014
12.4.2压力管道水压强度试验的试验压力应符合表12.4.2的规定。
72.【答案】C
【解析】定消防安全重点部位不仅要根据火灾危险源的辨识来确定,还应根据本单位的实际,即物品储存的多少、价值的大小、人员的集中量以及隐患的存在和火灾的危险程度等情况而定,通常从以下几个方面来考虑:
(1)容易发生火灾的部位,如化工生产车间,油漆、烘烤、熬炼、木工、电焊气割操作间,化验室、汽车库、化学危险品仓库,易燃、可燃液体储罐,可燃、助燃气体钢瓶仓库和储罐,液化石油气瓶或者储罐,氧气站,乙快站,氢气站,易燃的建筑群等。
(2)发生火灾后对消防安全有重大影响的部位,如与火灾扑救密切相关的变配电室,消防控制室,消防水泵房等。B选项正确。
(3)性质重要、发生事故影响全局的部位,如发电站、变配电站(室),通信设备机房、生产总控制室,电子计算机房,锅炉房,档案室,资料、贵重物品和重要历史文献收藏室等。A选项正确。
(4)财产集中的部位,如储存大量原料、成品的仓库、货场,使用或者存放先进技术设备的实验室、车间、仓库等。D选项正确。
(5)人员集中的部位,如单位内部的礼堂(俱乐部),托儿所,集体宿舍,医院病房等。
故答案选C选项。
73.【答案】C
【解析】《大型商业综合体消防安全管理规则(试行)》
第四十七条电气焊工、电工、易燃易爆危险物品管理人员(操作人员)应当持证上岗,执行有关消防安全管理制度和操作规程,落实作业现场的消防安全措施。
电工应当熟练掌握确保消防电源正常工作的操作和切断非消防电源的技能。
第四十八条用火、动火安全管理应当符合下列要求:
1.严禁在营业时间进行动火作业;C选项错误。
2.电气焊等明火作业前,实施动火的部门和人员应当按照消防安全管理制度办理动火审批手续,并在建筑主要出入口和作业现场醒目位置张贴公示;
3.动火作业现场应当清除可燃、易燃物品,配置灭火器材,落实现场监护人和安全措施,在确认无火灾、爆炸危险后方可动火作业,作业后应当到现场复查,确保无遗留火种;
4.需要动火作业的区域,应当采用不燃材料与使用、营业区域进行分隔;
5.建筑内严禁吸烟、烧香、使用明火照明,演出、放映场所不得使用明火进行表演或燃放焰火。
74.【答案】C
【解析】根据《火灾事故调查规定》,当事人对火灾事故认定有异议的,可以自火灾事故认定书送达之日起15日内,向上一级消防救援机构提出书面复核申请。故C说法错误;D说法正确。管辖分工:由火灾发生地消防救援机构按照规定分工进行。A正确;简易调查程序:由一名火灾事故调查人员调查;一般调查程序:不得少于两人。B正确。
75.【答案】C
【解析】根据《中华人民共和国消防法》
第二十条举办大型群众性活动,承办人应当:
1)依法向公安机关申请安全许可;故A正确。
2)制定灭火和应急疏散预案并组织演练;故B正确。
3)明确消防安全责任分工;故D正确。
4)确定消防安全管理人员;
5)保持消防设施和消防器材配置齐全、完好有效;
6)保证疏散通道、安全出口、疏散指示标志、应急照明和消防车通道符合消防技术标准和管理规定;
76.【答案】B
【解析】《消防安全技术综合能力》
大型商业综合体有两个以上产权单位、使用单位的,各单位对其专有部分的消防安全负责,对共有部分的消防安全共同负责。
77.【答案】A
【解析】《大型商业综合体消防管理规则(试行)》
大型商业综合体内餐饮场所使用天然气作燃料时,应当采用管道供气,设置在地下且建筑面积大于150 ㎡或座位数大于75座的餐饮场所不得使用燃气,A正确;
厨房的油烟管道应当至少每季度清洗一次,B错误;
电影院设置在其他建筑内,至少设1个独立的安全出口,C错误。
第二十四条大型商业综合体内消防应急照明和疏散指示标志的管理应当符合下列要求:
4.建筑内应当采用灯光疏散指示标志,不得采用蓄光型指示标志替代灯光疏散指示标志,不得采用可变换方向的疏散指示标志。D错误。
78.【答案】B
【解析】根据《大型商业综合体消防安全管理规则(试行)应急消〔2019〕314号》,
第五十五条大型商业综合体的产权单位、使用单位和委托管理单位应当定期组织开展消防联合检查,每月应至少进行一次建筑消防设施单项检查,每半年应至少进行一次建筑消防设施联动检查。A正确,B错误。
第五十六条大型商业综合体应当明确建筑消防设施和器材巡查部位和内容,每日进行防火巡查,其中旅馆、商店、餐饮店、公共娱乐场所、儿童活动场所等公众聚集场所在营业时间,应至少每2小时巡查一次,并结合实际组织夜间防火巡查。防火巡查应当采用电子巡更设备。CD正确。
79.【答案】B
【解析】根据《机关、团体、企业、事业单位消防安全管理规定》
第三十八条下列人员应当接受消防安全专门培训:
1.单位的消防安全责任人、消防安全管理人。
2.专、兼职消防管理人员。D不符合
3.消防控制室的值班、操作人员。C不符合。
4.其他依照规定应当接受消防安全专门门培训的人员。
参《中华人民共和国消防条例实施细则》第二十七条各单位或其主管部门对电工、焊接工、油漆工和从事操作、保管易燃易爆化学物品等有关人员,必须进行消防知识的专业培训,经有关主管部门考试合格后,方可定岗位从事操作、管理。故选项A不符合
安保人员不需要接受消防安全专门门培训,B符合
80.【答案】B
【解析】《自动喷水灭火系统设计规范》GB50084-2017
二、多项选择题(共20题,每题2分.每题的备选项中,有2个或2个以上符合题意,至少有1个错项.错选,本题不得分;少选,所选的每个选项得0.5分)
81.【答案】CDE
【解析】根据《中华人民共和国消防法》,第五十八条违反本法规定,有下列行为之一的,由住房和城乡建设主管部门、消防救援机构按照各自职权责令停止施工、停止使用或者停产停业,并处三万元以上三十万元以下罚款:
(一)依法应当进行消防设计审查的建设工程,未经依法审查或者审查不合格,擅自施工的;CDE正确。
82.【答案】ACE
【解析】根据《建筑设计防火规范》GB50016-2014(2018年版)
5.4.13布置在民用建筑内的柴油发电机房应符合下列规定:
4机房内设置储油间时,其总储存量不应大于1m³,储油间应采用耐火极限不低于3.00h的防火隔墙与发电机间分隔;确需在防火隔墙上开门时,应设置甲级防火门。故E正确。
根据《建筑防火通用规范》
4.1.4 燃油或燃气锅炉、可燃油油浸变压器、充有可燃油的高压电容器和多油开关、柴油发电机房等独立建造的设备用房与民用建筑贴邻时,应采用防火墙分隔,且不应贴邻建筑中人员密集的场所。上述设备用房附设在建筑内时,应符合下列规定:
1 当位于人员密集的场所的上一层、下一层或贴邻时,应采取防止设备用房的爆炸作用危及上一层、下一层或相邻场所的措施;
2 设备用房的疏散门应直通室外或安全出口;C正确。
3 设备用房应采用耐火极限不低于2.00h的防火隔墙和耐火极限不低于1.50h的不燃性楼板与其他部位分隔,防火隔墙上的门、窗应为甲级防火门、窗。D错误,商场是人密场所。
4.1.5 附设在建筑内的燃油或燃气锅炉房、柴油发电机房,除应符合本规范第4.1.4条的规定外,尚应符合下列规定:
1 常(负)压燃油或燃气锅炉房不应位于地下二层及以下,位于屋顶的常(负)压燃气锅炉房与通向屋面的安全出口的最小水平距离不应小于6m。B错误,会议厅是人密场所。
83.【答案】CE
【解析】根据《人民防空工程设计防火规范》GB50098-2009
3.1.2人防工程内不得使用和储存液化石油气、相对密度(与空气密度比值)大于或等于0.75的可燃气体和闪点小于60℃的液体燃料。故A错误。
3.1.3人防工程内不应设置哺乳室、托儿所、幼儿园、游乐厅等儿童活动场所和残疾人员活动场所。故B错误。
3.1.4医院病房不应设置在地下二层及以下层,当设置在地下一层时,室内地面与室外出入口地坪高差不应大于10m。故C正确。
3.1.5歌舞厅、卡拉OK厅(含具有卡拉OK功能的餐厅)、夜总会、录像厅、放映厅、桑拿浴室(除洗浴部分外)、游艺厅(含电子游艺厅)、网吧等歌舞娱乐放映游艺场所(以下简称歌舞娱乐放映游艺场所),不应设置在地下二层及以下层;当设置在地下一层时,室内地面与室外出入口地坪高差不应大于10m。故D错误。
3.1.6地下商店应符合下列规定:
1不应经营和储存火灾危险性为甲、乙类储存物品属性的商品;
2营业厅不应设置在地下三层及三层以下。故E正确。
84.【答案】ABCD
【解析】根据《建筑设计防火规范》GB50016-2014(2018年版)
5.3.5总建筑面积大于20000m²的地下或半地下商店,应采用无门、窗、洞口的防火墙、耐火极限不低于2.00h的楼板分隔为多个建筑面积不大于20000m²的区域。相邻区域确需局部连通时,应采用下沉式广场等室外开敞空间、防火隔间、避难走道、防烟楼梯间等方式进行连通,并应符合下列规定:
1下沉式广场等室外开敞空间应能防止相邻区域的火灾蔓延和便于安全疏散,并应符合本规范第6.4.12条的规定;
2防火隔间的墙应为耐火极限不低于3.00h的防火隔墙,并应符合本规范第6.4.13条的规定。故A正确。
6.4.13防火隔间的设置应符合下列规定:
1防火隔间的建筑面积不应小于6.0m²;
2防火隔间的门应采用甲级防火门;故C正确。
3不同防火分区通向防火隔间的门不应计入安全出口,门的最小间距不应小于4m;故B正确。
4防火隔间内部装修材料的燃烧性能应为A级;石膏板和瓷砖均为不燃材料,故D正确。
5不应用于除人员通行外的其他用途。故E错误。
85.【答案】BCE
【解析】根据现行国家标准《消防给水及消火栓系统技术规范》(GB50974)的规定
5.2.2高位消防水箱的设置位置应高于其所服务的水灭火设施,且最低有效水位应满足水灭火设施最不利点处的静水压力,并应按下列规定确定:
1.一类高层公共建筑,不应低于0.10MPa,但当建筑高度超过100m时,不应低于0.15MPa;选项A错误,选项B正确;
2高层住宅、二类高层公共建筑、多层公共建筑,不应低于0.07MPa,多层住宅不宜低于0.07MPa;选项C正确,选项D错误;
3工业建筑不应低于0.10MPa,当建筑体积小于20000m³时,不宜低于0.07MPa;
4自动喷水灭火系统等自动水灭火系统应根据喷头灭火需求压力确定,但最小不应小于0.10MPa;选项E正确;所以本题答案选BCE选项。
86.【答案】ACE
【解析】根据《建筑设计防火规范》
6.4.1疏散楼梯间应符合下列规定:
1楼梯间应能天然采光和自然通风,并宜靠外墙设置。靠外墙设置时,楼梯间、前室及合用前室外墙上的窗口与两侧门、窗、洞口最近边缘的水平距离不应小于1.0m。
2楼梯间内不应设置烧水间、可燃材料储藏室、垃圾道。故A错误。
7.3.5除设置在仓库连廊、冷库穿堂或谷物筒仓工作塔内的消防电梯外,消防电梯应设置前室,并应符合下列规定:
1前室宜靠外墙设置,并应在首层直通室外或经过长度不大于30m的通道通向室外;故B正确。
7.3.2消防电梯应分别设置在不同防火分区内,且每个防火分区不应少于1台。该建筑每层至少划分为2个防火分区,故C错误。
6.4.3防烟楼梯间除应符合本规范第6.4.1条的规定外,尚应符合下列规定:
6楼梯间的首层可将走道和门厅等包括在楼梯间前室内形成扩大的前室,但应采用乙级防火门等与其他走道和房间分隔。故D正确。
7.2.1高层建筑应至少沿一个长边或周边长度的1/4且不小于一个长边长度的底边连续布置消防车登高操作场地,该范围内的裙房进深不应大于4m。
建筑高度不大于50m的建筑,连续布置消防车登高操作场地确有困难时,可间隔布置,但间隔距离不宜大于30m,且消防车登高操作场地的总长度仍应符合上述规定。故E错误。
87.【答案】AD
【解析】根据《建筑内部装修设计防火规范》
4.0.10消防控制室等重要房间,其顶棚和墙面应采用A级装修材料,地面及其他装修应采用不低于B1级的装修材料。故AD错误。
根据《建筑设计防火规范》
8.1.7设置火灾自动报警系统和需要联动控制消防设备的建筑(群)应设置消防控制室。消防控制室的设置应符合下列规定:
2附设在建筑内的消防控制室,宜设置在建筑内首层或地下一层,并宜布置在靠外墙部位;
4疏散门应直通室外或安全出口。
6.2.7消防控制室开向建筑内的门应采用乙级防火门,并没有要求直通室外的门,故E正确。
88.【答案】BCD
【解析】《消防给水及消火栓系统技术规范》GB50974-2014
12.4.3水压强度试验的测试点应设在系统管网的最低点。对管网注水时,应将管网内的空气排净,并应缓慢升压,达到试验压力后,稳压30min后,管网应无泄漏、无变形,且压力降不应大于0.05MPa。A不符合题意。
12.4.4水压严密性试验应在水压强度试验和管网冲洗合格后进行。试验压力应为系统工作压力,稳压24h,应无泄漏。B符合题意。
12.4.5水压试验时环境温度不宜低于5℃,当低于5℃时,水压试验应采取防冻措施。C符合题意。
12.4.6消防给水系统的水源干管、进户管和室内埋地管道应在回填前单独或与系统同时进行水压强度试验和水压严密性试验。D符合题意。
12.4.7气压严密性试验的介质宜采用空气或氮气,试验压力应为0.28MPa,且稳压24h,压力降不应大于0.01MPa。E不符合题意。
89.【答案】CD
【解析】《自动喷水灭火系统施工及验收规范》GB50261-2017
9.0.3每年应对水源的供水能力进行一次测定,每日应对电源进行检查。E不符合题意。
9.0.4消防水泵或内燃机驱动的消防水泵应每月启动运转一次。当消防水泵为自动控制启动时,应每月模拟自动控制的条件启动运转一次。A不符合题意。
9.0.6每个季度应对系统所有的末端试水阀和报警阀旁的放水试验阀进行一次放水试验,检查系统启动、报警功能以及出水情况是否正常。B不符合题意。
9.0.16消防水泵接合器的接口及附件应每月检查一次,并应保证接口完好、无渗漏、闷盖齐全。C符合题意。
9.0.18每月应对喷头进行一次外观及备用数量检查,发现有不正常的喷头应及时更换;当喷头上有异物时应及时清除。更换或安装喷头均应使用专用扳手。D符合题意。
90.【答案】ACE
【解析】广播电台属于消防安全重点单位,且属于机关、团体、事业单位。
消防安全重点单位除应当履行一般单位的职责外,还应当履行:
确定消防安全管理人,组织实施本单位的消防安全管理工作;B项错误
建立消防档案,确定消防安全重点部位,A项正确
设置防火标志,实行严格管理;实行每日防火巡查,并建立巡查记录;D项错误。
对职工进行岗前消防安全培训,定期组织消防安全培训和消防演练。
E项属于一般单位应当履行的消防安全职责,正确。
机关、团体、事业单位应当至少每季度进行一次防火检查,其他单位应当至少每月进行一次防火检查。C项正确。
91.【答案】CE
【解析】根据《建筑防排烟系统技术标准》(GB51251-2017)
9.0.3每季度应对防烟、排烟风机、活动挡烟垂壁、自动排烟窗进行一次功能检测启动试验及供电线路检查,故E正确
9.0.4每半年应对全部排烟防火阀、送风阀或送风口、排烟阀或排烟口进行自动和手动启动试验一次,故C正确
9.0.5每年应对全部防烟、排烟系统进行一次联动试验和性能检测,其联动功能和性能参数应符合原设计要求,故A不正确
9.0.6排烟窗的温控释放装置、排烟防火阀的易熔片应有10%的备用件,且不少于10只,故B不正确
9.0.7当防烟排烟系统采用无机玻璃钢风管时,应每年对该风管质量检查,检查面积应不少于风管面积的30%;风管表面应光洁、无明显泛霜、结露和分层现象。故D不正确
92.【答案】AE
【解析】根据《消防安全技术综合能力》
(4)线型光束感烟火灾探测器火灾报警功能调试。
1)调整探测器的光路调节装置,使探测器处于正常监视状态。A有问题
2)采用减光率为0.9dB的减光片或等效设备遮挡光路,探测器不应发出火灾报警信号。B正确
3)采用产品生产企业设定的减光率为1〜10dB的减光片或等效设备挡遮光路,探测器的火警确认灯应点亮并保持。火灾报警控制器应发出火灾声、光报警信号,记录报警时间,显示发出火警部件的类型和地址注释信息。C正确,E有问题。
4)采用减光率为11.5dB的减光片或等效设备遮挡光路,探测器的火警或故障确认灯应点亮。火灾报警控制器应发出火灾或故障声、光报警信号,记录报警时间,显示发出火警部件或故障部件的类型和地址注释信息。D正确。
93.【答案】AE
【解析】参《防火卷帘》(GB14102-2005):
6.4.7温控释放性能防火卷帘应装配温控释放装置,当释放装置的感温元件周围温度达到73℃±0.5℃时,释放装置动作,卷帘应依自重下降关闭。B正确。
中庭周围的防火卷帘温控释放装置动作后,应直接降落到地板面。A选项错误,选A。
《防火卷帘、防火门、防火窗施工及验收规范GB50877-2014》
5.2.9防火卷帘、防护罩等与楼板、梁和墙、柱之间的空隙,应采用防火封堵材料等封堵,封堵部位的耐火极限不应低于防火卷帘的耐火极限。所以D正确。
6.2.3防火卷帘运行功能的调试应符合下列规定:
2防火卷帘电动启、闭的运行速度应为2m/min~7.5m/min,其自重下降速度不应大于9.5m/min。C正确,E错误。
94.【答案】DE
【解析】《火灾自动报警系统设计规范》(GB50116-2013)中4.3.1联动控制方式,应由消火栓系统出水干管上设置的低压压力开关、高位消防水箱出水管上设置的流量开关或报警阀压力开关等信号作为触发信号,直接控制启动消火栓泵,联动控制不应受消联动控制器处于自动或手动状态的影响。故A选项不符合要求。
4.2.4自动控制的水幕系统的联动控制设计,应符合下列规定:
1.联动控制方式,当自动控制的水幕系统用于防火卷帘的保护时,应由防火卷帘下落到楼板面的动作信号与本报警区域内任一火灾探测器或手动火灾报警按钮的报警信号作为水幕阀组启动的联动触发信号,并应由消防联动控制器联动控制水幕系统相关控制阀组的启动;仅用水幕系统作为防火分隔时,应由该报警区域内两只独立的感温火灾探测器的火灾报警信号作为水幕阀组启动的联动触发信号,并应由消防联动控制器联动控制水幕系统相关控制阀组的启动。故B、C选项不符合要求。
4.2.1湿式系统和干式系统的联动控制设计,应符合下列规定:
1.联动控制方式,应由湿式报警阀压力开关的动作信号作为触发信号,直接控制启动喷淋消防泵,联动控制不应受消防联动控制器处于自动或手动状态影响。故D选项正确。
4.9.2当确认火灾后,由发生火灾的报警区域开始,顺序启动全楼疏散通道的消防应急照明和疏散指示系统,系统全部投入应急状态的启动时间不应大于5s。故E选项正确。
95.【答案】DE
【解析】防火门门扇与门框的搭接尺寸不应小于12mm,A符合。
设置在变形缝附近的防火门,应安装在楼层数较多的一-侧,且门扇开启后不应跨越变形缝,B符合。
防火门维护周期:每日对常开式防火门门口检查,清除妨碍设备启闭的物品。每季度手动启动常闭式防火门,检查防火门开关功能,且无卡阻现象。E不符合。
每年对常开式防火门火灾报警联动控制功能、消防控制室手动控制功能、现场手动控制功能进行检查。C符合。
医院避难间应采用2h防火隔墙和甲级防火门与其他部位分隔,A1.00指的是乙级防火门,D不符合。
96.【答案】BC
【解析】公共娱乐场所、商店、地下人密场所安全出口数量不足或总疏散宽度小于规范值的80%,属于直接判定要素(75%指的是易燃易爆场所与人密场所、居住场所的防火间距)。A不符合题意。
旅馆、公共娱乐场所、商店、地下人密场所未按规定设自动喷水灭火系统或火灾自动报警系统,属于直接判定要素(设置后不能正常使用属于综合判定要素),B符合题意。
幼儿园的儿童用房,所在楼层位置不符合国家工程建设消防技术标准的规定,与楼层装修无关,C符合题意。
氯酸钾厂房属于甲类厂房,甲乙类厂房仓库设置在建筑的地下室或半地下室,属于直接判定要素,D不符合题意。
易燃可燃液体、可燃气体储罐未按规定设置固定灭火、冷却、可燃气体浓度报警、火灾报警设施,属于直接判定要素,E不符合题意。
97.【答案】ABDE
【解析】根据《火灾自动报警系统施工及验收标准》GB50166-2019
3.2.7槽盒敷设时,应在下列部位设置吊点或支点,吊杆直径不应小于6mm:B正确。
1槽盒始端、终端及接头处;A正确。
2槽盒转角或分支处;D正确。
3直线段不大于3m处。E正确。
98.【答案】ABC
【解析】根据《自动喷水灭火系统施工及验收规范》
7.2.1系统调试应包括下列内容:
1水源测试。2消防水泵调试。A正确。3稳压泵调试。4报警阀调试。B正确。
5排水设施调试。6联动试验。C正确。
99.【答案】ABD
【解析】根据《自动喷水灭火系统施工及验收规范》
5.1.6管道连接后不应减小过水横断面面积。热镀锌钢管、涂覆钢管安装应采用螺纹、沟槽式管件或法兰连接,CE不属于。
100.【答案】BCE
【解析】根据《大型商业综合体消防安全管理规则(试行)》应急消〔2019〕314号
第六十三条从业员工应当进行上岗前消防培训,在职期间应当至少每半年接受一次消防培训。从业员工的消防培训应当至少包括下列内容:
1.本岗位的火灾危险性和防火措施;
2.有关消防法规、消防安全管理制度、消防安全操作规程等;
3.建筑消防设施和器材的性能、使用方法和操作规程;
4.报火警、扑救初起火灾、应急疏散和自救逃生的知识、技能;
5.本场所的安全疏散路线,引导人员疏散的程序和方法等;
6.灭火和应急疏散预案的内容、操作程序。
模拟试卷(二)
一、单项选择题(共80题,每题1分,每题的备选项中,只有一个最符合题意)
1.【答案】C
【解析】根据《中华人民共和国消防法》(2021修订版)
第二条消防工作贯彻预防为主、防消结合的方针,按照政府统一领导、部门依法监管、单位全面负责、公民积极参与的原则,实行消防安全责任制,建立健全社会化的消防工作网络。C正确。
2.【答案】B
【解析】根据《社会消防技术服务管理规定》(应急管理部令第7号):
第二十七条消防技术服务机构违反本规定,有下列情形之一的,责令改正,处1万元以上2万元以下罚款:
(一)所属注册消防工程师同时在两个以上社会组织执业的;
(二)指派无相应资格从业人员从事社会消防技术服务活动的;
(三)转包、分包消防技术服务项目的。
对有前款第一项行为的注册消防工程师,处5000元以上1万元以下罚款。
3.【答案】B
【解析】根据《中华人民共和国刑法》(刑修十一)
第一百三十五条【重大劳动安全事故罪;大型群众性活动重大安全事故罪】安全生产设施或者安全生产条件不符合国家规定,因而发生重大伤亡事故或者造成其他严重后果的,对直接负责的主管人员和其他直接责任人员,处三年以下有期徒刑或者拘役;情节特别恶劣的,处三年以上七年以下有期徒刑。
4.【答案】C
【解析】根据《中华人民共和国消防法》(2021修订版)
第二条消防工作贯彻预防为主、防消结合的方针,按照政府统一领导、部门依法监管、单位全面负责、公民积极参与的原则,实行消防安全责任制,建立健全社会化的消防工作网络。C正确。
5.【答案】D
【解析】根据《中华人民共和国消防法》(2021修订版)
第五十九条 违反本法规定,有下列行为之一的,由住房和城乡建设主管部门责令改正或者停止施工,并处一万元以上十万元以下罚款:
(一)建设单位要求建筑设计单位或者建筑施工企业降低消防技术标准设计、施工的;
(二)建筑设计单位不按照消防技术标准强制性要求进行消防设计的;D正确。
(三)建筑施工企业不按照消防设计文件和消防技术标准施工,降低消防施工质量的;
(四)工程监理单位与建设单位或者建筑施工企业串通,弄虚作假,降低消防施工质量的。
6.【答案】C
【解析】根据《机关、团体、企业、事业单位消防安全管理规定》(公安部令第61号)
第三十六条消防安全重点单位对每名员工应当至少每年进行一次消防安全培训,公众聚集场所对员工的消防安全培训应当至少每半年进行一次。C正确。
7.【答案】C
【解析】根据《建筑设计防火规范》GB50016-2014(2018年版)
3.3.6厂房内设置中间仓库时,应符合下列规定:
1甲、乙类中间仓库应靠外墙布置,其储量不宜超过1昼夜的需要量;
2甲、乙、丙类中间仓库应采用防火墙和耐火极限不低于1.50h的不燃性楼板与其他部位分隔;B错误。
根据《建筑防火通用规范》
4.2.2 厂房内不应设置宿舍。直接服务于生产的办公室、休息室等辅助用房的设置,应符合下列规定:A错误。
1 不应设置在甲、乙类厂房内;
2 与甲、乙类厂房贴邻的辅助用房的耐火等级不应低于二级,并应采用耐火极限不低于3.00h的抗爆墙与厂房中有爆炸危险的区域分隔,安全出口应独立设置;
3 设置在丙类厂房内的辅助用房应采用防火门、防火窗、耐火极限不低于2.00h的防火隔墙和耐火极限不低于1.00h的楼板与厂房内的其他部位分隔,并应设置至少1个独立的安全出口。C正确。D错误。
8.【答案】A
【解析】根据《综合能力》教材
本质性是注册消防工程师职业道德的社会本质最直接、最集中的反映,是注册消防工程师职业道德区别于其他不同类型职业道德最根本、最显著的标志。A正确。
9.【答案】C
【解析】根据《建筑设计防火规范》GB 50016-2014(2018年版)
3.1.2,同一座厂房或厂房的任一防火分区内有不同火灾危险性生产时,厂房或防火分区内的生产火灾危险性类别应按火灾危险性较大的部分确定;当生产过程中使用或产生易燃可燃物的量较少,不足以构成爆炸或火灾危险时,可按实际情况确定;当符合下述条件之一时,可按火灾危险性较小的部分确定:火灾危险性较大的生产部分占本层或本防火分区建筑面积的比例小于5%或丁、戊类厂房内的油漆工段小于10%,且发生火灾事故时不足以蔓延至其他部位或火灾危险性较大的生产部分采取了有效的防火措施;本题喷漆车间属于生产部分,中间仓库不属于生产部分,且按规定进行了防火分隔,所以900/20000=0.045,小于5%。C正确。
10.【答案】C
【解析】建筑设计防火规范GB50016-2014(2018年版)
A.0.1建筑高度的计算应符合下列规定:
5局部突出屋顶的瞭望塔、冷却塔、水箱间、微波天线间或设施、电梯机房、排风和排烟机房以及楼梯出口小间等辅助用房占屋面面积不大于1/4者,可不计入建筑高度;由于屋顶为旋转餐厅,非辅助用房,所以需要计入。该建筑高度为32+0.45=32.45m。
所以本题答案选C选项。
11.【答案】C
【解析】根据《建筑设计防火规范》GB 50016-2014(2018年版)
B.0.1建筑物之间的防火间距应按相邻建筑外墙的最近水平距离计算,当外墙有凸出的可燃或难燃构件时,应从其凸出部分外缘算起。D正确。
建筑物与储罐、堆场的防火间距,应为建筑外墙至储罐外壁或堆场中相邻堆垛外缘的最近水平距离。B正确。
B.0.2储罐之间的防火间距应为相邻两储罐外壁的最近水平距离。C错误。
储罐与堆场的防火间距应为储罐外壁至堆场中相邻堆垛外缘的最近水平距离。
B.0.3堆场之间的防火间距应为两堆场中相邻堆垛外缘的最近水平距离。
B.0.4变压器之间的防火间距应为相邻变压器外壁的最近水平距离。
变压器与建筑物、储罐或堆场的防火间距,应为变压器外壁至建筑外墙、储罐外壁或相邻堆垛外缘的最近水平距离。A正确。
12.【答案】A
【解析】根据《建筑设计防火规范》GB 50016-2014(2018年版)
7.1.1街区内的道路应考虑消防车的通行,道路中心线间的距离不宜大于160m。
当建筑物沿街道部分的长度大于150m或总长度大于220m时,应设置穿过建筑物的消防车道。确有困难时,应设置环形消防车道。A正确。
7.1.4有封闭内院或天井的建筑物,当内院或天井的短边长度大于24m时,宜设置进入内院或天井的消防车道;当该建筑物沿街时,应设置连通街道和内院的人行通道(可利用楼梯间),其间距不宜大于80m。B错误。
7.1.9环形消防车道至少应有两处与其他车道连通。尽头式消防车道应设置回车道或回车场,回车场的面积不应小于12m×12m;对于高层建筑,不宜小于15m×15m;供重型消防车使用时,不宜小于18m×18m。D错误。
7.1.2高层民用建筑,超过3000个座位的体育馆,超过2000个座位的会堂,占地面积大于3000m²的商店建筑、展览建筑等单、多层公共建筑应设置环形消防车道,确有困难时,可沿建筑的两个长边设置消防车道;对于高层住宅建筑和山坡地或河道边临空建造的高层民用建筑,可沿建筑的一个长边设置消防车道,但该长边所在建筑立面应为消防车登高操作面。C错误。
13.【答案】D
【解析】根据《建筑设计防火规范》GB 50016-2014(2018年版)
8.1.7设置火灾自动报警系统和需要联动控制消防设备的建筑(群)应设置消防控制室。消防控制室的设置应符合下列规定:
1单独建造的消防控制室,其耐火等级不应低于二级;
2附设在建筑内的消防控制室,宜设置在建筑内首层或地下一层,并宜布置在靠外墙部位;D正确。
根据《建筑防火通用规范》GB55037-2022
4.1.5 附设在建筑内的燃油或燃气锅炉房、柴油发电机房,除应符合本规范第4.1.4条的规定外,尚应符合下列规定:
1 常(负)压燃油或燃气锅炉房不应位于地下二层及以下,位于屋顶的常(负)压燃气锅炉房与通向屋面的安全出口的最小水平距离不应小于6m。B错误。
4.1.4 燃油或燃气锅炉、可燃油油浸变压器、充有可燃油的高压电容器和多油开关、柴油发电机房等独立建造的设备用房与民用建筑贴邻时,应采用防火墙分隔,且不应贴邻建筑中人员密集的场所。上述设备用房附设在建筑内时,应符合下列规定:
1 当位于人员密集的场所的上一层、下一层或贴邻时,应采取防止设备用房的爆炸作用危及上一层、下一层或相邻场所的措施;
2 设备用房的疏散门应直通室外或安全出口;C错误。
3 设备用房应采用耐火极限不低于2.00h的防火隔墙和耐火极限不低于1.50h的不燃性楼板与其他部位分隔,防火隔墙上的门、窗应为甲级防火门、窗。A错误。
14.【答案】D
【解析】根据《建筑设计防火规范》GB 50016-2014(2018年版)
3.3.7厂房内的丙类液体中间储罐应设置在单独房间内,其容量不应大于5m³。设置中间储罐的房间,应采用耐火极限不低于3.00h的防火隔墙和1.50h的楼板与其他部位分隔,房间门应采用甲级防火门。B正确。
7.1.8消防车道应符合下列要求:
1车道的净宽度和净空高度均不应小于4.0m;
4消防车道靠建筑外墙一侧的边缘距离建筑外墙不宜小于5m;C正确。
7.2.2消防车登高操作场地应符合下列规定:
4场地应与消防车道连通,场地靠建筑外墙一侧的边缘距离建筑外墙不宜小于5m,且不应大于10m,场地的坡度不宜大于3%。D错误。
根据《建筑防火通用规范》
4.2.2 厂房内不应设置宿舍。直接服务于生产的办公室、休息室等辅助用房的设置,应符合下列规定:
3 设置在丙类厂房内的辅助用房应采用防火门、防火窗、耐火极限不低于2.00h的防火隔墙和耐火极限不低于1.00h的楼板与厂房内的其他部位分隔,并应设置至少1个独立的安全出口。A正确。
15.【答案】C
【解析】根据《建筑设计防火规范》GB 50016-2014(2018年版)
5.3.1除本规范另有规定外,不同耐火等级建筑的允许建筑高度或层数、防火分区最大允许建筑面积应符合表5.3.1的规定。
表5.3.1不同耐火等级建筑的允许建筑高度或层数、防火分区最大允许建筑面积
注:1表中规定的防火分区最大允许建筑面积,当建筑内设置自动灭火系统时,可按本表的规定增加1.0倍;局部设置时,防火分区的增加面积可按该局部面积的1.0倍计算。
2裙房与高层建筑主体之间设置防火墙时,裙房的防火分区可按单、多层建筑的要求确定。2500*2=5000㎡,C正确。
16.【答案】D
【解析】根据《建筑防烟排烟系统技术标准》GB51251-2017
4.2.4公共建筑、工业建筑防烟分区的最大允许面积及其长边最大允许长度应符合表4.2.4的规定,当工业建筑采用自然排烟系统时,其防烟分区的长边长度尚不应大于建筑内空间净高的8倍。
4.2.1设置排烟系统的场所或部位应采用挡烟垂壁、结构梁及隔墙等划分防烟分区。防烟分区不应跨越防火分区。
本题每个防烟分区面积不大于1000㎡。每层平均划分为两个防火分区,每个防火分区面积为4500/2=2250㎡。因为防烟分区不应跨越防火分区,所以每个防火分区内需要划分3个防烟分区。两层总共4个防火分区,所以防烟分区至少为4×3=12个。D正确。
17.【答案】C
【解析】根据《建筑设计防火规范》GB 50016-2014(2018年版)
5.5.18除本规范另有规定外,公共建筑内疏散门和安全出口的净宽度不应小于0.90m,疏散走道和疏散楼梯的净宽度不应小于1.10m。
高层公共建筑内楼梯间的首层疏散门、首层疏散外门、疏散走道和疏散楼梯的最小净宽度应符合表5.5.18的规定。
表5.5.18高层公共建筑内楼梯间的首层疏散门、首层疏散外门、疏散走道和疏散楼梯的最小净宽度
AB正确。
5.5.10高层公共建筑的疏散楼梯,当分散设置确有困难且从任一疏散门至最近疏散楼梯间入口的距离不大于10m时,可采用剪刀楼梯间,但应符合下列规定:
3楼梯间的前室应分别设置。C错误。
5.5.15公共建筑内房间的疏散门数量应经计算确定且不应少于2个。除托儿所、幼儿园、老年人照料设施、医疗建筑、教学建筑内位于走道尽端的房间外,符合下列条件之一的房间可设置1个疏散门:
1位于两个安全出口之间或袋形走道两侧的房间,对于托儿所、幼儿园、老年人照料设施,建筑面积不大于50m²;对于医疗建筑、教学建筑,建筑面积不大于75m²;对于其他建筑或场所,建筑面积不大于120m²。D正确。
18.【答案】C
【解析】根据《建筑设计防火规范》GB 50016-2014(2018年版)
6.4.12用于防火分隔的下沉式广场等室外开敞空间,应符合下列规定:
1分隔后的不同区域通向下沉式广场等室外开敞空间的开口最近边缘之间的水平距离不应小于13m。室外开敞空间除用于人员疏散外不得用于其他商业或可能导致火灾蔓延的用途,其中用于疏散的净面积不应小于169m²。B正确,C错误。
2下沉式广场等室外开敞空间内应设置不少于1部直通地面的疏散楼梯。当连接下沉广场的防火分区需利用下沉广场进行疏散时,疏散楼梯的总净宽度不应小于任一防火分区通向室外开敞空间的设计疏散总净宽度。A正确。
3确需设置防风雨篷时,防风雨篷不应完全封闭,四周开口部位应均匀布置,开口的面积不应小于该空间地面面积的25%,开口高度不应小于1.0m;开口设置百叶时,百叶的有效排烟面积可按百叶通风口面积的60%计算。D正确。
19.【答案】C
【解析】根据《建筑设计防火规范》GB 50016-2014(2018年版)
5.5.21除剧场、电影院、礼堂、体育馆外的其他公共建筑,其房间疏散门、安全出口、疏散走道和疏散楼梯的各自总净宽度,应符合下列规定:
1每层的房间疏散门、安全出口、疏散走道和疏散楼梯的各自总净宽度,应根据疏散人数按每100人的最小疏散净宽度不小于表5.5.21-1的规定计算确定。当每层疏散人数不等时,疏散楼梯的总净宽度可分层计算,地上建筑内下层楼梯的总净宽度应按该层及以上疏散人数最多一层的人数计算;地下建筑内上层楼梯的总净宽度应按该层及以下疏散人数最多一层的人数计算。
表5.5.21-1每层的房间疏散门、安全出口、疏散走道和疏散楼梯的各自总净宽度,应根据疏散人数按每100人的最小疏散净宽度
地上1至2层疏散楼梯的最小总净宽度=2000×1/100=20m。C正确。
20.【答案】B
【解析】根据《建筑设计防火规范》GB 50016-2014(2018年版)
5.5.21除剧场、电影院、礼堂、体育馆外的其他公共建筑,其房间疏散门、安全出口、疏散走道和疏散楼梯的各自总净宽度,应符合下列规定:
1每层的房间疏散门、安全出口、疏散走道和疏散楼梯的各自总净宽度,应根据疏散人数按每100人的最小疏散净宽度不小于表5.5.21-1的规定计算确定。当每层疏散人数不等时,疏散楼梯的总净宽度可分层计算,地上建筑内下层楼梯的总净宽度应按该层及以上疏散人数最多一层的人数计算;地下建筑内上层楼梯的总净宽度应按该层及以下疏散人数最多一层的人数计算。
表5.5.21-1每层的房间疏散门、安全出口、疏散走道和疏散楼梯的各自总净宽度,应根据疏散人数按每100人的最小疏散净宽度
B正确。
21.【答案】C
【解析】根据《建筑设计防火规范》GB 50016-2014(2018年版)
9.3.16燃油或燃气锅炉房应设置自然通风或机械通风设施。燃气锅炉房应选用防爆型的事故排风机。当采取机械通风时,机械通风设施应设置导除静电的接地装置,通风量应符合下列规定:
1燃油锅炉房的正常通风量应按换气次数不少于3次/h确定,事故排风量应按换气次数不少于6次/h确定;
2燃气锅炉房的正常通风量应按换气次数不少于6次/h确定,事故排风量应按换气次数不少于12次/h确定。C正确。
22.【答案】C
【解析】根据《建筑设计防火规范》GB 50016-2014(2018年版)
9.3.8净化或输送有爆炸危险粉尘和碎屑的除尘器、过滤器或管道,均应设置泄压装置,净化有爆炸危险粉尘的干式除尘器和过滤器应布置在系统的负压段上。AB正确。
9.3.7净化有爆炸危险粉尘的干式除尘器和过滤器宣布置在厂房外的独立建筑内,建筑外墙与所属厂房的防火间距不应小于10m。C错误;
9.3.5含有燃烧和爆炸危险粉尘的空气,在进入排风机前应采用不产生火花的除尘器进行处理。对于遇水可能形成爆炸的粉尘,严禁采用湿式除尘器。D正确。
23.【答案】C
【解析】根据《爆炸危险环境电力装置设计规范》GB 50058-2014
5.5.3爆炸性环境内设备的保护接地应符合下列规定:在爆炸危险区域不同方向,接地干线应不少于两处与接地体连接。C正确。
24.【答案】A
【解析】根据《建筑内部装修设计防火规范》GB 50222-2017
5.3.1地下民用建筑内部各部位装修材料的燃烧性能等級,不应低于本规范表5.3.1的规定。

A正确,BCD错误。
25.【答案】D
【解析】根据《建筑设计防火规范》GB 50016-2014(2018年版)
6.7.7除本规范第6.7.3条规定的情况外,当建筑的外墙外保温系统按本节规定采用燃烧性能为B1,B2级的保温材料时,应符合下列规定:
1)除采用B1级保温材料且建筑高度不大于24m的公共建筑或采用B1级保温材料且建筑高度不大于27m的住宅建筑外,建筑外墙上门、窗的耐火完整性不应低于0.50h。A正确。
2)应在保温系统中每层设置水平防火隔离带。防火隔离带应采用燃烧性能为A级的材料,防火隔离带的高度不应小于300mm。BC正确。
6.7.8建筑的外墙外保温系统应采用不燃材料在其表面设置防护层,防护层应将保温材料完全包覆。除本规范第6.7.3条规定的情况外,当按本节规定采用B1,B2级保温材料时,防护层厚度首层不应小于15mm,其他层不应小于5mm。D错误。
26.【答案】C
【解析】根据《建筑消防设施的维护管理》:
10.2.2《消防控制室值班记录表》和《建筑消防设施巡查记录表》的存档时间不应少于一年。
10.2.3《建筑消防设施检测记录表》、《建筑消防设施故障维修记录表》、《建筑消防设施维护保养计划表》、《建筑消防设施维护保养记录表》的存档时间不应少于五年。因此选择C选项。
27.【答案】B
【解析】《建筑设计防火规范》(GB50016)
6.4.1-4封闭楼梯间、防烟楼梯间及其前室,不应设置卷帘。B不符合要求。
5.5.17-4一、二级耐火等级建筑内疏散门或安全出口不少于2个的观众厅、展览厅、多功能厅、餐厅、营业厅等,其室内任一点至最近疏散门或安全出口的直线距离不应大于30m;当疏散门不能直通室外地面或疏散楼梯间时,应采用长度不大于10m的疏散走道通至最近的安全出口。当该场所设置自动喷水灭火系统时,室内任一点至最近安全出口的安全疏散距离可分别增加25%。该建筑设置有自动喷水灭火系统,因此,第三层营业厅的最大疏散距离可以放宽至37.5m。C符合要求。
6.2.9建筑内的电梯井等竖井应符合下列规定:
1电梯井应独立设置,井内严禁敷设可燃气体和甲、乙、丙类液体管道,不应敷设与电梯无关的电缆、电线等。电梯井的井壁除设置电梯门、安全逃生门和通气孔洞外,不应设置其他开口。
2电缆井、管道井、排烟道、排气道、垃圾道等竖向井道,应分别独立设置。井壁的耐火极限不应低于1.00h,井壁上的检查门应采用丙级防火门。D符合要求。
地上第三层疏散人数为0.15×6000=900人,根据表5.6.21-1可知此商场每百人最小疏散净宽度为1.00,所以该层疏散楼梯总净宽度最小为9m。A符合要求。
28.【答案】A
【解析】根据《消防给水及消火栓系统技术规范》
14.0.4消防水泵和稳压泵等供水设施的维护管理应符合下列规定:
6每月应对气压水罐的压力和有效容积等进行一次检测。
14.0.6阀门的维护管理应符合下列规定:
4每季度应对室外阀门井中,进水管上的控制阀门进行一次检查,并应核实其处于全开启状态;
6每季度应对系统所有的末端试水阀和报警阀的放水试验阀进行一次放水试验,并应检查系统启动、报警功能以及出水情况是否正常;
14.0.8每季度应对消防水泵接合器的接口及附件进行检查一次,并应保证接口完好、无渗漏、闷盖齐全。
29.【答案】B
【解析】消防给水及消火栓系统技术规范GB50974-2014
3.5.2-2消防软管卷盘、轻便消防水龙及多层住宅楼梯间中的干式消防竖管,其消火栓设计流量可不计入室内消防给水设计流量;
7.4.13建筑高度不大于27m的住宅,当设置消火栓时,可采用干式消防竖管,并应符合下列规定:
1干式消防竖管宜设置在楼梯间休息平台,且仅应配置消火栓栓口;
2干式消防竖管应设置消防车供水的接口;
3消防车供水接口应设置在首层便于消防车接近和安全的地点;
4竖管顶端应设置自动排气阀。
30.【答案】A
【解析】根据《消防给水及消火栓系统技术规范》
11.0.8消防水泵、稳压泵应设置就地强制启停泵按钮,并应有保护装置。A正确。
5.5.2消防水泵机组的布置应符合下列规定:
1相邻两个机组及机组至墙壁间的净距,当电机容量小于22kW时,不宜小于0.60m;当电动机容量不小于22kW,且不大于55kW时,不宜小于0.8m;当电动机容量大于55kW且小于255kW时,不宜小于1.2m;当电动机容量大于255kW时,不宜小于1.5m;
2当消防水泵就地检修时,应至少在每个机组一侧设消防水泵机组宽度加0.5m的通道,并应保证消防水泵轴和电动机转子在检修时能拆卸;
3消防水泵房的主要通道宽度不应小于1.2m。C不正确。
5.4.8墙壁消防水泵接合器的安装高度距地面宜为0.70m;与墙面上的门、窗、孔、洞的净距离不应小于2.0m,且不应安装在玻璃幕墙下方;地下消防水泵接合器的安装,应使进水口与井盖底面的距离不大于0.4m,且不应小于井盖的半径。D不正确。
根据《消防设施通用规范》GB55036-2022
3.0.12消防水泵控制柜应位于消防水泵控制室或消防水泵房内,其性能应符合下列规定:
1消防水泵控制柜位于消防水泵控制室内时,其防护等级不应低于IP30;位于消防水泵房内时,其防护等级不应低于IP55。B不正确。
31.【答案】B
【解析】消防给水及消火栓系统技术规范GB50974-2014
5.1.4单台消防水泵的最小额定流量不应小于10L/s,最大额定流量不宜大于320L/s。
5.1.5当消防水泵采用离心泵时,泵的型式宜根据流量、扬程、气蚀余量、功率和效率、转速、噪声,以及安装场所的环境要求等因素综合确定。
5.1.11一组消防水泵应在消防水泵房内设置流量和压力测试装置,并应符合下列规定:
1单台消防给水泵的流量不大于20L/s、设计工作压力不大于0.50MPa时,泵组应预留测量用流量计和压力计接口,其他泵组宜设置泵组流量和压力测试装置;
2消防水泵流量检测装置的计量精度应为0.4级,最大量程的75%应大于最大一台消防水泵设计流量值的175%;
3消防水泵压力检测装置的计量精度应为0.5级,最大量程的75%应大于最大一台消防水泵设计压力值的165%;
4每台消防水泵出水管上应设置DN65的试水管,并应采取排水措施。
32.【答案】D
【解析】根据《消防给水及消火栓系统技术规范》
13.2.6消防水泵验收应符合下列要求:
6消防水泵停泵时,水锤消除设施后的压力不应超过水泵出口设计工作压力的1.4倍;A不正确。
5.1.13离心式消防水泵吸水管、出水管和阀门等,应符合下列规定:
5消防水泵的吸水管上应设置明杆闸阀或带自锁装置的蝶阀,但当设置暗杆阀门时应设有开启刻度和标志;当管径超过DN300时,宜设置电动阀门;
6消防水泵的出水管上应设止回阀、明杆闸阀;当采用蝶阀时,应带有自锁装置;当管径大于DN300时,宜设置电动阀门;B不正确。
5.1.11一组消防水泵应在消防水泵房内设置流量和压力测试装置,并应符合下列规定:
1单台消防给水泵的流量不大于20L/s、设计工作压力不大于0.50MPa时,泵组应预留测量用流量计和压力计接口,其他泵组宜设置泵组流量和压力测试装置;
2消防水泵流量检测装置的计量精度应为0.4级,最大量程的75%应大于最大一台消防水泵设计流量值的175%;
3消防水泵压力检测装置的计量精度应为0.5级,最大量程的75%应大于最大一台消防水泵设计压力值的165%;
4每台消防水泵出水管上应设置DN65的试水管,并应采取排水措施。C不正确。
12.3.1消防给水及消火栓系统的安装应符合下列要求:
7吸水管水平管段上不应有气囊和漏气现象。变径连接时,应采用偏心异径管件并应采用管顶平接;D正确。
33.【答案】D
【解析】根据《消防给水及消火栓系统技术规范》
12.2.3消火栓的现场检验应符合下列要求:
14消火栓固定接口应进行密封性能试验,应以无渗漏、无损伤为合格。试验数量宜从每批中抽查1%,但不应少于5个,应缓慢而均匀地升压1.6MPa,应保压2min。当两个及两个以上不合格时,不应使用该批消火栓。当仅有1个不合格时,应再抽查2%,但不应少于10个,并应重新进行密封性能试验;当仍有不合格时,亦不应使用该批消火栓;A正确。
15消防水带的织物层应编织得均匀,表面应整洁;应无跳双经、断双经、跳纬及划伤,衬里(或覆盖层)的厚度应均匀,表面应光滑平整、无折皱或其他缺陷;
12.2.5管材、管件应进行现场外观检查,并应符合下列要求:
8球墨铸铁管承口的内工作面和插口的外工作面应光滑、轮廓清晰,不应有影响接口密封性的缺陷;B正确。
9钢丝网骨架塑料(PE)复合管内外壁应光滑、无划痕,钢丝骨料与塑料应黏结牢固等。
12.2.6阀门及其附件的现场检验应符合下列要求:
7阀门应有清晰的铭牌、安全操作指示标志、产品说明书和水流方向的永久性标志。C正确。
12.2.2消防水泵和稳压泵的检验应符合下列要求:
4消防水泵和稳压泵的电机功率应满足水泵全性能曲线运行的要求;
5泵及电机的外观表面不应有碰损,轴心不应有偏心。D不正确。
34.【答案】D
【解析】根据《消防设施通用规范》GB55036-2022
3.0.12消防水泵控制柜应位于消防水泵控制室或消防水泵房内,其性能应符合下列规定:
1消防水泵控制柜位于消防水泵控制室内时,其防护等级不应低于IP30;位于消防水泵房内时,其防护等级不应低于IP55。A不正确。
根据《消防给水及消火栓系统技术规范》
7.4.12室内消火栓栓口压力和消防水枪充实水柱,应符合下列规定:
1消火栓栓口动压力不应大于0.50MPa,当大于0.70MPa时必须设置减压装置;
2高层建筑、厂房、库房和室内净空高度超过8m的民用建筑等场所,消火栓栓口动压不应小于0.35MPa,且消防水枪充实水柱应按13m计算;其他场所,消火栓栓口动压不应小于0.25MPa,且消防水枪充实水柱应按10m计算。B不正确。
5.3.4设置稳压泵的临时高压消防给水系统应设置防止稳压泵频繁启停的技术措施,当采用气压水罐时,其调节容积应根据稳压泵启泵次数不大于15次/h计算确定,但有效储水容积不宜小于150L。C不正确。
5.3.5稳压泵吸水管应设置明杆闸阀,稳压泵出水管应设置消声止回阀和明杆闸阀。D正确。
35.【答案】B
【解析】根据《消防给水及消火栓系统技术规范》
7.4.7建筑室内消火栓的设置位置应满足火灾扑救要求,并应符合下列规定:
1室内消火栓应设置在楼梯间及其休息平台和前室、走道等明显易于取用,以及便于火灾扑救的位置;D正确。
2住宅的室内消火栓宜设置在楼梯间及其休息平台;A正确。
3汽车库内消火栓的设置不应影响汽车的通行和车位的设置,并应确保消火栓的开启;C正确。
4同一楼梯间及其附近不同层设置的消火栓,其平面位置宜相同;B错误。
36.【答案】B
【解析】根据《自动喷水灭火系统设计规范》
4.3.2自动喷水灭火系统应有下列组件、配件和设施:
1应设有洒水喷头、报警阀组、水流报警装置等组件和末端试水装置,以及管道、供水设施等;C.D正确。
2控制管道静压的区段宜分区供水或设减压阀,控制管道动压的区段宜设减压孔板或节流管;
3应设有泄水阀(或泄水口)、排气阀(或排气口)和排污口;
4干式系统和预作用系统的配水管道应设快速排气阀。有压充气管道的快速排气阀入口前应设电动阀。
6.1.4干式系统、预作用系统应采用直立型洒水喷头或干式下垂型洒水喷头.
6.1.3湿式系统的洒水喷头选型应符合下列规定:
1不做吊顶的场所,当配水支管布置在梁下时,应采用直立型洒水喷头;营业厅内设有吊顶.B不属于。B不正确。
2吊顶下布置的洒水喷头,应采用下垂型洒水喷头或吊顶型洒水喷头;A正确。
3顶板为水平面的轻危险级、中危险级Ⅰ级住宅建筑、宿舍、旅馆建筑客房、医疗建筑病房和办公室,可采用边墙型洒水喷头;
4易受碰撞的部位,应采用带保护罩的洒水喷头或吊顶型洒水喷头;
5顶板为水平面,且无梁、通风管道等障碍物影响喷头洒水的场所,可采用扩大覆盖面积洒水喷头;
6住宅建筑和宿舍、公寓等非住宅类居住建筑宜采用家用喷头;
7不宜选用隐蔽式洒水喷头;确需采用时,应仅适用于轻危险级和中危险级Ⅰ级场所。
37.【答案】D
【解析】根据《自动喷水灭火系统施工及验收规范》(GB50261)
9.0.5电磁阀应每月检查并应做启动试验,动作失常时应及时更换。A正确。
9.0.6每个季度应对系统所有的末端试水阀和报警阀旁的放水试验阀进行一次放水试验,检查系统启动、报警功能以及出水情况是否正常。B正确。
9.0.7系统上所有的控制阀门均应采用铅封或锁链固定在开启或规定的状态。每月应对铅封、锁链进行一次检查,当有破坏或损坏时应及时修理更换。C正确。
9.0.8室外阀门井中,进水管上的控制阀门应每个季度检查一次,核实其处于全开启状态。D不正确。
38.【答案】A
【解析】《自动喷水灭火系统施工及验收规范》:
5.1.15-3管道支架、吊架的安装位置不应妨碍喷头的喷水效果;管道支架、吊架与喷头之间的距离不宜小于300mm;与末端喷头之间的距离不宜大于750mm。
39.【答案】A
【解析】根据《自动喷水灭火系统施工及验收规范》
4.5.2消防水泵接合器的安装应符合下列规定:
1应安装在便于消防车接近的人行道或非机动车行驶地段,距室外消火栓或消防水池的距离宜为15m~40m,C正确。
4墙壁消防水泵接合器的安装应符合设计要求。设计无要求时,其安装高度距地面宜为0.7m,D正确;与墙面上的门、窗、孔、洞的净距离不应小于2.0m,A错误,且不应安装在玻璃幕墙下方,B正确。
40.【答案】A
【解析】根据《综合能力》教材
4.水力警铃工作不正常(不响、响度不够、不能持续报警)
(1)故障原因分析∶①产品质量问题或者安装调试不符合要求;②报警阀至水力警铃的管路阻塞或者铃锤机构被卡住。所以选A.
41.【答案】B
【解析】根据《自动喷水灭火系统施工及验收规范》
7.2.5报警阀调试应符合下列要求:
1湿式报警阀调试时,在末端装置处放水,当湿式报警阀进口水压大于0.14MPa、放水流量大于1L/s时,报警阀应及时启动;带延迟器的水力警铃应在5s~90s内发出报警铃声,不带延迟器的水力警铃应在15s内发出报警铃声;压力开关应及时动作,启动消防泵并反馈信号。A正确,B不正确。
2干式报警阀调试时,开启系统试验阀,报警阀的启动时间、启动点压力、水流到试验装置出口所需时间,均应符合设计要求。
3雨淋阀调试宜利用检测、试验管道进行。自动和手动方式启动的雨淋阀,应在15s之内启动;公称直径大于200mm的雨淋阀调试时,应在60s之内启动。雨淋阀调试时,当报警水压为0.05MPa时,水力警铃应发出报警铃声。C、D正确。
42.【答案】B
【解析】根据《自动喷水灭火系统施工及验收规范》
8.0.9喷头验收应符合下列要求:
1喷头设置场所、规格、型号、公称动作温度、响应时间指数(RTI)应符合设计要求。
检查数量:抽查设计喷头数量10%,总数不少于40个,合格率应为100%。C正确。B不正确。
检查方法:对照图纸尺量检查。
2喷头安装间距,喷头与楼板、墙、梁等障碍物的距离应符合设计要求。
检查数量:抽查设计喷头数量5%,总数不少于20个,距离偏差±15mm,合格率不小于95%时为合格。A、D正确。
检验方法:对照图纸尺量检查。
43.【答案】C
【解析】根据《水喷雾灭火系统技术规范》GB50219-2014
9.0.12喷头的验收应符合下列规定:
3不同型号、规格的喷头的备用量不应小于其实际安装总数的1%,且每种备用喷头数不应少于5只。C正确,既要满足1%也不得少于5个。
44.【答案】C
【解析】根据《水喷雾灭火系统技术规范》
8.3.14管道的安装应符合下列规定:
5管道支、吊架与水雾喷头之间的距离不应小于0.3m,与末端水雾喷头之间的距离不宜大于0.5m。AB正确。
检查数量:按安装总数的10%抽查,且不得少于5个。C错误。
检查方法:尺量检查。D正确。
45.【答案】C
【解析】根据《细水雾灭火系统技术规范》
4.3.5泵组控制柜的安装应符合下列规定:
1控制柜基座的水平度偏差不应大于±2mm/m,并应采取防腐及防水措施;AB错误。
2控制柜与基座应采用直径不小于12mm的螺栓固定,每只柜不应少于4只螺栓。C正确,D错误。
46.【答案】D
【解析】根据《气体灭火系统施工及验收规范》
8.0.2气体灭火系统应由经过专门培训,并经考试合格的专职人员负责定期检查和维护。A不正确。
8.0.6每月检查应符合下列要求:
2)灭火剂和驱动气体储存容器内的压力,不得小于设计储存压力的90%。D正确。
8.0.7每季度应对气体灭火系统进行1次全面检查,并应符合下列规定:
1可燃物的种类、分布情况,防护区的开口情况,应符合设计规定。
2储存装置间的设备、灭火剂输送管道和支、吊架的固定,应无松动。
3连接管应无变形、裂纹及老化。必要时,送法定质量检验机构进行检测或更换。
4各喷嘴孔口应无堵塞。
5对高压二氧化碳储存容器逐个进行称重检查,灭火剂净重不得小于设计储存量的90%。C不正确。
6灭火剂输送管道有损伤与堵塞现象时,应按本规范第E.1节的规定进行严密性试验和吹扫。
8.0.9低压二氧化碳灭火剂储存容器的维护管理应按《压力容器安全技术监察规程》执行;钢瓶的维护管理应按《气瓶安全监察规程》执行。灭火剂输送管道耐压试验周期应按《压力管道安全管理与监察规定》执行。B不正确。
47.【答案】B
【解析】根据《气体灭火系统施工及验收规范》
E.1.1水压强度试验压力应按下列规定取值:
1对高压二氧化碳灭火系统,应取15.0 MPa;对低压二氧化碳灭火系统,应取4.0 MPa。
2对IG 541混合气体灭火系统,应取13.0 MPa。
3对卤代烷1301灭火系统和七氟丙烷灭火系统,应取1.5倍系统最大工作压力,系统最大工作压力可按表E取值。
E.1.3当水压强度试验条件不具备时,可采用气压强度试验代替。气压强度试验压力取值:二氧化碳灭火系统取80%水压强度试验压力,IG 541混合气体灭火系统取10.5 MPa,卤代烷1301灭火系统和七氟丙烷灭火系统取1.15倍最大工作压力。A正确。B不正确。
E.1.5灭火剂输送管道经水压强度试验合格后还应进行气密性试验,经气压强度试验合格且在试验后未拆卸过的管道可不进行气密性试验。C正确。
E.1.6灭火剂输送管道在水压强度试验合格后,或气密性试验前,应进行吹扫。吹扫管道可采用压缩空气或氮气,吹扫时,管道末端的气体流速不应小于20 m/s,采用白布检查,直至无铁锈、尘土、水渍及其他异物出现。D正确。
48.【答案】C
【解析】根据《泡沫灭火系统技术标准》
9.4.11泡沫消防水泵应进行试验,并应符合下列规定:
2泡沫消防水泵与备用泵应在设计负荷下进行转换运行试验,其主要性能应符合设计要求。
检查数量:全数检查。
检查方法:当为手动启动时,以手动的方式进行1次~2次试验;当为自动启动时,以自动和手动的方式各进行1次~2次试验,并用压力表、流量计、秒表进行计量。C不正确。所以选C.
49.【答案】C
【解析】根据《气体灭火系统施工及验收规范》
5.5.1灭火剂输送管道连接应符合下列规定:
1采用螺纹连接时,管材宜采用机械切割;螺纹不得有缺纹、断纹等现象;螺纹连接的密封材料应均匀附着在管道的螺纹部分,拧紧螺纹时,不得将填料挤入管道内;安装后的螺纹根部应有2~3条外露螺纹;连接后,应将连接处外部清理干净并做好防腐处理。AB错误;
2采用法兰连接时,衬垫不得凸入管内,其外边缘宜接近螺栓,不得放双垫或偏垫。连接法兰的螺栓,直径和长度应符合标准,拧紧后,凸出螺母的长度不应大于螺杆直径的1/2且保证有不少于2条外露螺纹。C正确。
3已经防腐处理的无缝钢管不宜采用焊接连接,与选择阀等个别连接部位需采用法兰焊接连接时,应对被焊接损坏的防腐层进行二次防腐处理。D错误。
50.【答案】B
【解析】根据《泡沫灭火系统技术标准》GB50151-2021
11.0.5每周应对电机拖动的消防水泵进行一次启动试验,启动运行时间不宜少于3min,电气设备工作状况应良好。所以A错误。
11.0.9每月应对系统进行检查,并应按本标准附录D表D.0.2记录,检查内容及要求应符合下列规定:
1对泡沫产生器、泡沫喷头、固定式泡沫炮、泡沫比例混合器(装置)、泡沫液储罐、泡沫消火栓、泡沫消火栓箱、阀门、压力表、管道过滤器、金属软管、管道及管件等进行外观检查,均应完好无损;
2对固定式泡沫炮的回转机构、仰俯机构或电动操作机构进行检查,性能应达到标准的要求;所以B正确。
3泡沫消火栓、泡沫消火栓箱和阀门的开启与关闭应自如,无锈蚀;
4对遥控功能或自动控制设施及操纵机构进行检查,性能应符合设计要求;所以C错误。
11.0.11每半年应对下列项目进行检查,检查内容及要求应符合下列规定:
1除储罐上泡沫混合液立管和液下喷射防火堤内泡沫管道及高倍数泡沫产生器进口端控制阀后的管道外,其余管道应全部冲洗,清除锈渣;
2应对储罐上的低倍数泡沫混合液立管清除锈渣;所以D错误。
51.【答案】C
【解析】根据《干粉灭火系统设计规范》GB50347-2004
3.1.2采用全淹没灭火系统的防护区,应符合下列规定:
2防护区的围护结构及门、窗的耐火极限不应小于0.50h,吊顶的耐火极限不应小于0.25h;围护结构及门、窗的允许压力不宜小于1200Pa。D正确。
根据《消防设施通用规范》
9.0.1全淹没干粉灭火系统的防护区应符合下列规定:
1在系统动作时防护区不能关闭的开口应位于防护区内高于楼地板面的位置,其总面积应小于或等于该防护区总内表面积的15%;C错误。
52.【答案】D
【解析】根据《建筑防烟排烟系统技术标准》GB51251-2017
6.5.2风机外壳至墙壁或其他设备的距离不应小于600mm。B错误。
6.5.3风机应设在混凝土或钢架基础上,且不应设置减振装置;若排烟系统与通风空调系统共用且需要设置减振装置时,不应使用橡胶减振装置。AC错误。
6.5.4吊装风机的支、吊架应焊接牢固、安装可靠,其结构形式和外形尺寸应符合设计或设备技术文件要求。
6.5.5风机驱动装置的外露部位应装设防护罩;直通大气的进、出风口应装设防护网或采取其他安全设施,并应设防雨措施。D正确。
53.【答案】D
【解析】根据《建筑灭火器配置验收及检查观范》
5.1.2每次送修的灭火器数量不得超过计算单元配置灭火器总数量的1/4。超出时,应选择相同类型和操作方法的灭火器替代,替代灭火器的灭火级别不应小于原配置灭火器的灭火级别。A、B正确。
5.1.3检查或维修后的灭火器均应按原设置点位置摆放。C正确。
5.1.4需维修、报废的灭火器应由灭火器生产企业或专业维修单位进行。D不正确。
54.【答案】B
【解析】根据《建筑防烟排烟系统技术标准》GB 51251-2017,
9.0.3每季度应对防烟、排烟风机、活动挡烟垂壁、自动排烟窗进行一次功能检测启动试验及供电线路检查,检查方法应符合本标准第7.2.3条〜第7.2.5条的规定。所以CD错误。
9.0.4每半年应对全部排烟防火阀、送风阀或送风口、排烟阀或排烟口进行自动和手动启动试验一次,检查方法应符合本标准第7.2.1条、第7.2.2条的规定。所以A错误。
9.0.5每年应对全部防烟、排烟系统进行一次联动试验和性能检测,其联动功能和性能参数应符合原设计要求,检查方法应符合本标准第7.3节和第8.2.5条〜第8.2.7条的规定。所以B正确。
55.【答案】D
【解析】《建筑设计防火规范》GB 50016-2014,
8.5.3民用建筑的下列场所或部位应设置排烟设施:
1设置在一、二、三层且房间建筑面积大于100㎡的歌舞娱乐放映游艺场所,设置在四层及以上楼层、地下或半地下的歌舞娱乐放映游艺场所;C正确。
2中庭;
3公共建筑内建筑面积大于100㎡且经常有人停留的地上房间;D错误。
4公共建筑内建筑面积大于300㎡且可燃物较多的地上房间;
5建筑内长度大于20m的疏散走道。B正确
8.5.4地下或半地下建筑(室)、地上建筑内的无窗房间,当总建筑面积大于200㎡或一个房间建筑面积大于50㎡,且经常有人停留或可燃物较多时,应设置排烟设施。A正确。
56.【答案】D
【解析】根据《建筑防烟排烟系统技术标准》GB51251-2017,
8.2.7系统工程质量验收判定条件应符合下列规定:
1系统的设备、部件型号规格与设计不符,无出厂质量合格证明文件及符合国家市场准入制度规定的文件,系统验收不符合本标准第8.2.2条〜第8.2.6条任一款功能及主要性能参数要求的,定为A类不合格;所以ABC属于A类不合格项。
2不符合本标准第8.1.4条任一款要求的定为B类不合格;所以D为B类不合格项。
3不符合本标准第8.2.1条任一款要求的定为C类不合格;
4系统验收合格判定应为:A=0且B≤2,B+C≤6为合格,否则为不合格。
8.2.3防烟、排烟系统设备应按设计联动启动,其功能验收方法及要求应符合下列规定:
1送风口的开启和送风机的启动应符合本标准第5.1.2条、第5.1.3条的规定;
2排烟阀或排烟口的开启和排烟风机的启动应符合本标准第5.2.2条、第5.2.3条和第5.2.4条的规定;
8.1.4工程竣工验收时,施工单位应提供下列资料:
1竣工验收申请报告;
2施工图、设计说明书、设计变更通知书和设计审核意见书、竣工图;
57.【答案】D
【解析】根据《建筑设计防火规范GB50016-2014(2018年版)》
10.1.1下列建筑物的消防用电应按一级负荷供电:
1建筑高度大于50m的乙、丙类厂房和丙类仓库;所以B错误。
2一类高层民用建筑。所以D正确。
10.1.2下列建筑物、储罐(区)和堆场的消防用电应按二级负荷供电:
1室外消防用水量大于30L/s的厂房(仓库);所以C错误。
2室外消防用水量大于35L/s的可燃材料堆场、可燃气体储罐(区)和甲、乙类液体储罐(区);
3粮食仓库及粮食筒仓;
4二类高层民用建筑;
5座位数超过1500个的电影院、剧场,座位数超过3000个的体育馆,任一层建筑面积大于3000m²的商店和展览建筑,省(市)级及以上的广播电视、电信和财贸金融建筑,室外消防用水量大于25L/s的其他公共建筑。所以A错误。
58.【答案】D
【解析】《消防应急照明和疏散指示系统技术标准》(GB51309-2018):
2.0.11按照灯具蓄电池电源供电方式的不同,集中控制型消防应急照明及疏散指示系统(以下简称“集中控制型系统”)的组成分为两种不同的方式:灯具的蓄电池电源采用集中电源供电方式时,系统由应急照明控制器、集中电源集中控制型消防应急灯具、应急照明集中电源等系统部件组成;灯具的蓄电池电源采用自带蓄电池供电方式时,系统由应急照明控制器、自带电源集中控制型消防应急灯具、应急照明配电箱等系统部件组成集中电源集中控制型消防应急照明和疏散指示系统。所以本题选D。
59.【答案】A
【解析】根据《消防应急照明和疏散指示系统技术标准》GB51309-2018
3.2.1灯具的选择应符合下列规定:
4设置在距地面8m及以下的灯具的电压等级及供电方式应符合下列规定:
1)应选择A型灯具;
2)地面上设置的标志灯应选择集中电源A型灯具;
3)未设置消防控制室的住宅建筑,疏散走道、楼梯间等场所可选择自带电源B型灯具。A错误,BCD正确。
60.【答案】D
【解析】根据《火灾自动报警系统设计规范》GB50116-2013
6.2.4在宽度小于3m的内走道顶棚上设置点型探测器时,宜居中布置。感温火灾探测器的安装间距不应超过10m;感烟火灾探测器的安装间距不应超过15m;探测器至端墙的距离,不应大于探测器安装间距的1/2。所以B正确。
6.2.5点型探测器至墙壁、梁边的水平距离,不应小于0.5m。所以C正确。
6.2.6点型探测器周围0.5m内,不应有遮挡物。
6.2.7房间被书架、设备或隔断等分隔,其顶部至顶棚或梁的距离小于房间净高的5%时,每个被隔开的部分应至少安装一只点型探测器。
6.2.8点型探测器至空调送风口边的水平距离不应小于1.5m,并宜接近回风口安装。探测器至多孔送风顶棚孔口的水平距离不应小于0.5m。所以A正确,D错误。
61.【答案】D
【解析】根据现行国家标准《消防给水及消火栓系统技术规范》(GB50974)的规定
13.2.18-2系统验收合格判定应为A=0,且B≤2,且B+C≤6为合格;选项D不正确。
13.2.18条文说明-严重缺陷不合格项不允许出现,重缺陷不合格项允许出现10%,轻缺陷不合格项允许出现20%,据此得到消防给水系统和消火栓系统合格判定条件,选项A、B和C正确;所以本题答案选D选项。
62.【答案】C
【解析】《消防安全技术综合能力》教材
(2)故障原因分析。
1)探测器与底座脱落、接触不良;
2)报警总线与底座接触不良;
3)报警总线开路或接地性能不良造成短路;
4)探测器本身损坏;
5)探测器通信接口板故障。A、B、D都有可能,C选项是故障现象,不是故障原因。
63.【答案】A
【解析】根据现行《火灾自动报警系统设计规范》(GB50116)
4.2.4自动控制的水幕系统的联动控制设计,应符合下列规定:
1联动控制方式,当自动控制的水幕系统用于防火卷帘的保护时,应由防火卷帘下落到楼板面的动作信号与本报警区域内任一火灾探测器或手动火灾报警按钮的报警信号作为水幕阀组启动的联动触发信号,并应由消防联动控制器联动控制水幕系统相关控制阀组的启动;仅用水幕系统作为防火分隔时,应由该报警区域内两只独立的感温火灾探测器的火灾报警信号作为水幕阀组启动的联动触发信号,并应由消防联动控制器联动控制水幕系统相关控制阀组的启动。所以BCD错误,A正确。
64.【答案】A
【解析】根据现行《火灾自动报警系统设计规范》(GB50116)
5.2.1对不同高度的房间,可按表5.2.1选择点型火灾探测器。
故A选项安装错误,选A。
65.【答案】D
【解析】《防火卷帘、防火门、防火窗施工及验收规范》(GB50877-2014):
防火卷帘控制器及手动按钮盒的安装应牢固可靠,其底边距地面高度宜为1.3m~1.5m。C正确。
6.2.3防火卷帘运行功能的调试应符合下列规定:
2防火卷帘电动启、闭的运行速度应为2m/min~7.5m/min,其自重下降速度不应大于9.5m/min。B正确。
6.2.3现行国家标准《防火卷帘》GB14102—2005规定,防火卷帘应装配温控释放装置,当释放装置的感温元件周围温度达到73℃±0.5℃时,释放装置动作,卷帘应依自重下降关闭。A正确。
《火灾自动报警系统设计规范》(GB50116-2013):
4.6.3疏散通道上设置的防火卷帘的联动控制设计,应符合下列规定:
1联动控制方式,防火分区内任两只独立的感烟火灾探测器或任一只专门用于联动防火卷帘的感烟火灾探测器的报警信号应联动控制防火卷帘下降至距楼板面1.8m处;任一只专门用于联动防火卷帘的感温火灾探测器的报警信号应联动控制防火卷帘下降到楼板面;在卷帘的任一侧距卷帘纵深0.5m~5m内应设置不少于2只专门用于联动防火卷帘的感温火灾探测器。D错误。
66.【答案】C
【解析】根据《人员密集场所消防安全评估导则》XF/T1369-2016
6评估结论分级
根据现场检查及评估判定的情况给出评估结论等级,具体分级标准见表1。

67.【答案】C
【解析】《消防安全责任制实施办法》
第十五条机关、团体、企业、事业等单位应当落实消防安全主体责任,履行下列职责:
(一)明确各级、各岗位消防安全责任人及其职责,制定本单位的消防安全制度、消防安全操作规程、灭火和应急疏散预案。定期组织开展灭火和应急疏散演练,进行消防工作检查考核,保证各项规章制度落实。
(二)保证防火检查巡查、消防设施器材维护保养、建筑消防设施检测、火灾隐患整改、专职或志愿消防队和微型消防站建设等消防工作所需资金的投入。生产经营单位安全费用应当保证适当比例用于消防工作。
(三)按照相关标准配备消防设施、器材,设置消防安全标志,定期检验维修,对建筑消防设施每年至少进行一次全面检测,确保完好有效。设有消防控制室的,实行24小时值班制度,每班不少于2人,并持证上岗。所以A错误。
(四)保障疏散通道、安全出口、消防车通道畅通,保证防火防烟分区、防火间距符合消防技术标准。人员密集场所的门窗不得设置影响逃生和灭火救援的障碍物。保证建筑构件、建筑材料和室内装修装饰材料等符合消防技术标准。
(五)定期开展防火检查、巡查,及时消除火灾隐患。
(六)根据需要建立专职或志愿消防队、微型消防站,加强队伍建设,定期组织训练演练,加强消防装备配备和灭火药剂储备,建立与公安消防队联勤联动机制,提高扑救初起火灾能力。
(七)消防法律、法规、规章以及政策文件规定的其他职责。
第十六条消防安全重点单位除履行第十五条规定的职责外,还应当履行下列职责:
(一)明确承担消防安全管理工作的机构和消防安全管理人并报知当地公安消防部门,组织实施本单位消防安全管理。消防安全管理人应当经过消防培训。
(二)建立消防档案,确定消防安全重点部位,设置防火标志,实行严格管理。所以D错误。
(三)安装、使用电器产品、燃气用具和敷设电气线路、管线必须符合相关标准和用电、用气安全管理规定,并定期维护保养、检测。
(四)组织员工进行岗前消防安全培训,定期组织消防安全培训和疏散演练。
(五)根据需要建立微型消防站,积极参与消防安全区域联防联控,提高自防自救能力。
(六)积极应用消防远程监控、电气火灾监测、物联网技术等技防物防措施。所以B错误。
第十七条对容易造成群死群伤火灾的人员密集场所、易燃易爆单位和高层、地下公共建筑等火灾高危单位,除履行第十五条、第十六条规定的职责外,还应当履行下列职责:
(一)定期召开消防安全工作例会,研究本单位消防工作,处理涉及消防经费投入、消防设施设备购置、火灾隐患整改等重大问题。
(二)鼓励消防安全管理人取得注册消防工程师执业资格,消防安全责任人和特有工种人员须经消防安全培训;自动消防设施操作人员应取得建(构)筑物消防员资格证书。所以选C。
(三)专职消防队或微型消防站应当根据本单位火灾危险特性配备相应的消防装备器材,储备足够的灭火救援药剂和物资,定期组织消防业务学习和灭火技能训练。
(四)按照国家标准配备应急逃生设施设备和疏散引导器材。
(五)建立消防安全评估制度,由具有资质的机构定期开展评估,评估结果向社会公开。
(六)参加火灾公众责任保险。
68.【答案】B
【解析】《人员密集场所消防安全管理》(GB/T40248)
7.11.2人员集中的厅(室)以及建筑内的消防控制室、消防水泵房、储油间、变配电室、锅炉房、厨房、空调机房、资料库、可燃物品仓库和化学实验室等,应确定为消防安全重点部位,在明显位置张贴标识,严格管理。ACD应确定为消防安全重点部位,答案选B。
69.【答案】D
【解析】《重大火灾隐患判定方法》(GB35181)
4.1重大火灾隐患判定应坚持科学严谨、实事求是、客观公正的原则。所以ABC不选。
4.2重大火灾隐患判定适用下列程序:
a)现场检查:组织进行现场检查,核实火灾隐患的具体情况,并获取相关影像和文字资料;
b)集体讨论:组织对火灾隐患进行集体讨论,做出结论性判定意见,参与人数不应少于3人;
c)专家技术论证:对于涉及复杂疑难的技术问题,按照本标准判定重大火灾隐患有困难的,应组织专家成立专家组进行技术论证,形成结论性判定意见。结论性判定意见应有三分之二以上的专家同意。所以选D。
70.【答案】B
【解析】根据《重大火灾隐患判定方法》GB35181-2017
6直接判定要素
6.7易燃可燃液体、可燃气体储罐(区)未按国家工程建设消防技术标准的规定设置固定灭火、冷却、可燃气体浓度报警、火灾报警设施。所以B正确。
7综合判定要素
7.1.2建筑之间的既有防火间距被占用或小于国家工程建设消防技术标准的规定值的80%,明火和散发火花地点与易燃易爆生产厂房、装置设备之间的防火间距小于国家工程建设消防技术标准的规定值。所以C属于综合判定要素。
7.4.2未按国家工程建设消防技术标准的规定设置室外消防给水系统,或已设置但不符合标准的规定或不能正常使用。所以A属于综合判定要素。
7.6.1消防用电设备的供电负荷级别不符合国家工程建设消防技术标准的规定。所以D属于综合判定要素。
71.【答案】C
【解析】根据《人员密集场所消防安全管理》(GB/T40248)
7.4.1人员密集场所应通过多种形式开展经常性的消防安全宣传与培训。A正确。
7.4.2对公众开放的人员密集场所,应通过张贴图画、发放消防刊物、播放视频、举办消防文化活动等多种形式对公众宣传防火、灭火、应急逃生等常识。B正确。
7.4.4人员密集场所应至少每半年组织一次对每名员工的消防培训,对新上岗人员应进行上岗前的消防培训。C错误。
7.4.5消防培训应包括下列内容:
a)有关消防法律法规、消防安全管理制度、保障消防安全的操作规程等;
b)本单位、本岗位的火灾危险性和防火措施;
c)建筑消防设施、灭火器材的性能、使用方法和操作规程;
d)报火警、扑救初起火灾、应急疏散和自救逃生的知识、技能;
e)本场所的安全疏散路线,引导人员疏散的程序和方法等;
f)灭火和应急疏散预案的内容、操作程序;所以D正确。
g)其他消防安全宣传教育内容。
72.【答案】B
【解析】《社会单位灭火和应急疏散预案编制及实施导则》(GB/T38315)
5预案编制程序
5.1成立预案编制工作组
5.2资料收集与评估
5.3编写预案所以A正确。
5.3.3单位应编制总预案,单位内各部门应结合岗位火灾危险性编写分预案,消防安全重点部位应编写专项预案。所以D正确。
5.4评审与发布
5.4.1预案编制完成后,单位主要负责人应组织有关部门和人员,依据国家有关方针政策、法律法规、规章制度以及其他有关文件对预案进行评审。所以B错误。
5.5适时修订预案
4.2预案的分级
预案根据设定灾情的严重程度和场所的危险性,从低到高依次分为以下五级:(所以C正确)
a)一级预案是针对可能发生无人员伤亡或被困,燃烧面积小的普通建筑火灾的预案;
b)二级预案是针对可能发生3人以下伤亡或被困,燃烧面积大的普通建筑火灾,燃烧面积较小的高层建筑、地下建筑、人员密集场所、易燃易爆危险品场所、重要场所等特殊场所火灾的预案;
c)三级预案是针对可能发生3人以上10人以下伤亡或被困,燃烧面积小的高层建筑、地下建筑、人员密集场所、易燃易爆危险品场所、重要场所等特殊场所火灾的预案;
d)四级预案是针对可能发生10人以上30人以下伤亡或被困,燃烧面积较大的高层建筑、地下建筑、人员密集场所、易燃易爆危险品场所、重要场所等特殊场所火灾的预案;
e)五级预案是针对可能发生30人以上伤亡或被困,燃烧面积大的高层建筑、地下建筑、人员密集场所、易燃易爆危险品场所、重要场所等特殊场所火灾的预案。
73.【答案】A
【解析】《社会单火和应急疏散预案编制及实施导则》(GB/T38315)
6.7.2组织机构
6.7.2.1预案应明确单位的指挥机构,消防安全责任人任总指挥,消防安全管理人任副总指挥,消防工作归口职能部门负责人参加并具体组织实施。所以A错误。
5.3编写预案
5.3.1预案应针对可能发生的各种火灾事故和影响范围分级分类编制,科学编写预案文本,明确应急机构人员组成及工作职责、火灾事故的处置程序以及预案的培训和演练要求等,编制格式参考附录A。
5.3.2集团性、连锁性企业应制定预案编制指导意见,对所属下级单位提出明确要求。下级单位应编制符合本单位实际的预案。
5.3.3单位应编制总预案,单位内各部门应结合岗位火灾危险性编写分预案,消防安全重点部位应编写专项预案。所以B正确。
5.3.4分班作业的单位或场所应针对不同的班组,分别制定预案和组织演练。
5.3.5经营单位应针对营业和非营业等不同时间段,分别制定编写预案和组织演练。
5.3.6多产权、多家使用单位应委托统一消防安全管理的部门编制总预案,各单位、业主应根据自身实际制定分预案。所以D正确。
5.4评审与发布
5.4.2预案评审通过后,由本单位主要负责人签署发布,以正式文本的形式发放到每一名员工。所以C正确。
74.【答案】B
【解析】根据《综合能力》教材:
按组织形式划分,灭火和应急疏散预案演练可分为桌面演练和实战演练。选项ACD属于实战演练。选项B属于桌面演练。
75.【答案】D
【解析】根据《消防安全技术综合能力》教材
灭火行动组履行以下工作职责:
(1)结合活动举办实际,制定灭火和应急疏散预案,并报请领导小组审批后实施。
(2) 实施灭火和应急疏散预案的演练,对预案存在的不合理的地方进行调整,确保预案贴近实战。所以A属于。
(3) 对举办活动场地及相关设施组织消防安全检查,督促相关职能部门整改火灾隐患,确保活动举办安全。所以B属于。
(4) 组织力量在活动举办现场利用现有消防装备实施消防安全保卫,确保第一时间处置火灾事故或突发性事件。所以C属于。
(5) 发生火灾事故时,组织人员对现场进行保护,协助当地公安机关进行事故调查。
(6) 对发生的火灾事故进行分析,吸取教训,积累经验,为今后的活动举办提供强有力的安全保障。
D属于通信保障组职责。
76.【答案】D
【解析】大型商业综合体消防安全管理规则(试行)应急消〔2019〕314号
第十一条消防安全责任人应当掌握本单位的消防安全情况,全面负责本单位的消防安全工作,并履行下列消防安全职责:
第十二条消防安全管理人对消防安全责任人负责,应当具备与其职责相适应的消防安全知识和管理能力,取得注册消防工程师执业资格或者工程类中级以上专业技术职称,并应当履行下列消防安全职责:
消防安全责任人职责 |
消防安全管理人职责 |
2.统筹安排本单位经营、维修、改建、扩建等活动中的消防安全管理工作,批准年度消防工作计划; |
1.拟订年度消防安全工作计划,组织实施日常消防安全管理工作; |
消防安全责任人职责 |
消防安全管理人职责 |
1.制定和批准本单位的消防安全管理制度、消防安全操作规程、灭火和应急疏散预案,进行消防工作检查考核,保证各项规章制度落实; |
|
3.为消防安全管理提供必要的经费和组织保障; |
3.拟订消防安全工作的资金投入和组织保障方案; |
4.建立消防安全工作例会制度,定期召开消防安全工作例会,研究本单位消防工作,处理涉及消防经费投入、消防设施和器材购置、火灾隐患整改等重大问题,研究、部署、落实本单位消防安全工作计划和措施; |
4.建立消防档案,确定本单位的消防安全重点部位,设置消防安全标识; 6.组织实施对本单位消防设施和器材、消防安全标识的维护保养,确保其完好有效和处于正常运行状态,确保疏散通道、安全出口、消防车道畅通; |
5.定期组织防火检查,督促整改火灾隐患; |
5.组织实施防火巡查、检查和火灾隐患排查整改 |
7.组织制定灭火和应急疏散预案,并定期组织实施演练。 |
7.组织本单位员工开展消防知识、技能的教育和培训,拟定灭火和应急疏散预案,组织灭火和应急疏散预案的实施和演练; |
6.依法建立专职消防队或志愿消防队,并配备相应的消防设施和器材; |
8.管理专职消防队或志愿消防队,组织开展日常业务训练和初起火灾扑救; |
77.【答案】A
【解析】《大型商业综合体消防安全管理规则》
第四十九条用电防火安全管理应当符合下列要求:
1.采购电气、电热设备,应当符合国家有关产品标准和安全标准的要求;
2.电气线路敷设、电气设备安装和维修应当由具备相应职业资格的人员按国家现行标准要求和操作规程进行;
3.电热汀取暖器、暖风机、对流式电暖气、电热膜取暖器等电气取暖设备的配电回路应当设置与电气取暖设备匹配的短路、过载保护装置;
4.电源插座、照明开关不应直接安装在可燃材料上;所以A错误。
5.靠近可燃物的电器,应当采取隔热、散热等防火保护措施;
6.各种灯具距离窗帘、幕布、布景等可燃物不应小于0.5米;所以B正确。
7.应当定期检查、检测电气线路、设备,严禁超负荷运行;
8.电气线路故障,应当及时停用检查维修,排除故障后方可继续使用;
9.每日营业结束时,应当切断营业场所内的非必要电源。所以C正确。
第四十八条用火、动火安全管理应当符合下列要求:
1.严禁在营业时间进行动火作业;
2.电气焊等明火作业前,实施动火的部门和人员应当按照消防安全管理制度办理动火审批手续,并在建筑主要出入口和作业现场醒目位置张贴公示;所以D正确。
3.动火作业现场应当清除可燃、易燃物品,配置灭火器材,落实现场监护人和安全措施,在确认无火灾、爆炸危险后方可动火作业,作业后应当到现场复查,确保无遗留火种;
4.需要动火作业的区域,应当采用不燃材料与使用、营业区域进行分隔;
5.建筑内严禁吸烟、烧香、使用明火照明,演出、放映场所不得使用明火进行表演或燃放焰火。
78.【答案】C
【解析】大型商业综合体消防安全管理规则(试行)应急消〔2019〕314号
第八十一条消防安全基本情况应当至少包括下列内容:
1.建筑的基本概况和消防安全重点部位;
2.建筑消防设计审查、消防验收和特殊消防设计文件及采用的相关技术措施等材料;
3.场所使用或者开业前消防安全检查的相关资料;
4.消防组织和各级消防安全责任人;
5.相关消防安全责任书和租赁合同;所以A错误。
6.消防安全管理制度和消防安全操作规程;
7.消防设施和器材配置情况;所以B错误。
8.专职消防队、志愿消防队(微型消防站)等自防自救力量及其消防装备配备情况;
9.消防安全管理人、消防设施维护管理人员、电气焊工、电工、消防控制室值班人员、易燃易爆化学物品操作人员的基本情况;
10.新增消防产品、防火材料的合格证明材料;所以D错误。
11.灭火和应急疏散预案。
第八十二条消防安全管理情况应当至少包括下列内容:
10.火灾情况记录;所以选C。
11.消防奖惩情况记录。
79.【答案】B
【解析】根据《大型商业综合体消防安全管理规则(试行)》(应急消[2019]314号)
第十二条消防安全管理人对消防安全责任人负责,应当具备与其职责相适应的消防安全知识和管理能力,取得注册消防工程师执业资格或者工程类中级以上专业技术职称,并应当履行下列消防安全职责:
1.拟订年度消防安全工作计划,组织实施日常消防安全管理工作;
2.组织制订消防安全管理制度和消防安全操作规程,并检查督促落实;
3.拟订消防安全工作的资金投入和组织保障方案;
4.建立消防档案,确定本单位的消防安全重点部位,设置消防安全标识;
5.组织实施防火巡查、检查和火灾隐患排查整改工作;
6.组织实施对本单位消防设施和器材、消防安全标识的维护保养,确保其完好有效和处于正常运行状态,确保疏散通道、安全出口、消防车道畅通;
7.组织本单位员工开展消防知识、技能的教育和培训,拟定灭火和应急疏散预案,组织灭火和应急疏散预案的实施和演练;所以选B。
第十三条大型商业综合体内的经营、服务人员应当履行下列消防安全职责:
1.确保自身的经营活动不更改或占用经营场所的平面布置、疏散通道和疏散路线,不妨碍疏散设施及其他消防设施的使用;
2.主动接受消防安全宣传教育培训,遵守消防安全管理制度和操作规程;熟悉本工作场所消防设施、器材及安全出口的位置,参加单位灭火和应急疏散预案演练;所以不选AC。
3.清楚了解本单位火灾危险性,会报火警、会扑救初起火灾、会组织疏散逃生和自救;
4.每日到岗后及下班前应当检查本岗位工作设施、设备、场地、电源插座、电气设备的使用状态等,发现隐患及时排除并向消防安全工作归口管理部门报告;
5.监督顾客遵守消防安全管理制度,制止吸烟、使用大功率电器等不利于消防安全的行为。所以不选D。
80.【答案】C
【解析】大型商业综合体消防安全管理规则(试行)应急消〔2019〕314号
第三十七条大型商业综合体内部使用的宣传条幅、广告牌等临时性装饰材料应采用不燃或难燃材料制作。所以A错误。
第三十八条设有建筑外墙外保温系统的大型商业综合体,应当在主入口及周边相关醒目位置,设置提示性和警示性标识,标示外墙保温材料的燃烧性能、防火要求。对大型商业综合体建筑外墙外保温系统破损、开裂和脱落的,应当及时修复。大型商业综合体建筑在进行外保温系统施工时,应当采取禁止或者限制使用该建筑的有效措施。
禁止使用易燃、可燃材料作为大型商业综合体建筑外墙保温材料。禁止在其建筑内及周边禁放区域燃放烟花爆竹;禁止在其外墙周围堆放可燃物。对于使用难燃外墙保温材料且采用与基层墙体、装饰层之间有空腔的建筑外墙外保温系统的大型商业综合体建筑,禁止在其外墙动火用电。所以B错误。C正确。
第三十九条电动自行车集中存放、充电场所应当优先独立设置在室外,与其他建筑、安全出口保持足够的安全距离,确需设置在室内时,应当满足防火分隔、安全疏散等消防安全要求,并应加强巡查巡防或采取安排专人值守、加装自动断电、视频监控等措施。所以D错误。
二、多项选择题(共20题,每题2分.每题的备选项中,有2个或2个以上符合题意,至少有1个错项.错选,本题不得分;少选,所选的每个选项得0.5分)
81.【答案】AD
【解析】根据《公共娱乐场所消防安全管理规定》(公安部令第39号)
第六条公众聚集的娱乐场所在使用或者开业前,必须具备消防安全条件,依法向当地公安消防机构申报检查,经消防安全检查合格后,发给《消防安全检查意见书》,方可使用或者开业。A正确。
第十四条公共娱乐场所内严禁带入和存放易燃易爆物品。B错误。
第十五条严禁在公共娱乐场所营业时进行设备检修、电气焊、油漆粉刷等施工、维修作业。D正确。
第十六条演出、放映场所的观众厅内禁止吸烟和明火照明。C错误。
第十七条公共娱乐场所在营业时,不得超过额定人数。E错误。
82.【答案】BCD
【解析】根据《建筑设计防火规范》GB 50016-2014(2018年版)
5.4.9歌舞厅、录像厅、夜总会、卡拉OK厅(含具有卡拉OK功能的餐厅)、游艺厅(含电子游艺厅)、桑拿浴室(不包括洗浴部分)、网吧等歌舞娱乐放映游艺场所(不含剧场、电影院)的布置应符合下列规定:
6厅、室之间及与建筑的其他部位之间,应采用耐火极限不低于2.00h的防火隔墙和1.00h的不燃性楼板分隔,设置在厅、室墙上的门和该场所与建筑内其他部位相通的门均应采用乙级防火门。A正确。
5.4.13布置在民用建筑内的柴油发电机房应符合下列规定:
4机房内设置储油间时,其总储存量不应大于1m³,储油间应采用耐火极限不低于3.00h的防火隔墙与发电机间分隔;确需在防火隔墙上开门时,应设置甲级防火门。B错误。
5.4.11设置商业服务网点的住宅建筑,其居住部分与商业服务网点之间应采用耐火极限不低于2.00h且无门、窗、洞口的防火隔墙和1.50h的不燃性楼板完全分隔,住宅部分和商业服务网点部分的安全出口和疏散楼梯应分别独立设置。C错误。
根据《建筑防火通用规范》GB55037-2022
4.3.2 住宅与非住宅功能合建的建筑应符合下列规定:
1 除汽车库的疏散出口外,住宅部分与非住宅部分之间应采用耐火极限不低于2.00h,且无开口的防火隔墙和耐火极限不低于2.00h的不燃性楼板完全分隔。E正确。
4.3.6 医疗建筑中住院病房的布置和分隔应符合下列规定:
3 建筑内相邻护理单元之间应采用耐火极限不低于2.00h的防火隔墙和甲级防火门分隔。D错误。
83.【答案】ABCD
【解析】根据《人民防空工程设计防火规范》GB50098-2009
3.1.3人防工程内不应设置哺乳室、托儿所、幼儿园、游乐厅等儿童活动场所和残疾人员活动场所。ABD错误。
3.1.2人防工程内不得使用和储存液化石油气、相对密度(与空气密度比值)大于或等于0.75的可燃气体和闪点小于60℃的液体燃料。C错误。
3.1.4医院病房不应设置在地下二层及以下层,当设置在地下一层时,室内地面与室外出入口地坪高差不应大于10m。E正确。
84.【答案】CE
【解析】根据《建筑防烟排烟系统技术标准》GB51251-2017
注:1公共建筑、工业建筑中的走道宽度不大于2.5m时,其防烟分区的长边长度不应大于60m。
2当空间净高大于9m时,防烟分区之间可不设置挡烟设施。D正确。
3汽车库防烟分区的划分及其排烟量应符合现行国家规范《汽车库、修车库、停车场设计防火规范》GB 50067的相关规定。
4.2.4公共建筑、工业建筑防烟分区的最大允许面积及其长边最大允许长度应符合表4.2.4的规定,当工业建筑采用自然排烟系统时,其防烟分区的长边长度尚不应大于建筑内空间净高的8倍。A正确。CE错误。
根据《汽车库、修车库、停车场设计防火规范》GB50067-2014
8.2.2防烟分区的建筑面积不宜大于2000㎡,且防烟分区不应跨越防火分区。防烟分区可采用挡烟垂壁、隔墙或从顶棚下突出不小于0.5m的梁划分。B正确。
85.【答案】ABDE
【解析】根据《建筑设计防火规范》GB 50016-2014(2018年版)
3.7.6高层厂房和甲、乙、丙类多层厂房的疏散楼梯应采用封闭楼梯间或室外楼梯。建筑高度大于32m且任一层人数超过10人的厂房,应采用防烟楼梯间或室外楼梯。ABE正确,C错误。
3.8.7高层仓库的疏散楼梯应采用封闭楼梯间。D正确。
86.【答案】ABD
【解析】根据《建筑设计防火规范》GB50016-2014(2018版)
6.4.11建筑内的疏散门应符合下列规定:
1民用建筑和厂房的疏散门,应采用向疏散方向开启的平开门,不应采用推拉门、卷帘门、吊门、转门和折叠门。除甲、乙类生产车间外,人数不超过60人且每樘门的平均疏散人数不超过30人的房间,其疏散门的开启方向不限。A错误。
5.5.13A老年人照料设施的疏散楼梯或疏散楼梯间宜与敞开式外廊直接连通,不能与敞开式外廊直接连通的室内疏散楼梯应采用封闭楼梯间。建筑高度大于24m的老年人照料设施,其室内疏散楼梯应采用防烟楼梯间。B错误。
5.5.12一类高层公共建筑和建筑高度大于32m的二类高层公共建筑,其疏散楼梯应采用防烟楼梯间。
裙房和建筑高度不大于32m的二类高层公共建筑,其疏散楼梯应采用封闭楼梯间。C正确。
6.4.10疏散走道在防火分区处应设置常开甲级防火门。E正确。
10.3.1除建筑高度小于27m的住宅建筑外,民用建筑、厂房和丙类仓库的下列部位应设置疏散照明:
1封闭楼梯间、防烟楼梯间及其前室、消防电梯间的前室或合用前室、避难走道、避难层(间);D错误。
87.【答案】ADE
【解析】根据《建筑设计防火规范》GB 50016-2014(2018年版)
6.7.7除本规范第6.7.3条规定的情况外,当建筑的外墙外保温系统按本节规定采用燃烧性能为B1、B2级的保温材料时,应符合下列规定:
1)除采用B1级保温材料且建筑高度不大于24m的公共建筑或采用B1级保温材料且建筑高度不大于27m的住宅建筑外,建筑外墙上门、窗的耐火完整性不应低于0.50h。
2)应在保温系统中每层设置水平防火隔离带。防火隔离带应采用燃烧性能为A级的材料,防火隔离带的高度不应小于300mm。ADE正确,BC错误。
88.【答案】AE
【解析】根据《消防设施通用规范》
3.0.8消防水池应符合下列规定:
5消防水池应设置溢流水管和排水设施,并应采用间接排水。A不正确。
3.0.11消防水泵应符合下列规定:
1消防水泵应确保在火灾时能及时启动;停泵应由人工控制,不应自动停泵。B正确。
4消防水泵应采取自灌式吸水。从市政给水管网直接吸水的消防水泵,在其出水管上应设置有空气隔断的倒流防止器。D正确。
根据《消防给水及消火栓系统技术规范》
5.1.6消防水泵的选择和应用应符合下列规定:
4流量扬程性能曲线应为无驼峰、无拐点的光滑曲线,零流量时的压力不应大于设计工作压力的140%,且宜大于设计工作压力的120%;
5当出流量为设计流量的150%时,其出口压力不应低于设计工作压力的65%;
6泵轴的密封方式和材料应满足消防水泵在低流量时运转的要求;C正确。
7消防给水同一泵组的消防水泵型号宜一致,且工作泵不宜超过3台;
8多台消防水泵并联时,应校核流量叠加对消防水泵出口压力的影响。
7.4.10室内消火栓宜按直线距离计算其布置间距,并应符合下列规定:
1消火栓按2支消防水枪的2股充实水柱布置的建筑物,消火栓的布置间距不应大于30.0m;E不正确。
89.【答案】ACDE
【解析】根据《消防设施通用规范》
4.0.5洒水喷头应符合下列规定:
1喷头间距应满足有效喷水和使可燃物或保护对象被全部覆盖的要求;
2喷头周围不应有遮挡或影响洒水效果的障碍物;
3系统水力计算最不利点处喷头的工作压力应大于或等于0.05MPa;B错误。
4腐蚀性场所和易产生粉尘、纤维等的场所内的喷头,应采取防止喷头堵塞的措施;
5建筑高度大于100m的公共建筑,其高层主体内设置的自动喷水灭火系统应采用快速响应喷头;
6局部应用系统应采用快速响应喷头。ACDE正确。
90.【答案】ABCD
【解析】根据《自动喷水灭火系统施工及验收规范》
8.0.7报警阀组的验收应符合下列要求:
3水力警铃的设置位置应正确。测试时,水力警铃喷嘴处压力不应小于0.05MPa,且距水力警铃3m远处警铃声声强不应小于70dB。A正确。
7打开末端试(放)水装置,当流量达到报警阀动作流量时,湿式报警阀和压力开关应及时动作,带延迟器的报警阀应在90s内压力开关动作,不带延迟器的报警阀应在15s内压力开关动作。B正确。
雨淋报警阀动作后15s内压力开关动作。C正确。
8.0.6消防水泵验收应符合下列要求:
3分别开启系统中的每一个末端试水装置和试水阀,水流指示器、压力开关等信号装置的功能应均符合设计要求。湿式自动喷水灭火系统的最不利点做末端放水试验时,自放水开始至水泵启动时间不应超过5min。D正确。
4打开消防水泵出水管上试水阀,当采用主电源启动消防水泵时,消防水泵应启动正常;关掉主电源,主、备电源应能正常切换。备用电源切换时,消防水泵应在1min或2min内投入正常运行。自动或手动启动消防泵时应在55s内投入正常运行。E不正确。
91.【答案】DE
【解析】根据《二氧化碳灭火系统设计规范》
3.1.3采用局部应用灭火系统的保护对象,应符合下列规定:
3.1.3.1保护对象周围的空气流动速度不宜大于3m/s。必要时,应采取挡风措施。A正确。
3.1.3.2在喷头与保护对象之间,喷头喷射角范围内不应有遮挡物。
3.1.3.3当保护对象为可燃液体时,液面至容器缘口的距离不得小于150mm。
5.3.2A二氧化碳灭火剂输送管网不应采用四通管件分流。B正确。
6.0.1二氧化碳灭火系统应设有自动控制、手动控制和机械应急操作三种启动方式;当局部应用灭火系统用于经常有人的保护场所时可不设自动控制。C正确。
7.0.5地下防护区和无窗或固定窗扇的地上防护区,应设机械排风装置。D不正确。
7.0.7设置灭火系统的防护区的入口处明显位置应配备专用的空气呼吸器或氧气呼吸器。E不正确。
92.【答案】ABCD
【解析】根据《消防设施通用规范》
10.0.8符合下列情形之一的灭火器应报废:
1筒体锈蚀面积大于或等于筒体总表面积的1/3,表面有凹坑;
2筒体明显变形,机械损伤严重;
3器头存在裂纹、无泄压机构;
4存在筒体为平底等结构不合理现象;
5没有间歇喷射机构的手提式灭火器;
6不能确认生产单位名称和出厂时间,包括铭牌脱落,铭牌模糊、不能分辨生产单位名称,出厂时间钢印无法识别等;
7筒体有锡焊、铜焊或补缀等修补痕迹;
8被火烧过;
9出厂时间达到或超过表10.0.8规定的最大报废期限。

93.【答案】ABDE
【解析】根据《消防设施通用规范》
11.1.5加压送风机、排烟风机、补风机应具有现场手动启动、与火灾自动报警系统联动启动和在消防控制室手动启动的功能。当系统中任一常闭加压送风口开启时,相应的加压风机均应能联动启动;当任一排烟阀或排烟口开启时,相应的排烟风机、补风机均应能联动启动。B正确。
11.2.6机械加压送风系统应与火灾自动报警系统联动,并应能在防火分区内的火灾信号确认后15s内联动同时开启该防火分区的全部疏散楼梯间、该防火分区所在着火层及其相邻上下各一层疏散楼梯间及其前室或合用前室的常闭加压送风口和加压送风机。E正确。
根据《建筑防烟排烟系统技术标准》
5.2.5活动挡烟垂壁应具有火灾自动报警系统自动启动和现场手动启动功能,当火灾确认后,火灾自动报警系统应在15s内联动相应防烟分区的全部活动挡烟垂壁,60s以内挡烟垂壁应开启到位。所以C错误。
7.2.5送风机、排烟风机调试方法及要求应符合下列规定:
1手动开启风机,风机应正常运转2.0h,叶轮旋转方向应正确、运转平稳、无异常振动与声响。所以D正确。
5.2.3机械排烟系统中的常闭排烟阀或排烟口应具有火灾自动报警系统自动开启、消防控制室手动开启和现场手动开启功能,其开启信号应与排烟风机联动。当火灾确认后,火灾自动报警系统应在15s内联动开启相应防烟分区的全部排烟阀、排烟口、排烟风机和补风设施,并应在30s内自动关闭与排烟无关的通风、空调系统。所以A正确。
94.【答案】ABC
【解析】《火灾自动报警系统施工及验收标准》(GB50166)
3.3.17模块或模块箱的安装应符合下列规定:
1同一报警区域内的模块宜集中安装在金属箱内,不应安装在配电柜、箱或控制柜、箱内;
2应独立安装在不燃材料或墙体上,安装牢固,并应采取防潮、防腐蚀等措施;
3模块的连接导线应留有不小于150mm的余量,其端部应有明显的永久性标识;所以A正确。
4模块的终端部件应靠近连接部件安装;
5隐蔽安装时在安装处附近应设置检修孔和尺寸不小于100mm×100mm的永久性标识。
3.3.16手动火灾报警按钮、消火栓按钮、防火卷帘手动控制装置、气体灭火系统手动与自动控制转换装置、气体灭火系统现场启动和停止按钮的安装,应符合下列规定:
1手动火灾报警按钮、防火卷帘手动控制装置、气体灭火系统手动与自动控制转换装置、气体灭火系统现场启动和停止按钮应设置在明显和便于操作的部位,其底边距地(楼)面的高度宜为1.3m~1.5m,且应设置明显的永久性标识,消火栓按钮应设置在消火栓箱内,疏散通道设置的防火卷帘两侧均应设置手动控制装置;所以C正确。
4.12.1应对火灾声警报器的火灾声警报功能进行检查并记录,警报器的火灾声警报功能应符合下列规定:
1应操作控制器使火灾声警报器启动;
2在警报器生产企业声称的最大设置间距、距地面1.5m~1.6m处,声警报的A计权声压级应大于60dB,环境噪声大于60dB时,声警报的A计权声压级应高于背景噪声15dB。所以E错误。
3.3.19消防应急广播扬声器、火灾警报器、喷洒光警报器、气体灭火系统手动与自动控制状态显示装置的安装;应符合下列规定:
2火灾光警报装置应安装在楼梯口、消防电梯前室、建筑内部拐角等处的明显部位,且不宜与消防应急疏散指示标志灯具安装在同一面墙上,确需安装在同一面墙上时,距离不应小于1m;所以D错误。
根据《火灾自动报警系统设计规范》GB50116-2013
6.3.1每个防火分区应至少设置一只手动火灾报警按钮。从一个防火分区内的任何位置到最邻近的手动火灾报警按钮的步行距离不应大于30m。所以B正确。
95.【答案】BC
【解析】根据《消防设施通用规范》GB 55036
11.2.1下列建筑的防烟楼梯间及其前室、消防电梯的前室和合用前室应设置机械加压送风系统:
1建筑高度大于100m的住宅;
2建筑高度大于50m的公共建筑;
3建筑高度大于50m的工业建筑。
96.【答案】AE
【解析】根据现行《火灾自动报警系统设计规范》(GB50116)
4.6.2防火卷帘的升降应由防火卷帘控制器控制。
4.6.3疏散通道上设置的防火卷帘的联动控制设计,应符合下列规定:
1联动控制方式,防火分区内任两只独立的感烟火灾探测器或任一只专门用于联动防火卷帘的感烟火灾探测器的报警信号应联动控制防火卷帘下降至距楼板面1.8m处;任一只专门用于联动防火卷帘的感温火灾探测器的报警信号应联动控制防火卷帘下降到楼板面;在卷帘的任一侧距卷帘纵深0.5m~5m内应设置不少于2只专门用于联动防火卷帘的感温火灾探测器。所以AE正确,BCD错误。
2手动控制方式,应由防火卷帘两侧设置的手动控制按钮控制防火卷帘的升降。
97.【答案】ABD
【解析】《防火卷帘、防火门、防火窗施工及验收规范》GB50877-2014
8.0.5每日应对防火卷帘下部、常开式防火门门口处、活动式防火窗窗口处进行一次检查,并应清除妨碍设备启闭的物品。所以A正确。
8.0.6每季度应对防火卷帘、防火门和活动式防火窗的下列功能进行一次检查:
1手动启动防火卷帘内外两侧控制器或按钮盒上的控制按钮,检查防火卷帘上升、下降、停止功能。所以C错误。
2手动操作防火卷帘手动速放装置,检查防火卷帘依靠自重恒速下降功能。
3手动操作防火卷帘的手动拉链,检查防火卷帘升、降功能,且无滑行撞击现象。
4手动启动常闭式防火门,检查防火门开关功能,且无卡阻现象。所以E错误。
5手动启动活动式防火窗上的控制装置,检查防火窗开关功能且无卡阻现象。
8.0.7每年应对防火卷帘、防火门、防火窗的下列功能进行一次检查:
1防火卷帘控制器的火灾报警功能、自动控制功能、手动控制功能、故障报警功能、备用电源转换功能。所以D正确。
2常开式防火门火灾报警联动控制功能、消防控制室手动控制功能、现场手动控制功能。所以B正确。
3活动式防火窗火灾报警联动控制功能、消防控制室手动控制功能、现场手动控制功能。
98.【答案】CD
【解析】根据《人员密集场所消防安全管理》GB/T40248
5.4消防安全管理人的职责
5.4.1拟订年度消防安全工作计划,组织实施日常消防安全管理工作。
5.4.2组织制订消防安全管理制度和保障消防安全的操作规程,并检查督促落实。
5.4.3拟订消防安全工作的经费预算和组织保障方案。所以B错误。
5.6消防控制室值班员的职责
5.6.1应持证上岗,熟悉和掌握消防控制室设备的功能及操作规程,按照规定和规程测试自动消防设施的功能,保证消防控制室的设备正常运行。所以E错误。
5.6.2对火警信号,应按照7.6.16规定的消防控制室接警处警程序处置。
5.6.3对故障报警信号应及时确认,并及时查明原因,排除故障;不能排除的,应立即向部门主管人员或消防安全管理人报告。
5.6.4应严格执行每日24小时专人值班制度,每班不应少于2人,做好消防控制室的火警、故障记录和值班记录。所以A错误。
5.7消防设施操作员的职责
5.7.1熟悉和掌握消防设施的功能和操作规程。所以C正确。
5.7.2按照制度和规程对消防设施进行检查、维护和保养,保证消防设施和消防电源处于正常运行状态,确保有关阀门处于正确状态。所以D正确。
5.7.3发现故障,应及时排除;不能排除的,应及时向上级主管人员报告。
5.7.4做好消防设施运行、操作、故障和维护保养记录。
99.【答案】ACE
【解析】根据《消防设施通用规范》GB55036
8.0.1全淹没二氧化碳灭火系统不应用于经常有人停留的场所。
8.0.3全淹没气体灭火系统的设计灭火浓度或设计惰化浓度应符合下列规定:
1对于二氧化碳灭火系统,设计灭火浓度应大于或等于灭火浓度的1.7倍,且应大于或等于34%(体积百分比浓度);
2对于其他气体灭火系统,设计灭火浓度应大于或等于灭火浓度的1.3倍,设计惰化浓度应大于或等于惰化浓度的1.1倍;
3在经常有人停留的防护区,灭火剂释放后形成的浓度应低于人体的有毒性反应浓度。
100.【答案】ABD
【解析】根据《大型商业综合体消防安全管理规则(试行)》
第七十五条微型消防站装备配备参考标准见附录。
附录微型消防站装备配备参考标准
序号 |
类别 |
器材名称 |
单位 |
数量 |
配备要求 |
1 |
灭火和 应急救援器材 |
消防水枪 |
把 |
10 |
必配 |
2 |
消防水带(65mm、耐压16kg以上) |
盘 |
10 |
必配 |
|
3 |
消火栓扳手 |
把 |
4 |
必配 |
|
4 |
井盖钩 |
把 |
2 |
必配 |
|
5 |
手提式灭火器(4kg干粉灭火器、ABC型) |
具 |
10 |
必配 |
|
6 |
灭火毯 |
块 |
10 |
必配 |
|
7 |
强光照明灯 |
个 |
6 |
必配 |
|
8 |
破拆器材 |
手动破拆工具组 |
套 |
1 |
必配 |
9 |
消防斧 |
把 |
2 |
必配 |
|
10 |
绝缘剪断钳 |
把 |
1 |
必配 |
|
11 |
通信器材 |
外线固定电话 |
台 |
1 |
必配 |
12 |
对讲机 |
台 |
6 |
必配 |
模拟试卷(三)
一、单项选择题(共80题,每题1分,每题的备选项中,只有一个最符合题意)
1.【答案】D
【解析】根据《机关、团体、企业、事业单位消防安全管理规定》
第六条单位的消防安全责任人应当履行下列消防安全职责:
(一)贯彻执行消防法规,保障单位消防安全符合规定,掌握本单位的消防安全情况;
(二)将消防工作与本单位的生产、科研、经营、管理等活动统筹安排,批准实施年度消防工作计划;A不属于。
(三)为本单位的消防安全提供必要的经费和组织保障;C不属于。
(四)确定逐级消防安全责任,批准实施消防安全制度和保障消防安全的操作规程;B不属于。
(五)组织防火检查,督促落实火灾隐患整改,及时处理涉及消防安全的重大问题;
(六)根据消防法规的规定建立专职消防队、义务消防队;
(七)组织制定符合本单位实际的灭火和应急疏散预案,并实施演练。
第七条单位可以根据需要确定本单位的消防安全管理人。消防安全管理人对单位的消防安全责任人负责,实施和组织落实下列消防安全管理工作:
(一)拟订年度消防工作计划,组织实施日常消防安全管理工作;
(二)组织制订消防安全制度和保障消防安全的操作规程并检查督促其落实;
(三)拟订消防安全工作的资金投入和组织保障方案;
(四)组织实施防火检查和火灾隐患整改工作;
(五)组织实施对本单位消防设施、灭火器材和消防安全标志的维护保养,确保其完好有效,确保疏散通道和安全出口畅通;D属于。
(六)组织管理专职消防队和义务消防队;
(七)在员工中组织开展消防知识、技能的宣传教育和培训,组织灭火和应急疏散预案的实施和演练;
(八)单位消防安全责任人委托的其他消防安全管理工作。
2.【答案】D
【解析】根据《注册消防工程师制度暂行规定》
第三十二条注册消防工程师享有下列权利:
(一)使用注册消防工程师称谓;A不属于。
(二)在规定范围内从事消防安全技术执业活动;
(三)对违反相关法律、法规和技术标准的行为提出劝告,并向本级别注册审批部门或者上级主管部门报告;
(四)接受继续教育;B不属于。
(五)获得与执业责任相应的劳动报酬;C不属于。
(六)对侵犯本人权利的行为进行申诉。
第三十三条注册消防工程师履行下列义务:
(一)遵守法律、法规和有关管理规定,恪守职业道德;
(二)执行消防法律、法规、规章及有关技术标准;
(三)履行岗位职责,保证消防安全技术执业活动质量,并承担相应责任;
(四)保守知悉的国家秘密和聘用单位的商业、技术秘密;
(五)不得允许他人以本人名义执业;D属于。
(六)不断更新知识,提高消防安全技术能力;
(七)完成注册管理部门交办的相关工作。
3.【答案】D
【解析】根据《中华人民共和国消防法》第六十四条违反本法规定,有下列行为之一,尚不构成犯罪的,处十日以上十五日以下拘留,可以并处五百元以下罚款;情节较轻的,处警告或者五百元以下罚款:
(三)在火灾发生后阻拦报警,或者负有报告职责的人员不及时报警的;所以答案选D。
4.【答案】B
【解析】根据《社会消防技术服务管理规定》,第四十七条消防技术服务机构违反本规定,有下列情形之一的,责令改正,处一万元以上二万元以下罚款:
(一)超越资质许可范围从事社会消防技术服务活动的;
(二)不再符合资质条件,经责令限期改正未改正或者在改正期间继续从事相应社会消防技术服务活动的;
(三)涂改、倒卖、出租、出借或者以其他形式非法转让资质证书的;所以答案选B。
(四)所属注册消防工程师同时在两个以上社会组织执业的;
(五)指派无相应资格从业人员从事社会消防技术服务活动的;
(六)转包、分包消防技术服务项目的。
综上,答案选B。
5.【答案】B
【解析】根据《消防安全技术综合能力》
职业道德修养的内容:(1)政治理论修养(2)业务知识修养(3)人生观的修养(4)职业道德品质修养。所以B选项正确。
6.【答案】D
【解析】根据《中华人民共和国刑法》,工程重大安全事故罪是单位违反国家规定,降低工程质量标准,因而发生重大伤亡事故或者造成其他严重后果的行为。故选D。
7.【答案】C
【解析】根据《建筑设计防火规范》(GB50016-2014)(2018年版)3.1.3条文说明表格:冷库中的鱼肉间为丙类2项仓库。
8.【答案】C
【解析】根据《建筑设计防火规范》(GB50016-2014)(2018年版)5.1.1表格民用建筑的分类。
建筑高度为51.1m的住宅建筑,没有超过54m,所以A选项为二类高层公共建筑。
建筑高度为50m的办公楼,没有大于50m,所以B选项为二类高层公共建筑。
建筑高度30m的购物中心,层高3m,每层建筑面积均为1200㎡,满足一类高层建筑判定的:建筑高度24m以上部分任一楼层建筑面积大于1000㎡的商店、展览、电信、邮政、财贸金融建筑和其他多种功能组合的建筑为一类高层公共建筑,所以C正确。
某建筑高度为23m的图书馆,藏书120万册,因为建筑高度没超过24m,所以为单多层公共建筑。
综上所述,属于一类高层公共建筑的是C选项。
9.【答案】A
【解析】根据《建筑设计防火规范》(GB50016-2014)(2018年版)根据表3.1.3条文说明,该仓库火灾危险性为乙类,因为储存有松香。根据表3.2.1,一级耐火等级的非承重外墙应采用耐火极限为0.75h的不燃性墙体,3.2.12除甲、乙类仓库和高层仓库外,一、二级耐火等级建筑的非承重外墙,当采用不燃性墙体时,其耐火极限不应低于0.25h;当采用难燃性墙体时,不应低于0.50h。这里采用不燃性墙体,耐火极限可以降低0.75-0.25=0.50h。
10.【答案】D
【解析】根据《石油化工企业设计防火标准》GB50160-2008(2018年版)
4.3.1工厂主要出入口不应少于2个,并宜位于不同方位。所以,A正确。
4.2.2可能散发可燃气体的工艺装置、罐组、装卸区或全厂性污水处理场等设施宜布置在人员集中场所及明火或散发火花地点的全年最小频率风向的上风侧。所以,BC正确。
4.3.4装置或联合装置、液化烃罐组、总容积大于或等于120000m³的可燃液体罐组、总容积大于或等于120000m³的两个或两个以上可燃液体罐组应设环形消防车道。所以。D不正确。所以答案选D。
11.【答案】A
【解析】根据《建筑设计防火规范》(GB50016-2014)(2018年版)
木器厂房为丙类厂房,锅炉房为丁类厂房。
3.4.1注3)两座一、二级耐火等级的厂房,当相邻较低一面外墙为防火墙且较低一座厂房的屋顶无天窜,屋顶的耐火极限不低于1.00h,或相邻较高一面外墙的门、窗等开口部位设置甲级防火门、窗或防火分隔水幕或按本规范第6.5.3条的规定设置防火卷帘时,甲、乙类厂房之间的防火间距不应小于6m;丙、丁、戊类厂房之间的防火间距不应小于4m。所以答案选A。
12.【答案】B
【解析】根据《建筑设计防火规范》(GB50016-2014)(2018年版)
两者均为多层公共建筑,根据5.2.2,两者防火间距应为不低于6m。答案选B。

13.【答案】B
【解析】根据《建筑设计防火规范》GB50016-2014(2018版)
5.3.1注1当建筑内设置自动灭火系统时,防火分区最大允许建筑面积可按规定增加1.0倍;局部设置时,防火分区的增加面积可按该局部面积的1.0倍计算。根据表5.3.1,三级耐火等级多层民用建筑的防火分区最大允许面积为1200㎡,故最大可为1200*2=2400㎡,但该建筑每层建筑面积为3400㎡,需要至少3400/2400=1.4进位取整为2个防火分区。因此选B。
14.【答案】B
【解析】根据《建筑设计防火规范》GB50016-2014(2018版)
5.3.1注2当裙房与高层建筑主体之间设置防火墙时,裙房的防火分区可按单、多层建筑的要求确定。一二级单多层民用建筑的防火分区的建筑面积最大为2500㎡。3层裙房均设置自动喷水灭火系统,防火分区的建筑面积可以增加一倍,为5000平方米,B正确;
因3层全部是商店营业厅,不满足防火分区的建筑面积可以扩大到10000㎡的条件(设置在单层建筑或仅设置在多层建筑的首层内时,不应大于10000m²)。所以选B。
15.【答案】D
【解析】根据《建筑设计防火规范》GB50016-2014(2018版)表3.3.1
生产的火灾危险性类别 |
厂房的耐火等级 |
最多允许层数 |
每个防火分区的最大允许建筑面积(㎡) |
|||
单层 厂房 |
多层 厂房 |
高层 厂房 |
地下或半地下厂房(包括地下或半地下室) |
|||
丙 |
一级 二级 三级 |
不限 不限 2 |
不限 8000 3000 |
6000 4000 2000 |
3000 2000 — |
500 500 — |
焦化厂的焦油厂房属于丙类厂房,二级耐火多层厂房防火分区面积为4000㎡,设置自喷防火分区面积需要增加1倍,所以1个防火分区面积最大为8000㎡。每层至少需要2个防火分区,4层至少要设置8个防火分区。所以选D。
16.【答案】B
【解析】《建筑防火设计规范》(GB50016-2014)(2018年版)
5.5.24高层病房楼应在二层及以上的病房楼层和洁净手术部设置避难间。避难间应符合下列规定:
1避难间服务的护理单元不应超过2个,其净面积应按每个护理单元不小于25.0m²确定。A错误。
3应靠近楼梯间,并应采用耐火极限不低于2.00h的防火隔墙和甲级防火门与其他部位分隔。所以C错误。
4应设置消防专线电话和消防应急广播。B正确。
6应设置直接对外的可开启窗口或独立的机械防烟设施,外窗应采用乙级防火窗。所以D错误,应采用防烟设施,不是排烟设施。
综上,答案选B。
17.【答案】B
【解析】《建筑设计防火规范》(GB50016-2014)(2018年版)
5.5.23建筑高度大于100m的公共建筑,应设置避难层(间)。避难层(间)应符合下列规定:
3避难层(间)的净面积应能满足设计避难人数避难的要求,并宜按5.0人/m²计算。5.0人/m²换算单位,也就是0.2㎡/人,所以A正确。
4避难层可兼作设备层。设备管道宜集中布置,其中的易燃、可燃液体或气体管道应集中布置,设备管道区应采用耐火极限不低于3.00h的防火隔墙与避难区分隔。所以C正确。管道井和设备间应采用耐火极限不低于2.00h的防火隔墙与避难区分隔。所以D正确。
9应设置直接对外的可开启窗口或独立的机械防烟设施,外窗应采用乙级防火窗。B选项错误,应设防烟设施。
综上,答案选B。
18.【答案】B
【解析】根据《建筑设计防火规范》3.7.2厂房内每个防火分区或一个防火分区内的每个楼层,其安全出口的数量应经计算确定,且不应少于2个;当符合下列条件时,可设置1个安全出口:
1甲类厂房,每层建筑面积不大于100m²,且同一时间的作业人数不超过5人;
2乙类厂房,每层建筑面积不大于150m²,且同一时间的作业人数不超过10人;
3丙类厂房,每层建筑面积不大于250m²,且同一时间的作业人数不超过20人;
4丁戊类厂房,每层建筑面积不大于400m²,且同一时间的作业人数不超过30人;
A选项不符。氯酸钠厂房为甲类厂房,每层建筑面积不超过100㎡,同一时间生产人数不超过5人时可以设置一个安全出口,故A错误。
B选项符合。焦化厂的精萘工段火灾危险性是乙类,每层不应超150㎡和10人,选项中的面积和人数均符合要求。
C选项不符。氟利昂厂房为戊类厂房,设置一个安全出口的条件是,建筑面积不超400㎡,且同时作业人数不超30人。C选项选项中人数均超出规定。
D选项不符。酚醛泡沫塑料生产厂房为丁类厂房,每层不应超过400㎡和30人,选项中面积超出规定。
综上所述,答案选B。
19.【答案】B
【解析】根据《建筑设计防火规范》GB50016-2014(2018年版)
5.5.15公共建筑内房间的疏散门数量应经计算确定且不应少于2个。除托儿所、幼儿园、老年人照料设施、医疗建筑、教学建筑内位于走道尽端的房间外,符合下列条件之一的房间可设置1个疏散门:
1位于两个安全出口之间或袋形走道两侧的房间,对于托儿所、幼儿园、老年人照料设施,建筑面积不大于50m²;对于医疗建筑、教学建筑,建筑面积不大于75m²;对于其他建筑或场所,建筑面积不大于120m²。
AD选项错误,面积超过了50m²。C选项错误,位于袋形走道的尽端的医疗建筑房间,疏散门数量应经计算确定且不应少于2个。
综上所述,答案选B。
20.【答案】C
【解析】根据《建筑设计防火规范GB50016-2014》(2018年版)
5.5.10高层公共建筑的疏散楼梯,当分散设置确有困难且从任一疏散门至最近疏散楼梯间入口的距离不大于10m时(所以A错误),可采用剪刀楼梯间,但应符合下列规定:
1楼梯间应为防烟楼梯间;B错误。
2梯段之间应设置耐火极限不低于1.00h的防火隔墙;C正确。
3楼梯间的前室应分别设置。D错误,公共建筑剪刀楼梯间不可共用前室。住宅建筑的才允许。
综上所述,答案选C。
21.【答案】C
【解析】根据《建筑设计防火规范GB50016-2014》(2018年版)
5.5.17-3,房间内任一点至房间直通疏散走道的疏散门的直线距离,不应大于表5.5.17规定的袋形走道两侧或尽端的疏散门至最近安全出口的直线距离,也就是说房间内最不利点直通疏散门的距离可对比袋形走道两侧和尽端的疏散门至最近安全出口的距离。
本题病房楼高度24m,耐火等级为二级,属于单、多层公共建筑,由表5.5.17知,耐火等级为二级的单、多层公共建筑房间内最不利点至房间直通疏散走道的疏散门的直线距离不应大于20m。由于该建筑为单多层公共建筑且按国家工程建设消防技术最低标准配置了相应的消防设施,根据《建规》8.3.4-2,任一层建筑面积大于1500㎡或总建筑面积大于3000㎡的展览、商店、餐饮和旅馆建筑以及医院中同样建筑规模的病房楼、门诊楼和手术部宜设自动喷水灭火系统。该建筑共6层,每层建筑面积为1100㎡,总面积为超过3000㎡,宜设自动喷水灭火系统,疏散距离应增加增加25%,距离不应大于20*1.25=25m。
综上所述,答案选C。
22.【答案】B
【解析】根据《建筑设计防火规范》5.5.21-1(下表),所以该建筑地上6层,总层数≥4层百人宽度指标取值1.00,地下商场属于人员密集的厅、室,所以地下百人宽度指标取值也是1.00。
根据《建筑设计防火规范》5.5.21-1当每层疏散人数不等时,疏散楼梯的总净宽度可分层计算,地上建筑内下层楼梯的总净宽度应按该层及以上疏散人数最多一层的人数计算。地下建筑内上层楼梯的总净宽度应按该层及以下疏散人数最多一层的人数计算。
A选项正确。地上第四层,人数取值2000人,总宽度=2000×1/100=20m。
B选项错误。地上第三层,人数取值2000人,总宽度=2000×1/100=20m。
C选项正确。地下二层,人数取值1000人,总宽度=1000×1/100=10m。
D选项正确。地上首层,人数取值2000人,总宽度=2000×1/100=20m。
综上所述,答案选B。
23.【答案】D
【解析】根据《建筑设计防火规范》(GB50016-2014)(2018年版)
9.3.15电加热器前后各0.8m范围内的风管和穿过有高温、火源等容易起火房间的风管,均应采用不燃材料。D选项正确。
24.【答案】B
【解析】根据《建筑设计防火规范》(GB50016-2014)(2018年版)
3.6.1有爆炸危险的甲、乙类厂房宜独立设置,并宜采用敞开或半敞开式。其承重结构宜采用钢筋混凝土或钢框架、排架结构。A选项错误。
酒精生产厂房为甲类厂房,耐火等级为一级,非承重墙耐火时间不低于0.75小时。B选项正确。
3.6.10有爆炸危险区域内的楼梯间、室外楼梯或有爆炸危险的区域与相邻区域连通处,应设置门斗等防护措施。C选项错误。
办公室、休息室等不应设置在甲、乙类厂房内。D选项错误。
25.【答案】C
【解析】根据《建筑设计防火规范》(GB50016-2014)(2018年版)
9.3.16燃油或燃气锅炉房应设置自然通风或机械通风设施。燃气锅炉房应选用防爆型的事故排风机。当采取机械通风时,机械通风设施应设置导除静电的接地装置,通风量应符合下列规定:
1燃油锅炉房的正常通风量应按换气次数不少于3次/h确定,事故排风量应按换气次数不少于6次/h确定。A选项错误。
9.3.8净化或输送有爆炸危险粉尘和碎屑的除尘器、过滤器或管道,均应设置泄压装置。净化有爆炸危险粉尘的干式除尘器和过滤器应布置在系统的负压段上。B选项错误。
9.3.5含有燃烧和爆炸危险粉尘的空气,在进入排风机前应采用不产生火花的除尘器进行处理。对于遇水可能形成爆炸的粉尘,严禁采用湿式除尘器。C选项正确。
9.3.2厂房内有爆炸危险场所的排风管道,严禁穿过防火墙和有爆炸危险的房间隔墙。D选项错误。
26.【答案】C
【解析】根据《火灾自动报警系统施工及验收标准》GB50166
4.7.5-1应将线型可燃气体探测器发射器发出的光全部遮挡,探测器或其控制装置的故障指示灯应在100s内点亮;所以答案选C。
27.【答案】C
【解析】根据《消防设施通用规范》GB55036-2022
12.0.4火灾自动报警系统总线上应设置总线短路隔离器,每只总线短路隔离器保护的火灾探测器、手动火灾报警按钮和模块等设备的总数不应大于32点。总线在穿越防火分区处应设置总线短路隔离器。
28.【答案】D
【解析】《火灾自动报警系统施工及验收标准》GB50166
3.3.16手动火灾报警按钮、消火栓按钮、防火卷帘手动控制装置、气体灭火系统手动与自动控制转换装置、气体灭火系统现场启动和停止按钮的安装,应符合下列规定:
1手动火灾报警按钮、防火卷帘手动控制装置、气体灭火系统手动与自动控制转换装置、气体灭火系统现场启动和停止按钮应设置在明显和便于操作的部位,其底边距地(楼)面的高度宜为1.3m~1.5m,且应设置明显的永久性标识,消火栓按钮应设置在消火栓箱内,疏散通道设置的防火卷帘两侧均应设置手动控制装置;所以ABC错误。
3连接导线应留有不小于150mm的余量,且在其端部应设置明显的永久性标识。所以D正确。
29.【答案】D
【解析】根据《火灾自动报警系统施工及验收标准》GB50166
3.3.2控制与显示类设备的引入线缆应符合下列规定:
3端子板的每个接线端接线不应超过2根;所以C错误。
4线缆应留有不小于200mm的余量;所以B错误。
5线缆应绑扎成束;所以D选项正确。
3.3.3控制与显示类设备应与消防电源、备用电源直接连接,不应使用电源插头。主电源应设置明显的永久性标识。所以A错误。
综上所述,答案选D。
30.【答案】D
【解析】根据《火灾自动报警系统施工及验收标准》GB50166
6.0.6不同类型的探测器、手报、模块等现场部件应有不少于设备总数1%的备品。所以答案选D。
31.【答案】B
【解析】根据《火灾自动报警系统设计规范》GB 50116
3.1.5任一台火灾报警控制器所连接的火灾探测器、手动火灾报警按钮和模块等设备总数和地址总数,均不应超过3200点,其中每一总线回路连接设备的总数不宜超过200点,且应留有不少于额定容量10%的余量;任一台消防联动控制器地址总数或火灾报警控制器(联动型)所控制的各类模块总数不应超过1600点,每一联动总线回路连接设备的总数不宜超过100点,且应留有不少于额定容量10%的余量。所以答案选B。
32.【答案】B
【解析】根据《消防设施通用规范》GB55036-2022
12.0.7手动报警按钮的设置应满足人员快速报警的要求,每个防火分区或楼层应至少设置1个手动火灾报警按钮。A正确。
12.0.8除消防控制室设置的火灾报警控制器和消防联动控制器外,每台控制器直接连接的火灾探测器、手动报警按钮和模块等设备不应跨越避难层。C正确。
12.0.9集中报警系统和控制中心报警系统应设置消防应急广播。具有消防应急广播功能的多用途公共广播系统,应具有强制切入消防应急广播的功能。D正确。
12.0.10消防控制室内应设置消防专用电话总机和可直接报火警的外线电话,消防专用电话网络应为独立的消防通信系统。B错误。
33.【答案】B
【解析】根据《建筑消防设施的维护管理》的规定
7.1.1建筑消防设施应每年至少检测一次,检测对象包括全部设备、组件等。设有自动消防系统的宾馆、饭店、商场、市场、公共娱乐场所等人员密集场所、易燃易爆单位以及其他一类高层公共建筑等消防安全重点单位,应自系统投入运行后每一年底前,将年度检测记录报当地消防救援机构的备案。在重大的节日,重大的活动前或者期间,应根据当地消防救援机构的要求对建筑消防设施进行检测;选项A和C说法正确,选项B说法错误;
7.1.2从事建筑消防设施检测的人员,应当通过消防行业特有工种职业技能鉴定,持有高级技能以上等级职业资格证书;选项D说法正确。
故本题答案选B。
34.【答案】C
【解析】根据《消防设施通用规范》GB55036-2022的规定
3.0.9高层民用建筑、3层及以上单体总建筑面积大于10000m²的其他公共建筑,当室内采用临时高压消防给水系统时,应设置高位消防水箱。C正确。
35.【答案】A
【解析】根据现行国家标准《消防给水及消火栓系统技术规范》(GB50974)的规定
12.4.1-1管网安装完毕后,应对其进行强度试验、冲洗和严密性试验;只有选项A符合要求;所以本题答案选A。
36.【答案】C
【解析】根据现行国家标准《消防给水及消火栓系统技术规范》(GB50974)的规定
5.5.12-2附设在建筑物内的消防水泵房,不应设置在地下三层及以下,或室内地面与室外出入口地坪高差大于10m的地下楼层;选项A符合规定,选项B符合规定;
5.5.12-3附设在建筑物内的消防水泵房,应采用耐火极限不低于2.0h的隔墙和1.50h的楼板与其他部位隔开,其疏散门应直通安全出口,且开向疏散走道的门应采用甲级防火门;选项C不符合规定,选项D符合规定。所以本题答案选C选项。
37.【答案】A
【解析】根据《消防设施通用规范》GB55036-2022的规定
3.0.8消防水池应符合下列规定:
1消防水池的有效容积应满足设计持续供水时间内的消防用水量要求,当消防水池采用两路消防供水且在火灾中连续补水能满足消防用水量要求时,在仅设置室内消火栓系统的情况下,有效容积应大于或等于50m³,其他情况下应大于或等于100m³;A不符合。
2消防用水与其他用水共用的水池,应采取保证水池中的消防用水量不作他用的技术措施;
3消防水池的出水管应保证消防水池有效容积内的水能被全部利用,水池的最低有效水位或消防水泵吸水口的淹没深度应满足消防水泵在最低水位运行安全和实现设计出水量的要求;
4消防水池的水位应能就地和在消防控制室显示,消防水池应设置高低水位报警装置;
5消防水池应设置溢流水管和排水设施,并应采用间接排水。BCD符合。
38.【答案】D
【解析】根据现行国家标准《消防给水及消火栓系统技术规范》(GB50974)的规定
14.0.6-3系统上所有的控制阀门均应采用铅封或锁链固定在开启或规定的状态,每月应对铅封、锁链进行一次检查,当有破坏或损坏时应及时修理更换;选项C符合规定;
14.0.6-4每季度应对室外阀门井中,进水管上的控制阀门进行一次检查,并应核实其处于全开启状态;选项D不符合;
14.0.6-5每天应对水源控制阀、报警阀组进行外观检查,并应保证系统处于无故障状态;选项A符合规定;
14.0.6-6每季度应对系统所有的末端试水阀和报警阀的放水试验阀进行一次放水试验,并应检查系统启动、报警功能以及出水情况是否正常;B选项符合要求;所以本题答案选D选项。
39.【答案】B
【解析】根据现行国家标准《消防给水及消火栓系统技术规范》(GB50974)的规定
5.1.6-3当采用电动机驱动的消防水泵时,应选择电动机干式安装的消防水泵;选项A不符合规定;
5.1.6-4流量扬程性能曲线应为无驼峰、无拐点的光滑曲线,零流量时的压力不应大于设计工作压力的140%,且宜大于设计工作压力的120%;选项B符合规定,选项C不符合规定;
5.1.6-5当出流量为设计流量的150%时,其出口压力不应低于设计工作压力的65%;选项D不符合规定。
综合上述,本题答案选B选项。
40.【答案】B
【解析】根据《消防给水及消火栓系统技术规范》(GB50974)的规定
7.2.5市政消火栓的保护半径不应超过150m,间距不应大于120m;选项A错误;
7.2.6市政消火栓应布置在消防车易于接近的人行道和绿地等地点,且不应妨碍交通,并应符合下列规定:
1市政消火栓距路边不宜小于0.5m,并不应大于2.0m;选项B正确;
2市政消火栓距建筑外墙或外墙边缘不宜小于5.0m;选项C错误;
根据《消防设施通用规范》GB55036-2022的规定
3.0.3设置市政消火栓的市政给水管网,平时运行工作压力应大于或等于0.14MPa,应保证市政消火栓用于消防救援时的出水流量大于或等于15L/s,供水压力(从地面算起)大于或等于0.10MPa。选项D不正确,所以本题答案选B选项。
41.【答案】C
【解析】根据《消防设施通用规范》GB55036-2022的规定
3.0.5室内消火栓系统应符合下列规定:
1室内消火栓的流量和压力应满足相应建(构)筑物在火灾延续时间内灭火、控火的要求;
2环状消防给水管道应至少有2条进水管与室外供水管网连接,当其中一条进水管关闭时,其余进水管应仍能保证全部室内消防用水量;
3在设置室内消火栓的场所内,包括设备层在内的各层均应设置消火栓;
4室内消火栓的设置应方便使用和维护。
42.【答案】A
【解析】根据《消防设施通用规范》GB55036-2022的规定
4.0.2自动喷水灭火系统的选型应符合下列规定:
1设置早期抑制快速响应喷头的仓库及类似场所、环境温度高于或等于4℃且低于或等于70℃的场所,应采用湿式系统。A不符合。
2环境温度低于4℃或高于70℃的场所,应采用干式系统。
3替代干式系统的场所,或系统处于准工作状态时严禁误喷或严禁管道充水的场所,应采用预作用系统。
4具有下列情况之一的场所或部位应采用雨淋系统:
1)火灾蔓延速度快、闭式喷头的开启不能及时使喷水有效覆盖着火区域的场所或部位;
2)室内净空高度超过闭式系统应用高度,且必须迅速扑救初期火灾的场所或部位;
3)严重危险级Ⅱ级场所。BCD符合。
43.【答案】D
【解析】根据现行国家标准《自动喷水灭火系统施工及验收规范》GB50261的规定
3.2.1自动喷水灭火系统施工前应对采用的系统组件、管件及其他设备、材料进行现场检查,并应符合下列要求:
1系统组件、管件及其他设备、材料,应符合设计要求和国家现行有关标准的规定,并应具有出厂合格证或质量认证书;选项A符合标准规范;
2喷头、报警阀组、压力开关、水流指示器、消防水泵、水泵接合器等系统主要组件,应经国家消防产品质量监督检验中心检测合格;选项B符合标准规范,选项D不符合标准规范;稳压泵、自动排气阀、信号阀、多功能水泵控制阀、止回阀、泄压阀、减压阀、蝶阀、闸阀、压力表等,应经相应国家产品质量监督检验中心检测合格;选项C符合标准规范。
综上所述,本题答案选D选项。
44.【答案】D
【解析】根据现行国家标准《自动喷水灭火系统施工及验收规范》GB50261的规定
4.2.3吸水管及其附件的安装应符合下列要求:
4.2.3-1吸水管上宜设过滤器,并应安装在控制阀后;选项A符合标准规范;
4.2.3-2吸水管上的控制阀应在消防水泵固定于基础上之后再进行安装,其直径不应小于消防水泵吸水口直径,且不应采用没有可靠锁定装置的蝶阀,蝶阀应采用沟槽式或法兰式蝶阀;选项B符合标准规范。
4.2.3-4吸水管水平管段上不应有气囊和漏气现象;选项C符合标准规范;变径连接时,应采用偏心异径管件并应采用管顶平接;选项D不符合标准规范错误。
综上所述,本题答案选D选项。
45.【答案】A
【解析】《消防设施通用规范》GB55036-2022
4.0.4自动喷水灭火系统的持续喷水时间应符合下列规定:
1用于灭火时,应大于或等于1.0h,对于局部应用系统,应大于或等于0.5h;
2用于防护冷却时,应大于或等于设计所需防火冷却时间;
3用于防火分隔时,应大于或等于防火分隔处的设计耐火时间。
46.【答案】C
【解析】根据现行国家标准《自动喷水灭火系统设计规范》GB50084的规定
6.1.2闭式系统的洒水喷头,其公称动作温度宜高于环境最高温度30℃;选C选项。
47.【答案】A
【解析】根据现行国家标准《自动喷水灭火系统施工及验收规范》GB50261的规定
7.2.5报警阀调试应符合下列要求:
1湿式报警阀调试时,在末端装置处放水,当湿式报警阀进口水压大于0.14MPa、放水流量大于1L/s时,报警阀应及时启动;选项A符合规范要求;带延迟器的水力警铃应在5s-90s内发出报警铃声,选项B不符合要求;不带延迟器的水力警铃应在15s内发出报警铃声,选项C不符合要求;压力开关应及时动作,启动消防泵并反馈信号,选项D不符合要求。所以本题答案选A选项。
48.【答案】C
【解析】根据《消防安全技术综合能力》教材,第三篇消防设施安装、检测与维护管理,第四章自动喷水灭火系统第四节系统维护管理,湿式报警阀组常见故障分析、处理,消防水泵不能正常自动启动故障原因分析:
1)流量开关或者压力开关设定值不正确;选项A和选项B正确;
2)控制柜控制回路或者电气元件损坏;选项C错误;
3)水泵控制柜未设定在“自动”状态;选项D正确,所以本题答案选C选项。
49.【答案】B
【解析】根据现行国家标准《自动喷水灭火系统施工及验收规范》GB50261的规定
9.0.5电磁阀应每月检查并应做启动试验,动作失常时应及时更换;选项A符合要求;
9.0.6每个季度应对系统所有的末端试水阀和报警阀旁的放水试验阀进行一次放水试验,检查系统启动、报警功能以及出水情况是否正常,选项B不符合要求;
9.0.7系统上所有的控制阀门均应采用铅封或锁链固定在开启或规定的状态。每月应对铅封、锁链进行一次检查,当有破坏或损坏时应及时修理更换;选项C符合要求;
9.0.17每月应利用末端试水装置对水流指示器进行试验;选项D符合要求;所以本题答案选B选项。
50.【答案】B
【解析】《消防设施通用规范》GB55036-2022
6.0.5水喷雾灭火系统的水雾喷头应符合下列规定:
1应能使水雾直接喷射和覆盖保护对象;
2与保护对象的距离应小于或等于水雾喷头的有效射程;
3用于电气火灾场所时,应为离心雾化型水雾喷头;
4水雾喷头的工作压力,用于灭火时,应大于或等于0.35MPa;用于防护冷却时,应大于或等于0.15MPa。
51.【答案】D
【解析】根据现行国家标准《水喷雾灭火系统技术规范》GB50219的规定
8.4.11联动试验应符合下列规定:
1采用模拟火灾信号启动系统,相应的分区雨淋报警阀(或电动控制阀、气动控制阀)、压力开关和消防水泵及其他联动设备均应能及时动作并发出相应的信号;选项A符合规范要求;
2采用传动管启动的系统,启动1只喷头,相应的分区雨淋报警阀、压力开关和消防水泵及其他联动设备均应能及时动作并发出相应的信号;选项B符合规范要求;
3系统的响应时间、工作压力和流量应符合设计要求。
检查方法:当为手动控制时,以手动方式进行1次~2次试验;选项C符合规范要求;当为自动控制时,以自动和手动方式各进行1次~2次试验,并用压力表、流量计、秒表计量;选项D不符合规范要求。
综上所述,本题答案选D选项。
52.【答案】B
【解析】根据现行国家标准《细水雾灭火系统技术规范》GB50898的规定
3.3.2开式系统应按防护区设置分区控制阀。每个分区控制阀上或阀后邻近位置,宜设置泄放试验阀;选项A符合标准规定,选项B不符合标准规定;
3.3.3闭式系统应按楼层或防火分区设置分区控制阀。分区控制阀应为带开关锁定或开关指示的阀组;选项C和选项D符合标准规定。
所以本题答案选B选项。
53.【答案】A
【解析】根据现行国家标准《气体灭火系统设计规范》GB50370的规定
3.1.4两个或两个以上的防护区采用组合分配系统时,一个组合分配系统所保护的防护区不应超过8个;选项A错误;
3.1.7灭火系统的储存装置72小时内不能重新充装恢复工作的,应按系统原储存量的100%设置备用量;选项C正确;
3.1.9同一集流管上的储存容器,其规格、充压压力和充装量应相同;选项D正确。
所以本题答案选A选项。
根据《消防设施通用规范》
8.0.4一个组合分配气体灭火系统中的灭火剂储存量,应大于或等于该系统所保护的全部防护区中需要灭火剂储存量的最大者。选项B正确。
54.【答案】D
【解析】根据现行国家标准《二氧化碳灭火系统设计规范》(2010版)GB50193的规定
3.1.3采用局部应用灭火系统的保护对象,应符合下列规定:
3.1.3.1保护对象周围的空气流动速度不宜大于3m/s。必要时,应采取挡风措施;选项A符合;
3.1.3.2在喷头与保护对象之间,喷头喷射角范围内不应有遮挡物;选项C符合;
3.1.3.3当保护对象为可燃液体时,液面至容器缘口的距离不得小于150mm;选项B符合,而选项D不符合,所以本题答案选D选项。
55.【答案】D
【解析】根据现行国家标准《气体灭火系统施工及验收规范》GB50263的规定
6.1.5调试项目应包括模拟启动试验、模拟喷气试验和模拟切换操作试验,并应按本规范表B-4填写施工过程检查记录;包括选项A、B和C选项,不包括D选项,所以本题答案选D选项。
56.【答案】D
【解析】根据现行国家标准《建筑防排烟系统技术标准》GB51251的规定
3.3.6-3送风口的风速不宜大于7m/s;选项B不符合;
3.3.7机械加压送风系统应采用管道送风,且不应采用土建风道。送风管道应采用不燃材料制作且内壁应光滑。当送风管道内壁为金属时,设计风速不应大于20m/s;选项C不符合;当送风管道内壁为非金属时,设计风速不应大于15m/s;选项D符合;
根据现行国家标准《消防设施通用规范》
11.2.2机械加压送风系统应符合下列规定:
3对于建筑高度大于100m的建筑中的防烟楼梯间及其前室,其机械加压送风系统应竖向分段独立设置,且每段的系统服务高度不应大于100m。选项A不符合。
所以本题答案选D选项。
57.【答案】D
【解析】根据现行国家标准《建筑防排烟系统技术标准》GB51251的规定
4.4.7机械排烟系统应采用管道排烟,且不应采用土建风道;选项A正确;排烟管道应采用不燃材料制作且内壁应光滑;选项B正确;当排烟管道内壁为金属时,管道设计风速不应大于20m/s;选项C正确;当排烟管道内壁为非金属时,管道设计风速不应大于15m/s;选项D错误;排烟管道的厚度应按现行国家标准《通风与空调工程施工质量验收规范》GB 50243的有关规定执行。
58.【答案】C
【解析】根据现行国家标准《消防设施通用规范》的规定
11.3.5下列部位应设置排烟防火阀,排烟防火阀应具有在280℃时自行关闭和联锁关闭相应排烟风机、补风机的功能:
1垂直主排烟管道与每层水平排烟管道连接处的水平管段上;选项A符合要求;
2一个排烟系统负担多个防烟分区的排烟支管上;选项B符合要求;
3排烟风机入口处;选项D符合要求;
4排烟管道穿越防火分区处。
C选项属于无中生有,所以本题答案选C选项。
59.【答案】A
【解析】根据现行国家标准《汽车库、修车库、停车场设计防火规范》GB50067的规定
8.2.1除敞开式汽车库、建筑面积小于1000㎡的地下一层汽车库和修车库外,汽车库、修车库应设置排烟系统,并应划分防烟分区;选项A错误,选项B正确;
8.2.2防烟分区的建筑面积不宜大于2000㎡,且防烟分区不应跨越防火分区。防烟分区可采用挡烟垂壁、隔墙或从顶棚下突出不小于0.5m的梁划分;选项C正确,选项D正确;
所以本题答案选A选项。
60.【答案】C
【解析】根据《消防安全技术综合能力》教材第三篇第十二章第一节消防用电设备供配电系统在下列情况下应采取防火封堵措施:
1.穿越不同的防火分区;选项A正确;
2.沿竖井垂直敷设穿越楼板处;选项B说法正确;
3.管线进出竖井处;
4.电缆隧道、电缆沟、电缆间的隔墙处。
5.穿越建筑物的外墙处;选项D正确;
选项C不正确,属于无中生有;故本题答案选C选项。
61.【答案】B
【解析】根据《消防安全技术综合能力》教材第三篇第十二章,第二节电气防火防爆要求及技术措施
1.在潮湿场所中,插座应采用密封型并带保护地线触头的保护型插座,安装高度不低于1.5m;选项A正确;
2.车间及试(实)验室的插座安装高度距地面不小于0.3m;选项B错误;特殊场所暗装的插座安装高度距地面不小于0.15m;选项C正确;
3.非临时用电不宜使用移动式插座。当使用移动式插座时,电源线要采用铜芯电缆或护套软线;选项D正确;所以本题答案选B选项。
62.【答案】C
【解析】根据《消防设施通用规范》GB55036-2022
5.0.3储罐的低倍数泡沫灭火系统类型应符合下列规定:
1对于水溶性可燃液体和对普通泡沫有破坏作用的可燃液体固定顶储罐,应为液上喷射系统;
2对于外浮顶和内浮顶储罐,应为液上喷射系统;
3对于非水溶性可燃液体的外浮顶储罐和内浮顶储罐、直径大于18m的非水溶性可燃液体固定顶储罐、水溶性可燃液体立式储罐,当设置泡沫炮时,泡沫炮应为辅助灭火设施;
4对于高度大于7m或直径大于9m的固定顶储罐,当设置泡沫枪时,泡沫枪应为辅助灭火设施。
63.【答案】C
【解析】根据《消防设施通用规范》GB55036-2022
5.0.6储罐或储罐区固定式低倍数泡沫灭火系统,自泡沫消防水泵启动至泡沫混合液或泡沫输送到保护对象的时间应小于或等于5min。当储罐或储罐区设置泡沫站时,泡沫站应符合下列规定:
1室内泡沫站的耐火等级不应低于二级;
2泡沫站严禁设置在防火堤、围堰、泡沫灭火系统保护区或其他火灾及爆炸危险区域内;
3靠近防火堤设置的泡沫站应具备远程控制功能,与可燃液体储罐罐壁的水平距离应大于或等于20m。
64.【答案】A
【解析】根据《消防设施通用规范》GB55036-2022
9.0.2局部应用干粉灭火系统的保护对象应符合下列规定:
1保护对象周围的空气流速应小于或等于2m/s;
2在喷头与保护对象之间的喷头喷射角范围内不应有遮挡物;
3可燃液体保护对象的液面至容器缘口的距离应大于或等于150mm。
9.0.3干粉灭火系统应保证系统动作后在防护区内或保护对象周围形成设计灭火浓度,并应符合下列规定:
1对于全淹没干粉灭火系统,干粉持续喷放时间不应大于30s;
2对于室外局部应用干粉灭火系统,干粉持续喷放时间不应小于60s;
3对于有复燃危险的室内局部应用干粉灭火系统,干粉持续喷放时间不应小于60s;对于其他室内局部应用干粉灭火系统,干粉持续喷放时间不应小于30s。
65.【答案】C
【解析】根据《消防应急照明和疏散指示系统技术标准》GB51309-2018
4.5.1灯具应固定安装在不燃性墙体或不燃性装修材料上,不应安装在门、窗或其他可移动的物体上。B正确,C错误。
4.5.2灯具安装后不应对人员正常通行产生影响,灯具周围应无遮挡物,并应保证灯具上的各种状态指示灯易于观察。D正确。
4.5.5非集中控制型系统中,自带电源型灯具采用插头连接时,应采用专用工具方可拆卸。A正确。
66.【答案】D
【解析】根据《消防应急照明和疏散指示系统技术标准》GB51309-2018
4.3.12系统应单独布线。除设计要求以外,不同回路、不同电压等级、交流与直流的线路,不应布在同一管内或槽盒的同一槽孔内。A正确。
4.3.13线缆在管内或槽盒内,不应有接头或扭结;导线应在接线盒内采用焊接、压接、接线端子可靠连接。BC正确。
4.3.15从接线盒、管路、槽盒等处引到系统部件的线路,当采用可弯曲金属电气导管保护时,其长度不应大于2m,且金属导管应入盒并固定。D错误。
67.【答案】A
【解析】根据《消防安全技术综合能力》
1.申报
1)个体工商户,应当向当地消防救援局备案。
2)重点工程施工现场由施工单位申报。
3)同一建筑各自独立产权或使用单位,由各个单位分别独立申报。
4)不在同一县级行政区域有隶属关系的单位,法人单位申报;在同一县级行政区域有隶属关系的,下属单位具备法人资格的,各单位都需申报。
4.公告——每年第一季度。A正确。
68.【答案】C
【解析】根据《机关、团体、企业、事业单位消防安全管理规定》
第四十二条消防安全基本情况应当包括以下内容:
(一)单位基本概况和消防安全重点部位情况
(二)建筑物或者场所施工、使用或者开业前的消防设计审核、消防验收以及消防安全检查的文件、资料
(三)消防管理组织机构和各级消防安全责任人
(四)消防安全制度
(五)消防设施、灭火器材情况C属于。
(六)专职消防队、义务消防队人员及其消防装备配备情况
(七)与消防安全有关的重点工种人员情况
(八)新增消防产品、防火材料的合格证明材料
(九)灭火和应急疏散预案
ABD均属于管理情况。
69.【答案】A
【解析】根据《消防安全技术综合能力》
消防安全重点部位确定以后,应从管理的民主性、系统性、科学性着手做好六个方面的管理,以保障单位的消防安全。包括制度管理、标识化管理、教育管理、档案管理、日常管理、应急管理。只有A属于。
70.【答案】D
【解析】根据《机关、团体、企业、事业单位消防安全管理规定》
第三十八条下列人员应当接受消防安全专门培训:
(一)单位的消防安全责任人、消防安全管理人;D正确。
(二)专、兼职消防管理人员;
(三)消防控制室的值班、操作人员;
(四)其他依照规定应当接受消防安全专门培训的人员。
前款规定中的第(三)项人员应当持证上岗。
71.【答案】C
【解析】根据《机关、团体、企业、事业单位消防安全管理规定》
第三十六条单位应当通过多种形式开展经常性的消防安全宣传教育。消防安全重点单位对每名员工应当至少每年进行一次消防安全培训。宣传教育和培训内容应当包括:
(一)有关消防法规、消防安全制度和保障消防安全的操作规程;
(二)本单位、本岗位的火灾危险性和防火措施;
(三)有关消防设施的性能、灭火器材的使用方法;
(四)报火警、扑救初起火灾以及自救逃生的知识和技能。
公众聚集场所对员工的消防安全培训应当至少每半年进行一次,培训的内容还应当包括组织、引导在场群众疏散的知识和技能。
商场属于公共聚集场所,C正确。
72.【答案】C
【解析】根据《消防安全技术综合能力》
灭火和应急疏散预案演练分类:
(一)按组织形式划分,分为桌面演练和实战演练。
(二)按演练内容划分,分为单项演练和综合演练。
(三)按演练目的与作用划分,分为检验性演练、示范性演练和研究性演练。
C属于按照演练内容划分。
73.【答案】D
【解析】根据《消防设施通用规范》GB55036
3.0.2低压消防给水系统的系统工作压力应大于或等于0.60MPa。
74.【答案】B
【解析】根据《消防安全技术综合能力》
发现火灾时,起火部位现场员工应当于1 min内形成灭火第一战斗力量,在第一时间采取如下措施:灭火器材、设施附近的员工利用现场灭火器、消火栓等器材、设施灭火;电话或火灾报警按钮附近的员工打“119”电话报警,报告消防控制室或单位值班人员;安全出口或通道附近的员工负责引导人员疏散。
发现火灾时,要立即报火警而不是单位领导。B错误。
75.【答案】C
【解析】根据《机关、团体、企业、事业单位消防安全管理规定》
第三十九条消防安全重点单位制定的灭火和应急疏散预案应当包括下列内容:
(一)组织机构,包括:灭火行动组、通讯联络组、疏散引导组、安全防护救护组;
(二)报警和接警处置程序;
(三)应急疏散的组织程序和措施;C正确。
(四)扑救初起火灾的程序和措施;
(五)通讯联络、安全防护救护的程序和措施。
76.【答案】D
【解析】根据《消防安全技术综合能力》
重大活动消防安全保卫工作原则:坚持预防为主;坚持依法管理;坚持群众参与。
77.【答案】C
【解析】根据《消防设施通用规范》GB55036
11.1.4加压送风机和排烟风机的公称风量,在计算风压条件下不应小于计算所需风量的1.2倍。
78.【答案】D
【解析】根据《大型商业综合体消防安全管理规则(试行)应急消〔2019〕314号》,
第三十四条大型商业综合体内餐饮场所的管理应当符合下列要求:
1.餐饮场所宜集中布置在同一楼层或同一楼层的集中区域;A正确。
2.餐饮场所严禁使用液化石油气及甲、乙类液体燃料;C正确。
3.餐饮场所使用天然气作燃料时,应当采用管道供气。设置在地下且建筑面积大于150平方米或座位数大于75座的餐饮场所不得使用燃气;B正确,D错误。
79.【答案】A
【解析】公安部《关于实施〈机关、团体、企业、事业单位消防安全管理规定〉有关问题的通知》(公通字[2001]97号)进一步提出了消防安全重点单位的界定标准:
(一)商场(市场)、宾馆(饭店)、体育场(馆)、会堂、公共娱乐场所等公众聚集场所:
1.建筑面积在1000㎡(含本数,下同)以上且经营可燃商品的商场(商店、市场);A选项不属于消防安全重点单位。
(二)医院、养老院和寄宿制的学校、托儿所、幼儿园:
1.住院床位在50张以上的医院;B选项是消防安全重点单位
(六)公共图书馆、展览馆、博物馆、档案馆以及具有火灾危险性的文物保护单位:
2.公共博物馆、档案馆;C选项是消防安全重点单位
(九)劳动密集型生产、加工企业:生产车间员工在100人以上的服装、鞋帽、玩具等劳动密集型企业。D选项是消防安全重点单位。
80.【答案】B
【解析】根据《大型商业综合体消防安全管理规则(试行)应急消〔2019〕314号》,
第七十条消防演练方案宜报告当地消防救援机构,接受相应的业务指导。总建筑面积大于10万平方米的大型商业综合体,应当每年与当地消防救援机构联合开展消防演练。
二、多项选择题(共20题,每题2分.每题的备选项中,有2个或2个以上符合题意,至少有1个错项.错选,本题不得分;少选,所选的每个选项得0.5分)
81.【答案】BD
【解析】根据《中华人民共和国消防法》
第四十四条公民在消防工作中的权利和义务包括:
(一)任何人都有维护消防安全、保护消防设施、预防火灾、报告火警的义务;任何成年人都有参加有组织的灭火工作的义务。A正确。B错误,不包括未成年人。
(二)任何人不得损坏、挪用或者擅自拆除、停用消防设施、器材,不得埋压、圈占、遮挡消火栓或者占用防火间距,不得占用、堵塞、封闭疏散通道、安全出口、消防车通道。E正确。
(三)任何人发现火灾都应当立即报警;任何人都应当无偿为报警提供便利,不得阻拦报警;严禁谎报火警。C正确,D错误。
(四)火灾扑灭后,相关人员应当按照消防救援机构的要求保护现场,接受事故调查,如实提供与火灾有关的情况。
(五)任何个人都有权对住房和城乡建设主管部门、消防救援机构及其工作人员在执法中的违法行为进行检举、控告。
82.【答案】ABC
【解析】根据《中华人民共和国消防法》,第四十五条消防救援机构统一组织和指挥火灾现场扑救,应当优先保障遇险人员的生命安全。
火灾现场总指挥根据扑救火灾的需要,有权决定下列事项:
(一)使用各种水源;A正确;
(二)截断电力、可燃气体和可燃液体的输送,限制用火用电;
(三)划定警戒区,实行局部交通管制;B正确;
(四)利用临近建筑物和有关设施;C正确;
(五)为了抢救人员和重要物资,防止火势蔓延,拆除或者破损毗邻火灾现场的建筑物、构筑物或者设施等;D错误;
(六)调动供水、供电、供气、通信、医疗救护、交通运输、环境保护等有关单位协助灭火救援。
根据扑救火灾的紧急需要,有关地方人民政府应当组织人员、调集所需物资支援灭火。
E错误。
83.【答案】DE
【解析】根据《中华人民共和国消防法》,第六十四条违反本法规定,有下列行为之一,尚不构成犯罪的,处十日以上十五日以下拘留,可以并处五百元以下罚款;情节较轻的,处警告或者五百元以下罚款:
(二)过失引起火灾的;题目属于过失引起火灾,且情节较轻,处警告或者五百元罚款是合理的,DE正确,ABC处罚过重。
84.【答案】ABDE
【解析】根据《消防设施通用规范》GB55036
10.0.8符合下列情形之一的灭火器应报废:
1筒体锈蚀面积大于或等于筒体总表面积的1/3,表面有凹坑;
2筒体明显变形,机械损伤严重;
3器头存在裂纹、无泄压机构;
4存在筒体为平底等结构不合理现象;
5没有间歇喷射机构的手提式灭火器;
6不能确认生产单位名称和出厂时间,包括铭牌脱落,铭牌模糊、不能分辨生产单位名称,出厂时间钢印无法识别等;
7筒体有锡焊、铜焊或补缀等修补痕迹;
8被火烧过;
9出厂时间达到或超过表10.0.8规定的最大报废期限。
85.【答案】ABCE
【解析】根据《消防应急照明和疏散指示系统技术标准》GB51309-2018
5.4.6根据系统设计文件的规定,使火灾报警控制器发出火灾报警输出信号,对系统的自动应急启动功能进行检查并记录,系统的自动应急启动功能应符合下列规定:
1应急照明控制器应发出系统自动应急启动信号,显示启动时间;A正确。
2系统内所有的非持续型照明灯的光源应应急点亮、持续型灯具的光源应由节电点亮模式转入应急点亮模式,灯具光源应急点亮的响应时间应符合本标准第3.2.3条的规定;BC正确。
3 B型集中电源应转入蓄电池电源输出、B型应急照明配电箱应切断主电源输出;D错误。
4 A型集中电源、A型应急照明配电箱应保持主电源输出;切断集中电源的主电源,集中电源应自动转入蓄电池电源输出。E正确。
86.【答案】BD
【解析】根据《消防安全技术综合能力》
消防安全重点部位的档案管理做到“四个一”(一制度:消防安全重点部位防火安全制度;一表:消防安全重点部位工作人员登记表;一图:消防安全重点部位基本情况照片成册图;一计划:消防安全重点部位灭火施救计划)。
综上所述,选BD。
87.【答案】ACE
【解析】根据《消防安全技术综合能力》
“三项”报告备案制度是巩固社会单位消防安全管理、全面落实重点单位消防安全主体责任、推进消防工作社会化所采取的一项有力举措,它包括消防安全管理人员报告备案、消防设施维护保养报告备案和消防安全自我评估报告备案。
88.【答案】BC
【解析】根据《大型商业综合体消防安全管理规则(试行)应急消〔2019〕314号》,
第七十二条未建立单位专职消防队的大型商业综合体应当组建志愿消防队,并以“3分钟到场”扑救初起火灾为目标,依托志愿消防队建立微型消防站。
微型消防站每班(组)灭火处置人员不应少于6人,且不得由消防控制室值班人员兼任。A正确,C错误。
第七十三条专职消防队和微型消防站应当制定并落实岗位培训、队伍管理、防火巡查、值守联动、考核评价等管理制度,确保值守人员24小时在岗在位,做好应急出动准备。
专职消防队和微型消防站应当组织开展日常业务训练,不断提高扑救初起火灾的能力。训练内容包括体能训练、灭火器材和个人防护器材的使用等。微型消防站队员每月技能训练不少于半天,每年轮训不少于4天,岗位练兵累计不少于7天。DE正确。
第七十七条大型商业综合体的建筑面积大于或等于20万平方米时,应当至少设置2个微型消防站。设置多个微型消防站时,应当满足以下要求:B错误。
1.微型消防站应当根据大型商业综合体的建筑特点和便于快速灭火救援的原则分散布置;
2.从各微型消防站站长中确定一名总站长,负责总体协调指挥。
89.【答案】BE
【解析】根据《建筑防火通用规范》GB55037-2022
2.2.3 除有特殊要求的建筑和甲类厂房可不设置消防救援口外,在建筑的外墙上应设置便于消防救援人员出入的消防救援口,并应符合下列规定:A正确。
1 沿外墙的每个防火分区在对应消防救援操作面范围内设置的消防救援口不应少于2个;C正确。
2 无外窗的建筑应每层设置消防救援口,有外窗的建筑应自第三层起每层设置消防救援口;
3 消防救援口的净高度和净宽度均不应小于1.0m,当利用门时,净宽度不应小于0.8m;D正确。
4 消防救援口应易于从室内和室外打开或破拆,采用玻璃窗时,应选用安全玻璃;E错误。
5 消防救援口应设置可在室内和室外识别的永久性明显标志。B错误。
所以答案选BE。
90.【答案】ADE
【解析】根据《建筑设计防火规范》(GB50016-2014)(2018年版)
8.1.6消防水泵房的设置应符合下列规定:
2附设在建筑内的消防水泵房,不应设置在地下三层及以下或室内地面与室外出入口地坪高差大于10m的地下楼层;A错误。
5.4.9歌舞厅、录像厅、夜总会、卡拉OK厅(含具有卡拉OK功能的餐厅)、游艺厅(含电子游艺厅)、桑拿浴室(不包括洗浴部分)、网吧等歌舞娱乐放映游艺场所(不含剧场、电影院)的布置应符合下列规定:
5确需布置在地下或四层及以上楼层时,一个厅、室的建筑面积不应大于200㎡;C正确;E错误。
5.4.4托儿所、幼儿园的儿童用房,老年人活动场所和儿童游乐厅等儿童活动场所宜设置在独立的建筑内,且不应设置在地下或半地下;当采用一、二级耐火等级的建筑时,不应超过3层;采用三级耐火等级的建筑时,不应超过2层;采用四级耐火等级的建筑时,应为单层;确需设置在其他民用建筑内时,应符合下列规定:
4设置在高层建筑内时,应设置独立的安全出口和疏散楼。D错误,不应超过3层。
根据《建筑防火通用规范》
4.1.5 附设在建筑内的燃油或燃气锅炉房、柴油发电机房,除应符合本规范第4.1.4条的规定外,尚应符合下列规定:
1 常(负)压燃油或燃气锅炉房不应位于地下二层及以下,位于屋顶的常(负)压燃气锅炉房与通向屋面的安全出口的最小水平距离不应小于6m。B正确。
综上,答案选ADE。
91.【答案】ABC
【解析】根据《建筑设计防火规范》(GB50016-2014)(2018年版)
6.2.7附设在建筑内的消防控制室、灭火设备室、消防水泵房和通风空气调节机房、变配电室等,应采用耐火极限不低于2.00h的防火隔墙和1.50h的楼板与其他部位分隔。
通风、空气调节机房和变配电室开向建筑内的门应采用甲级防火门,消防控制室和其他设备房开向建筑内的门应采用乙级防火门。
综上,答案选择ABC。
92.【答案】BD
【解析】根据《建筑内部装修设计防火规范》GB 50222—2017
4.0.17建筑内部的配电箱、控制面板、接线盒、开关、插座等不应直接安装在低于B1级的装修材料上;用于顶棚和墙面装修的木质类板材,当内部含有电器、电线等物体时,应采用不低于B1级的材料。AC正确,BD错误。
4.0.9消防水泵房、机械加压送风排烟机房、固定灭火系统钢瓶间、配电室、变压器室、发电机房、储油间、通风和空调机房等,其内部所有装修均应采用A级装修材料。所以E正确。综上所述,答案选BD。
93.【答案】ABCE
【解析】根据《建筑设计防火规范》GB50016-2014(2018年版)
6.7.2建筑外墙采用内保温系统时,保温系统应符合下列规定:
1对于人员密集场所,用火、燃油、燃气等具有火灾危险性的场所以及各类建筑内的疏散楼梯间、避难走道、避难间、避难层等场所或部位,应采用燃烧性能为A级的保温材料。A选项为人员密集场所,故A错误。
2对于其他场所,应采用低烟、低毒且燃烧性能不低于B1级的保温材料。所以B选项错误。
3保温系统应采用不燃材料做防护层。采用燃烧性能为B1级的保温材料时,防护层的厚度不应小于10mm。D正确,CE错误。
综上所述,答案选ABCE。
94.【答案】ABC
【解析】根据《火灾自动报警系统设计规范》GB50116
5.2.1对不同高度的房间,可按表5.2.1选择点型火灾探测器。
故应该选ABC。
95.【答案】CE
【解析】根据《火灾自动报警系统设计规范》GB50116
3.2.2区域报警系统应由火灾探测器、手动火灾报警按钮、火灾声光警报器及火灾报警控制器等组成,系统中可包括消防控制室图形显示装置和指示楼层的区域显示器。所以答案选CE。
96.【答案】ACE
【解析】根据现行国家标准《消防给水及消火栓系统技术规范》(GB50974)的规定
5.4.3消防水泵接合器的给水流量宜按每个10L/s~15L/s计算;选项A符合标准要求;
5.4.7水泵接合器应设在室外便于消防车使用的地点,且距室外消火栓或消防水池的距离不宜小于15m,并不宜大于40m;选项C符合标准要求;
5.4.8墙壁消防水泵接合器的安装高度距地面宜为0.70m;与墙面上的门、窗、孔、洞的净距离不应小于2.0m,且不应安装在玻璃幕墙下方;地下消防水泵接合器的安装,应使进水口与井盖底面的距离不大于0.4m,且不应小于井盖的半径;选项B和D不符合规范要求;
5.4.9水泵接合器处应设置永久性标志铭牌,并应标明供水系统、供水范围和额定压力;选项E符合规范要求;所以本题答案选ACE选项。
97.【答案】ACDE
【解析】根据现行国家标准《消防设施通用规范》GB55036的规定
7.0.11自动跟踪定位射流灭火系统应符合下列规定:
1自动消防炮灭火系统中单台炮的流量,对于民用建筑,不应小于20L/s;对于工业建筑,不应小于30L/s。
2持续喷水时间不应小于1.0h。
3系统应具有自动控制、消防控制室手动控制和现场手动控制的启动方式。消防控制室手动控制和现场手动控制相对于自动控制应具有优先权。
4自动消防炮灭火系统和喷射型自动射流灭火系统在自动控制状态下,当探测到火源后,应至少有2台灭火装置对火源扫描定位和至少1台且最多2台灭火装置自动开启射流,且射流应能到达火源。
5喷洒型自动射流灭火系统在自动控制状态下,当探测到火源后,对应火源探测装置的灭火装置应自动开启射流,且其中应至少有一组灭火装置的射流能到达火源。
98.【答案】ABD
【解析】根据现行国家标准《自动喷水灭火系统施工及验收规范》GB50261的规定
8.0.6-1工作泵、备用泵、吸水管、出水管及出水管上的阀门、仪表的规格、型号、数量,应符合设计要求;吸水管、出水管上的控制阀应锁定在常开位置,并有明显标记;选项A符合要求;
8.0.6-2消防水泵应采用自灌式引水或其他可靠的引水措施;选项B符合要求;
8.0.6-3分别开启系统中的每一个末端试水装置和试水阀,水流指示器、压力开关等信号装置的功能应均符合设计要求。湿式自动喷水灭火系统的最不利点做末端放水试验时,自放水开始至水泵启动时间不应超过5min;选项C不符合要求;
8.0.6-7消防水泵启动控制应置于自动启动档,消防水泵应互为备用;选项D符合要求;
8.0.8-5干式系统、由火灾自动报警系统和充气管道上设置的压力开关开启预作用装置的预作用系统,其配水管道充水时间不宜大于1min;雨淋系统和仅由水灾自动报警系统联动开启预作用装置的预作用系统,其配水管道充水时间不宜大于2min;选项E不符合要求。
综上所述,本题答案选ABD选项。
99.【答案】DE
【解析】根据现行国家标准《外储压七氟丙烷灭火系统技术规程》CECS368的规定
5.0.1防护区应设置火灾自动报警系统,其设计应符合现行国家标准《火灾自动报警系统设计规范》GB 50116的规定,并应选用灵敏度级别高的火灾探测器;选项A正确;
5.0.3采用自动控制启动方式时,在喷头出流前应有30s的人员疏散时间;对于平时无人工作的防护区,可直接启动喷射;选项B正确;
5.0.4防护区应设手动与自动控制的转换装置。当人员进入防护区时,应能将灭火系统转换为手动控制方式;当人员离开时,应能恢复为自动控制方式。防护区外应设手动、自动控制状态的显示装置;选项C正确;
5.0.5自动控制装置应在接到2个独立的火灾信号后才能启动。手动控制装置和手动与自动转换装置应设在防护区疏散出口的门外便于操作的地方,安装高度宜为中心点距地面1.5m。机械应急操作装置应设在专用储存容器间内或防护区疏散出口门外便于操作的地方;选项D错误;
5.0.6组合分配系统启动时,选择阀应在容器阀开启前或同时打开;选项E错误。
综上所述,本题答案选DE选项。
100.【答案】ADE
【解析】根据现行国家标准《建筑设计防火规范》GB50016-2014(2018版)的规定
8.5.2厂房或仓库的下列场所或部位应设置排烟设施:
1人员或可燃物较多的丙类生产场所,丙类厂房内建筑面积大于300m²且经常有人停留或可燃物较多的地上房间;选项A应设置,选项B不需要设置;
2建筑面积大于5000m²的丁类生产车间;选项C不需要设置;
3占地面积大于1000m²的丙类仓库;选项D需要设置;
4高度大于32m的高层厂房(仓库)内长度大于20m的疏散走道,其他厂房(仓库)内长度大于40m的疏散走道;选项E需要设置。
综上所述,本题答案选ADE选项。